RKI 65-2462RK-04 Hydrogen Transmitter User Manual

WARNING
Read and understand this instruction manual before operating transmitter. Improper use of the transmitter could result in bodily harm or death.
Periodic calibration and maintenance of the transmitter is essential for proper operation and correct readings. Please calibrate and maintain
this transmitter regularly! Frequency of calibration depends upon the type of use you have and the sensor types. For most applications, typical calibration frequencies are between 3 and 6 months but can be more often or less often based on your usage.
Product Warranty
RKI Instruments, Inc. warrants gas alarm equipment sold by us to be free from defects in materials, workmanship, and performance for a period of one year from date of shipment from RKI Instruments, Inc. Any parts found defective within that period will be repaired or replaced, at our option, free of charge. This warranty does not apply to those items which by their nature are subject to deterioration
or consumption in normal service, and which must be cleaned, repaired, or replaced on a routine basis. Examples of such items are:
a) Absorbent cartridges
b) Pump diaphragms and valves
c) Fuses
d) Batteries
e) Filter elements
Warranty is voided by abuse including mechanical damage, alteration, rough handling, or repair procedures not in accordance with the operator’s manual. This warranty indicates the full extent of our liability, and we are not responsible for removal or replacement costs, local repair costs, transportation costs, or contingent expenses incurred without our prior approval.
THIS WARRANTY IS EXPRESSLY IN LIEU OF ANY AND ALL OTHER WARRANTIES AND REPRESENTATIONS, EXPRESSED OR IMPLIED, AND ALL OTHER OBLIGATIONS OR LIABILITIES ON THE PART OF RKI INSTRUMENTS, INC. INCLUDING BUT NOT LIMITED TO, THE WARRANTY OF MERCHANTABILITY OR FITNESS FOR A PARTICULAR PURPOSE. IN NO EVENT SHALL RKI INSTRUMENTS, INC. BE LIABLE FOR INDIRECT, INCIDENTAL, OR CONSEQUENTIAL LOSS OR DAMAGE OF ANY KIND CONNECTED WITH THE USE OF ITS PRODUCTS OR FAILURE OF ITS PRODUCTS TO FUNCTION OR OPERATE PROPERLY
This warranty covers instruments and parts sold to users by authorized distributors, dealers, and representatives as appointed by RKI Instruments, Inc.
We do not assume indemnification for any accident or damage caused by the operation of this gas monitor, and our warranty is limited to the replacement of parts or our complete goods.
Overview
This manual describes the 65-2462RK-04 hydrogen transmitter. This manual also describes how to install, start up, configure, maintain, and calibrate the transmitter when it is used with a gas monitoring controller. A parts list at the end of this manual lists replacement parts and accessories for the hydrogen transmitter.
Specifications
Table 1 lists specifications for the hydrogen transmitter.
Table 1: Specifications

WARNING: When using the 65-2462RK-04, you must follow the instructions and warnings in this manual to ensure proper and safe operation of the 65-2462RK-04 and to minimize the risk of personal injury. Be sure to maintain and periodically calibrate the 65-2462RK04 as described in this manual.
Description
This section describes the components of the hydrogen transmitter. The transmitter is a 4 – 20 mA type detector head. It consists of the hydrogen detector, calibration cup/splash guard, amplifier, the amplifier junction box, and the detector junction box. The two-junction-box configuration is intended for situations where the detector needs to be installed at an inaccessible location. The detector junction box can be installed at the inaccessible location and the amplifier junction box can be installed in a more readily accessible area.

Figure 1: Hydrogen Transmitter Component Location
Hydrogen Detector
The hydrogen detector is a thermal conductivity (TC) type detector that produces an electrical output that corresponds to the detection range. It is packaged in a 1/2 inch NPT nipple with a sintered metal flame arrestor on one end allowing ambient air to diffuse into the detector. The flame arrestor also contains any sparks which may occur within the detector. The 1/2 inch NPT mounting threads at the
top of the detector allow you to mount it into the bottom conduit hub of the junction box. A rain shield screws onto the bottom of the detector (flame arrestor end). The rain shield helps protect the detector from rain and debris in the monitoring environment. Four color-coded leads extend from the top of the detector. The leads allow you to connect the detector to the amplifier.
Calibration Cup/Splash Guard
A calibration cup/splash guard is installed on the rain shield of the hydrogen detector. A fitting at the bottom of the calibration cup/splash guard allows a length of tubing to be connected for calibration and routed to a more easily accessible location. The calibration cup/splash guard also protects the detector.
Amplifier
The amplifier is located in the amplifier junction box. The amplifier converts the electrical output from the detector to a 4 to 20 mA signal that corresponds to the detection range and transmits the signal to a gas monitoring controller. The sensor voltage is factory set to 2.0V between the red and black wires. A foam gasket that orients the amplifier and keeps it from rotating is installed on the bottom of the amplifier. The amplifier includes the detector terminal strip, controller terminal strip, span pot, zero pot, and test points (see Figure 2).

Figure 2: Amplifier Component Location
Controller Terminal Strip
The controller terminal strip is a three position plug-in style terminal strip located near the top of the amplifier. Use the controller terminal strip to wire the hydrogen transmitter to a controller.
Detector Terminal Strip
The detector terminal strip is a four position plug-in style terminal strip located below the controller terminal strip. Use the detector terminal strip to connect the hydrogen detector to the amplifier.
NOTE: See “Wiring the Detector to the Amplifier” on page 11 for all wiring procedures related to the transmitter.
Zero Pot
The zero pot is located in the upper left corner of the amplifier (see Figure 2). Use a small flat blade screwdriver to turn the zero pot’s adjustment screw and adjust the amplifier’s zero (fresh air) output during the start-up and calibration procedures. Turn the adjustment screw clockwise to increase the zero output and counterclockwise to decrease the zero output.
Span Pot
The span pot is located to the right of the zero pot (see Figure 2). Use a small flat blade screwdriver to turn the span pot’s adjustment screw and adjust the amplifier’s gas response output during the calibration procedure. Turn the adjustment screw clockwise to increase the gas response and counterclockwise to decrease the gas response.
CAUTION: The amplifier includes two additional potentiometers. They are factory-set. Do not adjust them.
Test Points
The test points are on the left side of the amplifier (see Figure 2). The test points produce a 100 mV to 500 mV output that corresponds to the transmitter’s 4 to 20 mA output. Use the test points and a voltmeter to measure the amplifier’s output during the start-up and calibration procedures. The black test point in the lower left corner is the negative (-) test point and the red test point below the zero pot is the positive (+) test point.
Amplifier Junction Box
The amplifier junction box protects the amplifier and wiring connections made to the amplifier. Use the top 3/4’’ conduit hub to connect wiring from the amplifier to the controller. Use the bottom 3/4” conduit hub to wire the remotely installed hydrogen detector. Use the cover on the front of the junction box to access the interior of the junction box. The amplifier is factory installed in the junction box. Three spacers installed on the back of the junction box controls the distance of the junction box from a mounting surface.
Detector Junction Box
The detector junction box is intended to be installed remotely from the amplifier junction box. The hydrogen detector is factory installed in the bottom 3/4” conduit hub. A terminal strip is provided for wiring connections and the detector is factory wired to one side of this terminal strip. The other side of the terminal strip is for user-supplied wiring to the detector terminal strip located in the amplifier junction box. This wiring should go through the top 3/4” conduit hub. Three spacers installed on the back of the junction box controls the distance of the junction box from a mounting surface.
Installation
This section describes procedures to mount the hydrogen transmitter in the monitoring environment and wire the transmitter to a controller.
Mounting the Hydrogen Transmitter
- Select a mounting site that is representative of the monitoring environment. Consider the following when you select the mounting site.
• For the amplifier junction box, select a site where the junction box is not likely to be bumped or disturbed. Make sure there is sufficient room to perform start-up, maintenance, and calibration procedures. The site should be easily accessible.
• For the detector junction box, select a site where the target gas is likely to be found first. For hydrogen, which is lighter than air, mount the detector near the ceiling or where hydrogen is most likely to accumulate.
• The junction boxes should be mounted no further than 200 feet from each other.
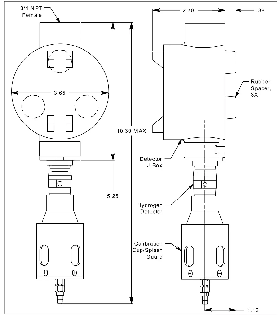
Figure 3: Hydrogen Transmitter Dimensions - At the monitoring site you select, hang or mount the detector junction box with the detector facing down (see Figure 3).
- Install 3/16 inch I.D. flexible polyurethane tubing to the fitting at the bottom of the calibration cup/splash guard and route it to an accessible area that is close to the amplifier junction box. See the “Parts List” on page 23 for available tubing
Wiring the Detector to the Amplifier
WARNING: Always verify that the power to the controller is off before you make wiring connections.
- Confirm that no power is being applied to the amplifier. If the amplifier has already been connected to a controller, turn off the controller and turn off or unplug power to the controller.
- Remove the detector junction box’s cover from the junction box.
- Remove the amplifier junction box’s cover from the junction box.
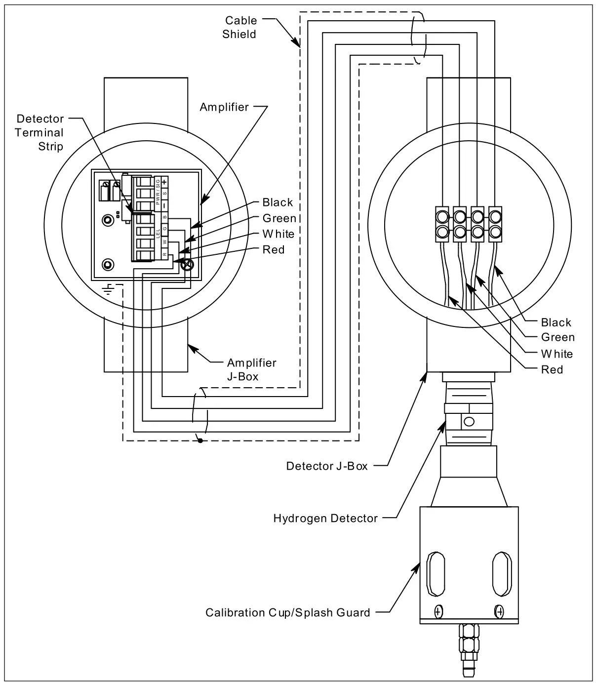
- Guide a four-conductor, shielded cable or four wires in conduit through the top conduit hub of the detector junction box. To make wiring more convenient, use wire colors that correspond to the detector wire colors: red, white, green, and black.
NOTE: Consult RKI Instruments, Inc. for cable lengths longer than 200 feet. - Connect the detector leads to the terminal block in the detector junction box.
- Secure the detector junction box’s cover to the junction box.
- Guide the other end of the four-conductor, shielded cable or four wires in conduit through the bottom conduit hub of the amplifier junction box.
- To gain access to a plug-in terminal strip for wiring, pull it out of its socket by grasping the terminal strip and pulling. The detector strip is keyed so that the controller and detector terminal strips cannot be reversed inadvertently.
- Pull out the detector terminal strip and connect the four wires to the terminal strip as follows (see Figure 4).
• Connect the wire corresponding to the detector’s red wire to the LEL “R” terminal.
• Connect the wire corresponding to the detector’s white wire to the LEL “W” terminal.
• Connect the wire corresponding to the detector’s green wire to the LEL “G” terminal.
• Connect the wire corresponding to the detector’s black wire to the LEL “B” terminal.CAUTION: If shielded cable is used, leave the cable shield’s drain wire disconnected and insulated at the detector junction box. You will connect the opposite end of the cable’s drain wire to the amplifier junction box’s chassis (earth) ground.
Figure 4: Wiring the Detector to the Amplifier - Reinstall the detector terminal strip into its socket.
- If shielded cable is used, connect the cable’s drain wire to an available chassis (earth) ground at the amplifier junction box. The amplifier mounting screw is a convenient grounding location. Install a lug on the shield drain wire or wrap the shield drain wire around the mounting screw. Do not connect the shield drain wire at the detector junction box.
Wiring the Amplifier to a Controller
- Turn off the controller.
- Turn off or unplug power to the controller.
- Remove the amplifier junction box’s cover from the junction box.
- Guide a three-conductor, shielded cable, or three wires in conduit through the top conduit hub of the amplifier junction box.
- Pull out the controller terminal strip, and connect the three wires to the terminal strip as follows (see Figure 5).
• Connect the positive wire to the PWR/SIG “+” terminal.
• Connect the signal wire to the PWR/SIG “S” terminal.
• Connect the negative wire to the PWR/SIG “-” terminal.CAUTION: If shielded cable is used, leave the cable shield’s drain wire disconnected and insulated at the amplifier junction box. You will connect the opposite end of the cable’s drain wire to the controller’s chassis (earth) ground. - Reinstall the controller terminal strip into its socket.
- Secure the amplifier junction box’s cover to the junction box.
- Route the cable or wires leading from the amplifier junction box through one of the conduit hubs at the controller housing.CAUTION: Do not route power and transmitter wiring through the same controller conduit hub. The power cable may disrupt the transmission of the transmitter signal to the controller
- Connect the wires to the applicable detector/transmitter terminal strip at the controller as shown in Figure 5.
Figure 5: Wiring the Amplifier to a Controller - If shielded cable is used, connect the cable’s drain wire to an available chassis (earth) ground at the controller. RKI controllers typically have a ground stud that can be used to ground the cable’s drain wire.
Start Up
This section describes procedures to start up the hydrogen transmitter and place the transmitter into normal operation.
Introducing Incoming Power
- Complete the installation procedures described earlier in this manual.
- Verify that the power wiring to the controller is correct and secure. Refer to the controller operator’s manual.
- Turn on power to the controller.
- Turn on the controller.
- Verify that the controller is on and operating properly. Refer to the controller operator’s manual.
NOTE: When first powered up, the transmitter will enter about a one minute period when the 4-20 mA output is stabilizing and may be above the controller alarm points or well below zero momentarily. RKI controllers have a one minute warmup period when the controller does not display any gas reading or give any alarm indication. The hydrogen transmitter’s 4-20 mA signal should be stable by the time the controller’s warmup period is over.
CAUTION: Allow the detector to warm up for 5 minutes before you continue with the next section, “Setting the Zero Signal”.
Setting the Zero Signal
WARNING: Do not remove the junction box cover while the circuits are energized unless the area is determined to be non-hazardous. Keep the junction box cover tightly closed during operation.
As shipped from the factory, the detector is zeroed with N2 and calibrated with H2 in N2. If the sample area has a background that is not N2 (such as fresh air or helium), you must rezero the detector while applying that background gas.
- Unscrew and remove the amplifier junction box’s cover from the junction box.
- Set a voltmeter to measure in the millivolt (mV) range.
- Plug the voltmeter leads into the test points on the amplifier. Plug the positive lead into the red (+) test point; plug the negative lead into the black (-) test point.
- Screw the regulator into a calibration cylinder containing the background gas (such as zero air or helium).
- Use the flexible tubing coming from the calibration cup/splash guard to connect the regulator to the calibration cup.
- Turn the regulator’s on/off knob counterclockwise to open it. Gas will begin to flow.
- Allow the gas to flow for the length of time determined in “Determining Response Time” on page 20.
- Verify a voltmeter reading of 100 mV (±2 mV).
- If necessary, use a small flat-blade screwdriver to adjust the zero pot until the voltmeter reading is 100 mV (±2 mV).
- Turn the regulator’s on/off knob clockwise to close it.
- Disconnect the calibration cup/splash guard’s flexible tubing from the regulator.
NOTE: Do not disconnect the flexible tubing from the calibration cup/splash guard. - Unscrew the regulator from the calibration cylinder.
- Store the components of the calibration kit in a safe and convenient place.
- Remove the voltmeter leads from the test points.
- Secure the junction box cover to the junction box.
Maintenance
This section describes maintenance procedures. It includes preventive maintenance, troubleshooting, and component replacement procedures.
Preventive Maintenance
This section describes a preventive maintenance schedule to ensure the optimum performance of the hydrogen transmitter. It includes daily and quarterly procedures.
Daily
Verify a display reading of 0%vol at the controller. Investigate significant changes in the display reading.
Quarterly
Calibrate the hydrogen transmitter as described in “Calibration” on page 21 of this manual.
Troubleshooting
The troubleshooting guide describes symptoms, probable causes, and recommended action for problems you may encounter with the hydrogen transmitter.
NOTE: This troubleshooting guide describes transmitter problems only. See the controller operator’s manual for problems you may encounter with the controller.
Table 2: Troubleshooting the Hydrogen Transmitter

Replacing Components of the Hydrogen Transmitter
This section includes procedures to replace the hydrogen detector and amplifier.
Replacing the Hydrogen Detector
NOTE: The hydrogen detector is installed on the junction box that does not house the amplifier. This junction box was likely installed somewhere difficult to access.
- Turn off the controller.
- Turn off or unplug power to the controller.
- Unscrew the calibration cup/splash guard from the detector.
- Remove the detector junction box’s cover from the junction box.
- Disconnect the detector leads from the terminal block in the detector junction box. Note the position of the color-coded leads as you remove them.
- Unscrew the detector from the detector junction box.
- Guide the detector leads of the replacement detector through the bottom conduit hub of the detector junction box, then screw the mounting threads of the detector into the conduit hub. If necessary for environmental conditions, apply thread sealant or teflon tape to the hub and/or detector threads to seal them.
- Connect the detector leads to the terminal block the same way the old detector was wired (see Figure 4 on page 12).
- Screw the calibration cup/splash guard onto the new detector.
- Reinstall the detector junction box cover.
- Turn on or plug in power to the controller.
- Turn on the controller and place it into normal operation.NOTE: When first powered up, the transmitter will enter about a one minute period when the 4-20 mA output is stabilizing and may be above the controller alarm points or well below zero momentarily. RKI controllers have a one minute warmup period when the controller does not display any gas reading or give any alarm indication. The hydrogen transmitter’s 4-20 mA signal should be stable by the time the controller’s warmup period is over.
CAUTION: Allow the replacement detector to warm up for 5 minutes before you continue with the next step
- Calibrate the transmitter as described in “Calibration” on page 21 of this manual.
Replacing the Amplifier
NOTE: The amplifier is not housed in the same junction box as the hydrogen detector. The amplifier junction box should be somewhere accessible.
- Turn off the controller.
- Turn off or unplug power to the controller.
- Remove the amplifier junction box’s cover from the junction box.
- Unplug the detector terminal strip and controller terminal strip from their sockets. You may leave the wires connected to the terminal strips.
- Unscrew and remove the screw with the flat and lock washers that secures the amplifier to the junction box.
- Remove the old amplifier.
- Place the new amplifier in the same position as the old amplifier. A foam gasket that orients the amplifier and keeps it from rotating is installed on the bottom of the amplifier. Make sure the amplifier is seated flat in the junction box.
- Install the new amplifier into the junction box with the screw, lock washer, and flat washer you removed in step 5 above.
- Install the detector and controller terminals strips into their sockets on the new amplifier as shown in Figure 5 on page 14 of this manual. If controller leads or detector leads were removed during this procedure, refer to Table 3 and Table 4 below.Table 3: Reconnecting the Amplifier to the Controller
Table 4: Reconnecting the LEL Detector to the Amplifier
NOTE: When a transmitter is first powered up with a new amplifier, the initial output may be either high or below zero depending on the setting of the zero pot. Be sure to make arrangements so that this does not cause unwanted alarms. - Turn on power to the controller.
- Turn on the controller and place it into normal operation.
NOTE: When first powered up, the transmitter will enter about a one minute period when the 4-20 mA output is stabilizing and may be above the controller alarm points or well below zero momentarily. RKI controllers have a one minute warmup period when the controller does not display any gas reading or give any alarm indication. The hydrogen transmitter’s 4-20 mA signal should be stable by the time the controller’s warmup period is over. - Allow the transmitter to warm-up for 5 minutes.
- Calibrate the transmitter as described in “Calibration” on page 21 of this manual.
Calibration Frequency
Although there is no particular calibration frequency that is correct for all applications, a calibration frequency of every 3 to 6 months is adequate for most hydrogen transmitter applications. Unless experience in a particular application dictates otherwise, RKI Instruments, Inc. recommends a calibration frequency of every 3 months.
If an application is not very demanding, for example detection in a clean, temperature controlled environment where hydrogen is not normally present and calibration adjustments are minimal at calibration, then a calibration frequency of every 6 months is adequate.
If an application is very demanding, for example if hydrogen is present often and in significant concentrations or the environment is not well controlled, then more frequent calibration than every 3 months may be necessary.
Determining Response Time
Since the detector junction box is installed remotely from the amplifier, the response time of the detector will depend on the length of flexible tubing that is attached to the calibration cup/splash guard.
To determine the response time based on the length of tubing connected:
- Place the controller into its calibration mode or disable external alarms.
- Note the current gas reading displayed at the controller.
- Screw the regulator into the calibration cylinder. Do not use a zero air cylinder for this operation.
- Use the flexible tubing coming from the calibration cup/splash guard to connect the regulator to the calibration cup.
- Turn the regulator’s on/off knob counterclockwise to open the regulator. Gas will begin to flow.
Take note of the time or start a stopwatch. - When you first start to notice an increase in the gas reading, note how much time passed between starting the gas flow and noticing a reading response.
- Turn the regulator’s on/off knob clockwise to close the regulator.
- Unscrew the regulator from the calibration cylinder.
- Disconnect the calibration cup/splash guard’s flexible tubing from the regulator.NOTE: Do not disconnect the flexible tubing from the calibration cup/splash guard.
- Add 1 minute to the length of time determined in step 6. This is the response time for the detector. When performing a response test, zero adjustment, or span adjustment, gas must be applied for this length of time.
Calibration
This section describes how to calibrate the hydrogen transmitter. It includes procedures to prepare for calibration, set the zero reading, set the response reading, and return to normal operation.
WARNING: The controller is not an active gas monitoring device during the calibration procedure.
NOTE: This procedure describes calibration using a 0.5 LPM fixed flow regulator with an on/off knob, a calibration cup for the detector, and a short piece of sample tubing to connect the regulator to the calibration cup, a 100% N2 cylinder, a 4% H2 cylinder, and a zero air calibration cylinder.
Preparing for Calibration
- Unscrew and remove the amplifier junction box’s cover from the junction box.
- Set a voltmeter to measure in the millivolt (mV) range.
- Plug the voltmeter leads into the test points on the amplifier. Plug the positive lead into the red (+) test point; plug the negative lead into the black (-) test point.
- Use the following formula to determine the correct test points output for the calibrating sample.
Output (mV) = (calibrating sample/fullscale) X 400 + 100
For example, with a calibrating sample of 4% vol and a fullscale setting of 10% vol, the correct output is 260 mV.
260(mV) = (4/10) X 400 +100 - Place the controller into its calibration mode or disable external alarms.
NOTE: Calibrating the hydrogen transmitter may cause alarms. Be sure to put the controller into its calibration mode or disable external alarms before continuing
Zeroing With Nitrogen
- Screw the regulator into the 100% N2 calibration cylinder.
- Turn the regulator knob counterclockwise to open the regulator.
- Allow the gas to flow for the length of time determined in “Determining Response Time” on page 20 and verify a reading of 100 mV (±2 mV). If necessary, use the zero pot on the amplifier to adjust the reading to 100 mV (±2 mV).
- Verify a voltmeter reading of 100 mV ± 2 mV at the H2 test points as described in the Preparing for Calibration section above.
- If necessary, use a small flat-blade screwdriver to adjust the zero pot for the H2 channel until the voltmeter reading is 100 mV ± 2 mV.
- Turn the regulator knob clockwise to close the regulator.
- Unscrew the regulator from the calibration cylinder. Leave the sample tubing connected to the regulator and the calibration cup.
Setting the Response Reading
- Screw the regulator into the calibration cylinder.
- Turn the regulator’s on/off knob counterclockwise to open the regulator.
- Allow the calibration gas to flow for the length of time determined in “Determining Response
Time” on page 20 and verify that the reading matches the response reading (±2 mV) you determined earlier. If necessary, use the span pot on the amplifier to adjust the reading to match the correct response reading. - Turn the regulator’s on/off knob clockwise to close the regulator.
- Unscrew the regulator from the calibration cylinder.
Zeroing with Background Gas
If the sample area has a background gas that is not N2 (such as fresh air or helium), you must rezero the detector while applying that background gas.
- Screw the regulator into a calibration cylinder containing the background gas (such as zero air or helium).
- Turn the regulator knob counterclockwise to open the regulator.
- Allow the calibration gas to flow for the length of time determined in “Determining Response Time” on page 20 and verify that the reading matches the response reading (±2 mV) you determined earlier. If necessary, use the span pot on the amplifier to adjust the reading to match the correct response reading.
- Verify a voltmeter reading of 100 mV ± 2 mV at the H2 test points as described in the Preparing for Calibration section above.
- If necessary, use a small flat-blade screwdriver to adjust the zero pot for the H2 channel until the voltmeter reading is 100 mV ± 2 mV.
- Turn the regulator knob clockwise to close the regulator.
- Unscrew the regulator from the calibration cylinder.
Returning to Normal Operation
- Remove the voltmeter leads from the amplifier test points.
- Disconnect the calibration cup/splash guard’s flexible tubing from the regulator.
NOTE: Do not disconnect the flexible tubing from the calibration cup/splash guard. - Secure the amplifier junction box cover to the junction box.
- When the controller display reading falls below the alarm setpoints, return the controller to normal operation.
- Verify that the controller display reading decreases and stabilizes at 0% vol.
- Store the components of the calibration kit in a safe and convenient place.
Parts List
Table 5 lists replacement parts and accessories for the hydrogen transmitter.
Table 5: Parts List


Figure 4: Wiring the Detector to the Amplifier
Figure 5: Wiring the Amplifier to a Controller
Table 4: Reconnecting the LEL Detector to the Amplifier

















