35-3001A-11
Hydrogen Sample-Draw Detector Operator’s Manual
Part Number: 71-0334
Revision: B
Released: 12/29/21
www.rkiinstruments.com
WARNING
Read and understand this instruction manual before operating detector. Improper use of the detector could result in bodily harm or death. Periodic calibration and maintenance of the detector is essential for proper operation and correct readings. Please calibrate and maintain this detector regularly! Frequency of calibration depends upon the type of use you have and the sensor types. For most applications, typical calibration frequencies are between 3 and 6 months but can be more often or less often based on your usage.
Product Warranty
RKI Instruments, Inc. warrants gas alarm equipment sold by us to be free from defects in materials, workmanship, and performance for a period of one year from date of hipment from RKI Instruments, Inc. Any parts found defective within that period will be repaired orreplaced, at our option, free of charge. This warranty does not apply to those items which by their nature are subject to deterioration or consumption in normal service, and which must be cleaned, repaired, or replaced on a routine basis. Examples of such items are:
Overview
This operator’s manual describes the 35-3001A-11 hydrogen sample-draw detector. This manual also describes how to install, start up, maintain, and calibrate the sample-draw
detector when using it with a gas monitoring controller. A parts list at the end of this manual lists replacement parts and accessories for the sample-draw detector.
Specifications
Table 1 lists specifications for the hydrogen sample-draw detector. See the controller Operator’s Manual for information specific to the controller.
Table 1: Specifications
| Target Gas and Detection Range | Hydrogen: 0 – 10% volume | |
| Input Power | 24 VDC Nominal (18.5 VDC – 30 VDC) | |
| Construction (housing) | Fiberglass/polyester (NEMA 4X) | |
| Dimensions | 8.5 in. H x 6.5 in. W x 4.25 in. D | |
| Weight | 4.5 lbs. | |
| Sampling Method | Sample-draw | |
| Sample Flow | 3.0 SCFH typical, with no inlet or exhaust line | |
| Flow to Sensor | 1.0 SCFH (nominal) | |
| Low Flow Setpoint | 0.6 1 0.1 SCFH | |
| Maximum Recommended Inlet/Exhaust Line Length for 1/4″ O.D. x 1/8″ I.D. Tubing | Inlet | Exhaust |
| 100 feet | 0 feet | |
| 50 feet | 50 feet | |
| Maximum Recommended Inlet/Exhaust Line Length for 1/4″ O.D. x 0.170″ I.D. Tubing | Inlet | Exhaust |
| 100 feet | 100 feet | |
| Response Time | 90% in 30 seconds | |
| Accuracy | ± 5% of reading or 1 2% of full scale (whichever is greater) | |
WARNING: When using the 35-3001A-11, you must follow the instructions and warnings in this manual to assure proper and safe operation of the 35-3001A-11 and to minimize the risk of personal injury. Be sure to maintain and periodically calibrate the 35-3001A-11 as described in this manual.
Description
This section describes the components of the hydrogen sample-draw detector.
Figure 1: Hydrogen Sample-Draw Detector Component Location
External Components
This section describes the sample-draw detector’s external components.
Housing
The sample-draw detector’s fiberglass housing is weather and corrosion-resistant. It is suitable for installation where general purpose equipment is in use.
The housing door is hinged on the left side and is secured by two latches on the right side. The flowmeter and status LEDs are visible through a window in the housing door.
Four mounting feet are attached to the back of the housing (one at each corner). Use the mounting feet to install the housing to a vertical surface.
Sample Fittings
The sample fittings are located on the left side of the bottom of the housing. The inlet fitting is near the front of the housing, and the exhaust fitting is near the back of the housing. The sample fittings accept 1/4 in. rigid tubing. See the Installation section on page 12 to connect tubing to the sample fittings.
Particle Filter
A particle filter with a tubing stub on one end is shipped with the instrument but it is not factory installed. If the particle filter is installed directly to the inlet fitting, the tubing stub must be used. If the particle filter is installed somewhere else, like at the end of the inlet line, the tubing stub can either be used or removed.
Conduit Hub
One 3/4” conduit hub is located on the right side of the bottom of the housing. It is used for routing wiring into the housing by using conduit or an appropriate cable bushing.
Internal Components
This section describes the sample-draw detector’s internal components (see Figure 1). Figure 2 illustrates how the gas sample moves through the flow system. 
Main Circuit Board
The main circuit board includes the detector/amp terminal strip, interconnect terminal strip, oxygen sensor terminal strip, pump connector, and flowmeter circuit board connector (see Figure 1).
Detector/Amp Terminal Strip
The detector/amp terminal strip is the upper twelve-point terminal strip in the bottom right corner of the main circuit board. Use the detector/amp terminal strip to connect the amplifier to the main circuit board.
NOTE: The amplifier is factory-wired to the main circuit board. See the “Installation” section on page 12 for all wiring procedures related to the sample-draw detector.
Interconnect Terminal Strip
The interconnect terminal strip is the lower twelve-point terminal strip in the bottom right corner of the main circuit board. Use the interconnect terminal strip to connect the sampledraw detector to a controller.
Oxygen Sensor Terminal Strip
The oxygen sensor terminal strip is a two-point terminal strip in the upper right corner of the main circuit board. This terminal strip is not used in this version of the sample-draw detector.
Pump Connector
The pump connector is the two-point connector below the oxygen terminal strip in the upper right corner of the main circuit board. Use the pump connector to connect the pump to the main circuit board.
NOTE: The pump is factory-wired to the main circuit board. See “Installation” on page 12 for all wiring procedures related to the sample-draw detector.
Flowmeter Circuit Board Connector
The flowmeter circuit board connector is a six-position connector in the upper left corner of the main circuit board. Use the flowmeter circuit board connector to connect the flowmeter circuit board to the main circuit board.
NOTE: The flowmeter circuit board is factory wired to the main circuit board. See “Installation” on page 12 for all wiring procedures related to the sample-draw detector.
Flowmeter Circuit Board
The flowmeter circuit board is mounted to the left side of the main circuit board using standoffs. It includes the flowmeter, sensor flow control valve, status LEDs, pressure switch, and pump reset switch.
Flowmeter
The flowmeter is mounted to the right side of the flowmeter circuit board. You can see it through the window in the door. A ball in the flowmeter column indicates the flow rate to the sensor. The flowmeter measures the flow in the range 0.2 to 2.0 SCFH (Standard Cubic Feet per Hour). The optimum flow rate is 1.0 SCFH.
Sensor Flow Control Valve
The sensor flow control valve is mounted to the flowmeter circuit board above the flowmeter. The sensor flow control valve adjusts the flow rate to the detector. Turn the valve’s knob counterclockwise to increase the flow and clockwise to decrease the flow.
Status LEDs
Two status LEDs are above the flowmeter. They are also visible through the window in the housing door. The green Pilot LED is on when the sample-draw detector is receiving power from the controller. The red Fail LED is on when the sample flow rate is below the low flow level.
Pressure Switch
The pressure switch is mounted to the back of the flowmeter circuit board. The pressure switch monitors the flow rate of the incoming gas sample.
If the flow rate falls below the preset low flow level, the pressure switch causes the Fail LED to turn on and interrupts the signal from the detector. The interrupted detector signal causes a fail condition at the controller. The low flow level is factory-set at 0.6 SCFH (±0.1 SCFH). See “Adjusting the Low Flow Setting” on page 22 to adjust this setting.
Pump Reset Switch
The pump reset switch is located to the left of the status LEDs. When a low flow condition occurs, the pump will be shut off. To reset the low flow condition and start the pump again, press and hold the pump reset switch for about 2 seconds, then release.
Hydrophobic Filter
The hydrophobic filter is located toward the bottom left of the main circuit board. The filter prevents particulates and water in the incoming gas sample from damaging the flow and detection systems. Replace the filter when it appears dirty, discolored, or clogged.
Pump
The pump is mounted to the right side of the main circuit board. The pump pulls the gas sample into the sample-draw detector. The pump operates on 24 VAC, which is generated from the 24 VDC supplied by the controller.
Hydrogen Sensor
The hydrogen sensor is installed in the flow block and the flow block is mounted to the middle of the main circuit board. The sensor housing includes a sintered metal flame arrestor on one end that allows gas to diffuse into the sensor. On the other end, five pins extend from the sensor and plug into the socket connector. The connector allows you to replace the sensor without disconnecting the wiring. Four leads extending from the connector are factory wired to the amplifier. The hydrogen sensor detects hydrogen in the % vol range.Two sensing elements are protected within the detector. Through a series of thermal and electronic reactions, these elements produce an electrical output that is proportional to the detection range of the sample-draw detector.
Amplifier
The amplifier is mounted on the top middle edge of the main circuit board. It consists of the zero pot, span pot, controller terminal strip, detector terminal strip, and test points. The amplifier converts the electrical output from the detector to a 4 to 20 mA signal that corresponds to the detection range and transmits the signal to a gas monitoring controller. A label on the amplifier indicates the detector drive current. This drive current is factory set and is dictated by the combustible gas to which the detector is calibrated. Consult RKI Instruments, Inc. if you plan to change the calibration gas for the sample-draw detector, for example from a hydrogen calibration to a methane calibration. 
Zero Pot
The zero pot is located in the upper right corner of the amplifier (see Figure 3). Use a small flat blade screwdriver to turn the zero pot’s adjustment screw and adjust the amplifier’s zero (fresh air) output during the start-up and calibration procedures. Turn the adjustment screw clockwise to increase the fresh air output and counterclockwise to decrease the fresh air output.
Span Pot
The span pot is located below the zero pot (see Figure 3). Use a small flat blade screwdriver to turn the span pot’s adjustment screw and adjust the amplifier’s gas response output during the calibration procedure. Turn the adjustment screw clockwise to increase the span output and counterclockwise to decrease the span output.
CAUTION: The amplifier includes additional pots. They are factory-set. Do not adjust them.
Controller and Detector Terminal Strips
The controller terminal strip is located on the right side of the amplifier and the detector terminal strip is to the left of it. The controller terminal strip and detector terminal strip are three and four-position plug-in style terminal strips, respectively. Both terminal strips are factory wired to the sensor and main circuit board.
Test Points
The test points are on the left side of the amplifier (see Figure 3). The test points produce a 100 mV to 500 mV output that corresponds to the sample-draw detector’s 4 to 20 mA output. Use the test points and a voltmeter to measure the amplifier’s output during the start-up and calibration procedures. The black test point in the upper left corner is the negative (-) test point and the red test point to the left of the zero and span pots is the positive (+) test point.
Installation
This section describes procedures to mount the sample-draw detector in the monitoring environment and wire the sample-draw detector to a controller.
Mounting the Sample-Draw Hydrogen Detector
- Select the mounting site. Consider the following when you select the mounting site:
• Is there enough room to open the housing door and make wiring and tubing connections at the bottom of the housing?
• Make sure there is sufficient room to perform start-up, maintenance, and calibration procedures.
• Are the flowmeter and status LEDs visible? - Close and latch the housing door.
NOTE: The sample-draw detector is shipped with the mounting feet “tucked under” the housing to protect the mounting feet during shipment. - Slightly loosen the screw that secures the mounting foot to the housing, then rotate the mounting foot 180 degrees (see Figure 4).
- Tighten the screw that secures the mounting foot to the housing.
- Repeat steps 3 and 4 for the remaining three mounting feet.
- Position the sample-draw housing on a vertical surface at eye level (4 1/2 to 5 feet from the floor).
- Insert 1/4 inch screws through the slots in the mounting feet to secure the housing to the mounting surface.

Connecting the Sample Lines to the Sample-Draw Detector See Figure 6 for the fitting layout.
Installing the Inlet Line with Particle Filter Connected to the Inlet Fitting
- Loosen the nut on the inlet fitting until 3 threads are visible.
- Push the particle filter’s tubing stub into the inlet fitting until it stops. Be sure the arrow on the particle filter is pointing toward the inlet fitting.
- Hand tighten the nut on the inlet fitting so the ferrules clamp on the tubing. If the tube nut is removed, see Figure 6 for the arrangement of the fitting components.
- Connect a length of sample tubing to the other side of the particle filter and route it to the sampling area. 1/4” O.D. rigid polypropylene, Teflon, or flexible polyurethane tubing may be used. RKI Instruments, Inc. recommends using either 1/4” O.D. x 1/8” I.D. or 1/4” O.D. x 0.170” I.D. tubing based on your length requirements. See “Specifications” on page 5 for maximum tubing lengths based on tubing size.
CAUTION: If you use flexible sample tubing (polyurethane is acceptable), use an appropriate insert if necessary to provide support to the tubing and ensure a good seal when connecting to the flexible stub on the filter.
CAUTION: Avoid loops or slumps in the incoming sample line. To reduce response time, keep the incoming sample line as short as possible. Installing the Inlet Line without Particle Filter Connected to the Inlet Fitting
- Loosen the nut on the inlet fitting until 3 threads are visible.
- Push 1/4” O.D. rigid polypropylene or rigid Teflon sample tubing into the fitting until it stops. Flexible polyurethane tubing may be used with an appropriate insert. RKI Instruments, Inc. recommends using either 1/4” O.D. x 1/8” I.D. or 1/4” O.D. x 0.170” I.D. tubing based on your length requirements. See “Specifications” on page 5 for
maximum tubing lengths based on tubing size.
CAUTION: If you use flexible sample tubing (polyurethane is acceptable), use an appropriate insert to seal the connection between the tubing and the inlet fitting. - Hand tighten the nut on the inlet fitting so the ferrules clamp on the tubing. If the tube nut is removed, see Figure 6 for the arrangement of the fitting components.
- Route tubing from the inlet fitting to the sample area. See “Specifications” on page 5 for maximum tubing lengths based on tubing size.
CAUTION: Avoid loops or slumps in the incoming sample line. To reduce response time, keep the incoming sample line as short as possible. - If desired, install the particle filter onto the end of the inlet line. Be sure the arrow on the particle filter is pointed toward the inlet line.
Installing the Exhaust Line
- Loosen the nut on the exhaust fitting until 3 threads are visible.
- Push 1/4” O.D. rigid polypropylene or rigid Teflon sample tubing into the fitting until it stops. Flexible polyurethane tubing may be used with an appropriate insert. RKI
Instruments, Inc. recommends using either 1/4” O.D. x 1/8” I.D. or 1/4” O.D. x 0.170” I.D. tubing based on your length requirements. See “Specifications” on page 5 for
maximum tubing lengths based on tubing size.
CAUTION: If you use flexible sample tubing (polyurethane is acceptable), use an appropriate insert to seal the connection between the tubing and the inlet fitting. - Hand tighten the nut on the exhaust fitting so the ferrules clamp on the tubing. If the tube nut is removed, see Figure 6 for the arrangement of the fitting components.
- Route the opposite end of the tubing to an open area where the sample can safely disperse or to an exhaust duct. See “Specifications” on page 5 for maximum tubing lengths based on tubing size.
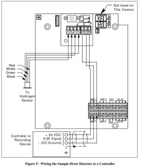
Wiring the Sample-Draw Hydrogen Detector to a Controller
WARNING: Always verify that the controller is off and that power to the controller is off before you make wiring connections.
- Turn off the controller.
- Turn off power to the controller.
- Unlatch and open the housing door of the sample-draw detector.
- Guide a three-conductor, shielded cable or three wires in conduit through the conduit hub at the bottom of the sample-draw housing. A minimum of 18 AWG wire is recommended.
- Connect the cable to the sample-draw detector’s interconnect terminal strip as shown in Figure 5.
- Close and latch the housing door of the sample-draw detector.
CAUTION: If using shielded cable, leave the cable shield’s drain wire insulated and disconnected at the sample-draw detector. You will connect the opposite end of the drain wire at the controller. - Route the cable or wires in conduit leading from the sample-draw detector through one of the conduit hubs at the controller.
- Connect the wires to the applicable detector/transmitter terminal strip at the controller as shown in Figure 5. Refer to the controller operator’s manual and the controller detector head specification sheet for the 35-3001A-11 for detector/terminal strip connections specific to the controller.

- If shielded cable is used, connect the cable’s drain wire to an available chassis (earth)ground at the controller. RKI controllers typically have a ground stud that can be used to ground the cable’s drain wire.
Start Up
This section describes procedures to start up the sample-draw detector and put the sampledraw detector into normal operation.
Introducing Incoming Power
- Complete the installation procedures described earlier in this manual.
- Verify that the wiring is correct and secure. Refer to the controller operator’s manual for connections at the controller.
- Turn on or plug in the power to the controller, then turn on the controller.
- Verify that the sample-draw detector’s Pilot LED is on.
- Verify that the controller is on and operating properly. Refer to the controller operator’s manual.
- Verify that the flowmeter indicates a flow rate of approximately 1.0 SCFH. If necessary, use the sensor flow control valve to adjust the flow rate. Turn the valve’s knob counterclockwise to increase the flow and clockwise to decrease the flow.
NOTE: The following step tests for leaks in the sample line. This test will cause a low flow condition at the sample-draw detector and a fail condition at the controller. Be sure to put the controller into its calibration program or disable external alarms before performing this test. - Verify that the incoming sample line is not leaking. To test the sample line, press and hold the reset switch and plug the open end of the sample line with your thumb. If the flowmeter ball drops to the bottom of the flowmeter, the incoming sample line is not leaking.
- Remove your thumb from the sample line, release the reset switch, and verify the flowmeter returns to a normal flow rate.
- Enable alarms or place the controller in normal operation.
CAUTION: Allow the sample-draw detector to warm up for 5 minutes before you continue with the next section, “Setting the Zero Reading.”
Setting the Zero Reading
As shipped from the factory, the detector is zeroed with N2 and calibrated with H2 in N2. If the sample area has a background that is not N2 (such as fresh air or helium), you must rezero the detector while applying that background gas.
- Screw the regulator into a calibration cylinder containing the background gas (such as zero air or helium).
- Set a voltmeter to measure in the millivolt (mV) range.
- Plug the voltmeter leads into the test points on the amplifier. Plug the positive lead into the red + test point; plug the negative lead into the black – test point.
- Connect the sample tubing from the demand flow regulator to the sample-draw detector’s inlet line.
- Allow the sample-draw detector to draw sample for one minute.
- Verify a voltmeter reading of 100 mV (± 2 mV).
- If necessary, use a small flat-blade screwdriver to adjust the zero potentiometer until the voltmeter reading is 100 mV (± 2 mV).
- Disconnect the sample tubing from the inlet line.
- Unscrew the regulator from the calibration cylinder.
- Remove the voltmeter leads from the test points.
Maintenance
This section describes maintenance procedures. It includes procedures for preventive maintenance, troubleshooting the sample-draw detector, replacing components of the sample- draw detector, adjusting the low flow setting, and removing the particle filter’s tubing stub.
Preventive Maintenance
This section describes a preventive maintenance schedule to ensure the optimum performance of the sample-draw detector. It includes daily and annual procedures.
Daily Visual Checks
- Verify that the Pilot LED is on.
- Verify that the flowmeter indicates a flow rate of approximately 1.0 SCFH. If necessary use the sensor flow control valve to adjust the flow rate to 1.0 SCFH. Turn the valve’s knob counterclockwise to increase the flow and clockwise to decrease the flow.
- Verify a display reading of 0% vol at the controller or a reading of 100 mV at the amplifier test points. Investigate significant changes in the display reading.
Annual Calibration
Calibrate the sample-draw detector as described in “Calibration” on page 24.
Troubleshooting
The troubleshooting guide describes symptoms, probable causes, and recommended action for problems you may encounter with the sample-draw detector.
NOTE: This troubleshooting guide describes sample-draw detector problems only. See the controller Operator’s Manual if the controller exhibits any problems.
Fail Condition
Symptoms
- The sample-draw detector’s Fail LED is on.
- The monitoring device is operating properly but indicates a reading well below zero or a failure alarm.
Probable causes
- The sample-draw detector’s flow rate is too low because of an obstructed sample line, failed pump, etc.
- The sample-draw detector is malfunctioning.
- The sensor and/or amplifier wiring is disconnected or misconnected.
Recommended action
- At the sample-draw detector, set the correct flow rate with the sensor flow control valve.
- If you cannot set the correct flow rate, check the sample lines for obstructions or kinks.
- Verify that the sensor wiring and amplifier wiring is correct and secure. “Wiring the Sample-Draw Hydrogen Detector to a Controller” on page 15 describes sensor and amplifier wiring connections.
- Calibrate the sample-draw detector as described in “Calibration” on page 24.
- If the fail condition continues, replace the sensor as described in “Replacing the Hydrogen Sensor” on page 20.
- If the fail condition continues, contact RKI Instruments, Inc. for further instruction.
Slow or No Response/Difficult or Unable to Calibrate
Symptoms
- Unable to accurately set the zero or response reading during the calibration procedure.
- The sensor requires frequent calibration.
Probable causes - The calibration cylinder is low, out-dated, or defective.
- If a demand flow regulator calibration kit is used, the demand flow regulator is not functioning properly.
- The sample-draw detector’s flow rate is too low because of an obstructed sample line, failed pump, etc.
- The sample-draw detector is malfunctioning.
Recommended action
- Verify that the calibration cylinder contains an adequate supply of a fresh test sample.
- If a demand flow regulator calibration kit is used, use a different demand flow regulator to determine if the original one is functioning properly.
- If necessary, set the correct flow rate with the sensor flow control valve.
- If you cannot set the correct flow rate, check the sample line for obstructions or kinks.
- If the calibration/response difficulties continue, replace the sensor as described later in this section.
- If the calibration/response difficulties continue, contact RKI Instruments, Inc. for further instruction.
Replacing Components of the Hydrogen Sample-Draw Detector
This section includes procedures to replace the sensor, hydrophobic filter, and particle filter.
Replacing the Hydrogen Sensor
- Turn off the controller.
- Turn off power to the controller.
- Open the housing door of the sample-draw detector.
- Unscrew and remove the two screws that secure the sensor retaining plate, then lift the plate, connector, and sensor out of the housing.
- Unplug the connector from the sensor.
- Verify that you are using the correct replacement sensor (TE-7560 is printed on the sensor), then plug the sensor into the connector.
- Place the sensor in the hydrogen sensor cavity, then position the retaining plate on the two standoffs.
- Secure the retaining plate to the standoffs with the two screws you removed in step 4.
- Turn on power to the controller and place it into normal operation.
- Turn on the controller.
CAUTION: Allow the replacement sensor to warm up for 5 minutes before you continue. - Calibrate the replacement sensor as described in “Calibration” on page 24.
Replacing the Amplifier
- Turn off the controller.
- Turn off power to the controller.
- Open the housing door of the sample-draw detector.
- Remove the detector and controller plug-in terminal strips by grasping the sides of the strips with your fingers. Let the terminal strips hang by their connected wires while you replace the amplifier.
- Unscrew the screw in the lower left corner of the amplifier and remove the screw, lock washer, and flat washer. Be careful not to lose any of these parts.
- Remove the old amplifier from the main circuit board.
- Install the new amplifier in the same orientation as the old amplifier. See Figure 1.
- Reinstall the screw, lock washer, and flat washer you removed in step 5.
- Install the detector and controller plug-in terminal strips into their sockets on the new amplifier. If controller leads or detector cable leads were removed from the plug-in terminal strips during this procedure, refer to Table 2 and Table 3 below.
Table 2: Reconnecting the Amplifier to the Detector/Amp Terminal StripAmplifier Controller Terminal Strip Detector/Amp Terminal Strip on Main PCB PWR/SIG “-” – PWR/SIG “S” S PWR/SIG “+” + Table 3: Reconnecting the Hydrogen Detector to the Amplifier
Amplifier Detector Terminal Strip Detector Lead DETECTOR “R” RED DETECTOR “W” WHT DETECTOR “G” GREEN DETECTOR “B” BLK - Turn on power to the controller.
- Turn on the controller and place it into normal operation.
- Allow the sample-draw detector to warmup for 5 minutes.
- Calibrate the sample-draw detector as described in “Calibration” on page 24 of this manual.
Replacing the Hydrophobic Filter
- Turn off the controller.
- Turn off power to the controller.
- Open the housing door of the sample-draw detector.
- Disconnect the filter from the rubber elbows on each end of the filter, then remove the filter from the sample-draw detector.
- Install the new filter. Be sure the side of the filter marked “INLET” is connected to the elbow that is connected to the inlet fitting.
- Turn on power to the controller.
- Turn on the controller.
- Verify that the flow rate is approximately 1.0 SCFH, then close the housing door.
Replacing the Particle Filter
- Turn off the controller.
- Turn off power to the controller.
- If the particle filter is installed at the inlet fitting:
a) Disconnect the tubing routed to the sampling area, if installed, from the particle filterb) Disconnect the particle filter from the tubing stub.
c) Install the new particle filter onto the tubing stub. Be sure the arrow on the particlefilter is pointing toward the inlet fitting.
d) Reinstall the tubing routed to the sampling area. - If the particle filter is installed at the end of the inlet line:
a) Remove the particle filter from the tubing stub.
b) Install the new particle filter onto the tubing stub. Be sure the arrow on the particle
filter is pointing toward the inlet line. - Turn on power to the controller.
- Turn on the controller.
Adjusting the Low Flow Setting
NOTE: Adjusting the low flow setting will cause a low flow alarm at the sample-draw detector and a fail alarm at the controller. Be sure to put the controller into its calibration program or disable external alarms before performing this test. The factory-set low flow setting is 0.6 SCFH (±0.1). To adjust the low flow setting, perform the following:
- Use the sensor flow control valve to set the flow to 0.6 SCFH. Turn the valve’s knob counterclockwise to increase the flow and clockwise to decrease the flow.
If the sample-draw detector goes into low flow alarm before you can adjust the flow down to 0.6 SCFH, adjust the pressure switch adjustment screw 1/4 turn clockwise, then attempt to set the flow again. Repeat this step until you are able to adjust the flow to 0.6 SCFH.
NOTE: The pressure switch adjustment screw is accessible through a circular cutout in the flowmeter circuit board. - Slowly turn the pressure switch adjustment screw counterclockwise just until the sampledraw detector goes into low flow alarm.
- Turn the sensor flow control valve’s knob counterclockwise to increase the flow until the unit is out of low flow alarm when the reset switch is pressed and released.
- Decrease the flow very slowly by turning the sensor flow control valve’s knob clockwise and verify that the low flow alarm is 0.6 SCFH (±0.1).
- If the low flow alarm is set too high, turn the pressure switch adjustment screw slightly clockwise. Repeat steps 3 and 4 if necessary.
- Use the sensor flow control valve to set the flow to 1.0 SCFH.
- Make sure the sample-draw detector’s Fail LED is off.
Removing the Particle Filter’s Tubing Stub, if Necessary
A short tubing stub comes factory installed in the particle filter. It is used for connecting the particle filter to the inlet fitting. If you have installed the particle filter and no longer want it installed, you will need to remove the particle filter’s tubing stub from the inlet fitting and replace it with tubing. 
CAUTION: Do not pull the tubing stub downward to remove it.
- Remove the particle filter from its tubing stub.
- Unscrew the outside inlet fitting tube nut from the fitting body. The tubing stub should come out with the tube nut. Be careful not to lose the O-ring that may come out with the tubing stub. If you do lose the O-ring or if it is damaged, see “Parts List” on page 27 for the spare part number.
- Push the tubing stub up and out of the front ferrule being careful not to lose the ferrule set. If you do lose the ferrule set or if it is damaged, see “Parts List” on page 27 for the spare part numbers.
- Push the new tubing up through the inlet fitting tube nut and replace the ferrule set and the O-ring, if it came out, in the orientation shown in Figure 6.
- Screw the inlet fitting tube nut back onto the fitting body. See “Connecting the Sample Lines to the Sample-Draw Detector” on page 13 for instructions to install a new piece of tubing into the fitting.
Calibration Frequency
Although there is no particular calibration frequency that is correct for all sample draw detector applications, a calibration frequency of every 9 to 12 months is adequate for most applications. Unless experience in a particular application dictates otherwise, RKI Instruments, Inc. recommends a calibration frequency of every 9 months. If an application is not very demanding, for example detection in a clean, temperature controlled environment where hydrogen is not normally present and calibration adjustments are minimal at calibration, then a calibration frequency of every 12 months is adequate. If an application is very demanding, for example if hydrogen is present often and in significant concentrations or the environment is not well controlled, then more frequent calibration than every 9 months may be necessary.
Calibration
This section describes how to calibrate the hydrogen sample-draw detector. It includes procedures to prepare for calibration, zero with nitrogen, set the response reading, zero with background gas, and return to normal operation.
NOTE: This procedure describes calibration using a demand flow regulator. Preparing for Calibration
- Follow the instructions in the controller’s operator’s manual for entering calibration mode.
- Open the housing door.
- Set a voltmeter to measure in the millivolt (mV) range.
- Plug the positive lead into the red (+) amplifier test point; plug the negative lead into the black (-) amplifier test point.
- Use the following formula to determine the correct test points output for the calibrating sample.
Output (mV) = (calibrating sample/fullscale) X 400 + 100 For example, with a calibrating sample of 4% vol and a fullscale setting of 10% vol, the correct output is 260 mV. 260 (mV) = (4/10) X 400 +100
Zeroing with Nitrogen
- Screw the regulator into the 100% N2 calibration cylinder.
- Connect the sample tubing from the demand flow regulator to the sample-draw detector’s inlet line.
- Allow the sample-draw detector to draw sample for one minute.
- Verify a voltmeter reading of 100 mV (± 2 mV).
- If necessary, use a small flat-blade screwdriver to adjust the zero potentiometer until the voltmeter reading is 100 mV (± 2 mV).
- Disconnect the sample tubing from the inlet line.
- Unscrew the regulator from the nitrogen calibration cylinder.
Setting the Response Reading
- Screw the regulator into the hydrogen calibration cylinder.
- Connect the sample tubing from the demand flow regulator to the sample-draw detector’s inlet line.
- Allow the sample-draw detector to draw sample for one minute.
- When the reading on the voltmeter stabilizes, verify that the reading matches the response reading (±2 mV) you determined earlier.
- If necessary, use the span potentiometer on the amplifier to adjust the reading to match the correct response reading.
- Disconnect the sample tubing from the inlet line.
- Unscrew the regulator from the hydrogen calibration cylinder.
Zeroing with Background Gas
If the sample area has a background gas that is not N2 (such as fresh air or helium), you must re-zero the detector while applying that background gas.
- Screw the regulator into a calibration cylinder containing the background gas (such as zero air or helium).
- Connect the sample tubing from the demand flow regulator to the sample-draw detector’s inlet line.
- Allow the sample-draw detector to draw sample for one minute.
- Verify a voltmeter reading of 100 mV (± 2 mV).
- If necessary, use a small flat-blade screwdriver to adjust the zero potentiometers until the voltmeter reading is 100 mV (± 2 mV).
- Disconnect the sample tubing from the inlet line.
- Unscrew the regulator from the calibration cylinder.
Returning to Normal Operation
- Wait approximately one minute to allow the reading to stabilize.
- Remove the voltmeter leads from the amplifier test points.
- Close the housing door.
- Follow the instructions in the controller’s operator’s manual to exit the calibration mode.
- Store the components of the calibration kit in a safe and convenient place.
Parts List
Table 4 lists replacement parts and accessories for the sample-draw hydrogen detector.
Table 4: Parts List
| Part Number | Description |
| 06-1248RK | Sample tubing, 3/16 in. ID x 5/16 in. OD, specify length |
| 06-1248RK-03 | Sample tubing, 3/16 in. ID x 5/16 in. OD, 3 feet (for calibration kit) |
| 17-2670 | Inlet fitting 0-ring |
| 17-2671 | Inlet fitting front ferrule |
| 17-2672 | Inlet fitting back ferrule and tube nut |
| 30-1016RK | Pump |
| 33-0165RK | Hydrophobic filter |
| 33-0167RK | Particle filter |
| 57-1053RK-01 | Amplifier (specify target gas when ordering) |
| 71-0334 | Operator’s Manual, 35-3001A-11 Sample-Draw Detector |
| 81-0022RK-01 | Calibration cylinder, 4% volume hydrogen in nitrogen, 34 liter steel |
| 81-0076RK-01 | Zero air calibration cylinder, 34 liter steel |
| 81-0076RK-03 | Zero air calibration cylinder, 103 liter |
| 81-0078RK-01 | Calibration cylinder, 100% nitrogen, 34-liter steel |
| 81-0078RK-03 | Calibration cylinder, 100% nitrogen, 103 liter |
| 81-1054RK-H2S | Regulator, demand flow, for 34-liter aluminum, 58 liter, and 103-liter calibration cylinders (cylinders with internal threads) |
| 81-1055RK | Regulator, demand flow, for 17 liter and 34 liter steel calibration cylinders (cylinders with external threads) |
| TE-7560 | Hydrogen sensor, plug-in type, volume range |
35-3001A-11 Hydrogen Sample-Draw Detector
• www.rkiinstruments.com




















