INSTRUMENTS
35-3010RK-05 Sample Draw
DetectorPart Number: 71-0210RK
Revision: C
Released: 6/5/17
WARNING
Read and understand this instruction manual before operating detector. Improper use of the detector could result in bodily harm or death.
Periodic calibration and maintenance of the detector is essential for proper operation and correct readings. Please calibrate and maintain this detector regularly! Frequency of calibration depends upon the type of use you have and the sensor types.
Typical calibration frequencies for most applications are between 3 and 6 months, but can be required more often or less often based on your usage.
Product Warranty
RKI Instruments, Inc. warrants gas alarm equipment sold by us to be free from defects in materials, workmanship, and performance for a period of one year from date of shipment from RKI Instruments, Inc. Any parts found defective within that period will be repaired or replaced, at our option, free of charge. This warranty does not apply to those items which by their nature are subject to deterioration or consumption in normal service, and which must be cleaned, repaired, or replaced on a routine basis. Examples of such items are:
a) Absorbent cartridges
b) Pump diaphragms and valves
c) Fusesd) Batteries
d) Batteries
e) Filter elements
Warranty is voided by abuse including mechanical damage, alteration, rough handling, or repair procedures not in accordance with the operator’s manual. This warranty indicates the full extent of our liability, and we are not responsible for removal or replacement costs, local repair costs, transportation costs, or contingent expenses incurred without our prior approval.
THIS WARRANTY IS EXPRESSLY IN LIEU OF ANY AND ALL OTHER WARRANTIES AND REPRESENTATIONS, EXPRESSED OR IMPLIED, AND ALL OTHER OBLIGATIONS OR LIABILITIES ON THE PART OF RKI INSTRUMENTS, INC. INCLUDING BUT NOT LIMITED TO, THE WARRANTY OF MERCHANTABILITY OR FITNESS FOR A PARTICULAR PURPOSE. IN NO EVENT SHALL RKI INSTRUMENTS, INC. BE LIABLE FOR INDIRECT, INCIDENTAL, OR CONSEQUENTIAL LOSS OR DAMAGE OF ANY KIND CONNECTED WITH THE USE OF ITS PRODUCTS OR FAILURE OF ITS PRODUCTS TO FUNCTION OR OPERATE PROPERLY.
This warranty covers instruments and parts sold to users by authorized distributors, dealers, and representatives as appointed by RKI Instruments, Inc.
We do not assume indemnification for any accident or damage caused by the operation of this gas monitor, and our warranty is limited to the replacement of parts or our complete goods.
Overview
This manual describes the 35-3010RK-05 sample draw detector. This manual also describes how to install, start up, maintain, and calibrate the detector head when it is used with a gas monitoring controller. A parts list at the end of this manual lists replacement
parts and accessories for the detector head.
Specifications
Table 1 lists specifications for the 35-3010RK-05.
Table 1: Specifications
| Target Gases & Detection Ranges | Oxygen: 0 – 25% Carbon Monoxide (CO): 0 – 300 ppm |
| Input Power | 24 VDC |
| Current Draw | 200 mA |
| Construction (housing) | Fiberglass/ polyester (NEMA 4X) |
| Dimensions | 15.44 in. 11 x 12.55 in. W x 8.31 in. D |
| Weight | 14 lbs. |
| Sampling Method | Sample draw |
| Sample Flow | 1.2 SCFH (nominal) |
| Response Time | 90% in 30 seconds |
| Accuracy | Oxygen: |
| ± 0.5% 02 Carbon Monoxide: | |
| ± 5% of reading or ± 5 ppm CO (whichever is greater) |
WARNING: When using the 35-3010RK-05, you must follow the instructions and warnings in this manual to assure proper and safe operation of the 35-3010RK-05 and to minimize the risk of personal injury. Be sure to maintain and periodically calibrate the 35-3010RK-05 as described in this manual.
Description
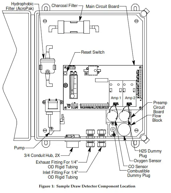
This section describes the components of the 35-3010RK-05 sample draw detector head. The sample draw detector consists of the housing, flow system, and detection system.
Housing
The sample draw detector’s fiberglass housing is weather- and corrosion-resistant. It is suitable for installation where general purpose equipment is in use. The housing door is hinged on the left side and is secured by two latches on the right side.
Four mounting feet are attached to the back of the housing (one at each corner). Use the mounting feet to install the housing to a vertical surface. Use the two conduit hubs on the bottom of the housing to make wiring connections.
An aluminum subpanel is mounted to the interior of the housing. The sample draw detector’s internal components are mounted to the subpanel.
Flow System
The sample draw detector’s flow system consists of the INLET fitting, hydrophobic filter, charcoal filter, pump, flowmeter, bypass valve, status lights, pressure switch, flow block, and EXHAUST fitting (see Figure 1). Figure 2 illustrates how the gas sample moves
through the flow system.
INLET Fitting
The INLET fitting on the bottom of the housing allows the gas sample to enter the sample draw detector. The INLET fitting accepts 1/4 in. rigid tubing. See “Installation” on page 8 for instructions to connect tubing to the INLET fitting.
Hydrophobic Filter
The hydrophobic filter is to the left of the main circuit board. It is held in place by a metal clip. It prevents water and other liquids from contaminating the flow system. Replace the filter when it appears dirty, discolored, or clogged. If a liquid other than water is drawn into the filter, replace the filter as soon as possible.
Charcoal Filter
The charcoal filter is located in the top left corner of the enclosure. It is held in place by a metal clip. The charcoal filter is placed after the H2S sensor and before the CO sensor in the flow system. It scrubs out interfering gasses which may cause the CO sensor to
respond, such as H2S or certain hydrocarbons. Replace the charcoal filter when false high CO readings are noticed, especially in the presence of H2S.
Pump
The pump is located to the left of the main circuit board near the bottom left of the sample draw detector. The pump pulls the gas sample into the sample draw detector. The pump operates on 24 VAC, which is generated from the 24 VDC supplied to the sample draw detector.
Flowmeter
The flowmeter is attached to the main circuit board near the top left corner (see Figure 1). A ball in the flowmeter column indicates the flow rate of the sample draw detector. The flowmeter measures the flow in the range 0.2 to 2.0 SCFH (Standard Cubic Feet per Hour). Although the sample draw detector will operate down to a flow of 0.6 SCFH, the optimum flow rate is 1.2 SCFH.
Bypass Valve
The bypass valve is to the left of the flowmeter. The bypass valve adjusts the flow rate to the sensor. Use a flat-blade screwdriver to adjust the bypass valve.
NOTE: The bypass valve allows fine adjustments of the flow rate. For a wider range of adjustment, use the flow adjust potentiometer (see Figure 1).
Status Lights
Two status lights are above the flowmeter.
Pilot Light
The green Pilot light is on when the sample draw detector is receiving power.
Fail Light
The red Fail light is on when the sample flow rate is below the low flow level.
NOTE: The factory set low flow level is 0.6 SCFH (±0.2). See “Adjusting the Low Flow Setting” on page 16 for instructions to adjust this setting.
Pressure Switch
The pressure switch is mounted to the opposite side of the main circuit board. The pressure switch monitors the flow rate of the incoming gas sample.
If the flow rate falls below the preset low flow level, the pressure switch causes the fail relay to interrupt the sensor signal for the oxygen channel and the 4-20 mA signal for CO channel. This causes a downscale reading at the monitor on these channels. The low flow level is factory-set at 0.6 SCFH (±0.2 SCFH).
Flow Block
The flow block is located in the lower right corner of the sample draw detector. All the sensors are installed in the flow block. The flow block routes the sampled air to each sensor.
EXHAUST Fitting
The EXHAUST fitting on the bottom of the housing allows the gas sample to exit the sample draw detector. The EXHAUST fitting accepts 1/4 in. rigid tubing. See “Installation” on page 8 for instructions to connect tubing to the EXHAUST fitting.
Detection System
Combustible Dummy Plug
The combustible sensor position in the flow block is occupied by a plastic dummy plug in the 35-3010RK-05.
Oxygen Sensor
The oxygen sensor is installed in the lower right of the flow block. The oxygen sensor includes the oxygen cell, connector, and sensor leads.
Oxygen Cell
The oxygen cell is protected within the sensor assembly. Through a series of chemical and electronic reactions, the cell produces a millivolt output that is proportional to the detection range of the sample draw detector. The signal from the sensor is sent to a
controller.
Connector
The cable that extends from the sensor terminates in a socket that plugs into a matching 7-pin male connector. The socket and connector allow you to replace the sensor without disconnecting the wiring. The sensor leads are soldered to the male connector.
Sensor Leads
Two color-coded leads extend from the connector. The leads allow you to connect the oxygen sensor to the main circuit board.
H2S Dummy Plug
The H2S sensor position in the flow block is occupied by a plastic dummy plug in the 35-3010RK-05.
CO Sensor
The CO sensor is installed in the upper left side of the flow block. It has 4 pins which mate with sockets in the preamp circuit board.
Preamp Circuit Board
The preamp circuit is used to connect the CO and H2S sensors to the main circuit board and to secure the sensors in the flow block. Two cables mate to the main circuit board: the one on the left is for the CO sensor signal and the one of the right is for the H2S sensor signal. Since the H2S sensor is replaced with a dummy plug in the 35-3010RK-05 the H2S sensor signal cable carries no signal in this version of the 35-3010RK.
The main circuit board includes the interconnect terminal strip, sensor/transmitter terminal strip, amp 1 circuit, amp 2 circuit, pump terminal strip, relay, and reset switch (see Figure 3).
NOTE: The flowmeter and status lights are mounted to the main circuit board but are considered part of the flow system.
Interconnect Terminal Strip
The interconnect terminal strip is the sixteen-point terminal strip near the bottom edge of the main circuit board. Use the interconnect terminal strip to connect the sample draw detector to the controller.
Sensor/Transmitter Terminal Strip
The sensor/transmitter terminal strip is the sixteen-point terminal strip near the right edge of the circuit board. Use the sensor/transmitter terminal strip to connect sensors or transmitters to the main circuit board.
NOTE: The sensors are factory wired to the sensor/transmitter terminal strip. See “Wiring the Sample Draw Detector” on page 9 for all wiring procedures related to the sample draw detector.
Amp 1 and Amp 2 Circuits
These circuits are located to the left of the sensor/transmitter terminal strip. They each include test points, a zero pot, and a span pot. Amp 1 is on the left and is for the CO channel. Amp 2 is on the right and is for the H2S channel.
The zero and span pots are used during calibration. Use the span pot to make adjustments to gas response readings and the zero pot to make adjustments to the zero reading.
The test points are labeled CAL-1 and CAL+1 for the CO channel and CAL-2 and CAL+2 for the H2S channel. A 100 mV – 500 mV output is available at the CO test points for use during calibration. No output is available at the H2S test points since no H2S sensor is installed in the 35-3010RK-04.
Pump Terminal Strip
The pump terminal strip is the four-point terminal in the top left corner of the circuit board. Use the pump terminal strip to connect the pump and pressure switch to the main circuit board.
NOTE: The pump and pressure switch are factory-wired to the circuit board. See “Wiring the Sample Draw Detector” on page 9 for all wiring procedures related to the sample draw detector.
Relay
The relay is approximately in the middle of the circuit board. The relay is a four pole, double-throw (4PDT) relay and is rated for 2 amps at 25 VDC (resistive). If the pressure switch senses a low flow condition, the relay interrupts the signal from both channels
which will cause the display at the controller to indicate a fail condition for each channel.
Reset Switch
A small reset button is located in the upper left corner of the main PCB. When a low flow condition occurs, the pump will be shut off. To reset the low flow condition and start the pump again, press and hold the reset switch for about 2 seconds, then release.
Installation
This section describes procedures to mount the sample draw gas detector in the monitoring environment and wire the sample draw detector to a controller.
Mounting the Sample Draw Detector
- Select the mounting site. Consider the following when you select the mounting site.
• Is there enough room to open the housing door and make wiring connections at the bottom of the housing and tubing connections at the right of the housing?
• Make sure there is sufficient room to perform start-up, maintenance, and calibration procedures.
- Close and latch the housing door.
NOTE: The sample draw detector is shipped with the mounting feet “tucked under” the housing to protect the mounting feet during shipment. - Slightly loosen the screw that secures one of the mounting feet to the housing, then rotate the mounting foot 180 degrees (see Figure 4).
- Tighten the screw that secures the mounting foot to the housing.
- Repeat steps 3 and 4 for the remaining three mounting feet.
- Position the sample draw housing on a vertical surface at eye level (4 1/2 to 5 feet from the floor).
- Insert 1/4 in. or 5/16 in. screws through the slots in the mounting feet to secure the housing to the mounting surface.
Connecting the Sample Lines to the Sample Draw Detector
- Attach 1/4 in. O.D. rigid polypropylene or rigid Teflon sample tubing to the INLET fitting.
CAUTION: If you use flexible sample tubing (polyurethane is acceptable), use an appropriate insert to seal the connection between the tubing and the INLET fitting. - Place the opposite end of the tubing at the sampling area.
CAUTION: Avoid loops or slumps in the incoming sample line. To reduce response time, keep the incoming sample line as short as possible. - Attach rigid sample tubing to the EXHAUST fitting.
- Route the opposite end of the tubing to an open area where the sample can safely disperse.
Wiring the Sample Draw Detector
WARNING: Always verify that the power source is OFF before you make wiring connections.
- Turn off the controller.
- Turn off or unplug incoming power to the controller.
- Unlatch and open the housing door of the sample draw detector.
- Guide a five-conductor 18 gauge, shielded cable or five 18 gauge wires in conduit through one of the conduit hubs at the bottom of the sample draw housing. If necessary, use both hubs to bring the wires in making sure that all the wires for a particular channel go through the same hub.
- Connect the cable to the sample draw detector’s interconnect terminal strip as shown in Figure 5.
- Close and latch the housing door of the sample draw detector.
CAUTION: Leave the cable shield drain wire insulated and disconnected at the sample draw detector. You will connect the opposite end of the drain wire at the device. - Route the cable or wires in conduit leading from the sample draw detector to the controller.
- Connect the drain wire to an available chassis ground at the controller. RKI controllers typically have a ground stud that can be used to ground the cable’s drain wire.


Start Up
This section describes procedures to start up the sample draw detector and place the sample draw detector into normal operation.
Introducing Incoming Power
- Complete the installation procedures described earlier in this manual.
- Verify that the power wiring to the controller is correct and secure. See the controller operator’s manual.
- Turn on or plug in the incoming power at the controller, then turn on the controller.
- Verify that the controller is on and operating properly.
- Verify that the Pilot light is on at the sample draw detector.
- Verify that the flowmeter indicates a flow rate of approximately 1.2 SCFH. If necessary, use the bypass valve or flow adjust potentiometer to adjust the flow rate.
NOTE: The following step tests for leaks in the sample line. This test may cause a low flow condition at the sample draw detector and a fail condition at the controller. - Verify that the incoming sample line is not leaking. To test the sample line, plug the open end of the sample line with your thumb. If the flowmeter ball drops to the bottom of the flowmeter, the incoming sample line is not leaking.
- Remove your thumb from the sample line, press the pump reset switch, and verify the flowmeter returns to a normal flow rate.
Setting the Zero Reading
CAUTION: If you suspect the presence of combustible gas, toxic gases, or an abnormal oxygen condition (not 20.9%) in the monitoring environment, use the calibration kit and the zero air calibration cylinder to introduce “fresh air” to the sample draw adapter and verify an accurate zero setting.
- Verify that the sample draw detector is sampling a fresh air environment (environment known to be free of combustible gas or toxic gases and of normal oxygen content, 20.9%).
- Open the housing door.
- Set a voltmeter to measure in the millivolt (mV) range.
- Check the zero reading for the CO channel.
• Plug the voltmeter into the test points in the AMP 1 section of the main circuit board. Plug the positive lead into the test point labeled CAL+1; plug the negative lead into the test point labeled CAL-1.
• Verify a voltmeter reading of 100 mV (± 2 mV).
• If necessary, use a small flat-blade screwdriver to adjust the zero pot until the voltmeter reading is 100 mV (± 2 mV). - Verify a reading of 20.9% oxygen at the controller.
If the display reading is 20.9% oxygen, the oxygen detector is in normal operation.
If the display reading is not 20.9% oxygen, perform a fresh air adjustment operation atthe controller. See the controller operator’s manual for directions. - Remove the voltmeter from the test points.
- Close the housing door.
Operation
Normal Operation
During normal operation, the Pilot LED will be on and the flowmeter will indicate about 1.2 SCFH. The current gas readings will be indicated at the controller. See the controller’s operator’s manual for a description of the reading indications.
Low Flow Alarm
If the flowrate falls below 0.6 SCFH (±0.2 SCFH), then the sample draw detector will initiate a low flow alarm. In a low flow alarm the Fail LED will turn on and the pump will shut off. In addition, the sensor signals to the controller will be interrupted by the sample draw detector resulting in a failure indication for each channel at the controller. If a low flow alarm occurs, press the pump reset switch for about 2 seconds to restart the pump, turn off the Fail LED, and resume proper sensor signal transmission to the controller. If the condition continues, find the cause of the reduced flow, correct it, and restart the pump with the pump reset switch. A flow reduction can be caused by a flow blockage, a leak in the flow system, a malfunctioning pressure switch, or a malfunctioning pump.
Maintenance
This section describes maintenance procedures. It includes preventive maintenance procedures. This section also includes procedures to troubleshoot the sample draw detector, replace components of the sample draw detector, and adjust the low flow setting.
Preventive Maintenance
This section describes a preventive maintenance schedule to ensure the optimum performance of the sample draw detector. It includes daily, monthly, and quarterly procedures.
Daily
- Verify that the pilot light is on.
- Verify that the flowmeter indicates a flow rate of approximately 1.2 SCFH.
If necessary use the bypass valve or flow adjust potentiometer to adjust the flow rate to 1.2 SCFH. - Verify a reading of 20.9% for the oxygen channel and 0 ppm for the CO channel (100 mV at the amp 1 test points). Investigate significant changes in the reading.
Monthly
This procedure describes a test to verify that the sample draw detector responds properly to the target gases.
Preparing for the response test
CAUTION: This procedure may cause alarms at the controller. Take appropriate action to avoid this, such as entering the calibration mode at the controller or disabling alarms.
- Verify that the controller is reading 20.9% for the oxygen channel and 0 ppm for the CO channel.
If the reading is not as described above, set the zero (fresh air) reading as described in “Start Up” on page 12, then continue this procedure. - Assemble the calibration kit as described in the Calibration section of this manual.
Use of a 3-gas cylinder is recommended so that both channels may be checked at once.
Performing the response test
NOTE: This procedure describes the RKI calibration kit that includes a demand flow regulator.
- Screw the regulator into the calibration cylinder.
- Connect the calibration tubing from the regulator to the inlet line at or near the INLET fitting. Gas will begin to flow.
- After approximately one minute, verify that the reading for each channel at the controller stabilizes within ± 10% of the concentration of the test sample. If the reading is not within ± 10% of the test sample, calibrate the sample draw detector as described in the Calibration section of this manual.
- Remove the calibration tubing from the inlet line, then reconnect the inlet line.
- Store the calibration kit in a safe place.
Quarterly
Calibrate the sample draw detector as described in the “Calibration” section.
Troubleshooting
The troubleshooting guide describes symptoms, probable causes, and recommended action for problems you may encounter with the sample draw detector.
NOTE: This troubleshooting guide describes sample draw detector problems only. See the operator’s manual for the controller if it exhibits any problems.
Fail Condition
Symptoms
- The sample draw detector’s Fail light is on.
- The controller is operating properly but indicates a reading well below zero for the CO channel or 20.9% for the oxygen channel.
Probable Causes - The sample draw detector’s flow rate is too low because of an obstructed sample line, failed pump, etc.
- The sample draw detector is malfunctioning.
- The sensor or transmitter wiring is disconnected or misconnected.
Recommended Action
- At the sample draw detector, set the correct flow rate with the bypass valve or flow adjust potentiometer.
- If you cannot set the correct flow rate, check the sample lines for obstructions or kinks.
- Verify that the sensor wiring is correct and secure. “Wiring the Sample Draw Detector” on page 9 describes detector wiring connections.
- Calibrate the problem channel or channels as described in the Calibration section.
- If the fail condition continues, replace the sensor from the problem channel or channels as described later in this section.
- If the fail condition continues, contact RKI Instruments, Inc. for further instruction.
Slow or No Response/Difficult or Unable to Calibrate
Symptoms
- One or more of the sensors respond slowly or do not respond during the monthly response test.
- Unable to accurately set the zero (fresh air) or response reading on one or both of the channels during the calibration procedure.
- One or both of the sensors requires frequent calibration.
NOTE: Under “normal” circumstances, the sample draw detector requires calibration once a quarter. Some applications may require a more frequent calibration schedule.
Probable Causes
- The calibration cylinder is low, out-dated, or defective.
- The sample draw detector’s flow rate is too low because of an obstructed sample line, failed pump, etc.
- The sample draw detector is malfunctioning.
Recommended Action
- Verify that the calibration cylinder contains an adequate supply of a fresh test sample.
- If necessary, set the correct flow rate with the bypass valve or flow adjust potentiometer.
- If you cannot set the correct flow rate, check the sample line for obstructions or kinks.
- If the calibration/response difficulties continue, replace the sensor as described later in this section.
- If the calibration/response difficulties continue, contact RKI Instruments, Inc. for further instruction.
Replacing Components of the Sample Draw Detector
This section includes procedures to replace the sensors, the hydrophobic filter, and the charcoal filter.
Replacing the Oxygen Sensor
- Turn off incoming power.
- Open the housing door of the sample draw detector.
- Unscrew and remove the two screws that secure the retaining plate, then lift the plate, connector, and sensor out of the housing.
- Unplug the connector from the socket that leads from the sensor.
- Plug the socket of the replacement sensor into the connector.
- Place the sensor in the oxygen sensor cavity, then position the retaining plate on the two standoffs.
- Secure the retaining plate to the standoffs with the two screws you removed in step 3.
- Turn on incoming power.
- Calibrate the replacement sensor as described in “Calibration, Oxygen Detector” on page 17.
Replacing the CO Sensor
- Turn off incoming power.
- Open the housing door of the sample draw detector.
- Unscrew the 5 screws that retain the preamp circuit board.
- Lift the preamp circuit board away from the flow block.
Be careful not to pull on the cables that connect the preamp circuit to the main circuit board.
There is a foam gasket in the bottom of each flow cavity beneath the circuit board.
Make sure the gaskets stay in place. - Pull the CO sensor off the preamp circuit board. It is located in the amp 1 position (left side) of the preamp circuit board.
- Plug the new sensor into the preamp board.
- Reinstall the preamp circuit board with the sensors onto the flow block.
- Turn on incoming power.
- Calibrate the replacement sensor as described in “Calibration, CO Detector” on page 18
Replacing the Hydrophobic Filter
- Turn off or unplug power to the controller.
- Locate the hydrophobic filter. It is just to the left of the main circuit board.
- Grasp the hydrophobic filter and pull it out of its metal clamp.
- Remove the rubber seals from each end of the hydrophobic filter and remove the filter.
- Place the new hydrophobic filter in the same orientation as the one that was removed.
- Place the new hydrophobic filter back into the metal clamp.
Replacing the Charcoal Filter
- Turn off or unplug power to the controller.
- Locate the charcoal filter. It is located along the upper edge of the detector housing.
- Grasp the charcoal filter and pull it out of its metal clamp.
- Remove the rubber seals from each end of the charcoal filter and remove the filter.
- Place the new charcoal filter in the same orientation as the one that was removed.
- Place the new charcoal filter back into the metal clamp.
Adjusting the Low Flow Setting
The factory-set low flow setting is 0.6 SCFH (±0.2). To adjust the low flow setting:
- Use the flow adjust potentiometer (VR1) to set the flow to 0.6 SCFH.If the sample draw detector goes into low flow alarm before you can adjust the flow down to 0.6 SCFH, adjust the low flow potentiometer 1/4 turn clockwise, then attempt to set the flow again. Repeat this step until you are able to adjust the flow to 0.6 SCFH.
- Slowly turn the low flow potentiometer counterclockwise just until the sample draw detector goes into low flow alarm.
NOTE: The low flow potentiometer is accessible through a circular cutout in the main circuit board. The cutout is labeled PS1. - Verify that the low flow alarm is 0.6 SCFH (±0.2). Repeat steps 1 and 2 if necessary.
- Use the flow adjust potentiometer (VR1) to set the flow to 1.2 SCFH.
- Make sure the sample draw detector’s Fail light is off.
Calibration Frequency
Although there is no particular calibration frequency that is correct for all applications, a calibration frequency of every 3 months is adequate for most sample draw detector applications. Unless experience in a particular application dictates otherwise, RKI
Instruments, Inc. recommends a calibration frequency of every 3 months for the sample draw detector.
If an application is not very demanding, for example detection in a clean, temperature controlled environment, and calibration adjustments are minimal at calibration, then a calibration frequency of every 6 months is adequate for the sample draw detector.
If the application is very demanding, for example if the environment is not well controlled, then more frequent calibration than every 3 months may be necessary for the sample draw detector.
Calibration, Oxygen Detector
This section describes how to calibrate the oxygen detector in the sample-draw detector. It includes procedures to set the zero reading, set the fresh air reading, and return to normal operation.
NOTE: This procedure describes calibration using a demand flow regulator, a zero air calibration cylinder, and a 3-gas calibration cylinder to set the zero reading. A 3gas cylinder is used to set the zero since it is already used to calibrate the oxygen and CO channels. A 100% nitrogen calibration cylinder could also be used to set the zero reading.
Setting the Zero Reading
NOTE: The 3-gas calibration cylinder included in the calibration kit may be used to zero the oxygen channel. Keep in mind that the oxygen concentration in that cylinder is 12%, not 0%. Be sure to set the controller appropriately.
- Screw the regulator into the 3-gas calibration cylinder.
- Connect the calibration kit sample tubing to the regulator.
- Follow the directions in the controller’s operator’s manual for setting the zero reading for the oxygen channel.
- When the instructions call for applying gas to the detector, connect the sample tubing from the regulator to the inlet line at or near the INLET fitting.
- Allow the gas to flow for one minute.
- Set the zero reading according to the controller operator’s manual.
- Disconnect the sample tubing from the inlet line.
- Unscrew the regulator from the 3-gas calibration cylinder.
- For convenience, leave the regulator attached to the sample tubing.
Setting the Fresh Air Reading
CAUTION: This procedure may cause alarms at the controller. Take appropriate action to avoid this, such as entering the calibration mode at the controller.
NOTE: If you suspect the sampling area to not be a fresh air environment (free of combustible or toxic gases and of normal oxygen content, 20.9%), it is necessary to use a zero air cylinder when setting the zero reading.
- Open the housing door.
- The fresh air reading for the oxygen channel is set at the controller. See the controller operator’s manual for instructions to set the zero reading.
- When the instructions call for applying gas to the detector, make sure the inlet line is sampling fresh air.
- Allow the detector to sample fresh air for one minute.
- Set the fresh air reading according to the controller operator’s manual.
Returning to Normal Operation
- Reconnect the incoming sample line.
- Wait 1 to 2 minutes to allow the calibration gas to be drawn out and the reading to stabilize.
- Close the housing door.
- Store the components of the calibration kit in a safe and convenient place.
Calibration, CO Detector
This section describes how to calibrate the CO detector in the sample draw detector. It includes procedures to prepare for calibration, set the zero reading, set the response reading, and return to normal operation.
NOTE: This procedure describes calibration using a demand flow regulator, a zero air calibration cylinder, and a 3-gas calibration cylinder.
Preparing for Calibration
CAUTION: This procedure may cause alarms at the controller. Take appropriate action to avoid this, such as entering the calibration mode at the controller.
- Place the controller into its calibration program or disable external alarms.
- Open the housing door.
- Set a voltmeter to measure in the millivolt (mV) range. It will be used in the calibration of the CO channel.
- When checking the mV output of the CO channel, plug the voltmeter leads into the test points in the AMP 1 section of the main circuit board. Plug the positive lead into the test point labeled CAL+1; plug the negative lead into the test point labeled CAL-1.
- Use the following formula to determine the correct test points output for the CO calibrating sample.
Output (mV) = (calibrating sample/fullscale) X 400 + 100 For example, with a calibrating sample of 50 ppm CO and a fullscale setting of 300 ppm CO, the correct output for the CO test points is 167 mV. 167 (mV) = (50/300) X 400 +100
Setting the Zero Reading
- Screw the regulator into the zero air cylinder.
- Connect the calibration kit sample tubing to the regulator.
- Connect the sample tubing from the regulator to the inlet line at or near the INLET fitting.
- Allow the gas to flow for 1 minute.
- Verify a voltmeter reading of 100 mV ± 2 mV at the AMP 1 test points for the CO channel as described in the Preparing for Calibration section above.
- If necessary, use a small flat-blade screwdriver to adjust the zero pot for the CO channel until the voltmeter reading is 100 mV ± 2 mV.
- Disconnect the sample tubing from the inlet line.
- Unscrew the regulator from the zero air cylinder. Leave the sample tubing connected to the regulator.
Setting the Response Reading
- Screw the regulator into the 3-gas calibration cylinder.
- Connect the sample tubing from the regulator to the inlet line at or near the sample draw detector’s INLET fitting.
- Allow the calibration gas to flow for 1 minute.
- Check the mV output on the AMP 1 test points for CO and verify that the reading matches the response reading (±2 mV) you determined earlier.
- If necessary, use the AMP 1 span pot to adjust the reading to match the correct response reading.
- Disconnect the sample tubing from the sample draw detector’s inlet line.
- Unscrew the regulator from the calibration cylinder.
NOTE: For convenience, leave the regulator connected to the sample tubing.
Returning to Normal Operation
- Remove the voltmeter leads from the test points.
- Reconnect the incoming sample line.
- Wait 1 to 2 minutes to allow the calibration gas to be drawn out and the reading to stabilize.
- Close the housing door.
- Store the components of the calibration kit in a safe and convenient place.
Parts List
Table 2 lists replacement parts and accessories for the sample draw gas detector.
Table 2: Parts List
| Part Number | Description |
| 06-1248RK | Sample tubing, 3/ 16 x 5/ 16, specify length, (for calibration kit) |
| 07-0034RK | Sealing gasket for CO flow block cavity |
| 30-0610RK | Pump |
| 33-0171RK | Hydrophobic filter (AcroPak) |
| 33-6095RK | Charcoal filter, CF-188 |
| 65-0601RK | Oxygen sensor |
| 81-0076RK-01 | Zero air calibration cylinder (34 liter) |
| 81-0090RK-01 | 3-gas calibration gas cylinder, 50% LEL methane/ 12% oxygen/ 50 p pm CO, 34 liter |
| 81-0155RK | Regulator, demand flow, for 17 and 34 liter steel cylinders |
| ES-1531-CO | CO sensor |
20 • 35-3010RK-05 Sample-Draw Detector
1.888.610.7664
www.calcert.com
[email protected]






















