65-2462RK Hydrogen Transmitter
Instruction Manual
WARNING
Read and understand this instruction manual before operating the detector.
Improper use of the detector could result in bodily harm or death.
Periodic calibration and maintenance of the detector are essential for proper operation and correct readings. Please calibrate and maintain this detector regularly! The frequency of calibration depends upon the type of use you have and the sensor types. For most applications, typical calibration frequencies are between 3 and 6 months but can be more often or less often based on your usage.
Product Warranty
RKI Instruments, Inc. warrants gas alarm equipment sold by us to be free from defects in materials, workmanship, and performance for a period of one year from date of shipment from RKI Instruments, Inc. Any parts found defective within that period will be repaired or replaced, at our option, free of charge. This warranty does not apply to those items which by their nature are subject to deterioration or consumption in normal service, and which must be cleaned, repaired, or replaced on a routine basis.
Examples of such items are:
a) Absorbent cartridges
b) Pump diaphragms and valves
c) Fuses
d) Batteries
e) Filter elements
Warranty is voided by abuse including mechanical damage, alteration, rough handling, or repair procedures not in accordance with the operator’s manual. This warranty indicates the full extent of our liability, and we are not responsible for removal or replacement costs, local repair costs, transportation costs, or contingent expenses incurred without our prior approval.
WARRANTIES AND REPRESENTATIONS, EXPRESSED OR IMPLIED, AND ALL OTHER OBLIGATIONS OR LIABILITIES ON THE PART OF RKI INSTRUMENTS, INC. INCLUDING BUT NOT LIMITED TO, THE WARRANTY OF MERCHANTABILITY OR FITNESS FOR A PARTICULAR PURPOSE. IN NO EVENT SHALL RKI INSTRUMENTS, INC. BE LIABLE FOR INDIRECT, INCIDENTAL, OR CONSEQUENTIAL LOSS OR DAMAGE OF ANY KIND CONNECTED WITH THE USE OF ITS PRODUCTS OR FAILURE OF ITS PRODUCTS TO FUNCTION OR OPERATE PROPERLY.
This warranty covers instruments and parts sold to users by authorized distributors, dealers, and representatives as appointed by RKI Instruments, Inc.
We do not assume indemnification for any accident or damage caused by the operation of this gas monitor, and our warranty is limited to the replacement of parts or our complete goods.
Overview
This manual describes the 65-2462RK hydrogen transmitter. This manual also describes how to install, start-up, configure, maintain, and calibrate the transmitter when it is used with a gas monitoring controller. A parts list at the end of this manual lists replacement parts and accessories for the hydrogen transmitter.
Specifications
Table 1 lists specifications for the hydrogen transmitter.
Table 1: Specifications
| Target Gas | Hydrogen |
| Area Classification | Explosion-proof for Class I, Groups B, C’. and D |
| Sampling Method | Diffusion |
| Signal Output | 4 to 20 mA |
| Detection Range | 0 to 10% volume |
| Accuracy | 1 5% of reading or 1 2% of full scale (whichever is greater) |
| Response Time | 90% in 45 seconds |
WARNING: When using the 65-2462RK, you must follow the instructions and warnings in this manual to ensure proper and safe operation of the 65-2462RK and to minimize the risk of personal injury. Be sure to maintain and periodically calibrate the 65-2462RK as described in this manual.
Description
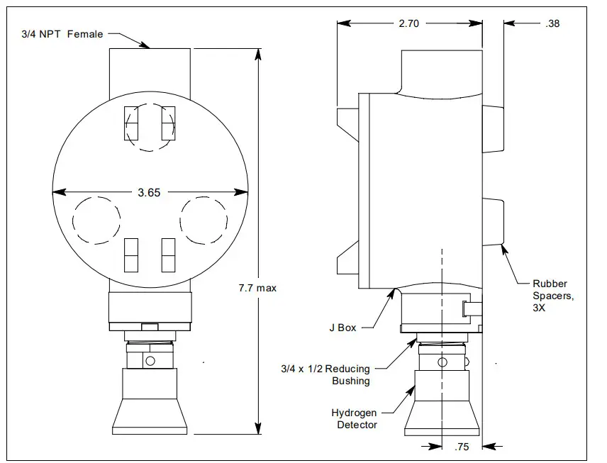
This section describes the components of the hydrogen transmitter. The transmitter is a 4 – 20 mA type detector head. It consists of the hydrogen detector, amplifier, and junction box.
Figure 1: Hydrogen Transmitter Component Location
Hydrogen Detector
The H2 sensor detects hydrogen in the %volume range. Two sensing elements are protected within the detector. Through a series of thermal and electronic reactions, these elements produce an electrical output that is proportional to the detection range. It is packaged in a 1/2 inch NPT nipple with a sintered metal flame arrestor on one end allowing ambient air to diffuse into the detector. The flame arrestor also contains any sparks which may occur within the detector. The 1/2 inch NPT mounting threads at the top of the detector allow you to mount it into the bottom conduit hub of the junction box.
A rain shield screws onto the bottom of the detector (flame arrestor end). The rain shield helps protect the detector from rain and debris in the monitoring environment. Four color-coded leads extend from the top of the detector. The leads allow you to connect the detector to the amplifier.
Amplifier
The amplifier converts the electrical output from the detector to a 4 to 20 mA signal that corresponds to the detection range and transmits the signal to a gas monitoring controller. A foam gasket that orients the amplifier and keeps it from rotating is installed on the bottom of the amplifier. The sensor voltage is factory set to 2.0V between the red and black wires. The amplifier includes the detector terminal strip, controller terminal strip, span pot, zero pot, and test points.
Figure 2: Amplifier Component Location
Controller Terminal Strip
The controller terminal strip is a three-position plug-in-style terminal strip located near the top of the amplifier. Use the controller terminal strip to wire the transmitter to a controller.
Detector Terminal Strip
The detector terminal strip is a four-position plug-in-style terminal strip located below the controller terminal strip. Use the detector terminal strip to connect the detector to the amplifier.
NOTE: The detector is factory-wired to the detector terminal strip. See pg. 10 for all wiring procedures related to the transmitter.
Zero Pot
The zero pot is located in the upper left corner of the amplifier (see Figure 2). Use a small flat blade screwdriver to turn the zero pot’s adjustment screw and adjust the amplifier’s zero (fresh air) output during the start-up and calibration procedures.
Span Pot
The span pot is located to the right of the zero pot (see Figure 2). Use a small flat blade screwdriver to turn the span pot’s adjustment screw and adjust the amplifier’s gas response output during the calibration procedure.
CAUTION: The amplifier includes two additional potentiometers. They are factory-set. Do not adjust them.
Test Points
The test points are on the left side of the amplifier (see Figure 2). The test points produce a 100 mV to 500 mV output that corresponds to the transmitter’s 4 to 20 mA output. Use the test points and a voltmeter to measure the amplifier’s output during the start-up and calibration procedures. The black test point in the lower left corner is the negative (-) test point and the red test point below the zero pot is the positive (+) test point.
Junction Box
Use the junction box to install the transmitter at a mounting site that is remote from the controller. The junction box protects the amplifier and wiring connections made to the amplifier. Use the top 3/4 inch conduit hub to connect wiring from the amplifier to the controller. Use the cover on the front of the junction box to access the interior of the junction box. The detector and amplifier are factories installed in the junction box. Three spacers installed on the back of the junction box control the distance of the junction box from a mounting surface and ensure that there is enough room to install a calibration cup on the detector during calibration.
Installation
This section describes procedures to mount the hydrogen transmitter in the monitoring environment and wire the transmitter to a controller.
Mounting the Hydrogen Transmitter
- Select a mounting site that is representative of the monitoring environment. Consider the following when you select the mounting site:
• Select a site where the transmitter is not likely to be bumped or disturbed. Make sure there is sufficient room to perform start-up, maintenance, and calibration procedures.
• Select a site where the target gas is likely to be found first. For lighter gases, mount the detector near the ceiling; for heavier gases, mount the detector near the floor.
Figure 3: Mounting the Hydrogen Transmitter - At the monitoring site, you select, hang or mount the junction box with the detector facing down (see Figure 3).
Wiring the Hydrogen Transmitter to a Controller
WARNING: Always verify that the power to the controller is off before you make wiring connections.
- Turn off the power to the controller.
- Place the controller’s power switch in the OFF position.
- Remove the junction box cover.
- The detector leads are factory wired. Verify that the detector leads are wired to the amplifier’s detector terminal strip as shown in Figure 4.
- To gain access to a plug-in terminal strip for wiring, pull it out of its socket by grasping the terminal strip and pulling. The detector strip is keyed so that the controller and detector terminal strips cannot be reversed inadvertently.
- Guide a three-conductor, shielded cable or three wires in conduit through the top conduit hub of the junction box.
- Pull out the controller terminal strip, and connect the three wires to the terminal strip as follows (see Figure 4).
• Connect the positive wire to the PWR/SIG “+” terminal.
• Connect the signal wire to the PWR/SIG “S” terminal.
• Connect the negative wire to the PWR/SIG “-” terminal.
CAUTION: If shielded cable is used, leave the cable shield’s drain wire disconnected and insulated at the transmitter. You will connect the opposite end of the cable’s drain wire to the controller’s chassis (earth) ground. - Reinstall the controller terminal strip into its socket.
- Secure the junction box cover to the junction box.
- Route the cable or wires leading from the hydrogen transmitter through one of the conduit hubs at the controller housing.
CAUTION: Do not route power and transmitter wiring through the same controller conduit hub. The power cable may disrupt the transmission of the transmitter signal to the controller. - Connect the wires to the applicable detector/transmitter terminal strip at the controller as shown in Figure 4.
Figure 4: Wiring the Hydrogen Transmitter to a Controller - If shielded cable is used, connect the cable’s drain wire to an available chassis (earth) ground at the controller. RKI controllers typically have a ground stud that can be used to ground the cable’s drain wire.
Start Up
This section describes procedures to start up the hydrogen transmitter and place the transmitter into normal operation.
Introducing Incoming Power
- Complete the installation procedures described earlier in this manual.
- Verify that the power wiring to the controller is correct and secure. Refer to the controller operator’s manual.
- Turn on power to the controller.
- Turn on the controller.
- Verify that the controller is on and operating properly. Refer to the controller operator’s manual.
CAUTION: Allow the detector to warm up for 5 minutes before you continue with the next section,
“Setting the Zero Signal”.
WARNING: Do not remove the junction box cover while the circuits are energized unless the area is determined to be non-hazardous. Keep the junction box cover tightly closed during operation.
As shipped from the factory, the detector is zeroed with N2 and calibrated with H2 in N2. If the sample area has a background that is not N2 (such as fresh air or helium), you must zero the detector while applying that background gas.
- Screw the calibration cup onto the bottom of the detector.
- Use the sample tubing to connect the regulator to the calibration cup.
- Screw the regulator cylinder into a calibration cylinder containing the background gas (such as zero air or helium).
- Unscrew and remove the junction box cover from the junction box.
- Set a voltmeter to measure in the millivolt (mV) range.
- Plug the voltmeter leads into the test points on the amplifier. Plug the positive lead into the red + test point; plug the negative lead into the black – test point.
- Turn the regulator knob counterclockwise to open the regulator.
- Allow the calibration gas to flow for one minute.
- Verify a voltmeter reading of 100 mV (±2 mV).
- If necessary, use a small flat-blade screwdriver to adjust the zero pot until the voltmeter reading is 100 mV (±2 mV).
- Turn the regulator knob clockwise to close the regulator.
- Unscrew the regulator from the calibration cylinder.
- Unscrew the calibration cup from the bottom of the detector.
- Remove the voltmeter leads from the test points.
- Secure the junction box cover to the junction box.
Maintenance
This section describes maintenance procedures. It includes preventive maintenance, troubleshooting, and component replacement procedures.
Preventive Maintenance
This section describes a preventive maintenance schedule to ensure the optimum performance of the hydrogen transmitter. It includes daily and quarterly procedures.
Daily
Verify a display reading of 0% volume at the controller. Investigate significant changes in the display reading.
Quarterly
Calibrate the hydrogen transmitter as described in “Calibration” on page 16 of this manual.
Troubleshooting
The troubleshooting guide describes symptoms, probable causes, and recommended action for problems you may encounter with the hydrogen transmitter.
NOTE: This troubleshooting guide describes transmitter problems only. See the controller operator’s manual for problems you may encounter with the controller.
Table 2: Troubleshooting the Hydrogen Transmitter
| Condition | Symptom(s) | Probable Causes | Recommended Action |
| Fail Condition | • Controller indicates a fail condition. | • The transmitter wiring is disconnected or misconnected. • The transmitter’s zero reading is low enough to cause a fail condition. • The transmitter is malfunctioning. | 1. Verify that the transmitter wiring is correct and secure. 2. Calibrate the transmitter. 3. If the fail condition continues, replace the detector. 4. If the fail condition continues, contact RKI for further instruction. |
| Slow or No Response/Difficult or Unable to Calibrate | • Unable to accurately set the zero or response reading during calibration. • Transmitter requires frequent calibration. Note: Under “normal” circumstances, the transmitter requires calibration once every 3 months. Some applications may require a more frequent calibration schedule. | • The calibration the cylinder is low, outdated, or defective. • The calibration gas flow rate is too low. • The calibration gas is not an appropriate concentration. • The transmitter is malfunctioning. | 1. Verify that the calibration cylinder contains an adequate supply of a fresh test sample. 2. Verify that the regulator used for calibration is a 0.5 LPM regulator. 3. Verify that the calibration gas concentration is appropriate for the transmitter. The concentration should be in the detection range, preferably about half of the detection range. 4. If the calibration/response difficulties continue, replace the detector. 5. If the calibration/response difficulties continue, contact RKI for further instruction. |
Replacing Components of the Hydrogen Transmitter
This section includes procedures to replace the hydrogen detector and amplifier.
Replacing the Hydrogen Detector
- Turn off power to the controller.
- Place the controller’s power switch in the OFF position.
- Remove the junction box cover.
- Remove the detector terminal strip from its socket.
- Disconnect the detector leads from the detector terminal strip. Note the position of the color-coded leads as you remove them.
- Unscrew the detector from the junction box.
- Guide the detector leads of the replacement detector through the bottom conduit hub of the junction box, then screw the mounting threads of the detector into the conduit hub.
- Connect the detector leads to the detector terminal strip as shown in Table 3 below and Figure 4 on page 11 of this manual.
Table 3: Reconnecting the Hydrogen Detector to the AmplifierDetector Lead Detector Terminal Strip Red LEL “R” White LEL “W” Green LEL “G” Black LEL “B” - Turn on power to the controller.
- Turn on the controller and place it into normal operation.
CAUTION: Allow the replacement detector to warm up for 5 minutes before you continue with the next step. - Calibrate the transmitter as described in “Calibration” on page 16 of this manual.
Replacing the Amplifier
- Turn off the power to the controller.
- Place the controller’s on/off switch in the OFF position.
- Remove the junction box cover.
- Unplug the detector terminal strip and controller terminal strip from their sockets. You may leave the wires connected to the terminal strips.
- Unscrew and remove the screw with the flat and lock washers that secure the amplifier to the junction box.
- Remove the old amplifier.
- Install the amplifier into the junction box with the screw, lock washer, and flat washer you removed in Step 5 above. A foam gasket that orients the amplifier and keeps it from rotating is installed on the bottom of the amplifier. Make sure the amplifier is seated flat in the junction box.
- Install the detector and controller terminal strips into their sockets on the new amplifier as shown in Figure 4 on page 11 of this manual. If controller leads or detector leads were removed during this procedure, refer to Table 4 and Table 5 below.
Table 4: Reconnecting the Amplifier to the ControllerAmplifier Controller Terminal Strip Controller Transmitter Terminal Strip (typical) PWR/SIG “-“ – (DC -) PWR/SIG “S” S (4 – 20 mA In) PWR/SIG “+” + 24V Table 5: Reconnecting the LEL Detector to the Amplifier
Amplifier Detector Terminal Strip Detector Lead DETECTOR “R” RED DETECTOR “W” WIIT DETECTOR “G” GREEN DETECTOR “B” BLK NOTE: When a transmitter is first powered up with a new amplifier, the initial output may be either high or below zero depending on the setting of the zero pot. Be sure to make arrangements so that this does not cause unwanted alarms.
- Turn on power to the controller.
- Turn on the controller and place it into normal operation.
- Allow the transmitter to warm up for 5 minutes.
- Calibrate the transmitter as described in “Calibration” on page 16 of this manual.
Calibration Frequency
Although there is no particular calibration frequency that is correct for all applications, a calibration frequency of every 9 to 12 months is adequate for most hydrogen transmitter applications. Unless experience in a particular application dictates otherwise, RKI Instruments, Inc. recommends a calibration frequency of every 9 months.
If an application is not very demanding, for example, detection in a clean, temperature-controlled environment where hydrogen is not normally present and calibration adjustments are minimal at calibration, then a calibration frequency of every 12 months is adequate.
If an application is very demanding, for example, if hydrogen is present often and in significant concentrations or the environment is not well controlled, then more frequent calibration than every 9 months may be necessary. If potential catalyst poisons are known or likely to be present, more frequent calibration than every 9 months will be necessary.
Calibration
This section describes how to calibrate the H2 detector. It includes procedures to prepare for calibration, zero with nitrogen, set the response reading, zero with background gas, and return to normal operation.
NOTE: This procedure describes calibration using a 0.5 LPM fixed flow regulator with an on/off knob, a calibration cup for the detector, and a short piece of sample tubing to connect the regulator to the calibration cup, a 100% N2 cylinder, a 4% H2 cylinder, and a zero air calibration cylinder.
Preparing for Calibration
CAUTION: This procedure may cause alarms at the controller. Take appropriate action to avoid this, such as entering the calibration mode at the controller.
- Screw the calibration cup onto the bottom of the detector.
- Use the sample tubing to connect the regulator to the calibration cup.
- Set a voltmeter to measure in the millivolt (mV) range.
- Remove the junction box cover, then plug the voltmeter leads into the test points on the amplifier.
Plug the positive lead into the red + test point; plug the negative lead into the black – test point. - Use the following formula to determine the correct test points output for the calibrating sample.
Output (mV) = (calibrating sample/fullscale) X 400 + 100
For example, with a calibrating sample of 4% volume H2 and a fullscale setting of 10% volume, the correct output for the H2 test points is 260 mV.
260 (mV) = (4/10) X 400 +100
Zeroing with Nitrogen
- Screw the regulator into the 100% N2 calibration cylinder.
- Turn the regulator knob counterclockwise to open the regulator.
- Allow the gas to flow for one minute.
- Verify a voltmeter reading of 100 mV ± 2 mV at the H2 test points as described in the Preparing for Calibration section above.
- If necessary, use a small flat-blade screwdriver to adjust the zero pot for the H2 channel until the voltmeter reading is 100 mV ± 2 mV.
- Turn the regulator knob clockwise to close the regulator.
- Unscrew the regulator from the calibration cylinder. Leave the sample tubing connected to the regulator and the calibration cup.
Setting the Response Reading
- Screw the regulator into a 4% H2 calibration cylinder.
- Turn the regulator knob counterclockwise to open the regulator.
- Allow the calibration gas to flow for one minute.
- Check the mV output on the H2 transmitter test points and verify that the reading matches the response reading (±2 mV) you determined earlier.
- If necessary, use the span pot on the H2 transmitter to adjust the reading to match the correct response reading.
- Turn the regulator knob clockwise to close the regulator.
- Unscrew the regulator from the calibration cylinder. Leave the sample tubing connected to the regulator and the calibration cup.
Zeroing with Background Gas
If the sample area has a background gas that is not N2 (such as fresh air or helium), you must rezero the detector while applying that background gas.
- Screw the regulator into a calibration cylinder containing the background gas (such as zero air or helium).
- Turn the regulator knob counterclockwise to open the regulator.
- Allow the calibration gas to flow for one minute.
- Verify a voltmeter reading of 100 mV ± 2 mV at the H2 test points as described in the Preparing for Calibration section above.
- If necessary, use a small flat-blade screwdriver to adjust the zero pot for the H2 channel until the voltmeter reading is 100 mV ± 2 mV.
- Turn the regulator knob clockwise to close the regulator.
- Unscrew the regulator from the calibration cylinder.
Returning to Normal Operation
- Remove the voltmeter leads from the amplifier test points.
- Unscrew the calibration cup from the detector.
NOTE: For convenience, leave the regulator and calibration cup connected by the sample tubing. - Secure the junction box cover to the junction box.
- When the controller display reading falls below the alarm setpoints, return the controller to normal operation.
- Verify that the controller display reading decreases and stabilizes at 0% volume.
- Store the components of the calibration kit in a safe and convenient place.
Parts List
Table 6 lists replacement parts and accessories for the hydrogen transmitter.
Table 6: Parts List
| Part Number | Description |
| 06- I 248RK | Sample tubing (3/16 in. x 5/16 in.; specify length when ordering) |
| 18-000IRK | Reducer, 3/4 in. NPT x 1/2 in. NPT |
| I 8-040ORK-0 I | Junction box with spacers |
| 57-1053RK | Amplifier with gasket (specify target gas and that the 61-014ORK detector is being used when ordering) |
| 65-2462RK | Hydrogen transmitter (includes detector and amplifier; specify target gas when ordering) |
| 71-0554 | 65-2462RK Hydrogen Transmitter Operator’s Manual (this document) |
| 81-0022RK-01 | Calibration cylinder, 4% volume H2 in N2, 34-liter steel |
| 81-0076RK-01 | Calibration cylinder, zero air, 34-liter steel |
| 81-0078RK-0 I | Calibration cylinder, 100% nitrogen, 34-liter steel |
| 81-0078RK-03 | Calibration cylinder, 100% nitrogen, 103 liter |
| 81-1050RK | Regulator, 0.5 liter/minute; with pressure gauge and flow control knob, for 17 liter and 34-liter steel calibration cylinders (cylinders with external threads) |
| 81-1117RK | Calibration cup |
| TE-7550-H2-L-01 | Hydrogen detector |
Figure 3: Mounting the Hydrogen Transmitter
Figure 4: Wiring the Hydrogen Transmitter to a Controller
















