RKI INSTRUMENTS 65-2444-500 PPM Hexane Transmitter

WARNING
- Read and understand this instruction manual before operating detec-tor. Improper use of the detector could result in bodily harm or death.
- Periodic calibration and maintenance of the detector is essential for proper operation and correct readings. Please calibrate and maintain this detector regularly! Frequency of calibration depends upon the type of use you have and the sensor types. Typical calibration frequencies for most applications are between 6 and 12 months, but can be required more often or less often based on your usage.
Product Warranty
- RKI Instruments, Inc. warrants gas alarm equipment sold by us to be free from defects in materials, workmanship, and performance for a period of one year* from the date of shipment from RKI Instruments, Inc. Any parts found defective within that period will be repaired or replaced, at our option, free of charge. Parts must be returned to RKI Instruments, Inc. for repair or replacement. This warranty does not apply to those items which by their nature are subject to deterioration or consumption in normal service, and which must be cleaned, repaired or replaced on a routine basis. Examples of such items are:
- Pump diaphragms and valves
- Fuses
- Batteries
- Filter elements
- Warranty is voided by abuse including mechanical damage, alteration, rough handling, or repair procedures not in accordance with instruction manual. This warranty indicates the full extend of our liability, and we are not responsible for removal or replacement costs, local repair costs, transportation costs, or contingent expenses incurred without our prior approval.
- THIS WARRANTY IS EXPRESSLY IN LIEU OF ANY AND ALL OTHER WARRANTIES AND REPRESENTATIONS, EXPRESSED OR IMPLIED, AND ALL OTHER OBLIGATIONS OR LIABILITIES ON THE PART OF RKI INSTRUMENTS, INC. INCLUDING BUT NOT LIMITED TO, THE WARRANTY OF MERCHANTABILITY OR FITNESS FOR A PARTICULAR PURPOSE. IN NO EVENT SHALL RKI INSTRUMENTS, INC. BE LIABLE FOR INDIRECT, INCIDENTAL OR CONSEQUENTIAL LOSS OR DAMAGE OF ANY KIND CONNECTED WITH THE USE OF ITS PRODUCTS OR FAILURE OF ITS PRODUCTS TO FUNCTION OR OPERATE PROPERLY.
- This warranty covers instruments and parts sold to users only by authorized distributors, dealers and representatives as appointed by RKI Instruments, Inc.
- We do not assume indemnification for any accident or damage caused by the operation of this gas monitor and our warranty is limited to the replacement of parts or our complete goods. Warranty covers parts and labor performed at RKI Instruments, Inc. only, and does not cover field labor or shipment of parts back to RKI.
Overview
This manual describes the 65-2444-500 ppm hexane transmitter. This manual also describes how to install, start up, configure, maintain, and calibrate the transmitter when it is used with a gas monitoring controller. A parts list at the end of this manual lists replacement parts and accessories for the transmitter.
Specifications
Table 1 lists specifications for the ppm hexane transmitter.
| Target Gas | Hexane (C6H14) |
| Detection Range | 0 – 500 ppm |
| Area Classification | Explosionproof for Class I, Groups B, C, and D |
| Sampling Method | Diffusion |
| Input Power | 10 – 30 VDC |
| Signal Output | 4 to 20 mA with impedance maximums listed below: • 12 VDC input: 500 Ohms • 24 VDC input: 1000 Ohms |
| Response Time | 90% in 45 seconds |
WARNING: When using the 65-2444-500, you must follow the instructions and warnings in this manual to assure proper and safe operation of the 65-2444-500 and to minimize the risk of personal injury. Be sure to maintain and periodically calibrate the 65-2444-500 as described in this manual.
Description
This section describes the ppm hexane transmitter’s components. It is a 4 to 20 mA type detector head. It consists of the ppm hexane detector, amplifier, and junction box.

- PPM Hexane Detector
The ppm hexane detector is a MOS type (metal oxide semiconductor) detector packaged in a 1/2 NPT nipple with a sintered metal flame arrestor on one end allowing ambient air to diffuse into the detector. The flame arrestor also contains any sparks which may occur within the detector. The 1/2 NPT mounting threads at the top of the detector allow you to mount it into the bottom conduit hub of the junction box. A rainshield screws onto the bottom of the detector (flame arrestor end). The rainshield helps protect the detector from rain and debris in the monitoring environment. Three color-coded leads extend from the top of the detector. The leads allow you to connect the detector to the amplifier. - Amplifier
The amplifier converts the non-linear electrical output from the detector to a linear 4 to 20 mA signal that corresponds to the detection range and transmits the signal to a gas monitoring controller. The amplifier includes the terminal strips, span pot, linearizing pot, and test points.
- Controller Terminal Strip
The controller terminal strip is a three position plug-in style terminal strip located near the top of the amplifier. Use the controller terminal strip to wire the transmitter to a controller. - Detector Terminal Strip
The detector terminal strip is a three position plug-in style terminal strip located below the controller terminal strip. Use the detector terminal strip to connect the detector to the amplifier.
NOTE: The detector is factory-wired to the detector terminal strip. See page 10 for all wiring procedures related to the transmitter. - Span Pot
The span pot is located to the left of the detector terminal strip (see Figure 2). Use a small flat blade screwdriver to turn the span pot’s adjustment screw and adjust the amplifier’s full scale response output during the calibration procedure. - Linearizing Pot
The linearizing pot (labeled LINEAR) is located in the bottom left corner of the amplifier (see Figure 2). Use a small flat blade screwdriver to turn the linearizing pot’s adjustment screw while applying mid-scale gas to linearize the transmitter’s output during the calibration procedure. - Test Points
The test points are on the right side of the amplifier (see Figure 2). The test points produce a 100 to 500 mV output that corresponds to the transmitter’s 4 to 20 mA output. Use the test points and a voltmeter to measure the amplifier’s output during the start-up and calibration procedures. The black test point on the bottom is the negative (-) test point and the red test point on the top is the positive (+) test point. - JP1 and JP2 Jumpers
The JP1 and JP2 jumpers are both shipped from the factory. JP1 will only be installed on one pin and JP2 will be installed on either one or both pins. When installing a new sensor, the jumper configuration may need to be adjusted (see page 16). - Junction Box
Use the junction box to install the transmitter at a mounting site that is remote from the controller. The junction box also protects the amplifier and wiring connections made to the amplifier. Use the top 3/4 NPT conduit hub to connect wiring from the amplifier to the controller. Use the cover on the front of the junction box to access the interior of the junction box. The detector and amplifier are factory installed in the junction box.
Installation
This section describes procedures to mount the ppm hexane transmitter in the monitoring environment and wire the transmitter to a controller.
Mounting the PPM Hexane Transmitter

- Select a mounting site that is representative of the monitoring environment. Consider the following when you select the mounting site.
- Select a site where the transmitter is not likely to be bumped or disturbed. Make sure there is sufficient room to perform start-up, maintenance, and calibration procedures.
- Select a site where the target gas is likely to be found first. For hexane, which is heavier than air, mount the transmitter near the floor or where hexane is most likely to accumulate.
- At the monitoring site you select, hang or mount the junction box with the detector facing down (see Figure 3).
Wiring the PPM Hexane Transmitter
WARNING: Always verify that the power to the controller is off before you make wiring connections.
- Turn off power to the controller.
- Place the controller’s power switch in the OFF position.
- Remove the junction box cover.
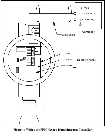
- The detector leads are factory wired. Verify that the detector leads are wired to the amplifier’s detector terminal strip as shown in Figure 4.
- To gain access to a plug-in terminal strip for wiring, pull it out of its socket by grasping the terminal strip and pulling. The detector strip is keyed so that the controller and detector terminal strips cannot be reversed inadvertently.
- Guide a three-conductor, shielded cable or three wires in conduit through the top conduit hub of the junction box.
- Pull out the controller terminal strip, and connect the three wires to the terminal strip as follows (see Figure 4).
- Connect the positive wire to the PWR/SIG “+” terminal.
- Connect the signal wire to the PWR/SIG “S” terminal.
- Connect the negative wire to the PWR/SIG “-” terminal.
CAUTION: If shielded cable is used, leave the cable shield’s drain wire disconnected and insulated at the transmitter. You will connect the opposite end of the cable’s drain wire to the controller’s chassis (earth) ground.
- Reinstall the controller terminal strip into its socket.
- Secure the junction box cover to the junction box.
- Route the cable or wires leading from the ppm hexane transmitter through one of the conduit hubs at the controller housing.
CAUTION: Do not route power and transmitter wiring through the same controller conduit hub. The power cable may disrupt the transmission of the transmitter signal to the controller. - Connect the wires to the applicable detector/transmitter terminal strip at the controller as shown in Figure 4.

- If shielded cable is used, connect the cable’s drain wire to an available chassis (earth) ground at the controller. RKI controllers typically have a ground stud that can be used to ground the cable’s drain wire.
Start Up
This section describes procedures to start up the ppm hexane transmitter and place the transmitter into normal operation.
- Introducing Incoming Power
- Complete the installation procedures described earlier in this manual.
- Verify that the power wiring to the controller is correct and secure. Refer to the controller operator’s manual.
NOTE: When a transmitter is first powered up after installation or being off power for an extended period, its output may be high enough to cause an alarm or low enough to indicate a failure for a brief period before stabilizing within a few minutes. Be sure to make arrangements so that this does not cause unwanted alarms. - Turn on power to the controller.
- Turn on the controller.
- Verify that the controller is on and operating properly. Refer to the controller operator’s manual.
- Transmitter Burn-In Period
Once power has been applied to the transmitter, it will take several days for the transmitter signal to the controller to stabilize completely. This is the burn-in period. The zero reading should settle down close to zero within 2-3 hours of applying power. The transmitter should be burned in for 5-7 days for a stable zero and accurate response to gas. The transmitter is calibrated at the factory before shipment and it is not necessary to calibrate the transmitter after startup. If calibration of the transmitter after startup is desired, wait at least 5 days after startup before calibrating the transmitter. A burn-in period of 7 days is recommended. See page 16 for calibration instructions. - Setting the Zero Signal
The detector’s zero setting is controlled by electronics and is not user-adjustable.
Maintenance
This section describes maintenance procedures. It includes preventive maintenance, troubleshooting, and component replacement procedures.
- Preventive Maintenance
This section describes a preventive maintenance schedule to ensure the optimum performance of the ppm hexane transmitter. It includes daily and quarterly procedures. - Daily
Verify a display reading of 0 ppm at the controller. Investigate significant changes in the display reading. - Biannual
Calibrate the ppm hexane transmitter as described on page 16. - Troubleshooting
The troubleshooting guide describes symptoms, probable causes, and recommended action for problems you may encounter with the ppm hexane transmitter.
NOTE: This troubleshooting guide describes transmitter problems only. See the controller operator’s manual for problems you may encounter with the controller.Condition Symptom(s) Probable Causes Recommended Action Fail Condition • Controller indicates a fail condition. • The transmitter wiring is disconnected or misconnected. • The transmitter is malfunctioning.
1. Verify that the transmitter wiring is correct and secure. 2. Calibrate the transmitter.
3. If the fail condition continues, replace the detector.
4. If the fail condition continues, contact RKI for further instruction.
Slow or No Response/ Difficult or Unable to Calibrate • Unable to accurately set the span or linearizing response during calibration. • Transmitter requires frequent calibration.
Note: Under “normal” circumstances, the transmitter requires calibration once every 6 months.
Some applications may require a more frequent calibration schedule.
• The calibration cylinder is low, out-dated, or defective. • The calibration gas flow rate is too low.
• The transmitter is malfunctioning.
1. Verify that the calibration cylinder contains an adequate supply of gas. 2. Verify that the regulator used for calibration is a 0.5 LPM regulator.
3. If the calibration/response difficulties continue, replace the detector.
4. If the calibration/response difficulties continue, contact RKI for further instruction.
- Replacing Components of the PPM Hexane Transmitter
This section includes procedures to replace the ppm hexane detector and amplifier.- Replacing the PPM Hexane Detector
- Turn off power to the controller.
- Place the controller’s on/off switch in the OFF position.
- Remove the junction box cover.
- Remove the detector terminal strip from its socket.
- Disconnect the detector leads from the detector terminal strip. Note the position of the color-coded leads as you remove them.
- Unscrew the detector from the junction box.
- Guide the detector leads of the replacement detector through the bottom conduit hub of the junction box, then screw the mounting threads of the detector into the conduit hub.
- Connect the detector leads to the detector terminal strip as shown in Table 3 below and Figure 4 on page 11 of this manual.
Detector Lead Detector Terminal Strip Red R White W Black B - Re-install the detector terminal strip into its socket.
NOTE: When a transmitter is first powered up with a new detector, its output may be high enough to cause an alarm or low enough to indicate a failure for a brief period before stabilizing within a few minutes. Be sure to make arrangements so that this does not cause unwanted alarms. - Turn on power to the controller.
- Turn on the controller and place it into normal operation.
- Allow the transmitter to run for 3 hours.
- Perform a preliminary calibration as described on page 16. This will be a temporary calibration since the new ppm detector must burn-in before it can be properly calibrated.
- Allow the replacement detector to burn-in for at least 5 days before you continue with the next step. A burn-in period of 7 days is recommended.
- After the burn-in period, calibrate the transmitter as described on page 16.
NOTE: The JP1 and JP2 jumper configuration may need to be adjusted during calibration.
- Replacing the Amplifier
If you are replacing the amplifier, it is likely that the transmitter has been off power for an extended period. Make sure to follow the preliminary calibration recommendation and the burn-in period recommendation before making the final calibration.- Turn off power to the controller.
- Place the controller’s on/off switch in the OFF position.
- Remove the junction box cover.
- Unplug the detector terminal strip and controller terminal strip from their sockets. You may leave the wires connected to the terminal strips.
- Unscrew and remove the screw with the flat and lock washers that secures the amplifier to the junction box.
- Remove the old amplifier.
- Install the detector and controller terminal strips into their sockets on the new amplifier as shown in Figure 4 on page 11 of this manual. If controller leads or detector leads were removed during this procedure, refer to Tables 4 and 5 below.
Amplifier’s Controller Terminal Strip Controller’s Transmitter Terminal Strip (typical) – – (DC -) S S (4 – 20 mA In) + + 24V Detector Lead
Amplifier’s Detector Terminal Strip Red R White W Black B - Install the amplifier into the junction box with the screw, lock washer, and flat washer you removed in Step 5 above. A foam gasket that orients the amplifier and keeps it from rotating is installed on the bottom of the amplifier. Make sure the amplifier is seated flat in the junction box.
NOTE: When a transmitter is first powered up with a new amplifier, the initial output may be either high or below zero. Be sure to make arrangements so that this does not cause unwanted alarms. - Turn on power to the controller.
- Turn on the controller and place it into normal operation.
- Allow the transmitter to run for 3 hours.
- Perform a preliminary calibration as described on page 16. This will be a temporary calibration since the new ppm detector must burn-in before it can be properly calibrated.
- Allow the replacement detector to burn-in for at least 5 days before you continue with the next step. A burn-in period of 7 days is recommended.
- After the burn-in period, calibrate the transmitter as described on page 16.
NOTE: The JP1 and JP2 jumper configuration may need to be adjusted during calibration.
- Replacing the PPM Hexane Detector
Calibration Frequency
- Although there is no particular calibration frequency that is correct for all ppm hexane transmitter applications, a calibration frequency of every 6 to 12 months is adequate for most applications. Unless experience in a particular application dictates otherwise, RKI
- Instruments, Inc. recommends a calibration frequency of every 6 months.
- If an application is not very demanding, for example detection in a clean, temperature controlled environment where hexane is not normally present, and calibration adjustments are minimal at calibration, then a calibration frequency of every 12 months is adequate.
- If an application is very demanding, for example if hexane is present often and in significant concentrations or the environment is not well controlled, then more frequent calibration than every 6 months may be necessary.
Calibration
This section describes how to calibrate the ppm hexane transmitter. It includes procedures to prepare for calibration, set the span reading, set the linearization, and return to normal operation.
WARNING: The controller is not an active gas monitoring device during the calibration procedure.
- Calibration Kit Humidifier Tube
The ppm hexane detector requires normal atmospheric humidity levels to respond properly to hexane. Normal atmospheric humidity variations do not affect the detector’s response to hexane in ambient air, but the ultra low humidity level of gas from a calibration cylinder requires that the calibration sample be humidified for the detector to respond properly. The calibration kit for the ppm hexane transmitter includes a humidifier tube that is not normally included in other calibration kits. This humidifier tube humidifies the calibration sample flowing through it by absorbing humidity from the ambient air and adding it to the sample. The humidifier tube is included in the “Parts List” on page 19.
WARNING: A humidifier tube must be used when calibrating the ppm hexane transmitter for the detector to respond properly to the calibration gas. Failure to use a humidifier tube will result in an inaccurate calibration. - Materials
- 0.5 LPM fixed flow regulator with an on/off knob
- calibration cup
- humidifier tube
- 250 ppm hexane calibration gas cylinder
- 500 ppm hexane calibration gas cylinder
- Preparing for Calibration
- Screw the calibration cup onto the bottom of the hexane detector.
- Use the humidifier tube to connect the regulator to the calibration cup.
- Set a voltmeter to measure in the millivolt (mV) range.
- Remove the junction box cover, then plug the voltmeter leads into the test points on the amplifier. Plug the positive lead into the red + test point; plug the negative lead into the black – test point.
- Place the controller into its calibration mode or disable external alarms.
NOTE: Calibrating the ppm hexane transmitter may cause alarms. Be sure to put the controller into its calibration program or disable external alarms before continuing.
- Setting the Zero Reading
The detector’s zero setting is controlled by electronics and is not user-adjustable. - Setting the Span Reading
The configuration of the JP1 and JP2 jumpers may need to be adjusted during calibration. Valid configurations are:- JP1 and JP2 both installed on one pin
OR - JP1 installed on one pin and JP2 installed on both pins
- Screw the regulator into the 500 ppm calibration cylinder.
- Turn the regulator knob counterclockwise to open the regulator.
- Allow the calibration gas to flow for 2 minutes.
- Verify a reading of 500 mV (±2 mV) on the voltmeter. If necessary, use the span pot on the amplifier to adjust the reading.
- If you are calibrating a new sensor and the span pot cannot be adjusted high enough to obtain a reading of 500 mV (±2 mV) on the voltmeter, remove the JP2 jumper (see page 7) and try to adjust the span pot again.
Similarly, if you are calibrating a new sensor and the span pot cannot be adjusted low enough to obtain a reading of 500 mV (±2 mV) on the voltmeter, install the JP2 jumper (see page 7) and try to adjust the span pot again. - Turn the regulator knob clockwise to close the regulator.
- Unscrew the regulator from the full-scale calibration cylinder.
- JP1 and JP2 both installed on one pin
- Setting the Linearization
- Screw the regulator into the 250 ppm calibration cylinder.
- . Turn the regulator knob counterclockwise to open the regulator.
- Allow the calibration gas to flow for 2 minutes.
- Verify a reading of 300 mV (±2 mV) on the voltmeter. If necessary, use the linear pot on the amplifier to adjust the reading.
- Turn the regulator knob clockwise to close the regulator.
- Unscrew the regulator from the half-scale calibration cylinder.
- Returning to Normal Operation
- Remove the voltmeter leads from the amplifier test points.
- Unscrew the calibration cup from the detector.
NOTE: For convenience, leave the regulator and calibration cup connected by the humidifer tube. - Secure the junction box cover to the junction box.
- When the controller display reading falls below the alarm setpoints, return the controller to normal operation.
- Verify that the controller display reading decreases and stabilizes at 0 ppm.
- Store the components of the calibration kit in a safe and convenient place.
Parts List
Table 6 lists replacement parts and accessories for the ppm hexane transmitter.
| Part Number | Description |
| 18-0400RK | Junction box with cover |
| 33-2001RK-01 | Humidifier tube w/ 3/16” tubing on ends, for calibration kit |
| 57-1070-01 | Amplifier (specify target gas and detection range) |
| 65-2444-500 | 0 – 500 ppm hexane transmitter (includes detector and amplifier) |
| 71-0550 | 65-2444-500 PPM Hexane Transmitter Operator’s Manual (this document) |
| 81-0083RK-11 | Calibration cylinder, 250 ppm hexane in air, 34 liter steel |
| 81-0083RK-13 | Calibration cylinder, 250 ppm hexane in air, 103 liter |
| 81-0083RK-21 | Calibration cylinder, 500 ppm hexane in air, 34 liter steel |
| 81-0083RK-23 | Calibration cylinder, 500 ppm hexane in air, 103 liter |
| 81-1050RK | Regulator, 0.5 LPM, with pressure gauge and flow control knob, for 17 liter and 34 liter steel calibration cylinders (cylinders with external threads) |
| 81-1051RK | Regulator, 0.5 LPM, with pressure gauge and flow control knob, for 34 liter aluminum, 58 liter, and 103 liter steel calibration cylinders (cylinders with internal threads) |
| 81-1117RK | Calibration cup |
| SG-8547-01 | PPM hexane detector |






















