STAHL 261386 Transmitter Supply Unit

Safety notes
Installation notes
- The device is an associated apparatus (category 1) which belongs to the “Intrinsic Safety” ignition protection
class and can be installed in Ex zone 2 as a category 3 device. It meets the requirements of EN 600790:2012+A11:2013, EN 60079-11:2012, EN 60079-15:2010 or IEC 60079-0 ed. 6.0, IEC 60079-11 ed. 6.0, and IEC 60079-15 ed. 4.0. - Installation, operation, and maintenance may only be carried out by qualified electricians. Follow the installation instructions as described. When installing and operating the device, the applicable regulations and safety directives (including national safety directives), as well as general technical regulations, must be observed. For the safety data, refer to this document and the certificates (EU examination certificate and other approvals if appropriate).
- The device must not be opened or modified. Do not repair the device yourself, replace it with an equivalent
device. Repairs may only be carried out by the manufacturer. The manufacturer is not liable for damage resulting from violation. - The IP20 degree of protection (IEC/EN 60529) of the device is intended for use in a clean and dry environment. Do not subject the device to mechanical and/or thermal loads that exceed the specified limits.
- The device complies with the EMC regulations for industrial areas (EMC class A). When using the device in residential areas, it may cause radio interference.
Intrinsic safety
- The device is approved for intrinsically safe (Ex i) circuits up to zone 0 (gas) and zone 20 (dust) in the Ex
area. The safety technology values for intrinsically safe equipment and the connecting lines must be observed for the hook-up process (IEC/EC 60079-14) and the values specified in this installation note and/or the EU examination certificate must be observed. - When carrying out measurements on the intrinsically safe side, observe the relevant regulations regarding the connection of intrinsically safe equipment. Use only these approved measuring devices in intrinsically safe circuits.
- If the device was used in circuits that are not intrinsically safe, it is forbidden to use it again in intrinsically safe circuits. Label the device clearly as being not intrinsically safe.
Installation in the Ex area (zone 2)
- Observe the specified conditions for use in potentially explosive areas! Install the device in a suitable, approved housing that meets the requirements of IEC/EN 60079-15 and has at least IP54 protection. Also, observe the requirements of IEC/EN 60079-14.
In zone 2 only connect or disconnect cables and adjust the DIP switch when the power is disconnected.
In potentially explosive areas, only snap the device onto or off the pace-Bus 9294 or connect and disconnect the cables when the power is disconnected.
The device must be stopped and immediately removed from the Ex area if it is damaged, was subject to an impermissible load, is stored incorrectly, or if it malfunctions.
Potentially dust-explosive areas
- The device is not suitable for installation in zone 22.
- If you nevertheless intend to use the device in zone 22, you must install it in a housing according to IEC/ EN 60079-31. Observe the maximum surface temperatures in this case. Adhere to the requirements of IEC/ EN 60079-14.
- Connection to the intrinsically safe circuit in areas with a danger of dust explosions (zone 20, 21, or 22) is only permitted if the equipment connected to this circuit is approved for this zone (e.g., category 1D, 2D, or 3D).
Safety-related applications (SIL)
NOTE: When using the device in safety-related applications, observe the instructions in the safety manual available at r-stahl.com, as the requirements may differ for safety-related functions.
Short description
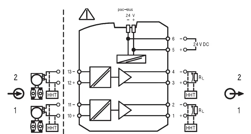
- The 2-channel transmitter supply unit is designed for the operation of intrinsically safe (Ex i) 2-conductor measuring transducers installed in the Ex area.
- The 2-wire measuring transducers are supplied with power and analog 4…20 mA measured values from the Exarea are transferred to the non-Ex area.
- The output of the module is active.
- The analog measured value on the Ex or non-Ex side can be overlayed with digital (HART) communication signals and transmitted bi-directionally.
Operating and indicating elements (1)
- Green “PWR” LED, power supply
- Connection terminal blocks for the safe area (black/green)
- Connection terminal blocks for the Ex area (intrinsically safe Ex i, blue)
Installation
NOTE: Electrostatic discharge Take protective measures against electrostatic discharge before opening the front cover!
Connection notes
EN / UL 61010-1:
WARNING
- Provide a switch/circuit breaker in the vicinity of a device that is marked as a disconnect device for this device.
- Provide overcurrent protection (I ≤ 16 A) within the installation.
- To protect the device against mechanical or electrical damage, install it in suitable housing with an appropriate degree of protection according to IEC/EN 60529.
- During maintenance work, disconnect the device from all effective power sources.
- If the device is not used as described in the documentation, the intended protection can be negatively affected.
- Thanks to its housing, the device has basic insulation to the neighboring devices, for 300 Veff. If several devices are installed next to each other, this has to be taken into account, and additional insulation has to be installed if necessary! If the neighboring device is equipped with basic insulation, no additional insulation is necessary.
- The voltages present at the input, output, and supply are extra-low voltages (ELV). Depending on the application, dangerous voltage (>30 V) against the ground could occur. For this event, safe electrical isolation from the other connections has been implemented
- The device can be snapped onto all 35 mm DIN rails according to IEC/EN 60715. When using the 9294/31-12, first insert it to bridge the power supply. (3)
- NOTE: Please also observe the direction of the module and pack-Bus 9294 when snapping into position: snap-on foot at the top and connector on the left.
Operating instructions
Safe area



Technical data

- Types 9260/1*-11-10

- Types 9260/23-11-10

- SAFE AREA: Class I, Division 2, Groups A-D & Class I, Zone 2, Groups IIC, IIB, IIA & Non-hazardous
- Type 9260/ab-11-10* with a = 1 or 2 (number of channels)
- b = 3 or 9 (a number for design)
- = s or k (design of terminals)
- Non- I.S. signal circuits: Terminal No.: 1, 2, 3, 4
- Power supply circuits: Terminal No.: 5, 6 or pac-Bus
- UN = 24 V (19.2 … 30 V DC)
Entity parameters for I.S. circuits:
| Type and Terminal | Voc / Uo [Vdc] | Isc / Io [mA] | Po [mW] | GP A,B or IIC | GP C or IIB | Vmax / Ui [V] | Imax / Ii [mA] | Ci [nF] | Li [mH] | ||
| Ca / Co [nF] | La / Lo [mH] | Ca / Co [nF] | La / Lo [mH] | ||||||||
| 9260/1*-11-10* No. 10, 11 | 25.2 | 93 | 587 | 107 | 2 | 820 | 4 | – | – | – | – |
| 9260/1*-11-10* No. 12, 13 | – | – | – | – | – | – | – | 30 | 150 | Negligible | |
| 9260/23-11-10* No. 10, 11 / 12, 13 | 25.2 | 93 | 587 | 107 | 2 | 820 | 4 | – | – | – | – |
- The Entity Concept allows interconnection of intrinsically safe apparatus with associated apparatus not specifically examined in combination
as a system. Selected Intrinsically Safe Equipment must be third party listed as intrinsically safe for the application and have intrinsically
safe entity parameters conforming with the following:
It should be noted, however, for installation in which both the Ci and Li of the intrinsically safe equipment exceed 1% of the Ca (or Co) and La (or Lo) parameters of the associated apparatus (excluding the cable), only 50% of Ca (or Co) and La (or Lo) parameters are applicable and shall not be exceeded. - Capacitance and inductance of the field wiring from the intrinsically safe equipment to the associated apparatus shall be calculated and
must be included in the system calculations as shown under 1. Where the cable capacitance and inductance per foot are not known, the
following values shall be used: Ccable = 60 pF / ft., Lcable = 0.2 µH / ft. - The output current of this associated apparatus is limited by a resistor such that the output voltage-current plot is a straight line drawn
between open-circuit voltage and short-circuit current. - This associated apparatus has not been evaluated for use in combination with another associated apparatus.
- This associated apparatus may also be connected to simple apparatus as defined in Article 504.2 and installed and temperature classified
in accordance with Article 504.10(B) of the National Electrical Code (ANSI/NFPA70), or other local codes applicable. - Associated apparatus must be installed in an enclosure (which meets the requirements of ANSI/ISA S82) suitable for the application in
accordance with the National Electrical Code (ANSI/NFPA 70) for installation in the United States, the Canadian Electrical Code for
installation in Canada, or other local codes, as applicable. - When using as a non-incendive device for Class I, Division 2, or Class I, Zone 2 do not snap equipment onto or off the pace-Bus 9294, or
connect and disconnect non-intrinsically safe lines unless power has been removed or the area is known to be nonhazardous. - Intrinsically safe circuits must be wired separately in accordance with Article 504.20 of the National Electrical Code (ANSI/NFPA 70) for
installation in the United States, the Canadian Electrical Code Part 1, Appendix F for installation in Canada, or other local codes, as
applicable. - When multiple circuits extend from the same piece of associated apparatus, they must be installed in separate cables or in one cable
having suitable insulation. Refer to Article 504.30(B) of the National Electrical Code (ANSI/NFPA 70) and Instrument Society of America
Recommended Practice ISA RP12.6 for installing intrinsically safe equipment. - Electrical apparatus connected to an intrinsically safe system shall not use or generate voltages > 253 V AC resp. > 125 V DC. (Umax)
- Ambient temperature: -20°C … +60°C (any mounting position)
WARNING – EXPLOSION HAZARD
- Substitution of components may impair suitability for Class I, Division 2, or Class I, Zone 2.
- Do not disconnect equipment unless power has been removed or the area is known to be non-hazardous

Additional information for the CCC application
- Certificate No: GYJ21.3351X
| 5 67 R. STAHL Type | Ex Marking |
| Transmitter Supply Unit 9260/23-11-10 | Ex nA [ia Ga] IIC T4 Gc [Ex iaD] |
Standards
- GB3836.1-2010
- GB3836.4-2010
- GB3836.8-2014
- GB12476.1-2013
- GB12476.4-2010
A special condition of use
The operating ambient temperature range is Ta = -20 … +60 °C. Products marked with [Ex iaD] should be installed in a safe area, and the enclosure protection grade reaches IP20 (GB/T 4208-2017) before they can be used in explosive hazardous locations. Products marked with Ex nA [ia Ga] IIC T4 Gc should be installed in an enclosure that complies with the standards GB 3836.1-2010 and GB 3836.8-2014, and the enclosure protection level is not lower than IP54 before they can be used in an explosive hazardous location.
- Compliance mark on product
- China Compulsory Certification
Additional information for the EAC application
- Certification No: RU C-DE.HA91.B.00246/21
- valid until: 30.09.2026
- The quality of the equipment used in potentially explosive atmosphere on the markets of the Eurasian Customs Union, is regulated in TR CU 012/2011. The above mentioned equipment is approved and certified according to this regulation. Compliance with TR CU 012/2011 and related standards is confirmed in the certificate.
| R. STAHL R. STAHL Type | Ex no TP TC 012/2011 Ex Marking according to TR CU 012/2011 |
| 9260/13-11-10* | 2Ex nA [ia Ga] IIC T4 Gc X |
| 9260/19-11-10* 9260/23-11-10* | [Ex ia Da] IIIC X |
- Compliance with standards
- 31610.0-2014 (IEC 60079-0:2011)
- 31610.11-2014 (IEC 60079-11:2011)
- 31610.15-2014 (IEC 60079-15:2010)
- Life time: 10 years, under standard operating conditions as described in operating instruction
- Shelf life: 8 years, in original packaging
- Store the device in a dry place (no condensation) and free from vibrations
- R. STAHL Schaltgeräte GmbH
- Am Bahnhof 30, 74638 Waldenburg, Germany
- Tel: +49 7942 943-0 Fax: +49 7942 943-4333
- Internet: r-stahl.com E-Mail: [email protected]






It should be noted, however, for installation in which both the Ci and Li of the intrinsically safe equipment exceed 1% of the Ca (or Co) and La (or Lo) parameters of the associated apparatus (excluding the cable), only 50% of Ca (or Co) and La (or Lo) parameters are applicable and shall not be exceeded.



















