
R. STAHL Schaltgeräte GmbH
Am Bahnhof 30, 74638 Waldenburg, Germany
Tel: +49 7942 943-0 Fax: +49 7942 943-4333
Internet: r-stahl.com E-Mail: [email protected]
r-stahl.com
Operating instructions
308519 / 978660310010 / V00
9786/12-11 308562

Media converter series 9786/12-11
General Information
1.1 About these operating instructions
- Read these operating instructions, especially the safety notes, carefully before use.
- Observe all other applicable documents (see also chapter 1.2)
- Keep the operating instructions throughout the service life of the device.
- Make the operating instructions accessible to operating and maintenance staff at all times.
- Pass the operating instructions on to each subsequent owner or user of the device.
- Update the operating instructions every time R. STAHL issues an amendment.
The original instructions are the German edition.
They are legally binding in all legal affairs.
1.2 Further documents
- Data sheet
- Manual
For documents in other languages, see r-stahl.com.
1.3 Conformity with standards and regulations
- IECEx, ATEX, EU Declaration of Conformity and further national certificates can be downloaded via the following link:
https://r-stahl.com/en/global/support/downloads/ - IECEx is also available at: https://www.iecex.com/
Intended use
The media converter series 9786 converts electrical RS485 signals into fibre optical signals and vice versa. Bus signals from PROFIBUS DP, Modbus RTU and R. STAHL Servicebus can be transmitted via the FO paths over distances of at least 2500 m.
The inherently safe FO interfaces (Ex op is) mean that all of the media converter series 9786 can be interconnected and different FO network structures (line, ring topologies, etc.) can be established. The media converter 9786/12-11 has an RS485-IS interface and is suitable for use in Zone 1.
“Intended use” includes complying with these operating instructions and the other applicable documents, e.g. the data sheets.
All other uses are only intended after being approved by R. STAHL.
Personnel qualification
Qualified specialist personnel is required to perform the activities described in these operating instructions.
Specialists who perform these tasks must have a level of knowledge that meets applicable national standards and regulations.
Additional knowledge is required for any activity in hazardous areas.
R. STAHL recommends having a level of knowledge equal to that described in the following standards:
IEC/EN 60079-14 (Electrical installations design, selection and erection)
IEC/EN 60079-17 (Inspection and maintenance of electrical installations)
IEC/EN 60079-19 (Equipment repair, overhaul and reclamation)
Safety
4.1 Explosion hazard
Despite the device’s state-of-the-art design, explosion hazards cannot be entirely eliminated in hazardous areas.
- Perform all work steps in hazardous areas with the utmost care at all times!
- Transport, store, plan, mount and operate the device exclusively in compliance with the technical data (see the “Technical data” chapter).
4.2 Mechanical damage
The device may be damaged during transport, mounting or commissioning.
This kind of damage may, for example, render the device’s explosion protection partially or completely ineffective. This may result in explosions causing serious or even fatal injury.
- Only transport the device in special transport packaging that reliably protects the device from external influences. Take ambient conditions into account when selecting the transport packaging (see the “Technical data” chapter).
- Do not place any loads on the device.
- Check the packaging and the device for damage. Report any damage to R. STAHL immediately. Do not commission a damaged device.
- Store the device in its original packaging in a dry place (with no condensation), and make sure that it is stable and protected against the effects of vibrations and knocks.
- Do not damage the device and other system components during mounting.
4.3 Excessive heating or electrostatic charge
An incorrect setup in the cabinet, operation outside of approved conditions or improper cleaning can cause the device to heat up severely or to become electrostatically charged, causing it to produce sparks.
This may result in explosions causing serious or even fatal injury.
- Operate the device within the prescribed operating conditions only (see the label on the device and the “Technical data” chapter).
- Install and set up the cabinet in such a way that all devices installed within it are always operated within their permissible temperature range.
- Connect the enclosure of the device to the equipotential bonding.
4.4 Ignition sparks
Ignition sparks can be generated during live working, when working with screws or routing connections on a device that has not been fitted according to regulations. This may result in explosions causing serious or even fatal injury.
- Carry out all screw fastening processes carefully using the respectively specified tightening torques.
- Sufficiently secure all communication lines against tensile force (e.g. by tightening the strain relief cap, cable ties, screws).
- During operation: De-energise all connected modules and devices before connecting or disconnecting auxiliary power supply connections.
4.5 Improper project engineering, mounting, installation, commissioning, maintenance or cleaning
Basic work such as installation, commissioning, maintenance or cleaning of thedevice must be performed only in accordance with the applicable national regulations of the country of use and only by qualified persons.
Otherwise, the explosion protection may be rendered ineffective.
This may result in explosions causing serious or even fatal injury.
- When used in Zone 1 or Zone 2, the device is to be installed in a protective enclosure or in a cabinet that offers a suitable degree of protection in accordance with IEC/EN 60079-0.
- When used in Zone 21 or Zone 22, the device is to be installed in a protectivenclosure or in a cabinet that offers a suitable degree of protection in accordance with IEC/EN 60079-31.
- Only operate the device with a correctly positioned IP30 cover above the connection terminals (screw heads of the terminal are not visible from above
- Repair work on the device must be performed only by R. STAHL.
- Gently clean the device with a damp cloth only – do not use scratching, abrasive or aggressive cleaning agents or solutions.
- Only use the device with original accessories from R. STAHL Schaltgeräte.
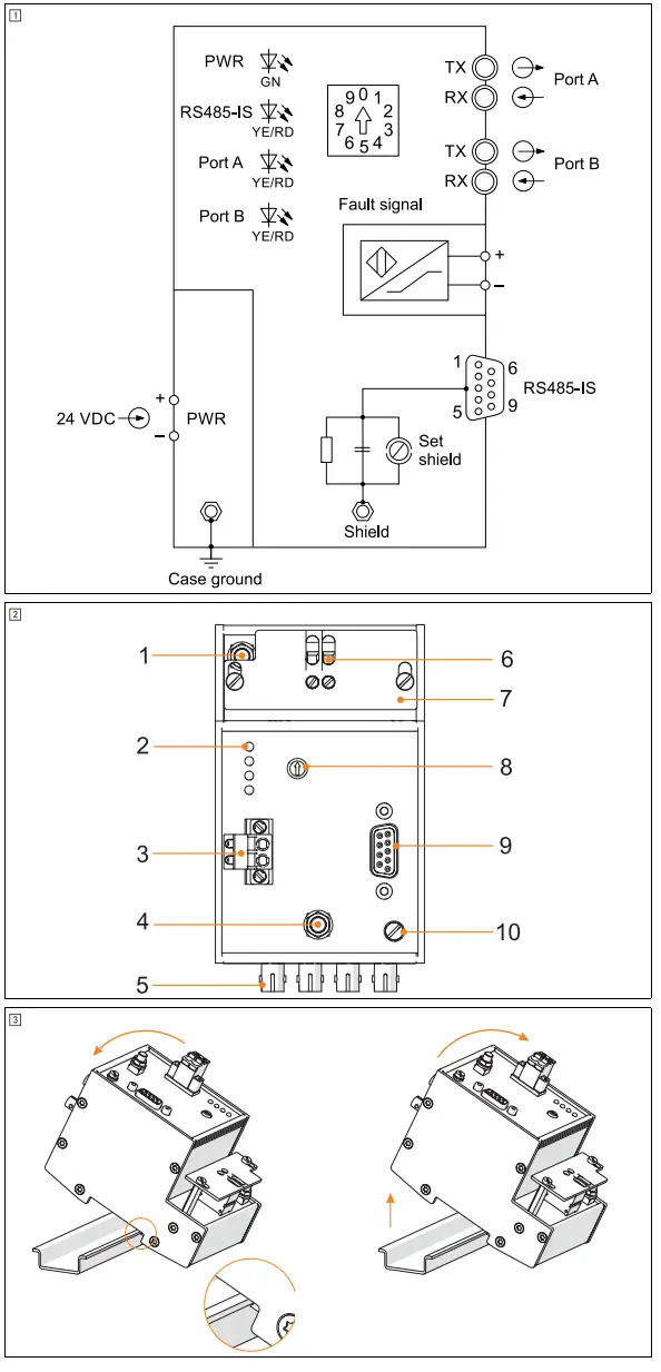
Device design (2)
| # | Device element | Description |
| 1 | Case ground | Connection of the enclosure to the equipotential bonding |
| 2 | LED displays | “PWR”: Auxiliary power display “RS485-IS”: RS485-IS interface status display “Port A”: FO port A status display “Port B”: FO port B status display |
| 3 | Terminal error signal output | Signalling of error conditions |
| 4 | Shield earthing | Connection of the RS485 line shield to the equipotential bonding |
| 5 | FO ports | Fibre optic connection |
| 6 | Auxiliary power terminal | Auxiliary power connection |
| 7 | IP30 cover | Protection for auxiliary power connection |
| 8 | Rotary switch | Selection of baud rate and operating mode |
| 9 | Sub-D socket | RS485-IS interface |
| 10 | Screw | Selection of shield earthing – capacitive or direct (hard) |
Product selection and project engineering
See manual
Mounting and installation
DANGER! Explosion hazard from combustible sparks when used in Zone 1 and Zone 2.
Non-compliance results in severe or fatal injuries.
- Only install and connect the device in a de-energised state.
- Install the device in an enclosure with an IP degree of protection of at least IP54 according to EN IEC 60079-0.
- If necessary, use heat dissipation measures to ensure that the device’s permissible service temperature is not exceeded in this enclosure, even in unfavourable ambient conditions.
- If there is a cross-functional connection via the fibre optic: Only use additional lens systems or light amplifiers if they are explicitly approved for this use.
7.1 Mounting (3)
- Mount the device on a DIN rail (TH35 according to EN 60715).
- Maintain a distance at the side of ≥ 5 mm from other devices.
7.2 Installation
Connecting the auxiliary power
In order to connect the auxiliary power, the device has a two-pole Ex e terminal.
DANGER! Explosion hazard from combustible sparks when used in Zone 1or 2.
Non-compliance results in severe or fatal injuries.
- Only connect the device if it is de-energised or in a safe area (no explosive atmosphere).
The connection cross-section is as follows:
| Single-wire connection | Dual-wire connection | |
| Rigid | 0.2 to 2.5 mm2 | 0.2 to 0.75 mm2 |
| Flexible with core end sleeve | 0.2 to 1.5 mm2 | 0.2 to 0.34 mm2 |
- Strip the connecting lines (9 mm).
- For stranded wires: Use core end sleeves.
- Slightly loosen the mounting screws of the IP30 cover.
- Move the cover until the screw heads of the terminal are visible from above.
- Connect the supply voltage to the + and – terminals.
- Tighten the terminals (tightening torque: 0.4 to 0.5 Nm).
- Move the IP30 cover until the cover is flush with the enclosure.
- Secure the mounting screws.
Connecting the equipotential bonding
- Connect the M5 x 1 bolt (“Case Ground”) on the device to the equipotential bonding.
Connecting the RS485 shield
Depending on the expected interference and the installation, users can choose between capacitive and direct (hard) earthing. The shield is capacitively connected ex works to the connection for the shield earthing (2, device element #4).
For this purpose, an insulating disc is inserted between the screw head and the line shield.
- If you choose direct earthing: Unscrew the screw, remove the insulating disc and retighten the screw.
- If the connection for the shield earthing is to be connected to the “Case Ground” enclosure potential: Connect the M5 x 1 bolt to the M5 x 1 bolt (“Case Ground”).
Connecting the media converter to fieldbus
The fieldbus interface is a 9-pole Sub-D socket. - Connect the device to the fieldbus using a Sub-D plug connector approved for Ex applications (e.g. item no. 162693 (straight) or 201805 (angled)).
- Tighten the mounting screws of the Sub-D connector.
Connecting fibre optics
WARNING! Risk of injury to eyes from laser beams from devices according laser class 1.
Non-compliance can result in severe or fatal injuries.
- During operation do not look directly into the emitting diodes or into optical fibre while using optical aids.
- Insert the the ST connector of the fibre optics into the ST socket of the transmit and receive channel.
- Press the spring mechanism of the ST connector downwards.
- Turn the ST connector a quarter rotation to the right until the connector issecurely locked.
Connecting the error signal output
The 9786/12-11 device has a NAMUR error signal output.
The error signal output can be connected to a NAMUR input module according IEC/EN 60947-5-6 (e.g. IS1+ 9468, 9470).
The connection cross-section (terminal: Error signal output) is as follows:
| Single-wire connection | Dual-wire connection with the same cross section with TWIN core end sleeve | |
| Rigid | 0.2 to 2.5 mm2 | – |
| Flexible with core end sleeve | 0.25 to 2.5 mm2 | 0.5 to 1.5 mm2 |
- Connect the error signal output using the two-pole push-in connector.
- Remove the push-in plug connector from the packaging and insert it into the connection strip.
- Secure the plug connector using the screw locking (tightening torque: 0.3 Nm).
- Strip the connecting lines (10 mm).
- For flexible cores: Use core end sleeves.
- Insert the core into the terminal to as far as the insulation.
Connecting to end-of-line resistors
- Connect to end-of-line resistors at the beginning and the end of each segment.
Parameterisation and commissioning
For PROFIBUS-DP, the transfer rate is automatically detected by the device.
For other, byte-oriented, serial data streams, the transfer rate must be set permanently using a rotary switch (position 3 to 9).
| Rotary switch position | Transfer rate/topology |
| 0 | PROFIBUS-DP: Automatic baud rate detection |Point-to-point connection |
| 1 | PROFIBUS-DP: Automatic baud rate detection | Ring master |
| 2 | PROFIBUS-DP: Automatic baud rate detection | Ring device |
| 3 | Modbus RTU: 9.6 kbps, even parity |
| 4 | Modbus RTU: 19.2 kbps, even parity |
| 5 | Modbus RTU: 38.4 kbps, even parity |
| 6 | Modbus RTU: 57.6 kbps, even parity |
| 7 | Modbus RTU: 9.6 kbps, uneven parity, (for IS1+ Servicebus) |
| 8 | Modbus RTU: 38.4 kbps, uneven parity, (for IS1+ Servicebus) |
| 9 | PROFIBUS-DP: Automatic baud rate detection | Without fault message for port B | Point-to-point connection |
Before commissioning, carry out the following checks:
- Check the device and lines for damage.
- Mounting and installation of the device according to regulations.
- Correct, secure connection of the lines.
- The screws are securely fastened to the terminal.
- Correct position of the IP30 cover.
Operation
After connecting the lines and activating the supply voltage, the device will automatically go into operation.
9.1 Displays
| LED | Colour | Meaning |
| PWR | off | No supply voltage/supply voltage too low |
| green | Supply voltage error-free | |
| red | Fault/malfunction inside the device | |
| RS485-IS | off | No bus communication |
| yellow | Bus communication active | |
| blinking yellow | Baud rate determination active | |
| red | Communication error | |
| Port A | off | No bus communication |
| yellow | Bus communication active | |
| blinking red | Telegrams partially defective | |
| red | Communication error | |
| Port B | off | No bus communication |
| yellow | Bus communication active | |
| blinking red | Telegrams partially defective | |
| red | Communication error |
Repair
- Repair work on the device must be performed only by R. STAHL.
Disposal
- Observe national, local and statutory regulations regarding disposal.
- Separate materials for recycling.
- Ensure environmentally friendly disposal of all components according to statutory regulations.
Technical data
| Explosion protection | |
| Global (IECEx) | Gas Dust |
| Europe (ATEX, UKEX) | Gas Dust |
| Certificates | |
| RS485-IS | Max. voltage U0 Max. current I0 Max. power P0 Max. connectable voltage Ui Internal capacitance Ci Internal inductance L |
| Error signal output | Max. connectable voltage Ui Internal capacitance Ci Internal inductance Li |
| EPL FO interfaces | |
| Safety-related maximum voltage | Um |
| Electrical data | |
| Nominal voltage | |
| Voltage range | |
| Current consumption | |
| Power consumption | |
| Auxiliary power connection | |
| RS485-IS signal level | |
| RS485-IS connection | |
| FO connection | |
| FO type | |
| Error signal output | |
| Error signal output connection | |
| Electromagnetic compatibility | |
| Galvanic separation | |
| Ambient conditions | |
| Ambient temperature | |
| Relative humidity | at 55 °C according to EN 60068-2-78 |
| Mechanical data | |
| Enclosure class | |
| Mounting | |
IECEx EPS 22.0084X
Ex eb mb ib [op is Ga] IIC T4 Gb
[Ex ib Db] [Ex op is Da] IIIC
EPS 22 ATEX 1 353 X, CLM 23UKEX2097X
EII 2 (1) G Ex eb mb ib [op is Ga] IIC T4 Gb
EII (1) D [Ex ib Db] [Ex op is Da] IIIC
IECEx (BV), ATEX (BV), UKEX
4.2 V
131 mA
124 mW
4.2 V
35.7 μF
Negligible
10 V
30 nF
Negligible
Ga / Da
40 V DC (for all Ex e interfaces)
24 V DC
18 to 32 V DC
100 mA
2.4 W
Screw terminal
3.3 V
Sub-D plug connector, 9-pole
BFOC/2.5 (ST) plug connector
Multi mode 62.5/125 μm (OM1)
Multi mode 50/125 μm (OM2)
Behaviour according to IEC/EN 60947-5-6 (NAMUR sensor)
Pluggable push-in terminal
Checked in accordance with the following standards and regulations:
EN 61326-1 For use in industrial areas;
NAMUR NE 21
Complete galvanic separation according to IEC/EN 60079-11
(bus to bus and bus to power supply)
with a nominal voltage of 250 V
-40 to +70 °C
≤ 93 %
IP20
On DIN rail (according to EN 60715)
FO.DSME-220 | Version: 4.0 | Giitig ab: 01.01.2021 | 9786 6 002 001 0_00



















