STAHL 9260 Series Transmitter Supply Unit

Safety notes
Installation notes
- The device is an associated apparatus (category 1) which belongs to the “Intrinsic Safety” ignition protection class and can be installed in Ex zone 2 as a category 3 device. It meets the requirements of EN 60079-
0:2012+A11:2013, EN 60079-11:2012, EN 60079-15:2010 or IEC 60079-0 ed. 6.0, IEC 60079-11 ed. 6.0, and IEC 60079-15 ed. 4.0. - Installation, operation, and maintenance may only be carried out by qualified electricians. Follow the instal-lation instructions as described. When installing and operating the device, the applicable regulations and safety directives (including national safety directives), as well as general technical regulations, must be ob-served. For the safety data, refer to this document and the certificates (EU examination certificate and other approvals if appropriate).
- The device must not be opened or modified. Do not repair the device yourself, replace it with an equivalent device. Repairs may only be carried out by the manufacturer. The manufacturer is not liable for damage re-sulting from violation.
- The IP20 degree of protection (IEC/EN 60529) of the device is intended for use in a clean and dry environ-ment. Do not subject the device to mechanical and/or thermal loads that exceed the specified limits.
- The device complies with the EMC regulations for industrial areas (EMC class A). When using the device in residential areas, it may cause radio interference.
Intrinsic safety
- The device is approved for intrinsically safe (Ex i) circuits up to zone 0 (gas) and zone 20 (dust) in the Ex area. The safety technology values for intrinsically safe equipment and the connecting lines must be ob-served for the hook-up process (IEC/EC 60079-14) and the values specified in this installation note and/or the EU examination certificate must be observed.
- When carrying out measurements on the intrinsically safe side, observe the relevant regulations regarding the connection of intrinsically safe equipment. Use only these approved measuring devices in intrinsically safe circuits.
- If the device was used in circuits which are not intrinsically safe, it is forbidden to use it again in intrinsically safe circuits. Label the device clearly as being not intrinsically safe.
Installation in the Ex area (zone 2)

- Observe the specified conditions for use in potentially explosive areas! Install the device in a suitable, ap-proved housing that meets the requirements of IEC/EN 60079-15 and has at least IP54 protection. Also ob-serve the requirements of IEC/EN 60079-14.
- In zone 2 only connect or disconnect cables and adjust the DIP switch when the power is disconnected.
- In potentially explosive areas, only snap the device onto or off the pac-Bus 9294 or connect and disconnect the cables when the power is disconnected.
- The device must be stopped and immediately removed from the Ex area if it is damaged, was subject to an impermissible load, stored incorrectly or if it malfunctions.
Potentially dust-explosive areas
- The device is not suitable for installation in zone 22.
- If you nevertheless intend to use the device in zone 22, you must install it in a housing according to IEC/EN 60079-31. Observe the maximum surface temperatures in this case. Adhere to the requirements of IEC/EN 60079-14.
- Connection to the intrinsically safe circuit in areas with a danger of dust explosions (zone 20, 21 or 22) is only permitted if the equipment connected to this circuit is approved for this zone (e.g., category 1D, 2D or 3D).
Safety-related applications (SIL)
NOTE: When using the device in safety-related applications, observe the instructions in the safety manual available at r-stahl.com, as the requirements may differ for safety-related functions.
Short description
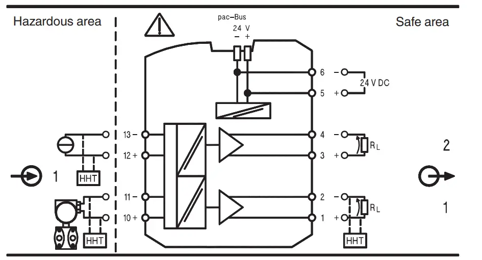
- The transmitter supply unit is designed for the operation of intrinsically safe (Ex i) measuring transducers and mA current sources installed in a potentially explosive area.
- 2-wire measuring transducers are supplied with energy.
- 4-wire measuring transducers and mA current sources can be operated via the non-feed input.
- The analog 0/4 … 20 mA measured value from the Ex area is transferred via two electrically isolated active out-puts to the non-Ex area.
- Output 1 is HART transparent.
- Output 2 does not transmit a HART signal.
- The analog measured value on the Ex or non-Ex side can be overlayed with digital (HART) communication sig-nals and transmitted bidirectionally.
Operating and indicating elements

- Green “PWR” LED, power supply
- Connection terminal blocks for the safe area (black/green)
- Connection terminal blocks for the Ex area (intrinsically safe Ex i, blue)
Installation
NOTE: Electrostatic discharge Take protective measures against electrostatic discharge before opening the front cover!
Connection notes
EN / UL 61010-1:
WARNING
- Provide for a switch/circuit-breaker in the vicinity of a device that is marked as disconnect device for this device.
- Provide overcurrent protection (I 16 A) within the installation.
- To protect the device against mechanical or electrical damage, install it in suitable housing with an appropriate degree of protection according to IEC/EN 60529.
- During maintenance work, disconnect the device from all effective power sources.
- If the device is not used as described in the documentation, the intended protection can be negatively affected.
- Thanks to its housing, the device has basic insulation to the neighboring devices, for 300 Veff. If sev-eral devices are installed next to each other, this has to be taken into account, and additional insula-tion has to be installed if necessary! If the neighboring device is equipped with basic insulation, no additional insulation is necessary.
- The voltages applied to the input, output, and power supply are extra-low voltages (ELV). Depending on the application, hazardous contact voltage (>30 V AC/>60 V DC) to ground may occur. Safe elec-trical isolation from the other connections exists for this case.

The device can be snapped onto all 35 mm DIN rails according to IEC/EN 60715. When using the 9294/31-12, first insert it to bridge the power supply.
NOTE: Please also observe the direction of the module and pac-Bus 9294 when snapping into position: snap-on foot at the top and connector on the left.
Power supply


The supply voltage can be supplied via terminal points 5 and 6 or via the pac-Bus 9294.
Supply via terminal set 9194/50-01
You can connect the supply voltage directly with the bus connector by way of the terminal set. Adhere to the maximum feed-in of 4 A.
Feed-in via supply module type 9193
Supply module type 9193 is used to feed in the supply voltage to the DIN rail bus connector.
Input (Ex i)
- Transmitter supply mode (2-conductor transmitter or 2-conductor measuring transducer) at terminal block 10 (+) and 11 (-)
- Input signal conditioner operation (4-wire transmitter or current sources) at terminal blocks 12 (+) and 13 (-)
HART communicators (HHT) can be connected as shown in the basic circuit diagram. Test sockets (diameter 2.3 mm) have been integrated for this purpose.
WARNING: Explosion hazard
Always adhere to the safety regulations (1.2. Intrinsic safety).
Output
Technical data

DIMENSION

ADDRESS: R. STAHL Schaltgeräte GmbH Am Bahnhof 30, 74638 Waldenburg, Germany
Tel: +49 7942 943-0
Fax: +49 7942 943-4333
Internet: r-stahl.com
E-Mail: [email protected]























