truma UltraRapid Hot Water System 
Truma UltraRapid

Installation example
1 Truma UltraRapid
2 Control panel
3 Drain valve
4 Pressure and Temperature Relief Valve (P&T relief valve) 5 Cowl for combustion air intake and exhaust gas discharge
Symbols used
- The device must only be installed and repaired by an licensed person.
- Symbol indicates a possible hazard.
- Note containing information and tips.
Model
- Truma UltraRapid Gas (BGA 14) from 01/2022
- Truma UltraRapid Gas/Electric (BGEA 14) from 01/2022
Technical data
- Protection type / protection class: IP21 / class I
- Water capacity: 14 litres
- Rated water pressure: 400 kPa
- Maximum working water pressure / temperature P&T relief valve setting: 500 kPa – 99 °C – 10 kW
- Type of gas: Universal LPG
- Test point pressure: 2.75 kPa
- Nominal heat input:: 5.2 MJ/h (HS)
- Nominal heat output: 1.2 kW
- Gas consumption: 5.2 MJ/h
- Injector size: 0.70 mm
- Heating up time from approx. 20 °C up to approx. 65 °C
- (14 litres)
- Gas operation: approx. 45 min.
- Electrical operation: approx. 40 min.
- Gas and electrical operation: approx. 28 min.
- Power consumption 12 V
- Ignition: 0.160 A
- Heating up: 0.12 A
- Stand-by: 0.05 A
- Power consumption 230 V / 240 V: Heating up: 5.7 A / 5.9 A, 1300 W / 1415 W
- Weight (empty) 14 litres
- BGA: with peripheral devices:
- BGEA: BGEA with peripheral devices:
- Water pressure reducer
- Flow range water: 0 – 10 litres/min.
- Maximum inlet pressure: 700 kPa
- Maximum outlet pressure: 200 kPa
Dimensions
Installation instructions
Installation must be performed by an authorised Service Australia recommended installer, service agency, or OEM. Improper installation, alteration, service, or maintenance can ause property damage, personal injury, or loss of life. This appliance shall be installed in accordance with the man- ufacturer’s installation instructions, local gas fitting regula- tions, municipal building codes, electrical wiring regulations, AS5601 “Gas Installations”, AS/NZS 3500.4 “Plumbing and Drainage Part 4: Heated Water Services” any other statutory regulations and water supply regulations. This appliance delivers hot water at temperatures exceeding 50 °C. Refer to AS/NZS 3500 and local regulations regarding the need for additional hot water delivery temperature control when hot water is supplied to sanitary fixtures primarily used for the purpose of personal hygiene. All electrical work and permanent wiring must be carrierd out by qualified person and in accordance with the standards AS/NZS 3000, AS/NZS 3001 and all local codes and regulato- ry authority requirements.
Data label
The data label is located on the top of the water heater and is designed as double type plate (duplicate) with removable bar code. If the type plate on the heater is not legible after the heater has been installed, the second type plate (duplicate) must be affixed to the appliance in a clearly visible location. The duplicate must only be used in conjunction with the original.This appliance is suitable for propane gas only, ensure that the available gas supply is suitable.
Intended use
This appliance has been designed for installation in caravans, motor caravans and other vehicles. It is not approved for installation in boats.
Regulations
Any modifications to the unit, including accessories and cowl, or the use of spare parts and accessories that are important to the operation of the system that are not original Truma parts and failure to follow the installation and operating instructions will void the warranty and release Truma from any liability claims. It also becomes illegal to use the appliance, and in some countries this even makes it illegal to use the vehicle. The operating pressure for the gas supply is 2.75 kPa (AUS – Propane) and must correspond to the operating pres-sure of the appliance (see data plate). After it has been installed, the device must be disconnected from the power supply. It can be disconnected by ensuring that the power plug is accessible or by installing a switch in the fixed power supply installation. When installing the appliance always observe the technical and administrative rules and regulations of the country in which the vehicle is to be registered for the first time!
Water heater kit
The water heater kit contains:
- 1 Assembled water heater
- 1 Hot water connector (12 mm rigid piping)
- 1 Cold water connector (12 mm rigid piping)
- 1 Drain valve (12 mm rigid piping)
- 1 Pressure reducer (12 mm rigid piping)
- 1 Wall switch (gas operation) with 9.0 m cable
- 1 Electric heating element (230 V / 240 V ) with 1.1 m mains cable – option –
- 1 Installation template
- 1 Set literature
- Additionally required:
- 1 Cowl assembly with screws
In order to guarantee complete emptying of the water, ongo-ing sealing tightness of the water connections and and safety functions, all enclosed parts must be used!
Choice of location
Always install the appliance in such a way that it is easily accessible (especially the test lever of the P&T relief valve) for service work at all times and can be easily removed and installed. Locate the heater in such a way that the cowl can be mount-ed on the outside on a surface which is as straight and smooth as possible. This outside surface must be exposed to wind from all di-rections and, if possible, there should be no trim strips or covers in this area, mount heater on an appropriate base, if necessary. The cowl must be placed in such a way that the exhaust gas cannot find its way into the vehicle interior. For this reason, choose a location where there are no opening windows, sky-lights or ventilation openings directly above the cowl or within 50 cm on either side. If this is not possible, a warning plate must be placed on the inside of the window (or skylight) stat-ing that it must be kept closed while the heater is operating. In this case refrigerator ventilations must be tight-sealed from the interior of the vehicle. Every permanently connected appliance in a recreational vehi-cle shall be controlled by a switch that is placed and marked so as to be readily identifiable and convenient for its intended use. AUS: Refer to AS5601 – Gas Installations, for location requirements of the flue terminal.
Installation dimensions


All dimensions in mm Installation of the water heater Position template for cowl opening on the inside of the wall. A = Bottom edge of heater B = Lateral edge of heater Drill 4 holes (C) with 10 mm dia. through the wall. Drill hole (E) with 15 mm dia. for condensation tube (also possible from the outside = F). Position template on the outside of the wall. The markings (C) must be above the through-holes. Saw cut-out section for cowl (D) 92 x 168 mm.
If the distance between outside wall and heater is more than 35 mm, you must use the cowl extension VBO 2 with an ad-ditional length of 50 mm. Saw out 100 x 176 mm along the dashed line. If there are any cavities in the area of the cowl, pack these with pieces of wood so as to be able to tighten the screws.

Cut out trim strips or such on the vehicle or place supports beneath them so as to make the cowl lie flat. Place a support beneath the heater if the walls are sloping. An angle of inclination of 10 degrees is not to be exceeded.
Insert heater with cowl body through the wall cut-out , allow approx. 5 mm to project out of the wall. Mount sealing frame the anti-twisting device en-sures correct fitting!). Pre-drill holes for the 6 fastening bolts

Remove sealing frame and coat with non-hardening mastic on the side facing the vehicle – do not use silicone! The sealing frame must be well sealed with respect to the front sides and the cross bars of the cowl body
as well as towards the outside wall! Fasten sealing frame to the cowl body using 4 self-tapping screws 
Screw the sealing frame together with the cowl body so the anti-twist device projects.
Seal the gap between the hole and the condensation tube with non-hardening mastic – do not use silicone! Mount the grille . Press the entire cowl assembly onto the vehicle wall and fasten with 6 screws . Screw the Truma UltraRapid securely to the floor of the vehicle with all three shackle plates and the additional sheets with the screws provided, B5.5 x 25, on suitable base (plywood panel, laminated wood strips or metal base).
Water connection
Instructions for a proper water system – All pressure and submergible waterpumps can be used for operating the water heater. In order to guarantee complete emptying of the water and to prevent pressures of greater than the maximum working water pressure occurring in the Truma UltraRapid, the enclosed pressure reducer, water connectors, drain valve (and : P&T relief valve must be used!
When using pressure pumps with high switching hysteresis, hot water may flow back through the cold water tap. To pre-vent backflow, we recommend that a non-return valve (nrv – not included in the scope of supply) be fitted between the outlet to the cold water tap and the drain valve. The supplied water connectors (and the drain valve have a 12 mm rigid piping connection (e. g. John Guest System). For connecting to rigid pipes with other diameters appropiate adapters (not included in scope of delivery) must be used.– Route water pipes so that they are as short and free of kinks as possible (hose connections must be secured using hose clamps – also for cold water! – pressures of up to 450 kPa can occur in the drain valve also with submergible pumps because of the heat of the water and the resulting expansion). All hot water pipes should be routed in a descending man-ner to the drain valve! Otherwise there is no guarantee of protection from frost!
Installation of the pressure reducer
Depending on the scope of supply pressure reducer A or B has to be installed. For characteristics of the pressure reducer – see „Water pressure reducer“ page 3.
- Pressure reducer A
The pressure reducer (Fig. 12-10) must be fitted between the drain valve and water pump in accordance with the direction of flow (indicated by arrow). Fasten the pressure reducer to the floor.
- Pressure reducer B
The pressure reducer (Fig. 13-10) must be fitted between the drain valve and water pump in accordance with the direction of flow (indicated by arrow).
Installation of the drain valve
Install the drain valve near to the water heater at a place which is easily accessible (Fig. 14-14). The drain valve must be installed lower than the cold water connection of the Truma UltraRapid. Drill a hole with 18 mm diameter and pass through the dis-charge tube. Fasten drain valve with two screws. The draining is to be directly to the outside at a position pro-tected against splash water (apply splash guard, if necessary).

Mounting of the discharge pipe
The discharge pipe (Fig. 15-23c) is to be installed directly to the outside at a position protected against splash water (apply splash guard, if necessary).
- There must be no tap, valve or other restrictions in the discharge pipe.
- The discharge pipe must not be connected to other piping.
- The discharge pipe must fall continously and free of kinks from the P&T relief valve to the point of discharge.
- The discharge pipe must not discharge into a safe tray.
- Drill a hole with 22 mm diameter and pass through the dis-charge pipe.
- Slide discharge pipe all the way onto the hose nozzle

Installation of the elbow water connectors
Push elbow fitting without aeration valve (Fig. 16-13) as far as possible onto the Truma UltraRapid cold water connection tube (lower tube), and push the elbow fitting with built-in aeration valve (Fig. 16-12) as far as possible onto the Truma UltraRapid hot water connection tube (upper tube). Pull in the opposite direction to check that the elbow fittings are securely attached. Slide venting hose with an outer diameter of 11 mm (Fig. 16-20) onto the hose nozzle of the aeration valve (Fig. 16-21) and route to the outside free of kinks. Radius of arc must not be less than 40 mm. Cut off the venting hose about 20 mm below the vehicle floor at a 45° angle to the direction of travel.
In industrial bulk packs the water connections are preinstalled and have to be tightened after the water pipes have been connected. Water pipe routing Connect drain valve (Fig. 11.-14) via a John Guest T- piece to the water line.
Connect cold water supply (Fig. 11.-15) via the pressure re-ducer (Fig. 11.-10) to the drain valve (Fig. 11.-14). Make a connection (Fig. 11.-16) for cold water supply be-tween drain valve (Fig. 11.-14) and elbow (Fig. 11.-13 – lower pipe) on water heater.
Gas connection
Refer to AS5601 – Gas Installations, for gas pipe sizing. The gas inlet connection is a SAE 45° Flare 1/2 – 20UNF type. For connection to 8 mm steel piping Truma povides an adapt-er UNF 1/2 in. x RVS 8, part no. 70020-02700.
Before connecting to the water heater make sure that the gas lines are free from dirt, chips and such! Route the pipes in such a way that the appliance can be removed again for servicing. Before starting up for the first time, verify the correct installa-tion in accordance to the requirements of AS5601 (check for gas leaks and check the gas pressure). Do not check for gas leaks with a naked flame.
Installation of the control panel gas
When using control panels which are specific to the vehicle or the manufacturer, the electrical connection must be established in accordance with the Truma interface descriptions (refer to Electrical connection 230 V / 240 V ). Any modification made to the Truma components pertaining to this will void the warranty and exclude any liability claims. The installer (manufacturer) is responsible for providing usage instructions for the user as well as for identification printing on the control panels. When selecting the location, bear in mind that the control panels must not be subjected to direct radiant heat. Length of connection cable 9 m.
Drill a hole with diameter 55 mm.
Plug the control panel cable (Fig. 18-28) to the control panel for gas operation (Fig. 18-26) and then fit on the rear cover cap (Fig. 18-29) as a stress-relieving device. Push the cable through to the rear and lay the connection cable (Fig. 18-28) to the Truma UltraRapid. Lay the connection cable with the orange multipole connec-tor (Fig. 18-28) to the 12 V control electronics unit (for con-nection refer to Electrical connection 12 V ). Secure control panel with 4 screws (Fig. 18.-31) and fit the cover frame (Fig. 18.-32) on it.
Electrical connection 12 V
Disconnect device from power supply before starting to work on electrical components. Switching off at the control panel is insufficient! The device must be disconnected from the on-board power supply when electric welding work is being carried out on the vehicle body. Reversing the polarity of the connections will result in a risk of cable fire. Any warranty or liability claims will also be invalidated. Push the control panel cable connector (Fig. 19-28a) onto the control board. In order to attach the cable (Fig. 19-28) securely, route it through the cable guide (Fig. 19-28b). The 12 V electrical connection is made at the clamp (Fig. 19-35).
- orange = positive 12 V
- blue = negative
This is done by pressing from above with a small screwdriver and pushing the cable in from the front. Connect to the fuse-protected on-board power supply (central electrical system 5 – 10 A) using a 2 x 1.5 mm² cable.
Connect negative line to main ground connection. For lengths of over 6 m, use a 2 x 2.5 mm² cable. If the equipment is con-nected directly to the battery, the positive and negative lines must be protected. Screw the cover (Fig. 19-34) back on. If necessary, remove the outer cable sheathing at the cover leadthrough. No other 12 V consumers must be connected to the supply line. The boiler fuse (Fig. 19-36), 1.6 A, (slow-acting) is on the control board. Fasten the electronics cover with screws (Fig. 19-34). Fig. 19 When power packs or power supply units are being used, note that the regulated output voltage is between 11 V and 15 V and the alternating current ripple is < 1.2 Vpp.
Electrical connection 230 V / 240 V – option –
All electrical work and permanent wiring must be car-ried out by a qualified person and in accordance with the standards AS/NZS 3000, AS/NZS 3001 and all local codes and regulatory authority requirements.
The electric heating element in the water heater is supplied with a device cable without a plug. If any cable (mains cable or device cable) is damaged, it must be replaced by the manufacturer, its service agent or similarly qualified persons in order to avoid a hazard. The electrical connection is only to be carried out by a licensed electrician. The information given here is not intended as information for the layman, rather it is to for as-sisting the assigned electrician, as additional information, when connecting the appliance! Always pay attention to connect carefully with the correct colours! For maintenance and repair work a disconnecting device must be provided on the vehicle for all-pole disconnection from the power supply, with at least 3.5 mm contact clearance. All cables must be secured with cable clips. Cables must be in accordance with the technical rules and regulations of the country in which the vehicle is to be registered for the first time. Electrical diagram of splitting box / switch
Function check
After installation, check water system and gas supply line for leaks in accordance with applicable local codes. Following this, check the function of the appliance as spec-ified in the operating instructions. In particular, check the
P&T relief valve by opening the test lever and that the water drains properly. Warranty claims for frost damage will not be accepted. Never operate the water heater without water. It is, however, possible to briefly check the electrical function without water. Always observe the operating instructions prior to operation! The operating instructions and completed warranty card are to be given to the owner of the vehicle.
Accessories
Cowl extension for wall thicknesses over 35 mm 70131-00 Cowl extension VBO 2 Fig. 21 Surface-mounting frame (not illustrated) 40000-52600
Truma UltraRapid spare parts

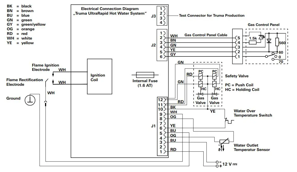
Wiring Diagram

In Australia, always notify the Service Australia if problems are encountered; in other countries the relevant service partners should be contacted (www.truma.com). Having the equipment model and the serial number ready (see type plate) will speed up processing. Leisure-Tec Australia Pty. Ltd. 50 Metrolink Circuit, Campbellfield, VIC 3061 Australia
- Service Australia
- Telephone: +61 1300 07 2018
- E-Mail: [email protected]






















