HAVIT HV3665T-BLK Luxe and Mia Wall Light

| Luxe & Mia Wall Light Installation Instructions | ||||
| Product Specifications | ||||
| Model No. | HV3661T-BLK | HV3661T-WHT | HV3665T-BLK | HV3665T-WHT |
| Name | Luxe | Mia | ||
| Material | Aluminium | |||
| Colour | Black | White | Black | White |
| IP Rating | IP54 | |||
| Protection Class | 1 240v Requires Earth | |||
| Input Voltage | 240v AC | |||
| Lamp Base | Built in LED | |||
| Lamp Wattage | 1x 9w | |||
| Colour Temp | TRI Colour – 3000k, 4000k, 5500k | |||
| Lumens | 400lm, 425lm, 500lm | |||
| CRI | > 80 | |||
| Wiring | Parallel | |||
| Dimmable | No | |||
| Warranty | 3 Years Replacement | |||
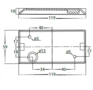
HV3661 Dimensions

HV3661 Mounting Base Dimensions

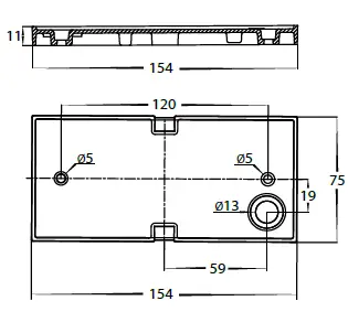
HV3665 Dimensions

HV3665 Mounting Base Dimensions

Important Safety Issues
- This product must be installed by a qualified electrician according to AS/NZS 3000.
- Ensure all electrical mains are disconnected before any installation.
- Modification of this product will void any warranty.
- Havit Lighting does not take responsibility for wrong installation, incorrect use, or use of installation material that does not belong to the system.
- Aluminum and 304SS fittings must not be installed within 5km of any salt water environments.
- All orings and seals must be in place correctly to maintain warranty
- This form may be updated at any time due to product improvements, please check online installation form for most current version.
Steps for Installation
- Make sure that the electrical circuit is free of voltage master switch off.
- Remove base plate from fitting.
- Loosen allen screws from side of fitting.
- Install base plate to wall in desired location using appropriate screws for application.
- Seal all holes including cable entry and around screws.
- Connect the cable – Use wire with earth; connect the earth first, then live and neutral wire.
- Fitting is preset to 3000k, to change slide switch located inside base of fitting to desired colour temperature.
- Reattach fitting to base plate making sure allen screws are tight to avoid any water penetration.
- Apply silicon around edge of fitting to prevent any water from getting inside to electrical connections.
- All connections must be carried out carefully, inspect all contacts before switching back on the electric circuit.
Must be installed by a licensed electrician
Contact Details
143 Beauchamp Road Matraville NSW 2036 Australia Tel: 02 9381 8300, Fax: 02 9666 8881, Email: [email protected] Web: www.havit.com.au
Warranty Terms & Conditions

Additional Information




















