
KVM105, KVM110, KVM115
INSTALLER AND USER’S MANUAL

v5.2
REV. 01/2022
SAFETY INSTRUCTIONS
ATTENTION:
This product is certified in accordance with European Community (EC) safety standards.
This product complies with Directive 2011/65/EU of the European Parliament and of the Council, of 8 June 2011, on the restriction of the use of certain hazardous substances in electrical and electronic equipment.
(Applicable in countries with recycling systems).
This marking on the product or literature indicates that the product and electronic accessories (eg. Charger, USB cable, electronic material, controls, etc.) should not be disposed of as other household waste at the end of its useful life. To avoid possible harm to the environment or human health resulting from the uncontrolled disposal
of waste, separate these items from other types of waste and recycle them responsibly to promote the sustainable reuse of material resources. Home users should contact the dealer where they purchased this product or the National Environment Agency for details on where and how they can take these items for environmentally safe recycling. Business users should contact their vendor and check the terms and conditions of the purchase agreement. This product and its electronic accessories should not be mixed with other commercial waste.
This marking indicates that the product and electronic accessories (eg. charger, USB cable, electronic material, controls, etc.) are susceptible to electric shock by direct or indirect contact with electricity. Be cautious when handling the product and observe all safety procedures in this manual.
GENERAL WARNINGS
- This manual contains very important safety and usage information. very important. Read all instructions carefully before beginning the installation/usage procedures and keep this manual in a safe place so that it can be consulted whenever necessary.
- This product is intended for use only as described in this manual. Any other enforcement or operation that is not mentioned is expressly prohibited, as it may damage the product and put people at risk causing serious injuries.
- This manual is intended firstly for specialized technicians and does not invalidate the user’s responsibility to read the “User Norms” section in order to ensure the correct functioning of the product.
- The installation and repair of this product may be done by qualified and specialized technicians, to assure every procedure is carried out in accordance with applicable rules and norms. Nonprofessional and inexperienced users are expressly prohibited from taking any action unless explicitly requested by specialized technicians to do so.
- Installations must be frequently inspected for unbalance and the wear signals of the cables, springs, hinges, wheels, supports, and other mechanical assembly parts.
- Do not use the product if it is necessary to repair or if an adjustment is required.
- When performing maintenance, cleaning, and replacement of parts, the product must be disconnected from the power supply. Also includes any operation that requires opening the product cover.
- The use, cleaning, and maintenance of this product may be carried out by any persons aged eight years old and over and persons whose physical, sensorial, or mental capacities are lower, or by persons without any knowledge of the product, provided that these are supervision and instructions given by persons with experience in terms of usage of the product in a safe manner and who understands the risks and dangers involved.
- Children shouldn’t play with the product or opening devices to avoid the motorized door or gate from being triggered involuntarily.
WARNINGS FOR TECHNICIANS
- Before beginning the installation procedures, make sure that you have all the devices and materials necessary to complete the installation of the product.
- You should note your Protection Index (IP) and operating temperature to ensure that is suitable for the installation site.
- Provide the manual of the product to the user and let them know how to handle it in an emergency.
- If the automatism is installed on a gate with a pedestrian door, a door locking mechanism must be installed while the gate is in motion.
- Do not install the product “upside down” or be supported by elements that do not support its weight. If necessary, add brackets at strategic points to ensure the safety of the automatism.
- Do not install the product on an explosive site.
- Safety devices must protect the possible crushing, cutting, transport, and danger areas of the motorized door or gate.
- Verify that the elements to be automated (gates, door, windows, blinds, etc.) are in perfect function, aligned, and level. Also, verify if the necessary mechanical stops are in the appropriate places.
- The center must be installed in a safe place from any fluid (rain, moisture, etc.), dust, and pests.
- You must route the various electrical cables through protective tubes, to protect them against mechanical exertions, essentially on the power supply cable. Please note that all the cables must enter the center from the bottom.
- If the automatism is to be installed at a height of more than 2,5m from the ground or other level of access, the minimum safety and health requirements for the use of work equipment workers at the work of Directive 2009/104/CE of European Parliament and of the Council of 16 September 2009.
- Attach the permanent label for the manual release as close as possible to the release mechanism.
- Disconnect means, such as a switch or circuit breaker on the electrical panel, must be provided on the product’s fixed power supply leads in accordance with the installation rules.
- If the product to be installed requires a power supply of 230Vac or 110Vac, ensure that the connection is to an electrical panel with a ground connection.
- The product is only powered by low voltage satisfy with central (only at 24V motors)
WARNINGS FOR USERS
- Keep this manual in a safe place to be consulted whenever necessary.
- If the product has contact with fluids without being prepared, it must immediately disconnect from the power supply to avoid short circuits, and consult a specialized technician.
- Ensure that technician has provided you with the product manual and informed you how to handle the product in an emergency.
- If the system requires any repair or modification, unlock the automatism, turn off the power, and do not use it until all safety conditions have been met.
- In the event of tripping of circuit breakers or fuse failure, locate the malfunction and solve it before resetting the circuit breaker or replacing the fuse. If the malfunction is not repairable consult this manual, and contact a technician.
- Keep the operation area of the motorized gate free while the gate is in motion, and do not create strength to the gate movement.
- Do not perform any operation on mechanical elements or hinges if the product is in motion.
RESPONSIBILITY
- Supplier disclaims any liability if:
- Product failure or deformation results from improper installation use or maintenance!
- Safety norms are not followed in the installation, use, and maintenance of the product.
- Instructions in this manual are not followed.
- Damaged is caused by unauthorized modifications
- In these cases, the warranty is voided.
SYMBOLS LEGEND:
![]() | • Important safety notices | ![]() | • Potentiometer information |
![]() | • Useful information | ![]() | • Connectors information |
![]() | • Programming information | ![]() | • Buttons information |
AUTOMATISM
KVM105, KVM110, AND KVM115
KVM105, KVM110, and KVM115 are spindle drive automatisms for sectional industrial door automation, with the possibility of horizontal or vertical application. The ease of installation, configuration, and maintenance make it ideal for all sectional doors.
TECHNICAL CHARACTERISTICS
| KVM105 | KVM110 | KVM1115 | |
| • Lubricant Type | Oil | ||
| • Noise | <55d B | ||
| • Chain Type | Standard chain | ||
| • Maximum limit of limit switches | 20 motor rotations | ||
| • Shaft Bore Diameter | Ø25,4mm | ||
| • Working temperature | -20-+45°C | ||
| • IP | I P54 | ||
| • Power Supply | 230V 50 Hz | 400V 50 Hz | |
| • Capacitor | 35µF | 39µF | – |
| • Power | 650W | 700W | 800W |
| • Force | 70Nm | 130Nm | 200Nm |
| • Working frequency | 25% | 20% | |
| • Thermal | 120°C | ||
| • Motor RPM | 1400 RPM | ||
| • Reducer RPM | 24 RPM | ||
| • Weight | 20Kg | 1,20Kg | 20,7Kg |
MANUAL OPENING / CLOSING
The automatism release system allows the user to open manually, in case of emergency and/or power cuts.
For that just have to pull the circular chain in one direction or another to proceed to the manual opening or closing as shown in the picture.

PACKAGE
In the kit you will find the following components:
| 01• 01 KVM Motor 02• 01 Control panel (with control board) 03• 01 Motor fixing plate 04• 01 Chain 05• 02 Protection ring | 06• 04 Motor fixing screws 07• 01 Dowel 08• 01 Cable Entry Sleeves 09• 01 Release System 10• 01 Shaft Reducer |

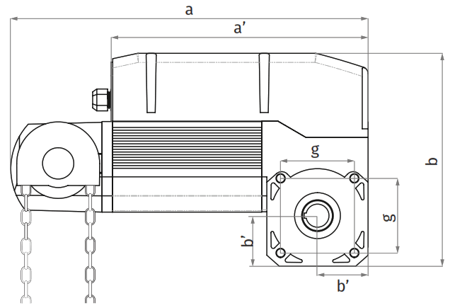
MOTOR AND CONTROL PANEL DIMENSIONS


| KVM 105 | KVM110 | KVM115 | |
| •Motor Dimensions (a x b x c) | 400x236x110 | 450x300x200 | 450x240x110 |
| •Reducer Width (c’) | 110 | 110 | 110 |
| •Total Motor Height (a) | 400 | 450 | 450 |
| •Control Panel Dimensions (d x e x f) | 170x200x100 | – | – |
| •Motor Depth (b) | 236 | 240 | 240 |
| •Total Height of Electronic Panel (a’) | 282 | 170 | 170 |
| •Distance to the center of reducer (:0) | 54 | 55 | 55 |
| •Distance between center of screws (g) | 83 | 83 | 83 |
INSTALLATION
AUTOMATISM INSTALLATION
The gearmotor must be installed in a protected area of shocks.- The fixation surface should be solid.
- Should be used accessories with the capacity to fix the engine to the surface.
- Install suitable tubes for the passage of electrical cables, to ensure complete protection against mechanical damage.
- The door structure must be resistant enough, with efficient hinges.
- There should be no friction between fixed parts and moving parts.
- ASSEMBLY THE SHAFT
Leave an excess of 350mm at the spring vein through the support. Insert a protection ring on the vein. - FIT MOTOR
Place the motor on the shaft of 3-10 cm left over from both sides. See detail A. - MARK THE HOLES
Place the plate on the motor without tightening completely.
Touch the plate on the wall and make markings. - DRILL THE HOLES
Remove the motor’s plate and make the drills to fixate the motor. - ATTACH MOTOR
Fix the plate on the wall and then fix it in the motor.
Put the protection ring on the vein, touch it to the motor and tighten.

FIX THE CONTROL PANEL ON THE WALL

MARK THE HOLES
Make a wall mark to a distance of 1500mm from the floor.
Put the base of the board box in the marking. Marks the drilling locals.
DRILL THE HOLES
Then proceed to the drillings.
ATTACH CONTROL BOARD
Apply the bushings and fix the board on the wall.
CONNECT CONTROL BOARD
Insert the wires through the inferior side of the board box. Put the box cover.
Close the cover and press the screws until the box is completely fixed.
ADJUSTMENT OF LIMIT SWITCHES
Screw A corresponds to general tuning and B is the fine-tuning screw.
Do not only use fine tuning if you want to make a full adjustment, this may damage the tuning rings.
General tuning is for full tuning and looping tuning rings.
Fine-tuning is in turn a detailed tuning on the tuning ring to achieve the most accurate tuning.

- Make sure the door is open and make sure about which is the opening limit switch.
- Loose the screw A opening micro (right ring) and adjust the ring until you hear the micro click. Turn to tighten the screw.

- Use now screw B to a more precise tuner of the limit-switch, tuning the plastic that active the micro.
- Make sure the door is closed and repeat the 2 and 3 processes (middle ring).

- On the last micro make an identical tuning on the opening micro so that it can be activated just before the opening finish.
If the motor operates in the opposite direction, you must change the connections that turn on the motor, inside the industrial box.
INSTALLATION MAP
INSTALLATION GUIDE

v5.2
REV. 01/2022
























