Guardian 928PRO SERIES GARAGE DOOR OPERATOR Owner’s Manual

Symbols and Icons
READ WARNINGS CAREFULLY to prevent SERIOUS INJURY or DEATH caused by electrocution or mechanical hazard.
WARNING: Beeps from built-in buzzer of the opener
Inventory

- Residential Jackshaft GDO
- Photo Eyes
- Remote Control
- Deluxe Door Control Console
- Collar
- Manual Release Cord
- Mounting Bracket
- Cable Tension Monitor
- Door Lock
- Manual
- Template GU-LOCK
Hardware Needed
INSTALLATION HARDWARE, LOCATED IN HARDWARE BAG* (SHOW ACTUAL SIZE 1:1)

Tools Needed

Prepare Your Garage Door
PREPARE for installation This operator is compatible with the following doors: – Sectional doors up to 14 feet (4.3 m) high. – Sectional doors up to 18 feet (5.5 m) wide. – Doors with 1″ diameter torsion bar and torsion springs with 4″ to 6″ drums. – Sectional high lift doors (up to 54 inches (137.2 cm) of high lift). – Doors with 12″ or 15″ radius tracks. – It is not compatible with reverse wound drums.
If the Cable Tension Monitor is not required (for example with a sectional high lift door), to disable the Cable Tension Monitor system, move the jumper to the right using a pair of needle nose pliers. With the cable tension monitor jumper in the disabled position, the operator will be able to run without a connected cable tension monitor. To return to cable tension monitor enabled mode, move the jumper to the left, connect the cable tension monitor and re-power the opener.
To test your garage door:
- Raise and lower the door to check it if there is any sticking or binding.
- Check for loose hinges, damaged rollers, frayed cables, and damaged or broken springs.
- Lift the door approximately halfway and release. The door should stay at that point under proper spring tension.
For California Residents
CAUTION: To be compliant with California SB969, this Garage Door Openers must be installed with battery backup kit.
WARNING: This product can expose you to chemicals including lead, that are known to the State of California to cause cancer, birth defects or other reproductive harm. For more information go to www.P65Warnings.ca.gov.
Safety Instructions
WARNING
To reduce the risk of severe injury or death:
- READ AND FOLLOW ALL INSTALLATION INSTRUCTIONS.
- Install only on a properly balanced garage door. An improperly balanced door has the potential to inflict severe injury. Have a qualified service person make repairs to cables, spring assemblies, and other hardware before installing the opener.
- Remove all ropes and remove or make inoperative all locks connected to the garage door before installing opener.
- Where possible, install the door opener 7 feet (2.13 m) or more above the floor. For products having an emergency release, the emergency release must be within reach, at least 6 feet above the floor and avoiding contact with vehicles to avoid accidental release. Cut the release cord to length.
- Do not connect the opener to source of power until instructed to do so.
- Locate the door control button: (a) within sight of door, (b) at a minimum height of 5 feet so small children are not able to reach it, and (c) away from all moving parts of the door.
- Install the Entrapment Warning Label next to the wall-mount control button in a prominent location. Install the emergency release safety label near the emergency release.
- After installing the opener, the door must reverse when it contacts a 1-1/2 inch (3.8 cm) high object (or a 2×4 board) laid flat on the floor.
- NEVER try to remove, loosen, move, or adjust garage door, cables, pulleys, brackets, and door springs. All are under EXTREME tension.
- To reduce the risk of injuries to persons use this operator only with residential sectional garage doors.
- When installed with a Smart Control, only enable the unattended operation feature when installed with a sectional door.
- To avoid SERIOUS PERSONAL INJURY or DEATH, disconnect ALL power, mains and battery, BEFORE performing ANY service activities.
- When installing or servicing the garage door opener, NEVER wear watches, rings or loose clothing, as these may be caught in the mechanism.
Assembly
WARNING
To prevent possible SERIOUS INJURY or DEATH, the collar MUST be properly tightened. The door may NOT reverse correctly or limits may be lost due to collar slip.
- Attach collar to the drive shaft assembly, align one of the set screws to the drive shaft hole. Notice that the side of the collar with the larger hole must be placed on the drive shaft, seated all the way on drive shaft assembly. Securely tighten the 2 square head set screws closest to the motor shaft by turning the screws 1/4 – 1/2 turn after making contact with the motor shaft, use a 3/8″ wrench or ratchet with a square 3/8″ (1.3 cm) or a 7/16″ 12-point socket. Make sure the screws are facing up and towards you, pull the manual release cable to disengage the motor clutch and rotate the drive shaft manually. Pull the emergency release to lock the motor again.
- Position the mounting bracket on the same side of collar. The mounting bracket may be fit on the opposite side if there is room. Screw the slotted side of the mounting bracket to the side panel leaving it a little loose.

WARNING
To prevent possible SERIOUS INJURY or DEATH:
- Concrete anchors MUST be used if mounting bracket into masonry.
- Never try to loosen, move or adjust garage door, springs, cables, pulleys, brackets or their hardware, ALL of which are under EXTREME tension.
- ALWAYS call a trained door systems technician if garage door binds, sticks or is out of balance. An unbalanced garage door might NOT reverse when required.
- Garage door opener MUST be mounted at a right angle to the torsion bar to avoid premature wear on the collar.
- If possible, use the manual release to disengage the door only when the garage door is closed. A damaged door or broken springs may cause an open door to fall unexpectedly.
- Clear persons and obstructions from the doorway before using the manual release.
- Close the garage door completely.
- Position power head on torsion bar and slide garage door opener, leaving a .25″ (.6 cm) minimum gap between the collar and the side rail bolt. Use a level to align garage door opener.
- When the garage door opener is properly aligned, mark the mounting bracket holes. If necessary, tighten collar screws on the torsion bar to hold garage door opener in place while marking holes.
NOTE: The garage door opener does not have to be flush to wall. - Remove the garage door opener from torsion bar. Drill 3/16 inch pilot holes at the marked locations. Drill through metal door rail plates if necessary.
- Slide the garage door opener back onto the torsion bar until pilot holes align with bracket.
- Tighten the 2 square head set screws on the torsion bar. For a hollow torsion bar, tighten screws 3/4 – 1 full turn after making contact with the bar. For a solid shaft torsion bar, tighten screws 1/4 – no more than 1/2 after making contact with the shaft. If installing on a keyed torsion bar, DO NOT tighten the screws into the keyway.
- Use the 1/4 – 10 x 50 mm (2) lag screws to fasten the mounting bracket to the wall. Use a level to make sure the opener is square to the shaft vertically and horizontally.
- Attach the manual release cord to the manual release cable. Cut the manual release handle cord, slide the handle on the rope and tie a knot. The handle must be within reach and at least 6 feet above the floor.

Installing Door Lock
The automatic door lock (GU-LOCK2) prevents manual operation of the door when fully closed.
- The lock must be mounted on the same side as the opener and within 10 ft. (3.05m) max of the operator. Measure 3 in. above the second roller from the bottom. Clean the outside of the track. Attach template and drill holes as shown on the template.
- Fasten door lock to the outside of garage door track with M6 x 20 mm (2) Phillips screws (provided).
- Run wire up wall to garage door opener. Use insulated staples to secure wire.
- Insert wire through the bottom of the garage door opener and plug the connector into a lock port on the garage door opener. Either connector port may be used.
A second door lock (Service Lock GU-LOCK2) can be installed on the other side of the door per the instructions above. Use the 26´ (8m) extension cable (GU-LOCKX) for the opposite side lock mount. See Replacement Parts in the back of the manual.

Installing Cable Tension Monitor
Note: Cable Tension Monitor is shipped for right side installation. If installed on the left side, remove the e-ring at the end of the roller, remove the roller and reassemble on the opposite side.
- Position cable tension monitor above the door and close to the drum.
- Make sure there are no obstructions that prevent cable tension monitor from closing completely when slack is detected.
- Roller must be mounted 2″ to 6″ (5-15 cm) from the bottom of the drum.
- Cable tension monitor roller must be placed 1/8″ to 1/4″ (3 to 6 mm) away from the cable.
- Mark and drill 3/16″ pilot holes for screws. Fasten cable tension monitor with 1/4 -10 x 50 mm (2) lag screw (provided).
A second cable tension monitor (GU-CTM) can be installed on the other side of the door. Unplug opener. Follow the above instructions. 26.2´ (8m) of wire is supplied with the GU-CTM. Cut the wire to the desired length. Strip and twist wires from each monitor (white/white, black/black) to form a twisted pair and insert into the CABLE MONITOR terminals.
Connecting Photo Eye Safety System
WARNING
To prevent possible SERIOUS INJURY or DEATH:
- Power MUST NOT be connected BEFORE Photo Eye Safety system is connected and aligned.
- The Opener will not operate until the Photo Eye Safety System is properly connected and aligned.
- Install the Photo Eyes NO higher than 6″ (15cm) above the floor. No part of garage door or other objects should obstruct the Photo Eye Safety System during door-closing.
About Photo Eye Safety System The Photo Eye Safety System provides protection against entrapment while the door is closing. When properly connected and aligned, the emitter Photo Eye emits an invisible infrared light beam while the sensor Photo Eye monitors that beam. If the beam is obstructed during door-closing, the entrapment protection will be triggered and the door will stop and reverse to the open position. The operator will beep for 20 times indicating an obstruction. Installing The Photo Eye Safety System
- Wall-mounting
- Place the Photo Eyes facing each other on each side of the garage door. Position the sensors so they are no higher than 6″ (15cm) above the floor.
Note: Wire lengths for operator-side and opposite-side photo-eyes. - Drill 3/16″ holes using the mounting holes on the Bracket as a template. Secure with #12 – 11 x 1.25″ Lag Screws.
- Adjust the position, loosen the wing nut, disassemble the Bracket and move the Photo Eye to the lower position on the holder.
- Place the Photo Eyes facing each other on each side of the garage door. Position the sensors so they are no higher than 6″ (15cm) above the floor.
- Alternative Floor-mounting.
- Place the Photo Eyes facing each other on each side of the garage door.
- If attaching to concrete, secure the photo eyes using concrete anchors and bolts (not provided).
- If necessary, align the Photo Eyes by loosening the wing nut.

Connecting Deluxe Door Control Console
WARNING
To prevent possible SERIOUS INJURY or DEATH.
- Power MUST NOT be connected until instructed. To prevent SERIOUS INJURY or DEATH from using the Deluxe Door Control Console and a closing door:
- Install the Deluxe Door Control Console or Push Button within sight of the door at a minimum height of 5 feet (1.5m) above the floor. Make sure it is out of the reach of children and moving parts of door and hardware.
- NEVER permit children to access the Deluxe Door Control Console, or Remote Controls.
- Operate the door ONLY when it is adjusted properly with no obstructions present and is in clear sight.
- ALWAYS keep a moving door in sight until it’s completely closed.
- NEVER cross the path of a moving door.
The Deluxe Door Control Console is a wired, illuminated door control placed inside your garage.
To install the Deluxe Door Control Console:
- Connect the plug from the Deluxe Door Control Console to the “Wall Panel” outlet on the control panel of the opener. Run bell wire to location where console will be mounted.
- Fasten white wire to U+ terminal. Fasten striped wire to U- terminal.
- Lift the large actuator cover on door the control console and the upper screw post is exposed. Position the deluxe door control console at minimum height of 5 feet (1.5m) above the floor to keep out of the reach of children, within sight of door and free from any moving parts on the door. Mark the position of both upper screw post and lower screw hole on the deluxe door control console. Fasten the bottom screw to a solid surface with #6 x 1 – 3/8″ screws. If attaching to drywall or other hollow surface, drill 3/16″ holes and use the provided drywall anchors. Align the bottom hole with the bottom screw, slide the door control down into place. Secure the deluxe door control console with the upper screw. Flip down the actuator cover back into place.

Motion Activated Security Lighting
Using the Deluxe Door Control ONLY after Installation is completed.
Buttons | Operation |
![]() | Door – Press and release to open/close the door. |
![]() Vacation Lock | Press and hold to activate/deactivate motion sensing security lighting. Turns the courtesy light on/off. |
![]() | Unlock – Door can be accessed by either Door button or controls. |
![]() | Lock – Prevent access of door by any controls and Door button. |


Security lighting is activated and remains on for 4.5 minutes when garage door opener is operated.
Motion sensing is turned on by default and will activate security lighting when motion is detected within the garage. Security lighting will remain illuminated for 4.5 minutes or for as long as there is motion in the garage.
Note – if you wish to turn off security lighting when motion sensing is activated press the “LIGHT” button and security lighting will turn off and remain off for 25 seconds. If motion is detected after 25 seconds, security lighting will turn on.*
To deactivate motion sensing: Press and hold “LIGHT” button for 2 seconds. The power head will beep once to indicate motion sensing has been deactivated. To active motion sensing: Press and hold “LIGHT” button for 2 seconds. The power head will beep 3x to indicate motion sensing has been activated.
Connecting Power
WARNING
To prevent possible FROM ELECTROCUTION or FIRE:
- Power MUST be DISCONNECTED BEFORE proceeding with permanent wiring procedures.
- Garage Door Opener installation and wiring MUST be in compliance with all local electrical and building codes. Make sure the Opener is ALWAYS grounded.
- NEVER use an extension cord, 2-wire adapter or modify the power plug in any way to make it fit the outlet.
DO NOT OPERATE OPENER AT THIS TIME
To Connect Power:
- Plug the Opener into a grounded outlet ONLY. If there is no grounded outlet present, call a qualified electrician to replace the outlet.
Permanent Wiring (If required by Local Code):
- Be sure power is not connected to the opener, disconnect power to circuit.
- Move the garage opener form the torsion bar, remove cover screws and set the cover aside.
- Cut wire 6″ (15.2 cm) above the strain relief.
- Remove LED Lamp Plate by removing the two screws. Disconnect the cable of the LED Lamp Plate from the LED module.
Using pliers, squeeze stand ups on the PCB Board, disconnect all connections and remove the PCB Board, set aside. Using pliers, squeeze stand ups on the LED module, disconnect the power cable and remove the LED module, set aside. - Squeeze strain relief and push into garage door opener, then remove strain from wire.
- Install 1/2. NPT, flex cable adapter (not provided) or other suitable connector into chassis. (Adhere to local electrical code(s) and regulations). Reinstall garage door opener to torsion bar.
- Takes wires through conduit, cut to proper length and strip insulation.
- Take the pair of black wires from the transformer, strip 1/2 “(1.3 cm) of insulation from the existing black with black (black / black) and white with black (white / black) wires.
- Connect the line to the black wire and neutral to wire with wire nuts (not provided). Connect ground wire to green ground screw.
- Properly secure wires under plastic ties so that they do not come into contact with moving parts.
- Reinstall PCB Board, Led Lamp Plate and LED module.
- Reinstall cover.

To Align Photo Eye Safety System
- When the photo eye safety system is properly aligned green LED (emitter) will emit a steady green light and the red LED (sensor) will emit a steady red light. The path of the invisible light beam MUST NOT be obstructed. No part of the garage door or any hardware should interfere or block either sensor.
- Green LED (emitter) will flash until it is aligned with red LED (sensor). Red LED will not illuminate until it is aligned with green LED. The emitter generates the invisible light beam, and the sensor receives the invisible light beam.

Travel Limit Adjustment UP
WARNING
To prevent SERIOUS INJURY or DEATH from improper Force Adjustment:
- DO NOT adjust force manually to compensate for binding or sticking of the garage door. Call a qualified garage door service technician to make necessary adjustments in case of binding.
- DO NOT manually increase the force required for closing the door.
- After ANY adjustments, Safety Reversal Test MUST be performed to ensure the door reverses on contact with a 1-1/2 inch (3.8 cm) high object (2×4 laid flat).
NOTICE: Travel limits and auto force setting must be set for the opener to work. About Travel Limit Adjustment Limit Adjustments regulate the fully-open (UP limit) position and fully-closed (DOWN limit) position, at which the door will stop when opening and closing. Setting UP Limit
- Press “LIMIT” button once to enter Travel Limit Adjustment. “UP” indicator (green) will turn on*.
NOTE: Once you have pressed and released the “Limit” button, the “UP” light will stay for 20 seconds for you to press the “UP” button and begin programming. If the “UP” light goes out before you are finished you need to start over. - Press & hold the “UP” button, the door travels up. You may use both “UP” or “DOWN” buttons to toggle the door to the desired UP limit position. Make sure there is enough clearance for your vehicle(s).
- Once the door is at the desired UP limit position, press “LIMIT” button once, “OK” indicator (orange) flashes and goes off. The UP limit is set.

Travel Limit Adjustment DOWN
WARNING
To prevent SERIOUS INJURY or DEATH from improper Force Adjustment:
- DO NOT adjust force to compensate binding or sticking of the garage door. Call a qualified garage door service person to make necessary adjustments in case of binding.
- DO NOT increase force beyond minimum force required for closing the door. Too much force will cause improper operation of safety reversal mechanism.
- After ANY adjustments, Safety Reverse Test MUST be performed to ensure the door reverses on contact with a 1.5″ high object (2×4 laid flat).
CAUTION: WHILE SETTING THE DOWN LIMIT, CAREFULLY WATCH DOOR TRAVEL DISTANCE. RELEASE BUTTON WHEN THE DOOR MAKES CONTACT WITH THE GROUND! Setting DOWN Limit
- Press “LIMIT” button twice to enter DOWN-limit setting. “DOWN” indicator (red) will turn on.
NOTE: Once you have pressed and released the “LIMIT” button, it will stay for 20 seconds for you to press the “DOWN” button and begin programming. If the “DOWN” light goes out before you are finished you need to start over. - Press & hold the “DOWN” button, the door travels down. You may use both “UP” or “DOWN” buttons to toggle the door to the desired DOWN limit position.
- Once the door is at the desired DOWN limit position, press “LIMIT” button once, “OK” indicator (orange) flashes and goes off. DOWN limit is set. Both “UP” and “DOWN” (green and red) indicators are now on, indicating that both UP and DOWN limits are set, and the opener is ready for Auto Force Adjustment.

Auto Force Adjustment
WARNING
To prevent possible SERIOUS INJURY or DEATH:
- DO NOT adjust force to compensate binding or sticking of the garage door. Call a qualified garage door service technician to make necessary adjustments in case of binding.
- DO NOT increase force beyond minimum force required for closing the door. Too much force will cause improper operation of safety reversal mechanism.
- After ANY adjustments, Safety Reverse Test MUST be performed to ensure the door reverses on contact with a 1.5″ high object (2×4 laid flat).
Following the limit-setting, the unit is now ready to automatically adjust the forces for opening and closing the door. Proceed with the following steps to complete adjustment.
- With both “UP” and “DOWN” indicators ON, after Travel Limit Adjustment, press the “FORCE” button once to enter Auto Force Adjustment. The door will travel up automatically (image 1) and stop at UP limit for 2 seconds (image 2). Door will then travel down
automatically (image 3) and stop at down limit (image 4). - The “OK” indicator (orange) will flash, three beeps will be heard, indicating the completion of the Auto Force Learn sequence. The limit and force programming has been completed.

Final Adjustments and Testing
WARNING
To prevent SERIOUS INJURY or DEATH from a closing garage door:
- The Safety Reversal Test MUST be conducted ONCE A MONTH.
- NO ONE should cross the path of and moving door during operation and/or testing.
- After ANY adjustments to the door system, the Safety Reversal Test MUST be performed to ensure the door reverses on contact with a 1-1/2 inch (3.8 cm) thick (2×4 laid flat) object.
- The Photo Eye Safety System MUST be properly aligned, and tested regularly.
Testing the Safety Reverse System
The Safety Reverse System prevents the door from closing when an obstruction is present.
- Open the door by using the Door Control Console.
- Place a 1-1/2″ (3.8cm) thick solid object (or 2×4 laid flat) on floor under the center of garage door.
- Keeping the door in sight, use the Door Control Console to close the door.
- The door MUST REVERSE and beep within 1.5 seconds upon striking the object , and stop at the full open position.
- The Safety Reverse System works properly and the opener is ready to use.
If the door fails to reverse upon contact with obstruction, adjust the Opener as follows:
The travel distance maybe inadequate, slightly increase the DOWN limit.
Conduct the test again. If the door reverses on contact, remove the object and run at least 3 COMPLETE travel cycles to ensure proper adjustment. If the opener still fails the Safety Reverse Test, call a qualified technician for door adjustment.

Testing the Photo Eye Safety System
- Open the door by using the Door Control Console.
- Make sure both Photo Eyes steadily emit the green and red indicator lights. (If not, check alignment).
- Place an object under the door about 8″ (20cm) high by 12″ (30cm) wide (the opener carton can be used).
- The green indicator light on the emitter eye should flash.
- The red indicator light on the sensor eye should be dimmed.
- Keep the door in sight and use the Door Control Console to try to close the door.
- The door should NOT move more than 1″ (2.5cm) and the opener will beep 20 times.

Programming Remote Controls
WARNING
To prevent possible SERIOUS INJURY or DEATH:
- Keep remote control and battery out of reach of children.
- NEVER permit children to access the Deluxe Door Control Console or Remote Controls.
- Operate the door ONLY when it is properly adjusted, and there are no obstructions present.
- ALWAYS keep a moving door in sight until completely closed.
- NEVER cross the path of a moving door.
To reduce risk of fire, explosion or electric shock:
- DO NOT short circuit, recharge, disassemble or heat the battery.
- Dispose of batteries properly.
To Program Remote Control (s):
- Press/release the “LEARN” button once on the control panel, “OK” LED will glow and beep. The unit is now ready to
accept a remote control in the next 30 seconds. - Press/release any desired button on the Remote Control.
- The “OK” LED will flash and beep twice indicating Remote Control is stored successfully.
Up to 20 Remote Controls (including wireless keypad codes) can be added to the unit by repeating the above procedures. If more than 20 Remote Controls are stored, the first stored Remote Control will be replaced. (i.e. the 21st Remote Control replaces the 1st stored Remote Control). Removing ALL Remote Controls:
To remove ALL Remote Controls from memory, press and hold the “LEARN” button for 3 seconds. The “OK” LED will flash and beep 3 times indicating ALL Remote Controls have been removed from memory.

Replacing Remote Control Battery:
When the battery of the Remote Control is low, indicator light will become dim and /or the range of the Remote Control will decrease. To replace the battery, pry open the Remote Control using the visor clip or small screwdriver. Replace with a CR2032 battery. Snap the housing back together.

This device complies FCC Rules for HOME OR OFFICE USE. Operation is subject to the following two conditions:
- This device may not cause harmful interference, and
- This device must accept any interference received, including interference that may cause undesired operation.
Important Safety Instructions
IMPORTANT SAFETY INSTRUCTIONS WARNING
To reduce the risk of severe injury or death:
- READ AND FOLLOW ALL INSTRUCTIONS.
- Never let children operate or play with door controls. Keep the remote control away from children.
- Always keep the moving door in sight and away from people and objects until it is completely closed. NO ONE SHOULD CROSS THE PATH OF THE MOVING DOOR.
- NEVER GO UNDER A STOPPED, PARTIALLY OPEN DOOR.
- Test door opener monthly. The garage door MUST reverse on contact with a 1-1/2-inch high object (or a 2 by 4 board laid flat) on the floor. After adjusting either the force or the limit of travel, retest the door opener. Failure to adjust the opener properly increases the risk of severe injury or death.
- Use the emergency release only when the door is closed. Use caution when using this release with the door open. Weak or broken springs are capable of increasing the rate of door closure and increasing the risk of severe injury or death.
- KEEP GARAGE DOORS PROPERLY BALANCED. See owner’s manual. An improperly balanced door increases the risk of severe injury or death. Have a qualified service technician make repairs to cables, spring assemblies, and other hardware.
Operating the Opener
WARNING
To Prevent SERIOUS INJURY or DEATH:
- READ AND FOLLOW ALL INSTRUCTIONS AND WARNINGS IN THE OWNER’S MANUAL AND LABELS.
- Keep Remote Control and battery out of reach of children.
- NEVER permit children to access the Door Control Console, Push Button or Remote Controls.
- Operate the door ONLY when it is properly adjusted, and there are no obstructions and is in clear sight.
- ALWAYS keep a moving door in sight until completely closed. NEVER cross the path of a moving door.
- If Travel Limit adjustments are made, a Force Adjustment may also be needed.
- After ANY adjustments, the Safety Reverse Test MUST be performed to ensure the door reverses on contact with a 1-1/2″ thick object (2×4 laid flat).
- ALWAYS ensure that your door is balanced and in good working condition.

| Controls | Operation |
![]() | Press and release the large “ACTUATOR” button on the door control, the door will begin to move the door as follows:
|
![]() | Remote distance up to 100 feet in open field. For safety concerns, the handheld remote control WILL NOT work if the photo eye safety system is not properly installed and aligned or if vacation lock is activated. |
Operating the Opener
WARNING
To prevent SERIOUS INJURY or DEATH:
- Use emergency release to disconnect the motor ONLY when the door is CLOSED to prevent unexpected rapid falling in case of a unbalanced / poor-conditioned door.
- Use emergency release ONLY when doorway is clear of persons and obstructions.
- DO NOT use emergency release to pull the door open or closed.
Door Status vs. Activation
| Door Status | Activation Using Door Control / Remote Control. |
| Door at fully open / close position | Door will move to fully close / open position. |
| Door is closing | Door will stop. Upon next activation door will reverse to fully open position. |
| Door is opening | Door will stop. Upon next activation door will continue to open if door is below the electronic limit reference point or close if above the limit reference point. |
| Door is obstructed while closing | Door will reverse and beep x 25. |
| Door is obstructed while opening | Door will stop and beep x 25. |
| Door is fully opened and photo eye safety system is obstructed | Door will not close and beep x 20. |
Courtesy Light / Buzzer Responses
| Operation / Condition | Courtesy Light / Buzzer Responses |
| Opener is initially plugged-in (no travel limits stored see page 14-16) | UP and DOWN indicators blink 5 times |
| Reconnecting power (with travel limits stored) | Light On for 4.5 minutes |
| “LEARN” button is pressed | Beep x 1, OK indicator glows |
| Upon activation | Light on for 4.5 minutes |
| Upon activation by remote controls | Beep x 1, Light on for 4.5 minutes |
| Remote control / keyless entry PIN code stored successfully | Beep x 2 |
| Photo eye safety system is obstructed during door-closing | Beep x 20 |
| The door is obstructed during travel | Beep x 25 |
| Door travels with abnormal speed | Beep x 12 (1 beep / second) |
| The cable tension monitor detects slack that may occur in the cables | Beep x 13 |
| The automatic lock door (GU-LOCK2) is disconnected or damaged | Beep x 7 |
| Opener is operated without programming | Beep x 5 |
Installing Battery Backup
WARNING
To reduce the risk of FIRE or INJURY to persons:
- Disconnect ALL electric and battery power BEFORE performing ANY service or maintenance.
- Use ONLY Guardian part for replacement battery.
- DO NOT dispose of battery in fire. Battery may explode. Check with local codes for disposal instructions.
- ALWAYS wear protective gloves and eye protection when changing the battery or working around the battery compartment.
Install the Battery Backup
- Unplug the garage door opener.
- Unscrew the #10-32” screws (2).
- Fasten the battery bracket to the garage door opener using #10-32” screws (2).
- Connect battery back up wire to the corresponding terminal on the garage door opener.
- Slide battery back up onto the bracket and fasten with a #10 -32” screw.
- Insert the battery into the compartment and connect the red wire (light gray) to the (+) terminal and the black wire to the (-) terminal.
- Place the battery in a vertical position with the terminals facing up.
- Install battery cover and plug in garage door opener. Battery and Status Indicator

To comply with CA SB-969, installation of the B5 A928 battery backup is mandatory in the state of California.
Maintenance
| Schedule | Maintenance |
| Once a month | Door balance test, refer to page 4. |
| Twice a year | Safety reversal test, refer to page 17. |
| Once a year |
|
Replacement Parts

| Part number | Name/Description | |
| 1 | B5A928 | 12V, 5Ah Battery, Enclosure & Hardware Kit |
| 2 | GUAT-201 | Photo Eyes |
| 3 | D3B | Remote Control |
| 4 | 3-FDCC | Deluxe Door Control Console |
| 5 | GUDT-354 | Collar |
| 6 | GUDT-355 | Mounting Bracket |
| 7 | GU-CTM | Cable Tension Monitor |
| 8 | GU-LOCK2 | Door Lock |
| 9 | GUDT-358 | Emergency Release Cord with Knob |
| 10 | GUDT-360 | Hardware Bag |
| 11 | GUTD-359 | 12V, 5Ah battery |
| 12 | GU-LOCKX | Service lock extension cable, 8m |
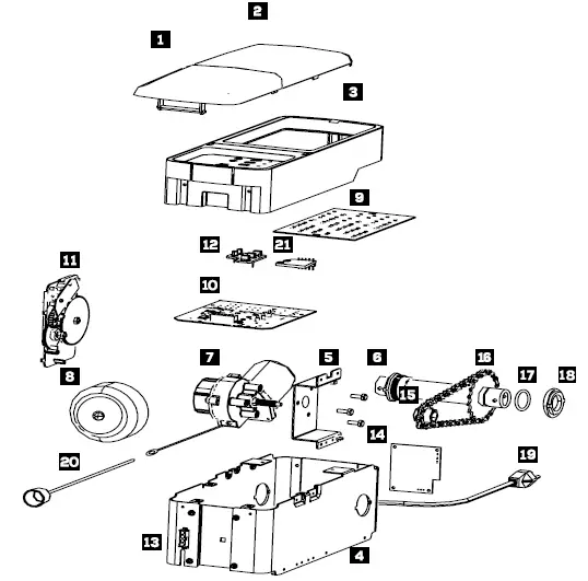
Opener Assembly Parts

| Part number | Name/ Description | ||
| 1 | GUDT-366 | Control Panel Cover | |
| 2 | GUDT-367 | Light Lens | |
| 3 | GUDT-368 | Chassis Cover | |
| 4 | GUDT-369 | Chassis | |
| 5 | GUDT-373 | Motor Mounting Bracket | |
| 6 | GUDT-374 | Drive Shaft Assembly | |
| 7 | GUDT-375 | Motor & Clutch Assembly | |
| 8 | GUDT-376 | Transformer | |
| 9 | GUDT-377 | LED Lamp Plate | |
| 10 | GUDT-378 | Receiver/logic board | |
| 11 | GUDT-379 | Limit Encoder | |
| Part number | Name/ Description | ||
| 12 | GUDT-381 | Button Membrane | |
| 13 | GUDT-382 | Battery Backup Connector/ Terminal | |
| 14 | GUDT-383 | LED Driver Board | |
| 15 | GUDT-384 | Drive Sprocket | |
| 16 | GUDT-385 | Drive Chain | |
| 17 | GUDT-386 | C-clip | |
| 18 | GUDT-387 | Bushings (2) | |
| 19 | GUDT-388 | Power Cord | |
| 20 | GUDT-358 | Emergency Release Cord | |
| 21 | GUDT-361 | Motion Sensor | |
Warranty
Manufacturer hereby warrants to the original purchaser, for initial residence in which it is installed:
- For residential applications only, Garage Door Operators to be free from defects in material and workmanship for a period of five (5) years from date of purchase. The motor is to be free from defects in materials and workmanship for the lifetime operator. Battery backup and accessories are to be from detects in materials and workmanship for a period of (1) one year from date of purchase. If installed in a light-duty commercial application the operator to be free of defects and workmanship for a period of 2 years.
- Where the garage door operator has need to be returned to the Manufacturer for Warranty repairs, all costs incurred in the return will be paid for by the purchaser. Call 1-424-272-6998 prior to dismantling the product. If in the opinion of the Manufacturer the product is faulty, all defective parts will be replaced at no charge to the purchaser.
- Proof of purchase must be given to the Manufacturer at time of Warranty claim.
- The Manufacturer reserves the right to modify any existing or future products without incurring any obligation to incorporate such modification to products already manufactured or to which this Warranty may relate.
- Warranty only applies if this product has been installed, tested, operated, and maintained per the Manufacturer’s instructions. Failure to comply with instructions will void the warranty in its entirety.
- This Warranty does not apply to any defect (including defects in component parts or accessories), loss or damage arising or caused directly or indirectly by or as a result of:
- The failure to carry out normal preventive maintenance or adjustment itself
- Any additional damage or deterioration arising from attributable to the operation of the Operator after it is known to be
defective
- Not included in Warranty:
- Batteries
- Fuses
- Sensitivity adjustment
- Handheld Remote Controls and receiver range
- Note: All Warranties will be void subject to:
- Water damage and condensation
- Power supply black out or surge
- Act of God
- Modification or adjustment by unauthorized persons
- Any interference from radio (including citizen band radios or and other electronic device)
- Preventative maintenance and regular servicing not undertaken
- Account not paid in full by the purchaser
- Subject only to the provisions of the Trade Practices Act and any legislation of the State or Territory wherein the operators of the Manufacturer have been sold or installed (which may confer certain rights on consumers of goods and those rights by such legislation may be rendered incapable of exclusion) this Warranty supersedes and excludes all representations, warranties and conditions whether expressed or implied by law and the Manufacturer shall have no liability or otherwise than herein provided for any loss and damage
(including consequential loss and damage, loss of use or profits) by reasons of delay, defective or faulty materials or workmanship, negligence or any act, matter or thing done permitted or omitted to be done by the Manufacturer.
Warranty
THIS WARRANTY FORM SHOULD BE COMPLETED AT TIME OF INSTALLATION
This Warranty Form should be retained by the purchaser at all times and produced with the purchase docket by the Purchaser as proof of the purchase date ___________________________________
PURCHASER’S NAME:_______________________________________________
PURCHASER’S ADDRESS:____________________________________________ INSTALLED BY:____________________________________________________ SERIAL NUMBER OF THE OPERATOR: __________________________________
Guardian Service
Your operator has been installed by a professional installation specialist. If service information is required please contact the installing company or your local Guardian dealer. Look for your Guardian dealer on line, in the yellow pages or call our service number for a dealer near you.
Guardian Technical Service: 1-424-272-6998
Please have the following information when you call:
- Model number of the operator.
- Serial number of the operator located on the label on the side of the opener.






















