ECO GARAGE DOOR DCS2 Guardian Sectional Garage Door Opener

Read and Follow These Important Safety Instructions
You will see Warning and Caution statements on the following Pages.
Read and follow these safety instructions carefully. Failure to do so could result in serious personal injury or death.
A warning means that severe injury or death may result from failure to follow instructions
Caution means that property damage or injury may result from failure to follow instructions
- Be sure to read and follow all instructions carefully.
- To reduce the risk of electric shock, this equipment has a grounding-type plug, that has a third (grounding) pin. This plug will only fit into a grounding-type outlet. If the Plug does not fit into the outlet, contact a qualified electrician to install the proper outlet. Do not change the plug in any way.
- Check to make sure the garage door is properly installed and balanced. Garage door & parts are under extreme tension and under no circumstance should you attempt to adjust on your own. Have a qualified garage door service person make repairs to cables, spring and other hardware before installing the opener.
- Install Entrapment Warning Label next to the control button. Read the Control Adjustment Warning Label. Install Emergency Release Tag to the Emergency Release Cord. Mount the Emergency Release Knob 180cm from the floor. Use the manual release only to disengage the trolley. Do not use the Red Release Cord and Knob to pull the door up or down. If possible, use the Emergency Release only when the door is closed.
- Do not connect the opener to the power source until instructed. Install door opener 210cm or more above the floor.
- After installing the opener, the door must reverse when it comes in contact with a 5cm high object. Check this safety feature often.
- REMOVE ALL ROPES CONNECTED TO THE GARAGE DOOR.
- DISENGAGE ALL EXISTING GARAGE DOOR LOCKS TO AVOID DAMAGE TO THE GARAGE DOOR.
- Fiberglass, aluminum and steel doors must be reinforced to prevent damage. Consult with the manufacturer for recommendations.
- All installation and wiring must be done in strict compliance with local and state building and electrical codes. Connect the power cord to a properly grounded outlet only. Do not in any way alter or remove the grounding pin. Photo Eye System must be installed properly. Guardian Operators recommend Photo Eye System is installed on every garage door for your added protection. Opening doors must not close and Closing doors must open once the beam is broken. See the test procedure page 13 and page 14.
- Locate push button within sight of garage door, away from all moving parts and out of reach of children (minimum 150cm above floor). To reduce the risk of injury to persons, use this operator only with a sectional door.
- Never operate the opener if the system is not operating properly.
- Always disconnect electric power before making repairs or removing the cover.
- Activate opener only when the door is in full view and free from obstructions.
- No one should enter or leave the garage while the door is moving. Do not allow children to play near, or operate the door. Keep the remote control away from children.
- After Installation is complete fasten this manual near the garage door. Perform periodic safety checks and recommended maintenance and adjustments.
- NEVER GO UNDER A STOPPED, PARTIALLY OPEN DOOR.
- Test door opener monthly. The garage door MUST reverse on contact with a 5cm high object (or a two by 4 board laid flat) on the floor. After adjusting either the force or the limit of travel, retest the door opener. Failure to adjust the opener properly increases the risk of severe injury or death.
- For products having an emergency release, when possible, use the emergency release only when the door is closed. Use caution when using this release with the door open. Weak or broken springs are capable of increasing the rate of door closure and increasing the risk of severe injury or death.
- KEEP GARAGE DOORS PROPERLY BALANCED. See ownerʼs manual. An improperly balanced door increases the risk of severe injury or death. Have a qualified service person make repairs to cables, spring assemblies, and other hardware.
- SAVE THESE INSTRUCTIONS.
Product Features
- Motor: Permanent Magnet Direct Current 24V DC Brush Motor.
- Opener Lights: Turn on and off automatically with 2.5 minutes of illumination for your safety and convenience.
- Sensing System: A built-in sensing system detects obstructions during door operation. If in the Downward (close) travel mode, the Opener will sense an obstruction and reverse to the full open position. In the Open mode, the Opener will stop. In both cases the operator will beep continuously for 20 seconds. Since all doors are different, the Sensing System has independent adjustments for customizing the level of force for the normal opening and closing of a specific door.
- Close Limit Switch: In the winter months itʼs common for small pieces of ice or packed snow to be trapped under the door. Ground swelling may also effect the close limit setting of the Opener. The Close Limit Switch overrides the Sensing System under the last one (5) cm of closing travel and prevents the door from reversing if it encounters an obstruction at this point. In case, itʼs about time to shovel the snow or re-adjust the close limit higher.
- Emergency Release: A pull cord allows manual disconnect and operation of door during power failure. Unit will automatically reconnect when release is reset (the trolley release lever is snapped back to its original position), power is restored and Opener is activated.
- Mechanical Door Lock: When properly adjusted, the opener locks door in a closed position preventing unwanted entry.
- Easy Connect Continuous Monitor Entrapment System: The system allows quick and easy installation of the “Silent Guard” Photo Eye System while control circuitry monitors these devices continuously for proper operation.
- Constant Contact to Close: For utmost safety if the “Silent Guard” Photo-eye system fails constant contact of the mechanical push button is necessary to close door. In this mode of operation, a radio transmitter cannot be used to close door.
- Momentary Contact to Close: Single touch to Radio Transmitter or Wall Button will allow the door to close as long as Silent Guard Photo-eye system is operational.
- Silent Guard Photo Eye System: An invisible infra-red beam of light guards the door opening and reverses a downward moving door if the beam is broken by a stationary or moving object. If the beam is broken, the opener will beep for 20 seconds. Motor control circuitry constantly monitors the Photo-Eye System for proper operation.
- Digital Radio Control: Built-in allowing over 1.6 million private codes, easily selected without use of tools. Bright transmitter LED indicates operation and monitors battery condition.
- Auto Force Learning: After setting the Up Limit and Down Limit is complete the door will run once from the Up Limit to the Down Limit the data from this is stored in the memory. The red and green LED turn off and the opener beeps 3x, the learning is then complete.
- Soft Open/Close: The door soft open/close for a distance of 20-30cm depending on the size of the door being lifted.
- Security Switch: When the Security Switch is activated the Door will not be able to operate. Signal from the Wall Box, Transmitter, Push Button, and Up/Down button are all ignored. Light button will continue to function normally.
Door Test
Before beginning the installation of the operator please complete the following test to insure that your door is balanced and in good working condition. A poorly balanced door could cause severe personal injury and damage to the opener.
Always have a qualified garage door service person make any needed adjustments and/or repairs to your door before proceeding with the installation.
- Raise and lower the door and check closely for areas of sticking and binding. Check for loose hinges, wobbly rollers, frayed cables and damaged or broken springs. Contact a qualified garage door service person to make the necessary adjustments.
- Lift the door approximately halfway. When released, the door should stay in that position. If door pulls open or moves downward, the spring mechanism is not adjusted properly. Contact a qualified garage door service person to make the necessary adjustments.
- When properly installed and adjusted the door will remain clear of the opening when allowed to rest at its natural full open position. If the door drifts up or down the door is not adjusted properly. Contact a qualified garage door service person to make the necessary adjustments.
Do not install the opener until these adjustments and repairs have been made.
Carefully follow the instructions for the assembly and installation of the garage door opener contained in this manual
Tools Required for Assembly and Installation

Components Identification and Inventory

- Power Head
- Header Bracket
- Door Bracket
- Door Arm: Straight
- Door Arm: Curved
- Warning Label
- Rail Assembly
- Trolley
Fastener (parts in screw bag) Identification

- Hex Bolt 5/16”18×1 (4 pcs)
- Lag Screw #12×1” (6 pcs)
- Hitch Pin (3 pcs)
- Flange Nut 1/4”-20 (4 pcs)
- Flange Nut 5/16”-18 (4 pcs)
- Clevis Pin Long (1 pcs)
- Clevis Pin Short (2pcs)
- Rope Knob (1 pcs)
- Rope (1 pcs)
- Washer(2 pcs)
Assembly 01
- STEP 1.
Remove packing materials.
- STEP 2.
Insert trolley (see fig.2).
STEP 3. - Connect rail to power head. Align rail and power head and slide rail over drive shaft & retaining lugs. Fasten with 4 nuts.
- STEP 4.
Adjust the tension of belt at end rail. Turn clockwise to tighten and counterclockwise to loosen.
NOTE: improper tension will result in abnormal opener operation.” (3-4 turns clockwise is recommended)
Assembly 02 - STEP 5.
Install head bracket. The height is seen in fig.5 Head bracket position is higher than header wall and mark the horizontal line. - STEP 6.
Make a centerline on door frame, and cross the previous horizontal line. Fasten the cross point with screws.
- STEP 7.
Mount door bracket at the position of center of top panel with screws. - STEP 8.
Connect track end and header bracket using clevis pin long. Insert hitch pin into clevis pin long .
Assembly 03 - STEP 9.
Open the door to the full open position. Allow 5cm of space between the rail and the door - STEP 10.
Assemble track to fix the opener (perforated steel angle and hex head machine bolts not supplied)
- STEP 11.
Insert curved arm into door bracket using clevis pin short. - STEP 12.
Connect straight arm and curved arm and adjust to the required length. Fix it with hex bolts and flange nuts.
Assembly 04 - STEP 13.
Mount trolley to curved arm and fix it with clevis pin short and hitch pin. (Please note that at this point the Trolley should be in the rail. The purpose of this diagram is only act as a visual aid) - STEP 14.
Tie a double overhand knot in one end of the Emergency Release Rope and slip the other end through the Red Release Knob, the Release Instruction Card and the hole at the end of the Release Lever on the Trolley (Please take time now to read and familiarize yourself with the instructions on the Emergency Release Label ) Tie a second double overhand knot in the free end, adjusting the rope so that the red knob is 180cm above the floor. If the rope must be cut, flame seal the cut end with a match or lighter to prevent fraying or unraveling.
- STEP 15.
Remove the power headlight dome and fasten the light bulb . (mechanical components installation is completed in this step. Go to the setting procedure.) - STEP 16. (OPTIONAL)
Locate photo-eye wires on top of rail assembly and slide it into guiding clips.
Assembly 05 - STEP 17.(OPTIONAL)
Put signal wires through the hole on the upright side. - STEP 18.(OPTIONAL)
Pull out the signal wires from the hole of the front side
Adjustment 01

***Auto-Close Timer function only works when Photo Eye System is installed. Please refer to the instructions included with the Photo-Eye System.***
Adjustment 02
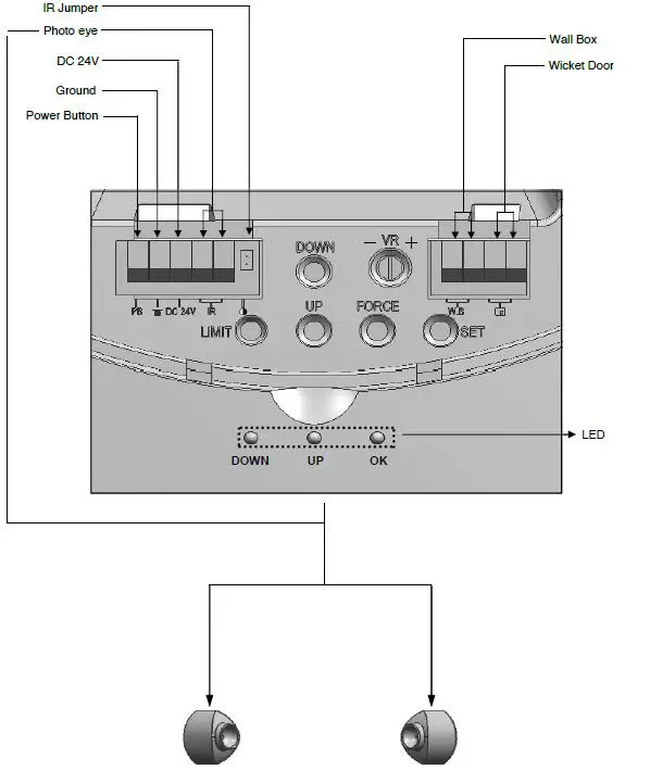
Identification of icons and their functions
- The door at the closed position
- Push Button
- Unplug
- At full speed (open / close)

- Inch movement
- Light off (LED / the bulb)
- Press and Release (Momentary)

- The door at the open position
- Transmitter
- Plug

- Half speed in Program mode (open / close)
- Memory is empty
- Light on (LED / the bulb)
- Press and Hold (continuously )

Adjustment 03
- STEP1.
The door should be in a closed position. On the first startup memory is blank (limits are not pre-set)
- STEP2.
Plug in. Light is on. Light flashes 5 times, no pre-set limits. If light flashes 3 times, limits have already been set.
- STEP3.
Press the limit button once. Up LED is on.
- STEP4.
Setting “Up” Limit Press the “Up” button & hold it continuously. The door is traveling up at half speed. When the door is approaching Up limit position, release “Up” button. Door stops.
- STEP5.
Press “Up” or “Down” to micro-adjust inch movement to the required up limit position
- STEP7.
At the required limit position. Press limit button. OK light flashes & LED goes out. “Up” limit setting completely.
- STEP 8.
Setting “Down” limit Press the limit button twice. “down” LED is on. Press the “down” button & hold it continuously. The door is traveling down at half speed. When the door is approaching the down limit position, release
“down” button, door stops.
- STEP9.
Press “down” or “up” to micro-adjust inch movement to the required down limit position
- STEP10.
At the required limit position. Press the Limit button. OK LED flashes. Up & Down LED are on. Up & Down limits are now set.
Adjustment 04 - STEP11.
Force mode (auto-learning of sensitivity): When in this mode door will travel up at full speed and stop at up limit for 2 seconds.
The door will then travel down at full speed and stop at down limit. The Opener will beep 3 times, force mode is now set.
Press the Force button to auto-learn force.
- STEP12.
To program the transmitter press the “radio” button. OK LED blinks twice.
- STEP13.
Press any button on the transmitter. OK LED blinks once and beeps twice. The transmitter is now set.
Testing the Safety Reverse System
Warning: Failure to Test Reversing System Could Result in Death or Serious Injury. Test This System Once A Month.
To test the Opener Reversing Feature at floor level place a solid object 5cm thick on the ground so that the center of the door will come into contact with it. Close the door. If the close force adjustments are correct, the door will reverse within one and a half seconds upon contacting the object and travel to the full open position. The door will emit short beeps continuously for 25 seconds. If this does not occur, re-check Limit Adjustments on pg.12 and Force/Sensitivity Adjustments pg.13. 
Note: Any time any adjustments are made to Limits or Sensitivity, You must retest the opener for the Reversing Feature at floor level as outlined above.
Warning: The Sensitivity System Reversing Test should be performed monthly to ensure that this important system remains in proper adjustment
Warning: A damaged or malfunctioning Photo Eye System can enable a garage door to close on people or property, causing serious injury or even death. Perform this test monthly to ensure proper operation.
Testing the Photo-eye system
Start the door down and then place an obstacle approximately 20cm high by 30cm wide in the path of the beam. The Red Pilot Light on the Silent Guard Photo Eye System should go off. The door should stop for 1-1/2 seconds and reverse to the full open position. The Opener will emit long beeps continuously for 20 seconds. If the door is moving up and the beam is broken, the door will continue up to full open. With the door fully open and at rest, place the obstacle in the path of the beam once again. Activate the Wall Push Button, The Opener will revert to and remain in the Up limit position. Hold the Wall Push Button to close the door (door will beep while it travels to the down limit position). Auto Close Timer is only available with the Photo-Eye System present. 
NOTE: If the garage door travels more than 5cm in a downward path after releasing the button, the Silent Guard Photo Eye System is malfunctioning. Check all electrical connections and alignment of the Photo-Eye System.
Final Installation
Make Sure That:
- The front and rear mounts for the opener are sound and secure and the rail is positioned correctly above the high arc of the door and that the opener is positioned over the door action centerline.
- For sectional doors and tilt doors, the position of the door arm with the opener closed is such that its connecting point on the trolley is 12cm to 20cm behind its connecting point on the door bracket. The door arm should never be perfectly vertical when the door is in the closed position (there should be an angle of 15-20°).
- The emergency release knob and cord are secured to the emergency release lever on the trolley. The knob is located 180cm above the floor and requires no more than 20kgs pull to actuate. The trolley and release mechanism are properly lubricated. Recommend: Silicone-based lubricant
- The standard push button is in such a position and at such a height that it can only be actuated by an adult. The caution label is prominently displayed next to the push button.
- All wiring is correct to code. There is ground continuity in the supply. The ground prong on the power cord is intact.
- All ropes have been removed from the door, and any lock mechanisms removed or disabled. The door moves freely without binding when operated manually. The door is correctly balanced and lubricated. All door hardware is secure and sound. The sensitivity has been adjusted to minimum force. The appropriate warning sticker has been affixed to the door.
- The door reverses on obstructions to within 5cm of the floor. The floor beneath the closed door provides uniform contact.
- The manual is attached to the wall near the push button.
- On doors with extension-type springs, safety restraint cables have been installed through the springs.
- There is surge protection on the power line to the opener.
***Guardian Operators recommend photo eyes to be installed on all garage doors for added safety***
After the Installation
- Never permit children to play with or operate the garage door opener either from the wall station or the remote controls. Keep radio transmitter locked in the car. Misuse of the push button or transmitter could result in serious injury or even death.
- Open the garage door with the remote controls only when the garage door is fully visible to you and clear of all obstructions. The garage door should be kept in sight until it is completely open or closed and you are certain that the garage door opener has shut off.
- Attempting to exit the garage through the garage door opening, while the door is in motion, is a very dangerous activity that could result in serious injury or even death.
- Children and pets should always be clear of the door opening while the garage door is in motion.
- Check the safety reverse mechanism at least once a month to make sure that it will reverse with the minimum amount of force. Also check to be sure that the door will reverse within 5cm of the floor. See p.14.
- Check the manual operation of your garage door at least every 90 days to be sure that it is operating smoothly and does not bind or stick. Tighten all bolts on the door and visually check all hardware including springs for wear of damage. Caution: If service is needed contact your local garage door service person.
- Do not decrease the safety reversing sensitivity mechanism to overcome a damaged or poorly operating door. This will adversely affect the operation of the safety reverse mechanism which could result in damage to the door, personal injury or even death.
Caution: Never operate the door opener if the reversing mechanism is not functioning properly. - Whenever possible, the manual disconnect should only be used when the door is fully closed. Caution: Extreme care must be taken whenever the disconnect cord is pulled with the door partially open. Weak or broken springs may allow the door to fall rapidly resulting in property damage, personal injury or death. If a broken spring is evident, contact your local garage door service person immediately before disconnecting the door from the opener. Never attempt servicing a broken spring.
- Always disconnect electrical power supply to the opener when performing any maintenance or service to the opener or garage door. Failure to do so could result in electrical shock, property damage, personal injury or death.
- If any damage to any mechanical or structural component of the opener is observed, discontinue use and contact your local garage door service person immediately.
- If the door auto reverses, please ensure there is no obstruction to the track or door.
Manual Setting
Setting the Force Manually (FOR INSTALLERS ONLY)
- STEP1.
Press “FORCE” button. Up LED is on. You are now in
“FORCE UP” setting mode.
To enter “FORCE DOWN” setting mode press “FORCE” again within 5 seconds.
- STEP2.
To change the force setting. To increase or decrease one increment press up or down button once. A beep sound indicates the increase or decreases each increment.
Note: The maximum force is at six increments. When the maximum increment has been reached, Up LED blinks and beeps twice. The minimum force is at 0. When the minimum increment has been reached, the down LED blinks and beeps twice, it is now at 0 increments.
- STEP3.
To complete the “FORCE UP” setting mode. Press the “FORCE” button. Up LED goes off. “OK” LED flashes once and goes off. “FORCE UP “setting is completed
To complete the “FORCE DOWN” setting mode. Press the “FORCE” button. Down LED goes off. “OK” LED flashes once and goes off. The “FORCE DOWN “setting is completed
Rail and Hardware Parts List .

| A-1 | Housing Assembly | A-2 | Dome Cover | A-3 | Light Socket |
| A-4 | Energy Saving Bulb | A-5 | Motor | A-6 | Programming Board |
| A-7 | Programming Board Cover | A-8 | RPM Reader | A-9 | Transformer |
| A-10 | Chassis | A-11 | Power Cord | A-12 | Carriage Bolt/Nut |

| B-1 | Motor Shaft Adaptor | B-2 | Bearings | B-3 | Drive Shaft Retainer |
| B-4 | Drive Sprocket Assembly | B-5 | Head End Bracket | B-6 | Curved Door Arm |
| B-7 | Sprocket Brace | B-8 | Straight Door Arm | B-9 | Rail |
| B-10 | Trolley Plate | B-11 | Emergency Pull-Cord w/ Knob | B-12 | Connector/Connector Link |
| B-13 | Trolley | B-14 | Door End Bracket | B-15 | Door Bracket |
| B-16 | Chain | B-17 | E-Ring | B-18 | Pulley Spindle |
| B-19 | Return Pulley | B-20 | Jamb Bracket | B-21 | Pulley Brace |
| B-22 | Compression Spring | B-23 | Tension Bolt |
WARRANTY
Guardian Garage Door Operators hereafter referred to as the Manufacturer hereby warrants:
- Garage Door Operators to be free from defects in material and workmanship for a period of five (5) years for motors and one (1) year for Electronics and Mechanics from date of purchase if installed by an authorized reseller, otherwise if installed by the purchaser one (1) year will apply.
- Garage Door Operators (Commercial and Industrial Application ) to be free from defects in material and workmanship for a period of three (3) months from date of purchase.
- Where the garage door operator has been returned to the manufacturer for Warranty repairs, all costs incurred in the return will be paid for by the purchaser. If in the opinion of the manufacturer the product is faulty, all defective parts will be replaced at no charge to the purchaser.
- Proof of purchase must be given to the manufacturer at time of Warranty claim.
- The manufacturer reserves the right to modify any existing or future products without incurring any obligation to incorporate such modification to products already manufactured or to which this Warranty may relate.
- Warranty only applies if this product has been installed to the Manufacturers recommendation ( in the opinion of Guardian Garage Door Operators).
- This is only for goods installed in Australia.
- This Warranty does not apply to any defect, loss or damage arising or caused directly or indirectly by or as a result of:
- Any defect ( including defects in component parts or accessories ) arising from or attributable to the failure to carry out normal preventive maintenance or adjustment itself.
- To any additional damage or deterioration arising from attributable to the operation of the Operator after it is known to be defective.
- Exclusions to Warranty Period:
- Repair or Warranty Work – three (3) month warranty
- Not included in Warranty:
- Batteries.
- Fuses.
- Globes.
- Sensitivity adjustment.
- Hand Transmitters.
- Note : All Warranties will be void subject to:
- Water damage and condensation.
- Power supply blackout or surge.
- Act of God
- Modification or adjustment by unauthorized persons.
- Any interference from radio ( including citizen band radios or and another electronic device.)
- Preventative maintenance and regular servicing not undertaken.
- Account not paid in full by the purchaser.
- Subject only to the provisions of the Trade Practices Act and any legislation of the State or Territory wherein the Operators of the Manufacturer shall have been sold or installed ( which may confer certain rights on consumers of goods and those rights by such legislation may render incapable of exclusion ) this Warranty supersedes and excludes all representations, warranties and conditions whether expressed or implied by law and the Manufacturer shall have no liability or otherwise than herein provided for any loss and damage ( including consequential loss and damage, loss of use or profits ) by reasons of delay, defective or faulty materials or workmanship, negligence or any act, matter or thing done permitted or omitted to be done by the Manufacturer.
WARRANTY
THIS WARRANTY FORM SHOULD BE COMPLETED AT TIME OF INSTALLATION
This Warranty Form should be retained by the purchaser at all times and produced with the purchase docket by the Purchaser as proof of the purchase date.
- PURCHASEʼS NAME:
- PURCHASEʼS ADDRESS:
- INSTALLED BY:
- INSTALLERʼS ADDRESS:
- INSTALLERʼS SIGNATURE:
- DRIVE UNIT SERIAL NO:
SERVICE LOG BOOK
This log book contains technical references and records of installation, maintenance, repairs, and
alterations carried out and must be made available for inspection by authorized bodies


NOTE: improper tension will result in abnormal opener operation.” (3-4 turns clockwise is recommended)


















Adjustment 04 




















