F1S Trench Fan Convectors
User Manual
Assembly guide for trench convectors
FMS, F1S, F2C, F2V, F4C, F4V
ASSEMBLY GUIDE FOR TRENCH CONVECTORS
![]()
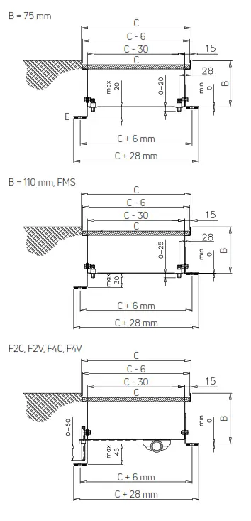
- Prepare a suitable place on the subfloor of the following dimensions:
• width of the convector duct + min. 80 mm,
• length of the convector duct + min. 40 mm,
• depth of the convector duct + 2 – 25 mm (as measured from the level of the finished floor). - Screw levelling bolts into pre-drilled holes on the bottom of the duct and attach the floor fixing brackets to the outside of the duct (included in the installation kit).
- Position your trench convector in the previously prepared place in the subfloor. Lay soundproofing insulation (e.g. mineral wool, foamed polystyrene, foam) between the convector duct and the subfloor.
- Level and stabilise the convector duct.
- Connect the flow and return pipe from the heating system according to the system design. For models with fans (F1S,…), connect all necessary electric wiring. Cover the water and electric connectors with the cover plate included in the installation kit.
- Pressure test the convector to ensure there are no leaks.
- Cover the convector duct with the protective chipboard until all construction work has been completed.
- Fill the gaps between the convector duct and the floor slab with concrete or low expansion foam.
- Once the project is finished remove the chipboard.
- When the concrete and foam are completely cured, clean the inside of the duct and the convector itself.
- Unroll the roll-up decorative grille over the convector.
TRENCH CONVECTORS

Information of F2C and F4C installation of drain
Floor covering including floor surface

Decorative grilles

Connections to pipe systems
![]() | ![]() |
RAS transformers
| Version for surface mounting | Version for flush mounting |
![]() | |
| L [mm] | B [mm] | H [mm] | [kg] | |
| RAS-030-M-01 | 230 | 185 | 90 | 1.2 |
| RAS-060-M-01 | 230 | 185 | 90 | 1.3 |
| RAS-100-M-01 | 230 | 185 | 90 | 1.4 |
| L [mm] | B [mm] | H [mm] | [kg] | |
| RAS-030-M-02 | 230 | 230 | 84 | 1.3 |
| RAS-060-M-02 | 230 | 230 | 84 | 1.4 |
| RAS-100-M-02 | 230 | 230 | 84 | 1.5 |
| max. number of connected motorsrecommended cable [W]for the convector’s F1S (08) F1S (11), F2C (11) F2C (17), F4Cconnection | |||||
| RAS-030-M-0x | 30 | 3 | 2 | 1 | 3 x 1.5 mm2 |
| RAS-060-M-0x | 60 | 7 | 4 | 3 | |
| RAS-100-M-0x | 100 | 12 | 6 | 5 | |
| RAS-120-M-0x | 120 | 15 | 7 | 6 | |
| RAS-240-M-0x | 240 | 30 | 15 | 12 | |
* RAS-120-M-0x and RAS-240-M-0x are only available as DIN rail-mounted versions.
RMS control module for the F2V and F4V convectors
| L [mm] | B [mm] | H [mm] | [kg] | [W] | recommended cable for the RMS module connection | |
| RMS-010-M-01 | 230 | 185 | 90 | 1.1 | 10 | 3 x 1.5 mm2 |
| RMS-010-M-02 | 230 | 230 | 84 | 1.2 | 10 | |
| RMS-010-M-03 | 100 | 90 | 65 | 1.0 | 10 | |
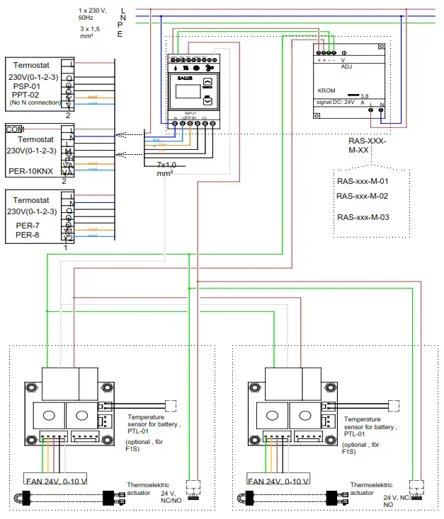
Wiring diagrams (examples)
F1S and F2C (only heating mode) convectors with room thermostat, RAS transformer

Wiring diagrams (examples)
F2C convector (heating or cooling mode) with room thermostat, RAS transformer, and QAH11 sensor

Wiring diagrams (examples)
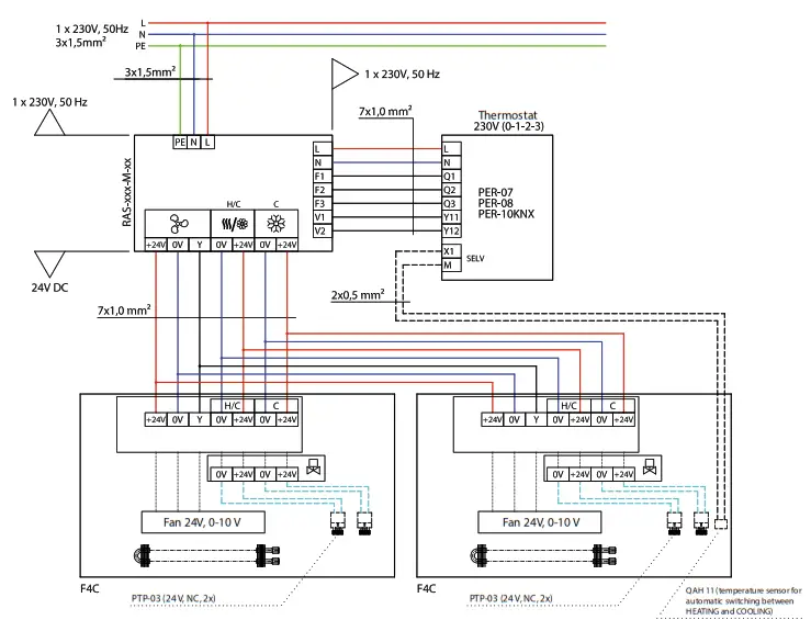
F4C convector with room thermostat, RAS transformer, and QAH11 sensor

Wiring diagrams (examples)
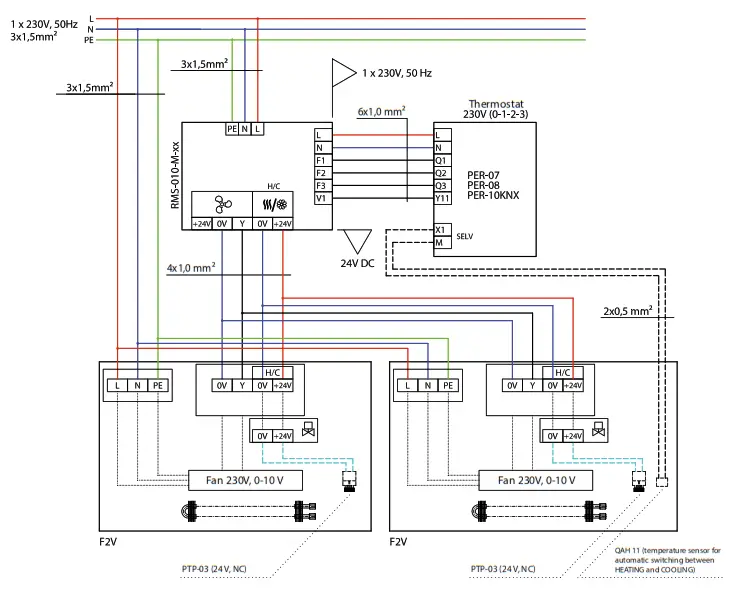
F2V convector with room thermostat, RMS control module, and QAH11 sensor

Wiring diagrams (examples)
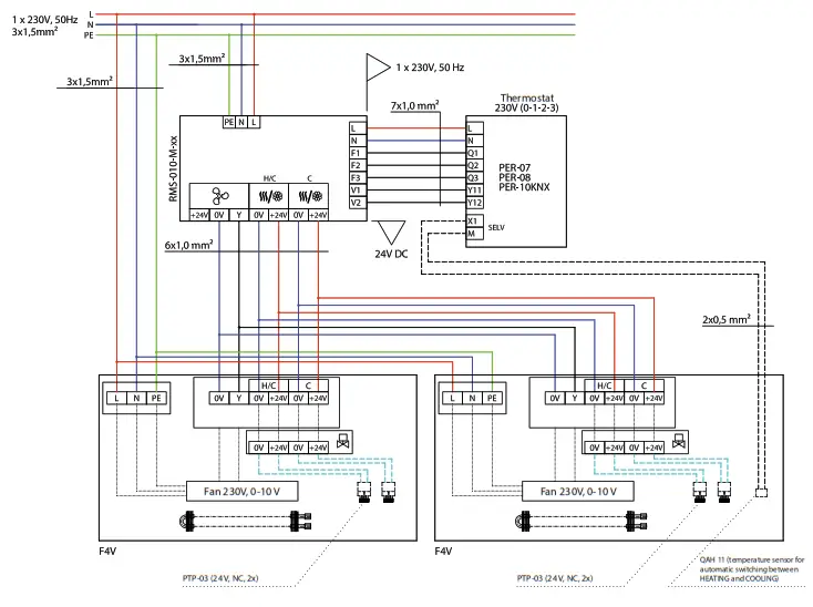
F4V convector with room thermostat, RMS control module, and QAH11 sensor

Wiring diagrams (examples)
convectors controlled by BMS

Hydraulic characteristics

Hydraulic characteristics

Hydraulic characteristics

Every care has been taken in the creation of this document. No part of this document may be reproduced without the express written consent of Purmo Group. Purmo Group accepts no responsibility for any inaccuracies or consequences arising from the use or misuse of the information contained herein.
A PURMO GROUP BRAND![]()
Bulevardi 46
P.O. Box 115
FI-00121 Helsinki
Finland
www.purmogroup.com
Assembly guide for trench convectors _03_2021_INT





















