Caspian® – EC variants
Installation and user manual
60 | 90 | 120 | 150 | 180
EC Series Fan Convectors
Introduction
Suitable for Caspian (UV, FF, EXT, SL, TT) These heaters must not be installed in wet rooms or other high humidity areas.
These heaters are designed for use on standard two-pipe pumped central heating systems with a maximum water temperature of 86°C and a maximum pressure of 6 bar (88lbs/in.).
Pipe connections are 22mm and either pipe may be used as flow or return.
These heaters are classified as a fixed appliance and the electrical connection should be via a 3A fused spur. The fused spur must not be directly below the heater but should be accessible after completion of the installation. All heaters must be earthed.
It is recommended that this heater is wired via a remote room thermostat.
To avoid the possibility of vibration these units must be fitted to a flat even surface.
This heater is fitted with a 35°C Low Temperature Cut-out (LTC). An adjustable low temperature cut-out is also available (see page 10).
To conform to Building Regulations Part L (Part J in Scotland), a remote room thermostat can be used in conjunction with this heater. Refer to the instructions supplied with the thermostat. Please note the guarantee may be invalidated if this product is not installed and used in accordance with these instructions.
Declaration of conformity
EC Declaration of conformity
We, Smith’s Environmental Products Limited
1-2 Blackall Industrial Estate
South Woodham Ferrers
Chelmsford
Essex CM3 5UW
Tel: 01245 324900 Fax: 01245 324422
Declare under sole responsibility that the products:
Product name:
Caspian Universal
Product range:
Caspian UV, Caspian FF, Caspian EXT,
Caspian SL, Caspian TT, Caspian UVC,
Caspian LST sizes 60, 90, 120, 150 & 180
Conform to the following European
Union directives:
Low Voltage Directive 2014/35/EU
Safety of household electrical appliances: EN
60335-2-30:2009, +A11:12
EN 60335-1:2012/AC:14+A11:14
EN 62233:2008
Electromagnetic compatibility (EMC)
EN 55014-1:2006 inc. A1:2009 & A2:2011
EN61000-3-2:2006 inc A1/A2:2009
EN61000-3-2:2014
EN61000-3-3:2013
This Declaration is made on behalf of Smith’s Environmental Products Limited.
Symbols
This manual contains information and prescriptions marked by the following symbols.
![]() | Ignoring these safety provisions marked by the symbol “caution: hazard” may endanger the safety of people. |
![]() | Ignoring these safety provisions marked by the symbol “caution: electricity” may endanger the safety of people, as well as the integrity of things. |
![]() | The removal of the screws can cause the output of hot fluids under high pressure from heating system. Drain the system or close the isolating valves. |
![]() | High temperature surface. Take utmost care to prevent people from getting in contact with the hot surfaces of the appliance. |
Important safety and installation instructions
Prior to installation, read these installation and operating instructions. The installation and operation should also be in accordance with national regulations and accepted codes of good practice.
This appliance is not intended for use by persons (including children) with reduced physical, sensory or mental capabilities, or lack of experience and knowledge, unless they have been given supervision or instruction concerning use of the appliance by a person responsible for their safety. Children should be supervised to ensure that they do not play with the appliance.
To guard against injury, basic safety precautions should be observed, including the following:
- Read and follow all safety instructions and all the important notices on the appliance before installing, using and maintaining the appliance. Failure to do so may cause personal injury or damage to the appliance or installation.
Always disconnect electrical supply before putting on or taking off parts and whilst the equipment is being installed, maintained or handled. Never work with bare feet and/or with wet hands.- To avoid possible electric shock, special care should be taken since water is used with electrical equipment. Carefully examine the appliance before and after installation.
Do not operate the appliance if it has a damaged supply cord or enclosure, or if it is malfunctioning or it is dropped or damaged in any manner. Inspect the appliance periodically.
The appliance should not be electrically supplied if there is water on parts not intended to be wet.
Risk of scalding. To avoid injury before any servicing operation wait until the water has cooled inside the appliance. Do not touch the fluid or the appliance when temperature is higher than 60°C.- Improper use.
This is an appliance to be used in heating systems with clean water without abrasive particles.
Do not use this appliance:
• With liquids other than water (e.g. flammable liquids, etc.) (EN60335-2-51);
• In locations where special conditions prevail, such as the presence of a corrosive or explosive atmosphere (dust, vapour or gas) (EN60335-2-51);
• For other than intended use. - Installation.
The appliance must be mounted in a stable/fixed position in a dry, well ventilated, frost-free, waterproof and protected place, with sufficient ventilation around it. Make sure that the appliance is securely and correctly installed before operating it and that there is enough room around it for maintenance operations, dismantling, checking for free inspection.
The maximum ambient temperature at which the appliance is to be used is 40°C (EN60335-2-51).
Electric connection
IMPORTANT: Connection to the power supply must be effected by means of a fixed power cable which is fitted with a plug-type connection or a two pole isolating switch with a minimum contact opening of 3 mm.
Electrical connection must be carried out by a qualified electrician and in accordance with local regulations and both data on the name-plate and the appropriate diagram inside the terminal box cover.
Follow all safety standards.- All electrical work should be carried out in accordance with current IEEE regulations; we recommend the appliance is protected by a Residual Current Device (RCD or Ground- Fault Circuit-Interrupter) with a rated residual operating current not exceeding 30mA.
- Prior to any modification being made to the equipment, it must be agreed with and authorised by the manufacturer. Original spare parts and accessories authorised by the manufacturer are integral part contributing to the safety of the equipment and of the machines. The use of non original components or accessories may endanger the safety and causes the termination of the warranty. Safe operation is only assured for the applications and conditions described in Application of this manual.
Non-observance of the safety instructions results in the loss of any claims to damages.
The indicated limit values are binding and cannot be exceeded for any reason whatsoever.
KEEP THESE INSTRUCTIONS FOR FUTURE REFERENCE.
Product dimensions

Product performance
Heat output – EC
| Model Reference | Fan Speed | Control Voltage VDC | 40°C MWT | 45°C MWT | 50°C MWT | 55°C MWT | 60°C MWT | 65°C MWT | 70°C MWT | 75°C MWT | 80°C MWT |
| EC 60 | Low | 3.4 | 0.85 | 1.20 | 1.45 | 1.80 | 2.16 | 2.35 | 2.73 | 3.08 | 3.40 |
| Mid | 4.9 | 1.02 | 1.53 | 1.92 | 2.37 | 2.76 | 3.18 | 3.58 | 4.05 | 4.38 | |
| High | 6.4 | 1.18 | 1.85 | 2.38 | 2.93 | 3.36 | 4.00 | 4.43 | 5.02 | 5.36 | |
| EC 90 | Low | 3.2 | 1.68 | 2.23 | 3.01 | 3.49 | 4.05 | 4.45 | 5.12 | 5.49 | 6.03 |
| Mid | 4.6 | 2.22 | 3.07 | 4.05 | 4.66 | 5.42 | 6.01 | 6.81 | 7.34 | 7.93 | |
| High | 6.1 | 2.75 | 3.90 | 5.08 | 5.82 | 6.78 | 7.56 | 8.49 | 9.19 | 9.83 | |
| EC 120 | Low | 3.1 | 1.62 | 2.34 | 3.32 | 3.98 | 4.71 | 5.62 | 6.32 | 6.99 | 7.61 |
| Mid | 4.3 | 2.31 | 3.25 | 4.27 | 5.15 | 6.07 | 7.02 | 7.91 | 8.74 | 9.60 | |
| High | 5.5 | 2.99 | 4.15 | 5.21 | 6.31 | 7.42 | 8.41 | 9.50 | 10.48 | 11.59 | |
| EC 150 | Low | 2.8 | 2.95 | 3.72 | 4.49 | 5.27 | 6.045 | 6.79 | 7.54 | 8.29 | 9.04 |
| Mid | 4.0 | 3.99 | 4.99 | 5.99 | 6.99 | 7.97 | 8.99 | 9.97 | 10.98 | 11.93 | |
| High | 5.1 | 5.02 | 6.26 | 7.49 | 8.71 | 9.90 | 11.19 | 12.39 | 13.67 | 14.82 | |
| EC 180 | Low | 2.8 | 3.64 | 5.20 | 6.78 | 8.24 | 9.39 | 10.33 | 11.24 | 12.15 | 13.01 |
| Mid | 3.9 | 4.51 | 6.18 | 7.85 | 9.51 | 10.95 | 12.36 | 13.70 | 15.07 | 16.40 | |
| High | 4.9 | 5.38 | 7.16 | 8.91 | 10.77 | 12.50 | 14.39 | 16.16 | 18.0 | 19.78 |
| Model Reference | Fan Speed | Air Volume (m3/h) | Air Volume (l/s) | Specific Fan Power w/ls | Power Consumption (W) | NR in typical room* |
| EC 60 | Low | 201.00 | 55.90 | 0.14 | 8.00 | 34.00 |
| Mid | 290.50 | 80.75 | 0.26 | 21.00 | 41.50 | |
| High | 380.00 | 105.60 | 0.32 | 34.00 | 49.50 | |
| EC 90 | Low | 297.00 | 80.75 | 0.20 | 16.00 | 34.00 |
| Mid | 450.50 | 124.38 | 0.34 | 42.00 | 41.50 | |
| High | 604.00 | 168.00 | 0.40 | 68.00 | 49.97 | |
| EC 120 | Low | 419.30 | 116.50 | 0.14 | 16.00 | 34.00 |
| Mid | 549.65 | 152.68 | 0.26 | 40.00 | 42.00 | |
| High | 680.00 | 188.89 | 0.34 | 64.00 | 49.96 | |
| EC 150 | Low | 459.80 | 127.72 | 0.17 | 22.00 | 34.70 |
| Mid | 598.10 | 166.14 | 0.35 | 59.00 | 41.50 | |
| High | 736.40 | 205.56 | 0.47 | 96.00 | 49.38 | |
| EC 180 | Low | 542.00 | 150.56 | 0.19 | 29.00 | 34.90 |
| Mid | 690.00 | 191.67 | 0.40 | 78.50 | 41.50 | |
| High | 838.00 | 232.78 | 0.55 | 128.00 | 49.00 |
*a typical room is taken as a room with a volume of 173m 3 and a reverberation time of 0.8 seconds at 500 Hz with one unit installed, situated against a wall or ceiling (radiating noise in a quartersphere). No allowance is made for attenuation provided by ceilings, enclosures or ductwork.
Outputs based upon testing at EN442: 2014 using mean water temperature and an entering air temperature of 20°C with a 10°C temperature drop between flow and return.
| Model Reference | Fan Speed | Hydraulic Resistance (KPA) | Nominal Weight (KG) | Water Capacity (L) |
| EC 60 | Low Mid High | 1.38 1.69 2.00 | 23.00 | 0.92 |
| EC 90 | Low Mid High | 4.70 5.85 7.00 | 36.00 | 1.50 |
| EC 120 | Low Mid High | 17.78 20.59 23.40 | 45.00 | 2.08 |
| EC 150 | Low Mid High | 22.23 29.46 36.69 | 60.00 | 2.58 |
| EC 180 | Low Mid High | 47.83 60.76 73.70 | 78.00 | 3.18 |
Correction factors
| Mean Water Temp °C | 45 – 80 | ||||
| Water Temperature drop °C | 5 | 10 | 15 | 20 | |
| Entering Air Temperature °C | 15 | 1.13 | 1.10 | 1.07 | 1.05 |
| 18 | 1.08 | 1.05 | 1.02 | 0.99 | |
| 20 | 1.04 | 1.00 | 0.95 | 0.89 | |
| 25 | 0.93 | 0.91 | 0.89 | 0.86 | |
Factors are approximate data based upon a standard coil.
How to calculate Mass Flow Rate (L/S)
M = H / CP x (Flow °C – Return °C)
M = Mass flow rate (L/S)
H = Output of product (W)
CP = Specific heat capacity [J/(kg·ºC)].
Varies upon system temperature, approx. 4187 if fluid is water.
How to calculate Mean Water Temperature (∆T)
| Mean water temperature (∆T) | Flow temperature + Return temperature | – Ambient Temperature |
| 2 |
Mounting options
The controls used varies upon the positioning in the room. Low level units can have a range of internal or remote controls options. Whereas, high level units will require remotely mounted control options to ensure temperature measurements areacceptable and user controls are accessible.
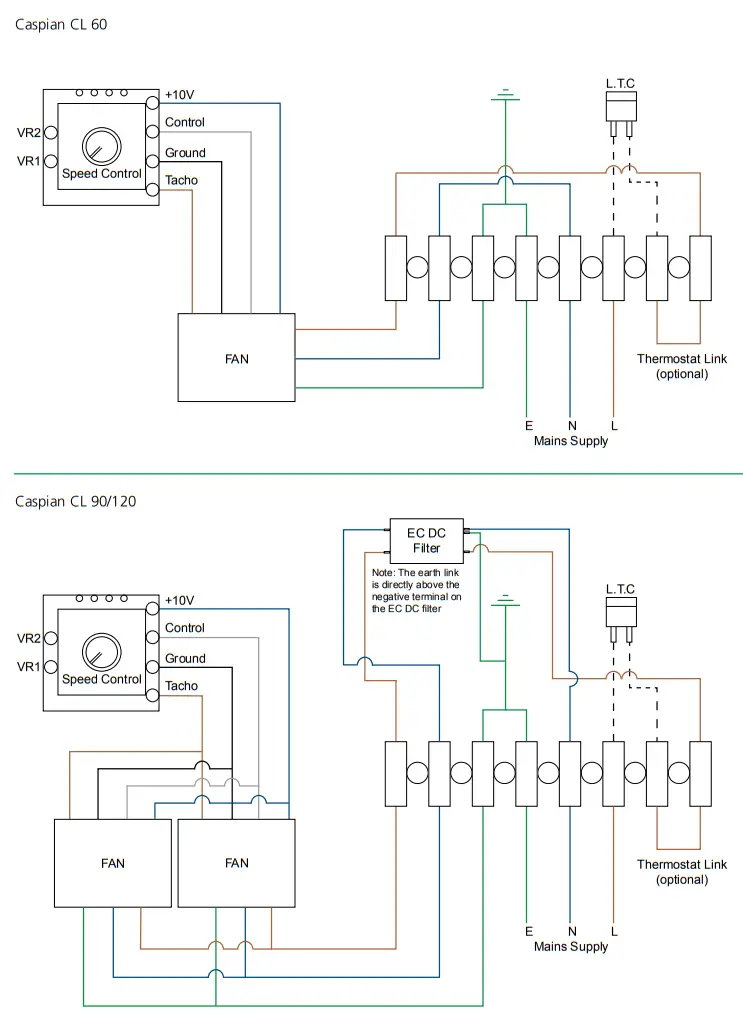
Wiring diagrams
Note: If your heater was built before October 2014 or the colours shown in this diagram do not match those on your unit please refer to the below Key:
+10V (Red) = Blue
Control (Yellow) = Grey
Ground (Blue) = Black
Tacho (White) = Brown
Installation
- Unlock the front access panel
Unlock and lower the front access panel using the keys supplied.
- Fix unit to wall or ceiling
Fix the unit to the ceiling or wall via suitable fixings. If fitted to suspended ceilings or similar then suitable means of support such as threaded rods or chains must be used. - Connect the pipes
Connect the heating system flow and return pipes to the heater pipe work. Pipe entry/exit can be made through either the back of the unit or by using the pipe knockouts on the bottom of the unit. Do not use soldered fittings to the heater pipe work as the heat generated may cause damage to internal wiring and components. Compression fittings should be used.
Note: We recommend the use of full-flow service valves. The valves should be accessible after completion of the installation. We also advise the fitting of an air vent at the highest point on either the flow or return pipe to remove any air trapped within the system. - Open the service valves
Open the full flow service valves and check for water leaks. Remove any trapped air from the unit via the built in bleed screws as shown in the diagram below.
- Electrical supply
Isolate the electrical supply - Connect the power supply
Connect the power supply from the fused spur (3 Amp) to the heater terminal block marked Supply E N L via the cable entry hole in the top chassis of the heater.
The fused spur must not be directly below the heater and must be accessible after the installation is complete. All electrical work should be carried out in accordance with current IEEE regulations.
- Connect a room thermostat
To connect a room thermostat (not supplied)- `Unscrew and remove electric panel
- Remove link wire between terminals 7 & 8 and fit thermostat wires
- Refit electric panel
For further information refer to the room thermostat manufacturers instructions.
Accessory installation
A wide range of accessories are available, most of which are factory fitted. However, if an accessory has been purchased as a separate item, the installation instructions can be found on our website.
https://smithsep.co.uk/wp-content/uploads/2016/09/Smiths-Caspian-Universal-Adjustable-low-temperature-cut-out-T3.pdf
https://smithsep.co.uk/wp-content/uploads/2016/09/Smiths-Caspian-Universal-External-Control-Harness-Installation-and-User-Guide.pdf
https://smithsep.co.uk/wp-content/uploads/2016/09/Smiths-Caspian-Universal-Proportional-Heat-Output-Controller-Installation-and-User-Guide.pdf
Commissioning
- Turn on the electrical supply at the fused spur.
- Turn the thermostat control (if fitted) to maximum.
- Turn on the central heating system.
- Where an adjustable LTC has been fitted, set it to the desired temperature.
- If these heaters are installed on the same circuit as panel radiators balance the central heating system.
- If the installation is working correctly remember to reset the thermostat control (if fitted) to its normal setting.
- Set the fan speed control to the desired position. Note: Not applicable if fitted with a Proportional Heat Output Controller (PHOC).

- Set the dial to the speed required by referencing the table included with the product and shown below.

- Lift up and close front access panel, ensure this is secure and locked in place withkeys provided.
- Please leave this Installation & User Guide with the user for future reference.
Heating operation
Ensure the central heating system is ON. Switch on the power supply to the unit. Set the thermostat control (if fitted) to the desired temperature. Providing the water temperature in the central heating system is more than 38°C and the thermostat (if fitted) is calling for heat the product will switch on. It is recommended that the model chosen is capable of maintaining the calculated heat loss at medium heat output enabling the high speed setting to be used for faster heat up and the low speed for maintaining temperature.
Maintenance
Warning! Isolate from the electrical supply before performing any work on the unit.
The internal air filter is removable for servicing.
To gain access to the filter unlock and lower the front access panel, remove the 2 screws from the filter enclosure panel and lift out. Carefully lift out and remove filter (see page 11). The filter should be gently tapped to remove any accumulated dust and vacuumed if necessary (approx. every 6 months). We recommend replacing the filters approx. every 2 years depending on environmental conditions.
The coil fins are delicate so take care and only use a soft brush or vacuum cleaner to remove any dust that may have accumulated.
The fan(s) and motors should not require servicing.
Please contact your supplier if damaged.
To replace filter use reverse the removal instructions and ensure the lower front access panel is securely locked.
Please note in the event of an engineer’s visit, Smith’s Environmental Products Ltd reserve the rights to apply a call-out charge should the fault prove to be with the system or installation and not the heater appliance.
Fault finding
Providing the power supply is switched on the room thermostat (if fitted) is calling for heat the heater will switch on and off automatically with the central heating system.
In the event of any difficulty, please contact us on +44 (0) 1245 324560.
It will be helpful if you do not disconnect the heater from the central heating system.
| Fault | Checking/Solution |
| The fan does not run on any speed setting | Check the power supply is switched ON Check the fuse in the fused spur Check the wiring at the fused spur If thermostat is fitted ensure it is calling for heat Check the central heating is switched ON Vent any trapped air from the system (with the heating system turned OFF) |
| No heat output | Check flow and return pipes are hot Vent any trapped air from the system (with the heating system turned OFF) Check the central heating is switched ON If a thermostat is fitted ensure it is calling for heat Balance the central heating system if installed on the same circuit as panel radiators and increase the circulating pump speed if required Increase the boiler water temperature |
Spares
See the table below to find the product code for any spares that maybe required for your Caspian product.
| Component | Model | ||||
| 60 | 90 | 120 | 150 | 180 | |
| Filter x 1 | 03-6015 | 03-6016 | 03-6017 | 03-6041 | 03-6043 |
| Fan | 06-0321 x 1 | 06-0321 x 2 | 06-0321 x 2 | 06-0321 x 3 | 06-0321 x 4 |
| Coil | 02-0301 | 02-0303 | 02-0304 | 02-0343 | 02-0382 |
Accessories
Smith’s offer a range of accessories which can be
used in conjunction with this product. This includes:
Remote Room Thermostats (wired and wireless inc tamper proof option)
Remote (wired) room thermostat Siemens speed and temperature control Wall mounted control switch Adjustable low temperature cut-out (LTC)
Plinth (for floor standing application)
Caspian linking kits (EC only)
External control harness (EC only)
Proportional heat output controller (PHOC)
Thermostat T1
Flexible hoses and quick connector kits For further information on accessories or spares please contact either your supplier or Smith’s Environmental Products Ltd or visit
www.SmithsEP.co.uk
Registering your product
Thank you for purchasing a Smith’s product. It has been designed and manufactured to the highest quality standards to ensure it gives you efficient and trouble-free service for many years. We are committed to achieving the highest standards and our faith is supported by a free parts and labour guarantee with every product.
For more information on the warranty period for this product please visit our website smithsep.co.uk/product-registration/ This gives you the peace of mind that in the unlikely event of product failure, we will repair or replace the product completely free of charge providing the product has been installed, used and maintained in accordance with the instructions. Your statutory rights are not affected by this warranty.
It is important to register as soon as possible online at: smithsep.co.uk/product-registration/. This will ensure you will receive prompt and efficient service if your product requires attention within the warranty period. If you do not register your product, you will be required to produce proof of purchase prior to receiving service.
For more details please visit our website: SmithsEP.co.uk
Disposal
As part of the policy of continuous product improvement, Smith’s Environmental Products LTD reserves the right to alter specification without prior notice.
Products with this symbol (crossed out wheelie bin) cannot be disposed as household waste.
Old electrical and electronic equipment must be recycled at a facility capable of handling these products and their waste by-products. If you are purchasing replacement equipment your retailer may offer a ‘take back’ scheme, or will be able to give details of the nearest approved authorised treatment facility. Proper recycling and waste disposal will help conserve resources whilst preventing detrimental effects on our health and the environment.
WEEE Registered Code: WEE/ED0093VW
After sales
If you experience any problems with the use of your product, please contact our after-sales office +44 (0) 1245 324560.
For product information, customer services or sales support call us on +44 (0) 1245 324900 For the Republic of Ireland, contact MT Agencies on 01 864 3363
Sales: [email protected]
General information: [email protected]
Smith’s Environmental Products Ltd
Blackall Industrial Estate, South Woodham Ferrers,
Chelmsford, Essex CM3 5UW
SmithsEP.co.uk
@SmithsEP_UK #ThinkSmiths
Happy to help
Smith’s Environmental Products Ltd is one of the leading manufacturers of heating and cooling products in the UK. We are committed to achieving the highest standards and our faith is supported by a free parts and labour guarantee with every product (see our website for more information). Our customer service is second to none and we are happy to offer any help and guidance that you might need.
Stockists
All products are available nationally from Builders’ Merchants, Plumbers’ Merchants, Heating Equipment Distributors and Kitchen Equipment Distributors. In the event of difficulty, please contact us or visit our website SmithsEP.co.uk for details of your nearest stockist.
Information and advice
Full technical specifications and list prices is available to download from our website or in hard copy from our office. Also available on our website are price lists, individual product data sheets, installation & user guides, where to buy, who to contact and a media centre.
Alternatively contact our office 9.00am to 5.00pm Monday to Friday.
As part our commitment to continuous improvement Smith’s Environmental Products may change the specifications of its products without prior notification or public announcement. All descriptions, illustrations, drawings and specifications in this publication present only general particulars and shall not form part of any contract. All dimensions are in mm unless otherwise stated. Please visit the website for the most up to date information.
To view the full product information download the datasheet at: www.SmithsEP.co.uk
For product information, customer services or sales support call us on +44 (0) 1245 324900 For the Republic of Ireland, contact MT Agencies on 01 864 3363
Sales: [email protected]
General information: [email protected]
Smith’s Environmental Products Ltd
Blackall Industrial Estate, South Woodham Ferrers,
Chelmsford, Essex CM3 5UW
SmithsEP.co.uk
@SmithsEP_UK
#ThinkSmiths
Issue 003 | November 2022
Smith’s, providing comfort for the built environment.co.uk
Issue 003 – November 2022




















