HEVAC AWEC Series Ec Fan Auto Manual Modules

INTRODUCTION
- Made in Australia to Australian Standards.
- Multiple I/O versions : single, 3 way, 5 way.
- Auto / Manual inputs can be looped to other 24vAC relays etc.
- Manual potentiometer can adjust output from 0-10vDC.
- Potential Free (24v 1Amp max.) SPST Fan Enable Relay Output …selectable by jumper as N/O or N/C potential free contacts.
- Din rail mount low profile.
APPLICATION
The AWEC modules are intended for use as a low cost alternative to traditional plug in relays & potentiometers for Auto/Off/Manual EC fan speed interlocks & control. The device is available in 3 versions – a Single output module AWEC-1, AWEC-3 or a 5 way version AWEC-5. The output signal to the EC fan is derived either from the onboard potentiometer/s (in manual mode) or to pass out the 0-10vdc signal/s from an external control device ie BMS EC fan speed control outputs. The potentiometer shaft / knob can be removed exposing only a hexagonal hole to decrease the ability to tamper post-commissioning manual fan speed settings if desired.
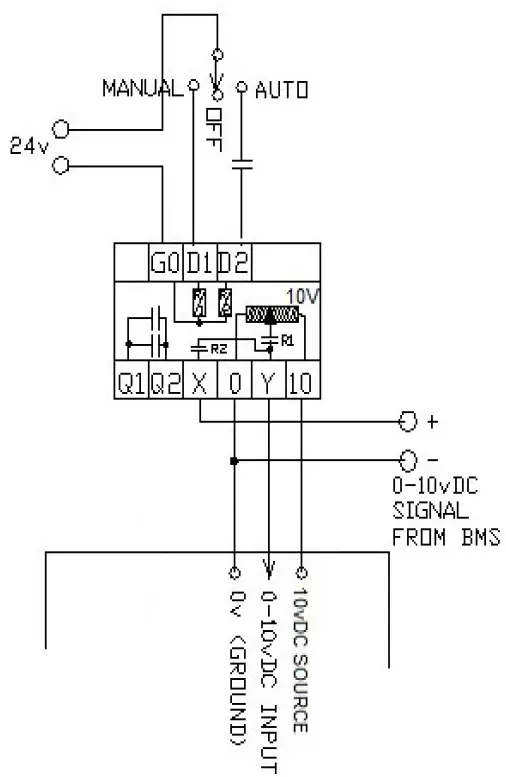
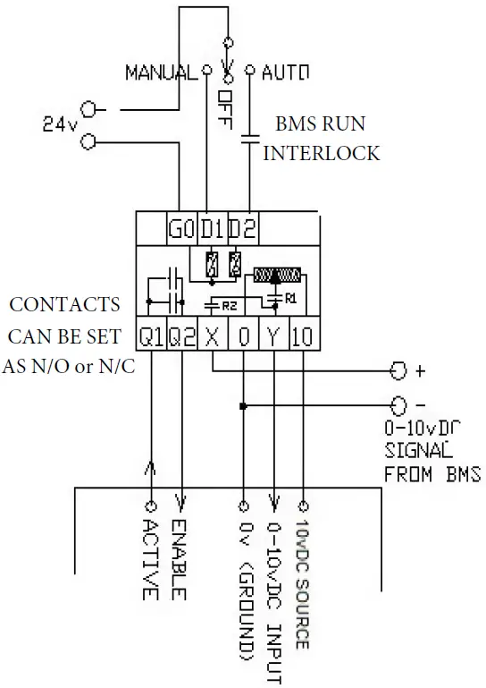
TERMINAL LEGEND

- GO 24v NEUTRAL
- D1 24v ACTIVE to energise relay 1 (Manual)
- D2 24v ACTIVE to energise relay 2 (Auto)
- Q1 & Q2 Auxiliary SPST N/O or N/C contacts
- X External (AUTO) 0-10vdc signal input
- 0 EC Fan & potentiometer DC ground interlock
- Y EC Fan 0-10Vdc output control interlock
- 10 10vDC Supply from EC Fan
DIMENSIONS

EC FAN SPEED CONTROL WITH VARIABLE EXTERNAL INPUT & MANUAL SPEED VIA SWBD SWITCH.
EC FAN SPEED CONTROL WITH VARIABLE EXTERNAL INPUT & MANUAL SPEED SELECT VIA SWBD SWITCH C/W FAN RUN RELAY ENABLE OUTPUT.
BASIC MANUAL EC FAN SPEED.
HEVAC CONTROL AGENCIES PTY.LTD www.hevac.com.au 613 95627888

















