Puravent 19547 KD 500M1 CIRC. Duct Fan

Description
- High efficiency – low noise
- Speed-controllable
- Integral thermal contacts
- Can be installed in any position
- Maintenance-free and reliable
The KD series have external rotor motors with a new type of mixed flow impeller which reduces the external dimensions of the fans. These fans have a high capacity in relation to their compact design. Brackets are supplied with the fans to make installation easier. The FK mounting clamp facilitates easy installation and removal and prevents the transfer of vibrations to the duct. To protect the motor from overheating the fan has integral thermal contacts with leads to a motor protection device. The casing is manufactured from galvanised sheet steel.
Technical parameters
| Nominal data | ||
| Voltage | 230 | V |
| Frequency | 50 | Hz |
| Phase | 1 | ~ |
| Input power (P1) | 1386 | W |
| Current | 6,12 | A |
| Max. airflow | 2,37 | m³/s |
| R.p.m. | 1290 | r.p.m. |
| Capacitor | 30 | µF |
| Weight | 37 | kg |
| Temperature data | ||
| Max. temperature of transported air | 61,6 | °C |
| Max. temperature of transported air when speed-controlled | 57,3 | °C |
| Sound data | ||
| Sound pressure level at 3 m | 64,1 | dB(A) |
| Protection / Classification | ||
| Insulation class | F | |
| Enclosure class, motor | IP54 | |
Diagrams

Max efficiency
| Hydraulic data | ||||||||||
| Working air flow | 1,18 | m³/s | ||||||||
| Working static pressure | 378 | Pa | ||||||||
| Power | 1314 | W | ||||||||
| Speed | 1313 | r.p.m. | ||||||||
| Current | 5,78 | A | ||||||||
| SFP | 1,11 | W/(l/s) | ||||||||
| Voltage | 230 | V | ||||||||
| Sound power level | 63 | 125 | 250 | 500 | 1k | 2k | 4k | 8k | Tot | |
| Inlet | dB(A) | 69 | 75 | 76 | 75 | 73 | 72 | 65 | 59 | 82 |
| Outlet | dB(A) | 70 | 75 | 72 | 77 | 78 | 73 | 67 | 60 | 83 |
| Surrounding | dB(A) | 41 | 58 | 63 | 68 | 64 | 60 | 48 | 48 | 71 |
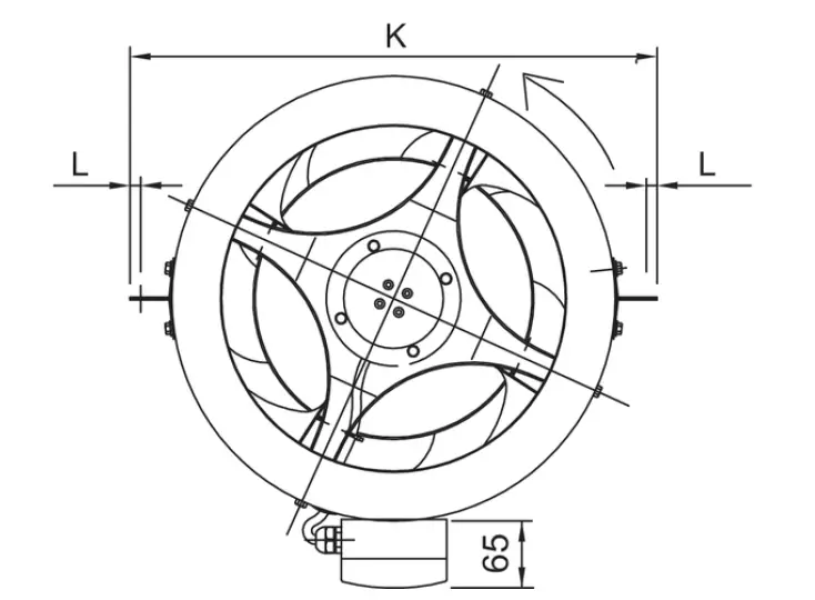
Dimensions

| øA | B C | øD (x4) | E F G øH | øI | øJ | K | L | |
| KD 400 M | 400 | 40 480 | 10 | 38 59 38 355 | 400 | 503 | 590 | 11 |
| KD 400 XL | 400 | 44 602 | 12 | 33 61 37 400 | 450 | 560 | 662 | 18,5 |
| KD 450 M | 450 | 44 559 | 12 | 33 61 37 400 | 450 | 560 | 662 | 18,5 |
| KD 450 XL | 450 | 46 686 | 12 | 45 76 50 450 | 500 | 660 | 812 | 18,5 |
| KD 500 M | 500 | 46 643 | 12 | 45 76 50 450 | 500 | 660 | 812 | 18,5 |
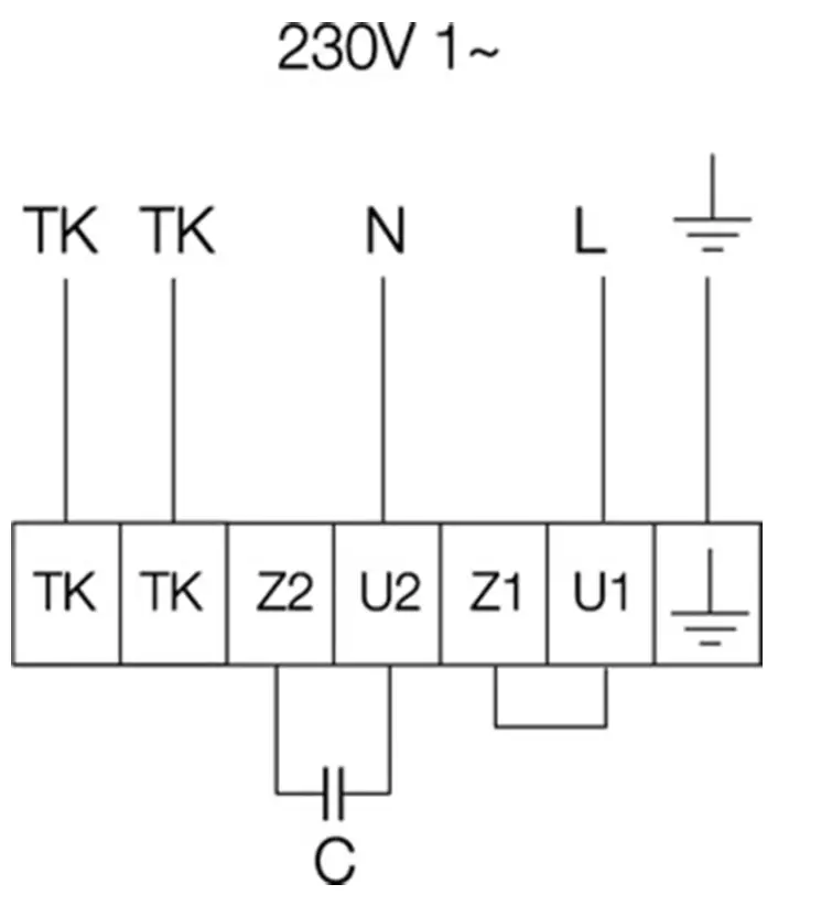
| Wiring |

Accessories
Electric accessories
- REU 7 Speed control (5007)
- RTRE 7 Speed control (5011)
- REPT 10 Digital regulator (5699)
- RT 0-30 Room Thermostat (5151)
- S-ET 10 Motor Protection (5154)
- S-ET 10E Motor Protection (5155)
- CO2RT-R-D Transmitter (6993)
- Presence detector/IR24-P (6995)
- REV-5POL/05 ON/OFF (33979)
- DTV500A (96807)
Accessories
- FK 500 Fast clamp (1617)
- SG 500 Protection guard (5615)
- VK-50 Louvre shutter (5646)
- RSK-500 Back draft damper (73049)
- VBC 500-2 Water heating batt (9837)
Documentation
132780_Fans_Instructions_Outside_EU_A002.pdf (1 006,63kB)
Name: KD 500M1 CIRC. DUCT FAN | Item no.: 19547 Document type: Product card | Document date: 2019-07-16 | Generated by: Online catalogue
Get In Touch Call: 0845 6880112 Email: [email protected] Our Address Puravent, Adremit Limited, Unit 5a, Commercial Yard, Settle, North Yorkshire, BD24 9RH





















