
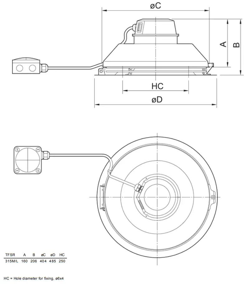
TFSR 315 M BLACK**
Item no. 27765
Version: 50 Hz
User Manual
Description
- Swing-out
- Speed-controllable
- Easy to install
- Reliable
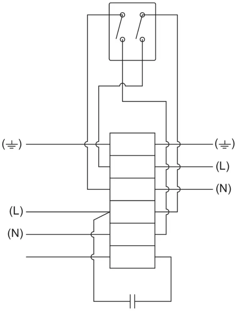
The TFSR range consists of roof fans with a circular base plate and are fitted with a single-inlet centrifugal fan with backward-curved blades and external rotor motors. The motors can be tilted outwards to facilitate inspection and service. They have integral on/off switch and are supplied with 1 m cable for fast connection to the mains e.g. via the connection box on the roof curb TOB or TOS.
These fans are suitable for exhaust-air ventilation systems, e.g. single and multiple dwellings, offices and day nurseries. To protect the motors from overheating, all motors have an integral thermal contact with electrical reset. The casings are manufactured from galvanized steel, with powder-coating in black colour. TFSR 125-160 are delivered with a Ø 160 spigot and TFSR 200-315 with a Ø 200.
For cold climates we recommend that the fan runs continuously to avoid problems with ice.
Technical parameters
Nominal data
| Voltage | 230 V |
| Frequency | 50 Hz |
| Phase | 1 ~ |
| Input power (P1) | 199 W |
| Current | 0,879 A |
| Max. airflow | 0,333 m³/s |
| R.p.m. | 2505 r.p.m. |
| Capacitor | 5 µF |
| Weight | 8 kg |
Temperature data
| Max. temperature of transported air | 67,2 °C |
| Max. temperature of transported air when speed-controlled | 60,3 °C |
Sound data
| Sound pressure level at 10 m | 43,1 dB(A) |
Protection / Classification
| Insulation class | F |
| Enclosure class, motor | IP44 |
Default group
| Colour | Black |
Diagrams

Max efficiency
| Hydraulic data | |
| ▲Working air flow | 0,173 m³/s |
| ▲Working static pressure | 531 Pa |
| ▲Power | 220 W |
| Speed | 2798 r.p.m. |
| Current | 0,961 A |
| SFP | 1,27 W/(l/s) |
| Voltage | 230 V |
| Sound power level | 63 | 125 | 250 | 500 | 1k | 2k | 4k | 8k | Tot | |
| Inlet | dB(A) | 57 | 63 | 66 | 68 | 68 | 67 | 63 | 57 | 74 |
| Outlet | dB(A) | 39 | 54 | 60 | 67 | 71 | 70 | 62 | 58 | 75 |
Dimensions

Wiring

Accessories
Electric accessories
RE 1,5 Speed control (5000)
REU 1.5 Speed control (5004)
REE 1 Speed control (5314)
REPT 6 Digital regulator (5698)
RT 0-30 Room Thermostat (5151)
CO2RT-R-D Transmitter (6993)
Presence detector/IR24-P (6995)
RETP 6 Temp/Pressure regulator (32293)
STL 1.5 Speed controller (84251)
MicroREX D21 Plus Time Switch (17822)
Accessories
LDC 200-600 Silencer (5194)
LDC 200-900 Silencer (5195)
RSK-200 Back draft damper (5602)
TOS 200-315 Roof curb Black (134464)
TOB 200-315 Roof curb Black (134461)
Documentation
202341_Fans_Instructions_CE_A010.pdf (1,83MB)
TFSR mounting instruction_205504 _A001.pdf (286,94kB)
Certificate S-mark TFSK_R 1309486_EN.pdf (1,77MB)
Specification text.
Document type: Product card
Document date: 2019-06-05
Generated by: Systemair Online Catalogue
Name: TFSR 315 M BLACK**
Item no.: 27765
Version: 50 Hz
Document type: Product card
Document date: 2019-06-05
Generated by: Online catalogue
Get In Touch
Call: 0845 6880112
Email: [email protected]
Our Address
Puravent, Adremit Limited, Unit 5a, Commercial Yard,
Settle, North Yorkshire, BD24 9RH


















