systemair TFSK 315 Black Roof Fans Direct Driven
Description
- Swing-out
- Speed-controllable
- Easy to install
- Reliable
The TFSK range consists of roof fans with square connection and are fitted with a single-inlet centrifugal fan with backward-curved blades and external rotor motors. The motors can be tilted outwards to facilitate inspection and service. They have integral on/off switch and are supplied with 1 m cable and are easy connected to our standard roof curbs TG, FDS and SSD. These fans are suitable for exhaust-air ventilation systems, e.g. single and multiple dwellings, offices and day nurseries. To protect the motors from overheating, all motors have an integral thermal contact with automatic reset. The fans are manufactured in powder-coated, galvanized sheet steel and are delivered in the standard colours of black or brick red.
Technical parameters
| Nominal data | ||
| Voltage | 230 | V |
| Frequency | 50 | Hz |
| Phase | 1 | ~ |
| Input power (P1) | 329 | W |
| Current | 1,43 | A |
| Max. airflow | 0,444 | m³/s |
| R.p.m. | 2401 | r.p.m. |
| Capacitor | 8 | µF |
| Weight | 10,7 | kg |
| Temperature data | ||
| Max. temperature of transported air | 42,2 | °C |
| Max. temperature of transported air when speed-controlled | 38 | °C |
| Sound data | ||
| Sound pressure level at 10 m | 53 | dB(A) |
| Protection / Classification | ||
| Insulation class | F | |
| Enclosure class, motor | IP44 | |
| Default group | ||
| Sound pressure level at 3 m | 77 | dB(A) |
Diagrams


| Max efficiency | |||||||||||
| Hydraulic data | |||||||||||
| Working air flow | 0,222 | m³/s | |||||||||
| Working static pressure | 450 | Pa | |||||||||
| Power | 320 | W | |||||||||
| Speed | 2432 | r.p.m. | |||||||||
| Current | 1,39 | A | |||||||||
| SFP | 1,44 | W/(l/s) | |||||||||
| Voltage | 230 | V | |||||||||
| Sound power level | 63 | 125 | 250 | 500 | 1k | 2k | 4k | 8k | Tot | ||
| Inlet | dB(A) | 51 | 70 | 68 | 75 | 71 | 67 | 63 | 54 | 78 | |
| Outlet | dB(A) | 37 | 62 | 65 | 82 | 79 | 73 | 64 | 57 | 84 | |
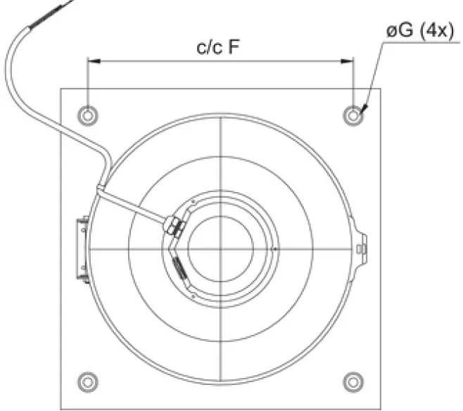
ٓDimensions


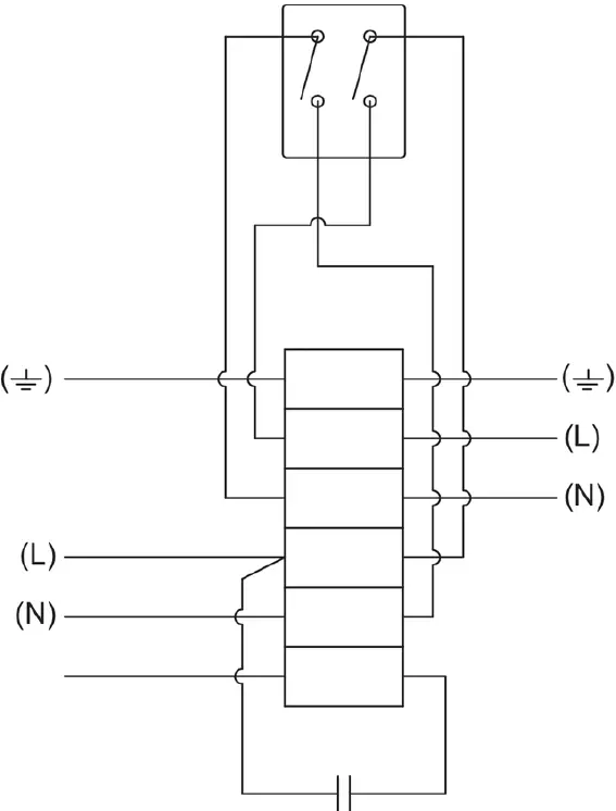
Wiring

Accessories
Electric accessories
- RE 1,5 Speed control (5000)
- REU 1.5 Speed control (5004)
- REE 2 Speed control (5316)
- REPT 6 Digital regulator (5698)
- RT 0-30 Room Thermostat (5151) CO2RT-R-D Transmitter (6993) Presence detector/IR24-P (6995)
- F251-16-60 Cooker hood transf (5931)
- DTV200 (6261)
- STL 3 Speed controller (84261
- MicroREX D21 Plus Time Switch (17822)
- DTV500A (96807)
Accessories
- LDC 200-600 Silencer (5194)
- LDC 200-900 Silencer (5195)
- TG 540-1230 Roof curb (1726)
- TG 540-800 Roof curb (1727)
- BTG 540 Back Draft Damper (5093)
- RSK-200 Back draft damper (5602)
- VKS 310/311 Back draft damper (9543)
- VKM 310/311 Back draft damper (9555)
- ASF 310/311 inlet flange DVS (9568)
- ASS 310/311 flex. inl.con. DVS (9575)
- FDS 315 M/LTFSK flat r. so. (30010)
- SSD 315 M/L TFSK Socket sil. (30086)
- ASK 315M/L TFSK for SSD 315 (309229)
- TDA DV 315 Adapter TFSK (309230)
- FDS-L 315 M/LTFSK flat r. so. (95280)




















