HAVACO RCM-150-160 Roof Fan

SAFETY WARNINGS
- Installation must only be carried out by qualified persons.
- Make sure that the installation complies with each country’s current mechanical and electrical norms.
- Once ready to use, the apparatus must fulfill the following standard:
- Standard for LOW-Pressure Installments 2014/35 EU
- The standard for Electromagnetic Compatibility 2014/30 EU
- Ventilators, or apparatus that include them, have been designed to move the air in the area stipulated on their characteristics plate.
- This apparatus must not be used in explosive or corrosive atmospheres.
- If a ventilator is going to be installed to extract air from premises where a boiler or other combustion apparatus is installed, make sure that the building has sufficient air intake to assure adequate
combustion. The extractor outlet must not be connected to a duct used exhaust smoke or fumes from any appliance that uses gas or any other type of fuel. - This appliance is not intended for use by young children or infirm persons unless they have been adequately supervised by a responsible person to ensure that they can use the appliance safely. Young children should be supervised to ensure that they do not play with the appliance.
INSTALLATION
Make sure there are no loose elements near the ventilator, as they could run the risk of being sucked up by it. If it is going to be installed in a duct, check that it is clean of any element that could be sucked up by the ventilator.
- When installing an apparatus, make sure that all the fittings are in place and that the structure which supports it is resistant enough to bear its weight at full functioning power.
- Before manipulating the apparatus, make sure the main supply is disconnected, even if the machine is switched off.
- Check that the main supply voltage and frequency values coincide with the stipulations on the characteristics plate.
- The electrical installation must include a double pole switch with a contact clearance of at least 3 mm, correctly sized, and in accordance with the electrical standards of the country of installation.
- Please follow the connections diagram for the electrical connections.
- If an earth connection is necessary, check that it is correctly connected and that adequate thermal and overloading protection has been connected and adjusted to the corresponding limits.
- If a ventilator is installed in a duct, the duct must be exclusively for the ventilation system.
Before starting up the machine, make sure that:
- The apparatus is well secured and the electrical connections have been carried out correctly.
- No loose material or fitting remains can be sucked up by the ventilator, If the ventilator has been mounted in a duct, make sure it is clear of loose material.
- The earth fittings are adequately connected.
- The electrical safety devices are correctly connected, adjusted, and ready for use.
- The wire and electrical connections inputs are correctly sealed and water-tight.
When starting up the machine, make sure that:
- The propeller turns in the correct direction.
- There are no abnormal vibrations.
- If any of the electrical safety devices blow, the apparatus must be quickly disconnected from the main supply. The whole installation should be carefully checked before trying to start up the machine again.
WIRING DIAGRAM
Wiring diagram with HRX speed control
Wiring diagram with HRS switch control
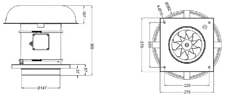
TECHNICAL DRAWING RCM-150-160/530M
TECHNICAL DATA RCM-150-160/530M
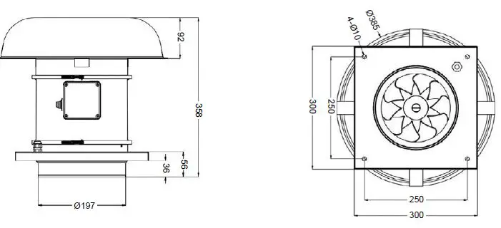
TECHNICAL DRAWING RCM-200/840M
TECHNICAL DATA RCM-200/840M
CLEANING AND MAINTENANCE
Before manipulating the ventilator, make sure it is disconnected from the main supply even if it has previously been switched off. Prevent the possibility of anyone else connecting it while it is being manipulated.
- The apparatus must be regularly inspected. These inspections should be carried out bearing in mind the machine’s working conditions, in order to avoid dirt or dust accumulating on the propeller, turbine, motor, or grids. This could be dangerous and perceptibly shorten the working life of the ventilator unit.
- While cleaning, great care should be taken not to too unstable the propeller or turbine.
- All maintenance and repair work should be carried out in strict compliance with each country’s current safety regulations.




















