Installation Manual
RE(C) Series
Exterior Roof / Wall Centrifugal Fans

Item #: 405262 Rev Date: 2021-02-18
The United States
10048 Industrial Blvd., Lenexa, KS, 66215
Tel.: 800.747.1762
Fax: 800.487.9915
Canada
50 Kanalflakt Way, Bouctouche, NB, E4S 3M5
Tel.: 800.565.3548
Fax: 877.747.8116
Fantech Inc. certifies that the RE(C) Series shown herein is licensed to bear the AMCA Seal. The ratings shown are based on tests and procedures performed in accordance with AMCA Publication 211 and AMCA Publication 311 and comply with the requirements of the AMCA Certified Ratings Program.
WARNINGS
- The compactness and adaptability of Models RE(C) fans permit easy installation. The straight-thru airflow fans are shipped fully assembled and can be mounted at any angle. For various mounting and ducting options. (see Typical Installations)
- Because this unit has rotating parts, safety precautions should be exercised during the installation, operation, and maintenance phase.
- CAUTION: “For General Ventilation Use Only. Do Not Use To Exhaust Hazardous Or Explosive Material and Vapors.”
- Remove unit from package and inspect within 15 days after receipt. If damaged, report damage to the carrier. Do Not operate this unit with visible damage to the blower or impeller assembly.
- Ensure centrifugal impeller has free rotation. If the impeller hits the orifice, check the screws holding the motor bracket. Adjustment can be made by loosening motor bracket screws, then pulling up on motor bracket while tightening the screws. Tighten all screws before operating the unit.
WEAR HAND PROTECTION AND STAY CLEAR OF SHARP EDGES. - Screen guards must be installed when fan will be within reach of personnel, within (7) feet of the working area, or when advisable for safety.
DO NOT CONNECT POWER SUPPLY until fan is completely installed. Make sure electrical service to the fan is in the locked “OFF” position.
- All units are suitable for use with solid-state speed control.
- WARNING! TO REDUCE THE RISK OF FIRE, ELECTRIC SHOCK, OR INJURY TO A PERSON OBSERVE THE FOLLOWING:
a. Use this unit only in the manner intended by the manufacturer. If you have any questions, contact your manufacturer’s representative.
b. CAUTION: Before installation, servicing or cleaning the unit, switch power off at the service panel and lock the service disconnecting means to prevent power from being switched on accidentally. When the service disconnecting means cannot be locked, securely fasten a prominent warning device, such as a tag, to the service panel.
c. Installation work and electrical wiring must be done by a qualified person(s) in accordance with all applicable codes and standards, including fire-rated construction.
d. Sufficient air is needed for proper combustion and exhausting of gases through the flue (chimney) of fuel-burning equipment to prevent back drafting. Follow the heating equipment manufacturer’s guideline and safety standards such as those published by the National Fire Association (NFPA), the American Society of Heating Refrigeration and Air Conditioning Engineers (ASHRAE), and the local code authorities.
e. When cutting or drilling into the wall and ceiling, do not damage electrical wiring and other hidden utilities.
f. Ducted fans must always be vented to the outdoors.
g. If this unit is to be installed over a tub or shower, it must be marked as appropriate for the application and be connected to a GFCI (Ground Fault Circuit Interrupter) – protected branch circuit.
h. NEVER place a switch where it can be reached from a tub or shower. - WARNING! Check voltage at the fan to see if it corresponds to the motor nameplate.
Typical Installations
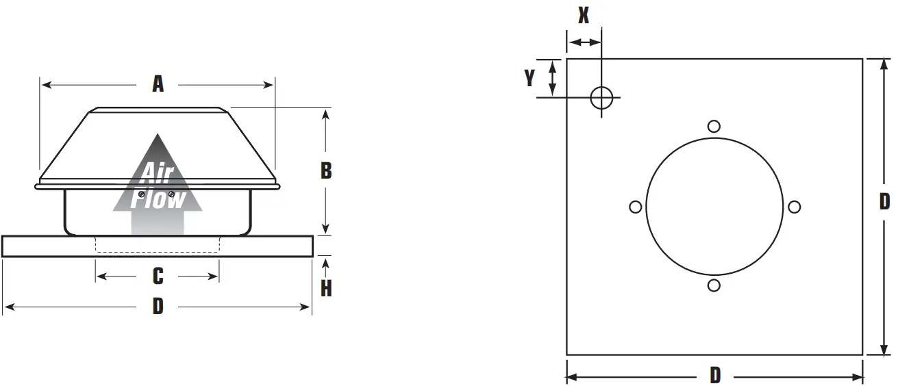
Dimensions
| Model | A | B | C | D | I | Y | Max RPM | Max Watts | Max Amps |
| RE(C) 54* | 10 15/16 | 6 | 5 | 15 1/2 | 2 3/4 | 6 11/16 | 3040 | 19 | 0.18 |
| RE(C) 6 | 13 15/16 | 6 1/4 | 6 | 15 1/2 | 3 9/16 | 2 1/2 | 2700 | 87 | 0.80 |
| RE(C) 8XL | 16 9/16 | 5 15/16 | 8 | 20 | 6 9/16 | 2 15/16 | 2800 | 153 | 1.40 |
| RE(C) 10XL | 20 13/16 | 11 1/2 | 10 | 20 | 3 | 3 | 3250 | 394 | 3.60 |
| RE(C) 10XLT | 20 13/16 | 12 11/16 | 10 | 20 | 3 | 3 | 2950 | 531 | 5. |
All dimensions in inches.
“H” dimensions is 11/2 on model REC only
* Optional 4″ reducer for dimension C
Installation Instructions
Suitable sealing such as tar or similar material (not included) should be used to prevent leakage. To prepare for installation, determine the size and type of ducting, if any, to be used. Make an opening in the roof just large enough to accommodate ducting and electrical supply.
Flat Base Mounting
- The base may be mounted directly on deck beneath roof shingles or the upper edge of the base plate may be slid underneath shingles.
- Securely screw or bolt base plate to roof through the four corner mounting points.
- Through the opening, attach ductwork to the fan inlet orifice by using Fantech FC clamps or duct tape.
- Refer to the wiring diagram in this guide to complete electrical connections.
- Once secured and wired, generously apply tar or another sealant around the edges of the base to prevent leakage. Be sure to replace any lifted shingles.
Curb Mounting
- Outside dimensions of the flanged curb should be approximately 3/8″ smaller than the outside dimensions of the base. Flanged curbs are available from Fantech.
- Center curb around roof opening and securely attach to the roof. It is advisable to put a bead of sealant around the inside edge of the curb.
- Before mounting the base on the curb, place a layer of sealant along the top edge of the curb.
- Place the unit on the curb and securely attach it with bolts or screws.
- Through the opening, attach ductwork to the fan inlet orifice by using Fantech FC clamps or duct tape.
- Refer to the wiring diagram in this guide to complete electrical connections.
- Once secured and wired, generously apply tar or another sealant around the edges of the base to prevent leakage. Be sure to replace any lifted shingles.
WIRING
SPECIAL WIRING PRECAUTIONS:
All installations should be wired according to the following diagrams. Failure to comply will cause the motor to “hum” or not work. All units are pre-wired, just bring incoming supply into marked ports on the terminal strip.
- Turn off power at the service entrance before wiring this fan.
- Read the fan data plate to determine the current draw. Check that the available supply is suitable.
- Remove the top enclosure of the fan and the wiring box lid. A 7/8″ hole is provided for electrical service entry. Be certain to use the proper connector type for securing conduit or cable.
- Connect electrical supply inside wiring terminal per the diagram below. 5. Replace wiring box lid and top enclosure.
The maximum torque that can be applied to the terminal block screws is 0.79 Nm (7 lb-in).

Warranty
Five (5) Year Warranty
This warranty supersedes all prior warranties
DURING THE ENTIRE WARRANTY PERIOD:
Fantech will repair or replace any part which has a factory defect in workmanship or material. The product may need to be returned to the Fantech factory, together with a copy of the bill of sale and identified with the RMA number.
FOR FACTORY RETURN YOU MUST:
- Have a Return Materials Authorization (RMA) number. This may be obtained by calling Fantech either in the USA at 1.800.747.1762 or in CANADA at 1.800.565.3548. Please have a bill of sale available.
- The RMA number must be clearly written on the outside of the carton, or the carton will be refused.
- All parts and/or products will be repaired/replaced and shipped back to the buyer; no credit will be issued.
OR The Distributor may place an order for the warranty part and/or product and is invoiced. The Distributor will receive a credit equal to the invoice only after the product is returned prepaid and verified to be defective.
FANTECH WARRANTY TERMS DO NOT PROVIDE FOR REPLACEMENT WITHOUT CHARGE PRIOR TO INSPECTION FOR A DEFECT. REPLACEMENTS ISSUED IN ADVANCE OF DEFECT INSPECTION ARE INVOICED, AND CREDIT IS PENDING INSPECTION OF RETURNED MATERIAL. DEFECTIVE MATERIAL RETURNED BY END-USERS SHOULD NOT BE REPLACED BY THE DISTRIBUTOR WITHOUT CHARGE TO THE END-USER, AS CREDIT TO DISTRIBUTOR’S ACCOUNT WILL BE PENDING INSPECTION AND VERIFICATION OF ACTUAL DEFECT BY FANTECH.
THE FOLLOWING WARRANTIES DO NOT APPLY
- Damages from shipping, either concealed or visible. The claim must be filed with the freight company.
- Damages resulting from improper wiring or installation.
- Damages or failure caused by acts of God or resulting from improper consumer procedures, such as:
1. Improper maintenance
2. Misuse, abuse, abnormal use, or accident, and
3. Incorrect electrical voltage or current. - Removal or any alteration made on the Fantech label control number or date of manufacture.
- Any other warranty, expressed, implied or written, and to any consequential or incidental damages, loss or property, revenues, or profit, or costs of removal, installation, or reinstallation, for any breach of warranty.
WARRANTY VALIDATION
- The user must keep a copy of the bill of sale to verify the purchase date.
- These warranties give you specific legal rights and are subject to applicable consumer protection legislation. You may have additional rights which vary from state to state.
Limitation of Warranty and Liability
This warranty does not apply to any Fantech product or part which has failed as a result of faulty installation or abuse, incorrect electrical connections or alterations made by others, or use under abnormal operating conditions or misapplication of the product or parts. We will not approve for payment any repair not made by us or our authorized agent without prior written consent. The foregoing shall constitute our sole and exclusive warranty and our sole exclusive liability, and is in lieu of any other warranties, whether written, oral, implied, or statutory. There are no warranties that extend beyond the description on the page hereof. In no event, whether as a result of a breach of contract, or warranty or alleged negligence, defect incorrect advice or other causes, shall Fantech be liable for special or consequential damages, including, but not limited to, loss of profits or revenue, loss of use of equipment or any other associated equipment, cost of capital, cost of substitute equipment, facilities or services, downtime costs, or claims of customers of purchase for such damages. Fantech neither assumes or authorizes any person to assume for it any other liability in connection with the sale of product(s) or part(s). Some jurisdictions do not allow the exclusion or limitation of incidental or consequential damages so the above limitations and exclusions may not apply to you.
Warning
Fantech products are designed and manufactured to provide reliable performance, but they are not guaranteed to be 100% free from defects. Even reliable products will experience occasional failures and this possibility should be recognized by the user. If these products are used in a life support ventilation system where failure could result in loss or injury, the user should provide adequate backup ventilation, supplementary natural ventilation, failure alarm system, or acknowledge willingness to accept the risk of such loss or injury.
Fantech reserves the right to make technical changes.
For updated documentation please refer to www.fantech.net
Dimensions


















