BLAUBERG TOWER-V EC Centrifugal Roof Fan

This user’s manual is a main operating document intended for technical, maintenance, and operating staff. The manual contains information about purpose, technical details, operating principle, design, and installation of the TOWER-V/H EC unit and all its modifications. Technical and maintenance staff must have theoretical and practical training in the field of ventilation systems and should be able to work in accordance with workplace safety rules as well as construction norms and standards applicable in the territory of the country.
SAFETY REQUIREMENTS
All user’s manual requirements as well as the provisions of all the applicable local and national construction, electrical, and technical norms and standards must be observed when installing and operating the unit Disconnect the unit from the power supply prior to any connection, servicing, maintenance, and repair operations. Only qualified electricians with a work permit for electrical units up to 1000 V are allowed for installation. The present user’s manual should be carefully read before beginning works. Check the unit for any visible damage of the impeller, the casing, and the grille before starting installation. The casing internals must be free of any foreign objects that can damage the impeller blades. While mounting the unit, avoid compression of the casing! Deformation of the casing may result in motor jam and excessive noise. Misuse of the unit and any unauthorised modifications are not allowed. Transported air must not contain any dust or other solid impurities, sticky substances, or fibrous materials. Do not use the unit in a hazardous or explosive environment containing spirits, gasoline, insecticides, etc. Do not close or block the intake or extract vents in order to ensure the efficient air flow.
TOWER-V/H EC
Do not sit on the unit and do not put objects on it. The information in this user’s manual was correct at the time of the document’s preparation. The Company reserves the right to modify the technical characteristics, design, or configuration of its products at any time in order to incorporate the latest technological developments. Never touch the unit with wet or damp hands. Never touch the unit when barefoot. This appliance can be used by children aged from 8 years and above and persons with reduced physical, sensory or mental capabilities or lack of experience and knowledge if they have been given supervision or instruction concerning use of the appliance in a safe way and understand the hazards involved.
Cleaning and user maintenance shall not be made by children without supervision. Children shall not play with the appliance. Connection to the mains must be made through a disconnecting device, which is integrated into the fixed wiring system in accordance with the wiring rules for design of electrical units, and has a contact separation in all poles that allows for full disconnection under overvoltage category III conditions.
If the supply cord is damaged, it must be replaced by the manufacturer, its service agent, or similarly qualified persons in order to avoid a safety hazard.
Ensure that the unit is switched off from the supply mains before removing the guard.
WARNING: If there are any unusual oscillating movements, immediately stop using the unit and contact the manufacturer, its service agent or suitably qualified persons. The replacement of parts of the safety suspension system device shall be performed by the manufacturer, its service agent or suitably qualified persons. Precautions must be taken to avoid the back-flow of gases into the room from the open flue of gas or other fuel-burning appliances.
The manufacturer, designer, installer and operator are responsible for the correct operation and functioning of the unit.
THE PRODUCT MUST BE DISPOSED SEPARATELY AT THE END OF ITS SERVICE LIFE. DO NOT DISPOSE THE UNIT AS UNSORTED DOMESTIC WASTE. THE UNIT SHOULD NOT BE OPERATED BY CHILDREN OR PERSONS WITH REDUCED PHYSICAL, MENTAL, OR SENSORY CAPACITIES, OR THOSE WITHOUT THE APPROPRIATE TRAINING. THE UNIT MUST BE INSTALLED AND CONNECTED ONLY BY PROPERLY QUALIFIED PERSONNEL AFTER THE APPROPRIATE BRIEFING. THE CHOICE OF UNIT INSTALLATION LOCATION MUST PREVENT UNAUTHORISED ACCESS BY UNATTENDED CHILDREN.
The TOWER-V/H EC roof fans in metal casing are designed for ventilation systems in industrial premises as well as pools, apartment buildings, offices, hospitals, restaurants and other premises heated during the winter season. The fan is mounted on the external exhaust shaft of the air duct and is used only for exhaust ventilation.
DESIGNATION KEY

TECHNICAL DATA
The unit is rated as a Class I electrical appliance.
|
Parameter | TOWER-V/H EC 190 | TOWER-V/H EC 225 | TOWER-V/H EC 250 | TOWER-V/H EC 280 | TOWER-V/H EC 310 | TOWER-V/H EC 355 | TOWER-V/H EC 400 | TOWER-V/H EC 450 | TOWER-V/H EC 500 | TOWER-V/H EC 560 | TOWER-V/H EC 630 |
| Unit voltage [V/50 (60) Hz] | 1~ 230 | 1~ 230 | 1~ 230 | 1~230 | 1~230 | 1~230 | 1~230 | 3~400 | 3~400 | 3~400 | 3~400 |
| Power [W] | 102 | 101 | 161 | 182 | 391 | 669 | 526 | 1323 | 1350 | 2412 | 2973 |
| Current [A] | 0.77 | 0.80 | 1.29 | 1.34 | 1.72 | 4,95 | 3.90 | 3.27 | 2.08 | 3.83 | 4.66 |
| Maximum air flow [m³/h] | 670 | 1 290 | 1 470 | 2 330 | 3 100 | 3 830 | 5 380 | 8 110 | 10 900 | 13 640 | 18 270 |
| RPM [min-1] | 3520 | 2400 | 3300 | 2610 | 2600 | 1550 | 1450 | 1560 | 1480 | 1540 | 1450 |
| Sound pressure level at 3 m distance [dBA] | 52 | 47 | 54 | 48 | 49 | 51 | 58 | 63 | 67 | 69 | 71 |
| Transported air temperature [°C] | -25…+60 | -25…+60 | -25…+60 | -20…+60 | -20…+60 | -25…+50 | -25…+50 | -20…+60 | -25…+50 | -25…+60 | -25…+55 |
| Motor protection rating | IP54 | IP54 | IP54 | IP44 | IP54 | IP54 | IP54 | IP54 | IP55 | IP54 | IP54 |
| Product protection rating | IPX4 | IPX4 | IPX4 | IPX4 | IPX4 | IPX4 | IPX4 | IPX4 | IPX4 | IPX4 | IPX4 |

| Ø D | ø d | M | A | H | L | L1 | L2 | [kg] | |
| TOWER-V EC 190 | 213 | 9 | M6 | 417 | 166 | 355 | 245 | 470 | 7 |
| TOWER-V EC 225 | 213 | 9 | M6 | 417 | 210 | 355 | 245 | 470 | 7 |
| TOWER-V EC 250 | 285 | 11 | M6 | 481 | 236 | 425 | 330 | 534 | 11 |
| TOWER-V EC 280 | 285 | 11 | M6 | 547 | 274 | 425 | 330 | 600 | 14 |
| TOWER-V EC 310 | 285 | 11 | M6 | 613 | 296 | 477 | 330 | 666 | 20 |
| TOWER-V EC 355 | 438 | 11 | M8 | 738 | 326 | 598 | 450 | 791 | 23 |
| TOWER-V EC 400 | 438 | 11 | M8 | 738 | 371 | 598 | 450 | 791 | 25 |
| TOWER-V EC 450 | 438 | 11 | M8 | 738 | 425 | 668 | 535 | 791 | 44 |
| TOWER-V EC 500 | 438 | 11 | M8 | 859 | 456 | 668 | 535 | 912 | 52 |
| TOWER-V EC 560 | 605 | 11 | M8 | 859 | 478 | 850 | 750 | 912 | 65 |
| TOWER-V EC 630 | 605 | 20 | M8 | 951 | 530 | 939 | 750 | 1004 | 83 |
| Model | Overall and connecting dimensions [mm] | Weight [kg] | |||||||
| Ø D | ø d | M | H | H1 | A | L | L1 | ||
| TOWER-H EC 190 | 213 | 11 | M6 | 189 | 195 | 351 | 350 | 245 | 8 |
| TOWER-H EC 225 | 213 | 11 | M6 | 234 | 241 | 351 | 350 | 245 | 8 |
| TOWER-H EC 250 | 285 | 11 | M6 | 237 | 244 | 451 | 450 | 330 | 13 |
| TOWER-H EC 280 | 285 | 11 | M6 | 263 | 270 | 451 | 450 | 330 | 13 |
| TOWER-H EC 310 | 285 | 11 | M6 | 263 | 270 | 451 | 450 | 330 | 16 |
| TOWER-H EC 355 | 438 | 11 | M8 | 322 | 361 | 625 | 620 | 450 | 27 |
| TOWER-H EC 400 | 438 | 11 | M8 | 384 | 422 | 625 | 620 | 450 | 27 |
| TOWER-H EC 450 | 438 | 11 | M8 | 420 | 459 | 710 | 700 | 535 | 46 |
| TOWER-H EC 500 | 445 | 11 | M8 | 467 | 506 | 710 | 700 | 535 | 51 |
| TOWER-H EC 560 | 605 | 11 | M8 | 489 | 528 | 900 | 895 | 750 | 71 |
| TOWER-H EC 630 | 600 | 20 | M8 | 520 | 560 | 1000 | 990 | 750 | 101 |
DESIGN AND OPERATING PRINCIPLE
Depending on the model the fan casing is made of polymer coated steel, aluminium or galvanized steel. The units feature electronically commutated (EC) direct current motors with an external rotor and centrifugal impellers with backward curved blades. EC motor is free of friction and wear parts such as a commutator and brushes. These components are replaced by a maintenance-free electronic circuit board. In conditions of low temperatures and high humidity, in order to avoid freezing or water ingress into the duct, the unit must be operated continuously.
MOUNTING AND SET-UP
BEFORE MOUNTING MAKE SURE THE CASING DOES NOT CONTAIN ANY FOREIGN OBJECTS (E.G. FOIL, PAPER). WHILE INSTALLING THE UNIT ENSURE CONVENIENT ACCESS FOR SUBSEQUENT MAINTENANCE AND REPAIR.
- Fans are designed for horizontal mounting on a flat roof directly above an air duct or a ventilation shaft.
- In order to avoid ingress of water and snow into the ventilation duct, it is possible to install a fan on the mounting frame.
- The fan is connected to the ventilation duct by means of a counter flange, which is attached directly to the fan base.
- The fan base has holes for fixing bolts that attach the fan to a stationary even surface or to a mounting frame.
- In the TOWER-V 225 ЕС, TOWER-V/H 500 ЕС, TOWER-V/H 630 ЕС models the counter flange is attached together with the fan inlet ring.
- A mounting frame, a counter flange and mounting bolts are not included in the delivery set and must be purchased separately.
TOWER-V ЕС

TOWER-H ЕС

OPERATION OF FANS WITHOUT A CONNECTED AIR DUCT SYSTEM IS IMPROPER
INSTALLATION CHART

INSTALLATION EXAMPLES

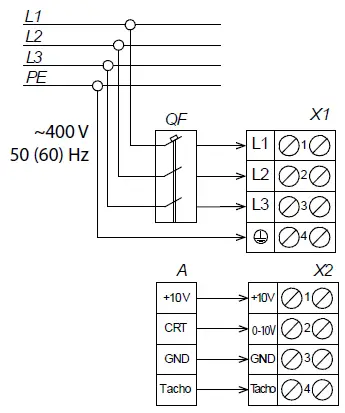
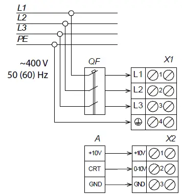
CONNECTION TO POWER MAINS
DISCONNECT THE POWER SUPPLY PRIOR TO ANY OPERATIONS WITH THE UNIT. CONNECTION OF THE UNIT TO POWER MAINS IS ALLOWED BY A QUALIFIED ELECTRICIAN WITH A WORK PERMIT FOR THE ELECTRIC UNITS UP TO 1000 V AFTER CAREFUL READING OF THE PRESENT USER’S MANUAL. THE RATED ELECTRICAL PARAMETERS OF THE UNIT ARE GIVEN ON THE MANUFACTURER’S LABEL.
- The unit is rated for connection to power mains with the parameters specified in the «Technical specifications» section, according to the wiring diagram.
- The unit must be connected to power mains using insulated electric conductors (cables, wires). The actual wire cross section selection must be based on the maximum load current, maximum conductor temperature depending on the wire type, insulation, length and installation method.
- The external power input must be equipped with an automatic circuit breaker built into the stationary wiring to open the electric circuit in case of overload or short-circuit. The circuit breaker installation place must provide quick access for emergency shutdown of the unit. The trip current of the automatic circuit breaker QF must exceed the maximum current consumption of the unit (refer to the technical data table). The recommended trip current of the circuit breaker is the next current in the standard trip current row following the maximum current of the connected unit. The automatic circuit breaker is not included in the delivery set.
Electrical connection is made on the terminal block located in the remote or integrated terminal box of the electric motor. The terminal designations are shown on the label inside the fan casing.
ACCESS TO THE TERMINAL BLOCK TOWER-V ЕС

ACCESS TO THE TERMINAL BLOCK TOWER-H ЕС

Power supply parameters and examples of wiring diagrams depending on the unit model

- TOWER-V/H EC 190
- TOWER-V/H EC 225
- TOWER-V/H EC 250
- TOWER-V/H EC 280
- TOWER-V/H EC 310
- TOWER-V/H EC 355
- TOWER-V/H EC 400
TOWER-V/H EC 450

- TOWER-V/H EC 500
- TOWER-V/H EC 560
- TOWER-V/H EC 630

| Model | Recommended cable, nxS, where n is the number of wires, and S is the cross section in mm2 |
| TOWER-V/H EC 190…400 | 3 x 1,0 |
| TOWER-V/H EC 450 | 5 x 0,75 |
| TOWER-V/H EC 500…630 | 5 x 1,5 |
TECHNICAL MAINTENANCE
DISCONNECT THE UNIT FROM POWER SUPPLY BEFORE ANY MAINTENANCE OPERATIONS! MAKE SURE THE UNIT IS DISCONNECTED FROM POWER MAINS BEFORE REMOVING THE PROTECTION
- The technical maintenance includes periodic cleaning of the surfaces from accumulated dust and dirt.
- When carrying out fan maintenance, it is necessary to partially disassemble it in order to access contaminated parts of the fan.
- The impeller blades require thorough cleaning once in 6 months.
- Use a soft dry cloth, brush or compressed air to remove dust.
- Carry out wet cleaning using warm water and a mild household detergent.
- Protect the electric motor against liquid ingress.
- Do not immerse the unit in water!
- Do not use aggressive solvents, or sharp objects as they may damage the impeller.
TOWER-V EC 190, TOWER-V EC 225, TOWER-V EC 250, TOWER-V EC 280, TOWER-V EC 310, TOWER-V EC 355 with a hinged cover and a motor

TOWER-V EC 400, TOWER-V EC 450, TOWER-V EC 500, TOWER-V EC 560, TOWER-V/H EC 630

TOWER-H EC

TROUBLESHOOTING
| Problem | Possible reasons | Troubleshooting |
| The fan does not start. | No power supply. | Make sure the power supply line is connected correctly, otherwise troubleshoot a connection error. |
| Noise, vibration. | The fan impeller is soiled. | Clean the impellers. |
| The fan or casing screw connection is loose. | Tighten the screw connection of the casing against stop. |
STORAGE AND TRANSPORTATION REGULATIONS
- Store the unit in the manufacturer’s original packaging box in a dry closed ventilated premise with temperature range from +5 ˚C to +40 ˚C and relative humidity up to 70 %.
- Storage environment must not contain aggressive vapors and chemical mixtures provoking corrosion, insulation, and sealing deformation.
- Use suitable hoist machinery for handling and storage operations to prevent possible damage to the unit.
- Follow the handling requirements applicable for the particular type of cargo.
- The unit can be carried in the original packaging by any mode of transport provided proper protection against precipitation and mechanical damage. The unit must be transported only in the working position.
- Avoid sharp blows, scratches, or rough handling during loading and unloading.
- Prior to the initial power-up after transportation at low temperatures, allow the unit to warm up at operating temperature for at least 3-4 hours.
MANUFACTURER’S WARRANTY
The product is in compliance with EU norms and standards on low voltage guidelines and electromagnetic compatibility. We hereby declare that the product complies with the provisions of Electromagnetic Compatibility (EMC) Directive 2014/30/EU of the European Parliament and of the Council, Low Voltage Directive (LVD) 2014/35/EU of the European Parliament and of the Council and CE-marking Council Directive 93/68/EEC. This certificate is issued following test carried out on samples of the product referred to above. The manufacturer hereby warrants normal operation of the unit for 24 months after the retail sale date provided the user’s observance of the transportation, storage, installation, and operation regulations. Should any malfunctions occur in the course of the unit operation through the Manufacturer’s fault during the guaranteed period of operation, the user is entitled to get all the faults eliminated by the manufacturer by means of warranty repair at the factory free of charge. The warranty repair includes work specific to elimination of faults in the unit operation to ensure its intended use by the user within the guaranteed period of operation. The faults are eliminated by means of replacement or repair of the unit components or a specific part of such unit component.
The warranty repair does not include:
- routine technical maintenance
- unit installation/dismantling
- unit setup
To benefit from warranty repair, the user must provide the unit, the user’s manual with the purchase date stamp, and the payment paperwork certifying the purchase. The unit model must comply with the one stated in the user’s manual. Contact the Seller for warranty service.
The manufacturer’s warranty does not apply to the following cases:
- User’s failure to submit the unit with the entire delivery package as stated in the user’s manual including submission with missing component parts previously dismounted by the user.
- Mismatch of the unit model and the brand name with the information stated on the unit packaging and in the user’s manual.
- User’s failure to ensure timely technical maintenance of the unit.
- External damage to the unit casing (excluding external modifications as required for installation) and internal components caused by the user.
- Redesign or engineering changes to the unit.
- Replacement and use of any assemblies, parts and components not approved by the manufacturer.
- Unit misuse.
- Violation of the unit installation regulations by the user.
- Violation of the unit control regulations by the user.
- Unit connection to power mains with a voltage different from the one stated in the user’s manual.
- Unit breakdown due to voltage surges in power mains.
- Discretionary repair of the unit by the user.
- Unit repair by any persons without the manufacturer’s authorization.
- Expiration of the unit warranty period.
- Violation of the unit transportation regulations by the user.
- Violation of the unit storage regulations by the user.
- Wrongful actions against the unit committed by third parties.
- Unit breakdown due to circumstances of insuperable force (fire, flood, earthquake, war, hostilities of any kind, blockades).
- Missing seals if provided by the user’s manual.
- Failure to submit the user’s manual with the unit purchase date stamp.
- Missing payment paperwork certifying the unit purchase.
FOLLOWING THE REGULATIONS STIPULATED HEREIN WILL ENSURE A LONG AND TROUBLE-FREE OPERATION OF THE UNIT.
USER’S WARRANTY CLAIMS SHALL BE SUBJECT TO REVIEW ONLY UPON PRESENTATION OF THE UNIT, THE PAYMENT DOCUMENT AND THE USER’S MANUAL WITH THE PURCHASE DATE STAMP.
CERTIFICATE OF ACCEPTANCE
| Unit Type | Centrifugal roof fan |
| Model | |
| Serial Number | |
| Manufacture Date | |
| Quality Inspector’s Stamp |
SELLER INFORMATION
| Seller | |
| Address | |
| Phone Number | |
| Purchase Date | |
| This is to certify acceptance of the complete unit delivery with the user’s manual. The warranty terms are acknowledged and accepted. | |
| Customer’s Signature | |
INSTALLATION CERTIFICATE
| The unit is installed pursuant to the requirements stated in the present user’s manual. | ||
| Company name | ||
| Address | ||
| Phone Number | ||
| Installation Technician’s Full Name | ||
| Installation Date: | Signature: | |
| The unit has been installed in accordance with the provisions of all the applicable local and national construction, electrical and technical codes and standards. The unit operates normally as intended by the manufacturer. | ||
| Signature: | ||
WARRANTY CARD
| Unit Type | Centrifugal roof fan |
| Model | |
| Serial Number | |
| Manufacture Date | |
| Purchase Date | |
| Warranty Period | |
| Seller |
www.blaubergventilatoren.de B204-1EN-02





















