BLAUBERG Ventilation Box EC Inline Centrifugal Fan

This user’s manual is a main operating document intended for technical, maintenance, and operating staff.
The manual contains information about purpose, technical details, operating principle, design, and installation of the Box EC unit and all its modifications.
Technical and maintenance staff must have theoretical and practical training in the field of ventilation systems and should be able to work in accordance with workplace safety rules as well as construction norms and standards applicable in the territory of the country
SAFETY REQUIREMENTS
All operations described in this manual must be performed by qualified personnel only, properly trained and qualified to install, make electrical connections and maintain ventilation units.
Do not attempt to install the product, connect it to the mains, or perform maintenance yourself.
This is unsafe and impossible without special knowledge.
Disconnect the power supply prior to any operations with the unit.
All user’s manual requirements as well as the provisions of all the applicable local and national construction, electrical, and technical norms and standards must be observed when installing and operating the unit.
Disconnect the unit from the power supply prior to any connection, servicing, maintenance, and repair operations.
Only qualified electricians with a work permit for electrical units up to 1000 V are allowed for installation. The present user’s manual should be carefully read before beginning works.
Check the unit for any visible damage of the impeller, the casing, and the grille before starting installation. The casing internals must be free of any foreign objects that can damage the impeller blades.
While mounting the unit, avoid compression of the casing! Deformation of the casing may result in motor jam and excessive noise.
Misuse of the unit and any unauthorised modifications are not allowed.
Do not expose the unit to adverse atmospheric agents (rain, sun, etc.).
Transported air must not contain any dust or other solid impurities, sticky substances, or fibrous materials.
Do not use the unit in a hazardous or explosive environment containing spirits, gasoline, insecticides, etc.
Do not close or block the intake or extract vents in order to ensure the efficient air flow.
Do not sit on the unit and do not put objects on it.
The information in this user’s manual was correct at the time of the document’s preparation.
The Company reserves the right to modify the technical characteristics, design, or configuration of its products at any time in order to incorporate the latest technological developments.
Never touch the unit with wet or damp hands.
Never touch the unit when barefoot.
BEFORE INSTALLING ADDITIONAL EXTERNAL DEVICES, READ THE RELEVANT USER MANUALS.
![]() | THE PRODUCT MUST BE DISPOSED SEPARATELY AT THE END OF ITS SERVICE LIFE. DO NOT DISPOSE THE UNIT AS UNSORTED DOMESTIC WASTE |
PURPOSE
THE UNIT SHOULD NOT BE OPERATED BY CHILDREN OR PERSONS WITH REDUCED PHYSICAL, MENTAL, OR SENSORY CAPACITIES, OR THOSE WITHOUT THE APPROPRIATE TRAINING. THE UNIT MUST BE INSTALLED AND CONNECTED ONLY BY PROPERLY QUALIFIED PERSONNEL AFTER THE APPROPRIATE BRIEFING. THE CHOICE OF UNIT INSTALLATION LOCATION MUST PREVENT UNAUTHORISED ACCESS BY UNATTENDED CHILDREN.
The inline centrifugal fan is designed for supply and exhaust ventilation systems of commercial, office and other public or industrial premises with high requirements to the noise level and limited space for mounting.
The unit is rated for continuous operation.
The unit is a component part and is not designed for stand-alone operation.
Transported air must not contain any flammable or explosive mixtures, evaporation of chemicals, sticky substances, fibrous materials, coarse dust, soot and oil particles or environments favourable for the formation of hazardous substances (toxic substances, dust, pathogenic germs).
DELIVERY SET
| NAME | NUMBER |
| Fan | 1 pc. |
| User’s manual | 1 pc. |
| Packing box | 1 pc. |
DESIGNATION KEY

TECHNICAL DATA
The unit is designed for indoor application with the ambient temperature ranging from 0 °C up to +45 °C and relative humidity up to 80 %. The unit is rated as a Class I electrical appliance.
Hazardous parts access and water ingress protection rating: for the unit connected to the air ducts – IPX4.
The unit design is constantly being improved, thus some models may be slightly different from those described in this manual.
Dimension

| Model | Dimensions [mm] | Weight [kg] | |||||||
| B | B1 | B2 | H | H1 | H2 | H3 | L | ||
| Box EC 30×15-1 | 300 | 320 | 340 | 150 | 170 | 190 | 228 | 350 | 5.5 |
| Box EC 30×15-1 max | 300 | 320 | 340 | 150 | 170 | 190 | 228 | 350 | 6.0 |
| Box EC 40×20-1 | 400 | 420 | 440 | 200 | 220 | 240 | 278 | 440 | 8.3 |
| Box EC 40×20-1 max | 400 | 420 | 440 | 200 | 220 | 240 | 278 | 440 | 10.0 |
| Box EC 50×25-1 | 500 | 520 | 540 | 250 | 270 | 290 | 328 | 530 | 15.7 |
| Box EC 50×25-1 max | 500 | 520 | 540 | 250 | 270 | 290 | 328 | 530 | 17.9 |
| Box EC 50×30-1 max | 500 | 520 | 540 | 300 | 320 | 340 | 410 | 530 | 18.7 |
| Box EC 60х30-1 max | 600 | 620 | 640 | 300 | 320 | 340 | 370 | 680 | 26,5 |
| Box EC 60×30-1 | 600 | 620 | 640 | 300 | 320 | 340 | 407 | 650 | 24.1 |
| Box EC 60×35-1 | 600 | 620 | 640 | 350 | 370 | 390 | 457 | 650 | 25.2 |
| Box EC 60×35-3 max | 600 | 620 | 640 | 350 | 370 | 390 | 512 | 650 | 36.0 |
| Box EC 70×40-1 | 700 | 720 | 740 | 400 | 420 | 440 | 496 | 750 | 42.2 |
| Box EC 70×40-3 max | 700 | 720 | 740 | 400 | 420 | 440 | 555 | 750 | 43.0 |
| Box EC 80×50-3 | 800 | 820 | 840 | 500 | 520 | 540 | 614 | 850 | 62.3 |
| Box EC 80×50-3 max | 800 | 820 | 840 | 500 | 520 | 540 | 670 | 850 | 54.3 |
| Box EC 90×50-3 max | 900 | 920 | 940 | 500 | 520 | 540 | 656 | 950 | 72.0 |
| Box EC 100×50-3 max | 1000 | 1020 | 1040 | 500 | 520 | 540 | 656 | 950 | 77.0 |
INSTALLATION AND SET-UP
BEFORE MOUNTING MAKE SURE THE CASING DOES NOT CONTAIN ANY FOREIGN OBJECTS (E.G. FOIL, PAPER).
WHILE INSTALLING THE UNIT ENSURE CONVENIENT ACCESS FOR SUBSEQUENT MAINTENANCE AND REPAIR.
Check the fan power cables for integrity and make sure the impeller has smooth rotation prior to mounting.
The fans are mounted into the rectangular ducts and require no special fixing in case of direct connection.
Connect the fan to air ducts with M8 bolts and nuts.
The fans can be mounted in any position with respect to the airflow direction which is indicated with a pointer on the casing.
Access for the fan maintenance shall be provided.
The casing is equipped with a removable access cover for maintenance purposes.

CONNECTION TO POWER MAINS
DISCONNECT THE POWER SUPPLY PRIOR TO ANY OPERATIONS WITH THE UNIT.
CONNECTION OF THE UNIT TO POWER MAINS IS ALLOWED BY A QUALIFIED
ELECTRICIAN WITH A WORK PERMIT FOR THE ELECTRIC UNITS UP TO 1000 V AFTER CAREFUL READING OF THE PRESENT USER’S MANUAL.
THE RATED ELECTRICAL PARAMETERS OF THE UNIT ARE GIVEN ON THE MANUFACTURER’S LABEL.
- The unit is rated for connection to 1~200-277V/50(60)Hz/3~380-480V/50(60)Hz power mains.
- The unit must be connected to power mains using insulated electric conductors (cables, wires). The actual wire cross section selection must be based on the maximum load current, maximum conductor temperature depending on the wire type, insulation, length and installation method.
- The external power input must be equipped with an automatic circuit breaker built into the stationary wiring to open the electric circuit in case of overload or short-circuit. The circuit breaker installation place must provide quick access for emergency shutdown of the unit. The trip current of the automatic circuit breaker must exceed the maximum current consumption of the unit (refer to the technical data table). The recommended trip current of the circuit breaker is the next current in the standard trip current row following the maximum current of the connected unit. The automatic circuit breaker is not included in the delivery set.
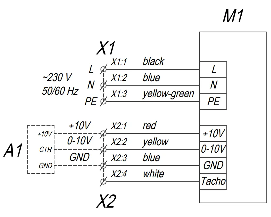
Wiring diagram of the fan with a single-phase motor
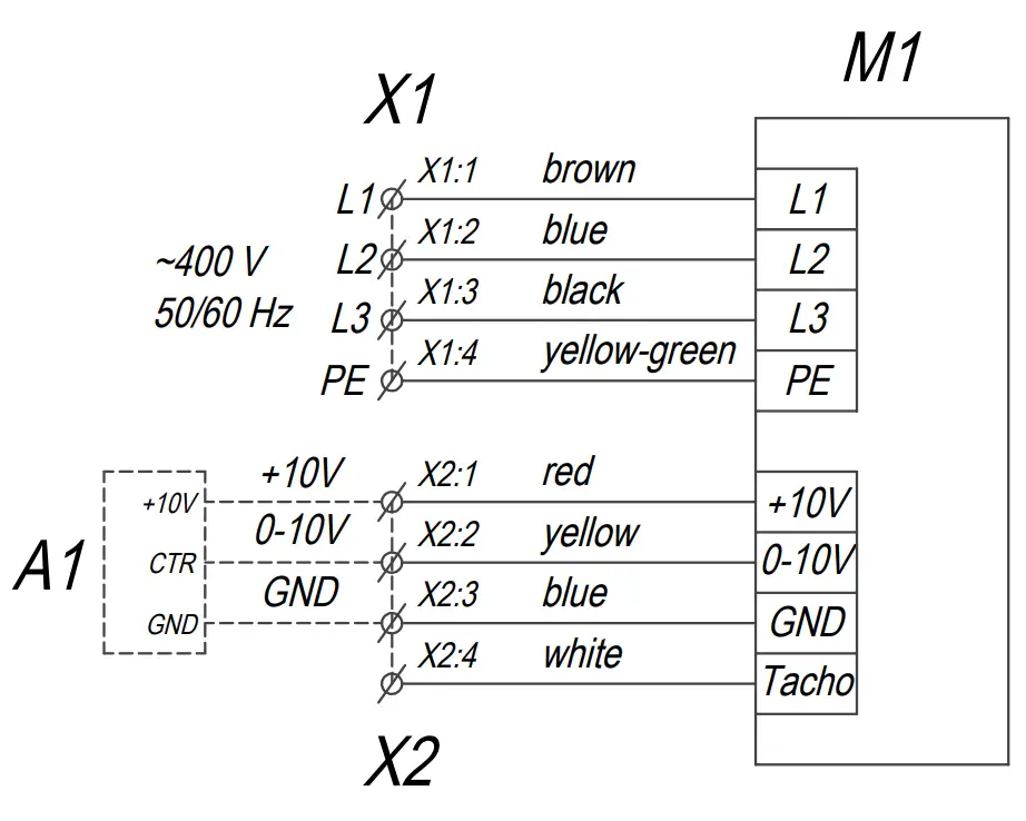
Wiring diagram of the fan with a three-phase motor
TECHNICAL MAINTENANCE
DISCONNECT THE UNIT FROM POWER SUPPLY BEFORE ANY MAINTENANCE OPERATIONS!
MAKE SURE THE UNIT IS DISCONNECTED FROM POWER MAINS BEFORE REMOVING THE PROTECTION
The technical maintenance includes periodic cleaning of the surfaces from accumulated dust and dirt.
Use a soft brush or compressed air to remove dust from metal surfaces of the fan. Use a vacuum cleaner to remove dust from the sound insulating surface.
The impeller blades require thorough cleaning once in 6 months.
Detach air ducts from the fan before starting maintenance works.
Clean the impeller blades with a soft cloth wetted in mild water detergent solution. Avoid liquid dripping on the motor.
Wipe the fan surfaces dry after cleaning.
While cleaning the fan make sure the balance counterweights are not shifted and the impeller is not misaligned.

TROUBLESHOOTING
| Problem | Possible reasons | Troubleshooting |
| The fan does not run. | No power supply. | Check the automatic circuit breaker. Check the electric connections. |
| Noisy operation. | Impeller imbalance. | Clean the impeller. |
STORAGE AND TRANSPORTATION REGULATIONS
- Store the unit in the manufacturer’s original packaging box in a dry closed ventilated premise with temperature range from +5 ˚С to +40 ˚С and relative humidity up to 70 %.
- Storage environment must not contain aggressive vapors and chemical mixtures provoking corrosion, insulation, and sealing deformation.
- Use suitable hoist machinery for handling and storage operations to prevent possible damage to the unit.
- Follow the handling requirements applicable for the particular type of cargo.
- The unit can be carried in the original packaging by any mode of transport provided proper protection against precipitation and mechanical damage. The unit must be transported only in the working position.
- Avoid sharp blows, scratches, or rough handling during loading and unloading.
- Prior to the initial power-up after transportation at low temperatures, allow the unit to warm up at operating temperature for at least 3-4 hours.
MANUFACTURER’S WARRANTY
The product is in compliance with EU norms and standards on low voltage guidelines and electromagnetic compatibility. We hereby declare that the product complies with the provisions of Electromagnetic Compatibility (EMC) Directive 2014/30/EU of the European Parliament and of the Council, Low Voltage Directive (LVD) 2014/35/EU of the European Parliament and of the Council and CE-marking Council Directive 93/68/EEC. This certificate is issued following test carried out on samples of the product referred to above. The manufacturer hereby warrants normal operation of the unit for 24 months after the retail sale date provided the user’s observance of the transportation, storage, installation, and operation regulations. Should any malfunctions occur in the course of the unit operation through the Manufacturer’s fault during the guaranteed period of operation, the user is entitled to get all the faults eliminated by the manufacturer by means of warranty repair at the factory free of charge. The warranty repair includes work specific to elimination of faults in the unit operation to ensure its intended use by the user within the guaranteed period of operation. The faults are eliminated by means of replacement or repair of the unit components or a specific part of such unit component.
The warranty repair does not include:
- routine technical maintenance
- unit installation/dismantling
- unit setup
To benefit from warranty repair, the user must provide the unit, the user’s manual with the purchase date stamp, and the payment paperwork certifying the purchase. The unit model must comply with the one stated in the user’s manual. Contact the Seller for warranty service.
The manufacturer’s warranty does not apply to the following cases:
- User’s failure to submit the unit with the entire delivery package as stated in the user’s manual including submission with missing component parts previously dismounted by the user.
- Mismatch of the unit model and the brand name with the information stated on the unit packaging and in the user’s manual.
- User’s failure to ensure timely technical maintenance of the unit.
- External damage to the unit casing (excluding external modifications as required for installation) and internal components caused by the user.
- Redesign or engineering changes to the unit.
- Replacement and use of any assemblies, parts and components not approved by the manufacturer.
- Unit misuse.
- Violation of the unit installation regulations by the user.
- Violation of the unit control regulations by the user.
- Unit connection to power mains with a voltage different from the one stated in the user’s manual. Unit breakdown due to voltage surges in power mains.
- Discretionary repair of the unit by the user.
- Unit repair by any persons without the manufacturer’s authorization.
- Expiration of the unit warranty period.
- Violation of the unit transportation regulations by the user.
- Violation of the unit storage regulations by the user.
- Wrongful actions against the unit committed by third parties.
- Unit breakdown due to circumstances of insuperable force (fire, flood, earthquake, war, hostilities of any kind, blockades).
- Missing seals if provided by the user’s manual.
- Failure to submit the user’s manual with the unit purchase date stamp.
- Missing payment paperwork certifying the unit purchase.
FOLLOWING THE REGULATIONS STIPULATED HEREIN WILL ENSURE A LONG AND TROUBLE-FREE OPERATION OF THE UNIT.
USER’S WARRANTY CLAIMS SHALL BE SUBJECT TO REVIEW ONLY UPON PRESENTATION OF THE UNIT, THE PAYMENT DOCUMENT AND THE USER’S MANUAL WITH THE PURCHASE DATE STAMP.
Customer Support
www.blaubergventilatoren.de
B197EN-02






















