BLAUBERG CENTRO-M 100 L Centrifugal Inline Fan

This user’s manual is a main operating document intended for technical, maintenance, and operating staff. The manual contains information about purpose, technical details, operating principle, design, and installation of the CENTRO-M unit and all its modifications. Technical and maintenance staff must have theoretical and practical training in the field of ventilation systems and should be able to work in accordance with workplace safety rules as well as construction norms and standards applicable in the territory of the country
SAFETY REQUIREMENTS
- Please read the user’s manual carefully prior to installing and operating the unit.
- All user’s manual requirements as well as the provisions of all the applicable local and national construction, electrical, and technical norms and standards must be observed when installing and operating the unit.
- The warnings contained in the user’s manual must be considered most seriously since they contain vital personal safety information.
- Failure to follow the rules and safety precautions noted in this user’s manual may result in an injury or unit damage.
- After a careful reading of the manual, keep it for the entire service life of the unit.
- While transferring the unit control, the user’s manual must be turned over to the receiving operator.
UNIT INSTALLATION AND OPERATION SAFETY PRECAUTIONS
- Disconnect the unit from power mains prior to any installation operations.
- Unpack the unit with care.
- The unit must be grounded!
- While installing the unit, follow the safety regulations specific to the use of electric tools.
- Do not change the power cable length at your own discretion.
- Do not bend the power cable.
- Avoid damaging the power cable
- Do not put any foreign objects on the power cable.
- Do not lay the power cable of the unit in close proximity to heating equipment.
- Do not use damaged equipment or cables when connecting the unit to power mains.
- Do not operate the unit outside the temperature range stated in the user’s manual.
- Do not operate the unit in aggressive or explosive environments.
- Do not touch the unit controls with wet hands.
- Do not carry out the installation and maintenance operations with wet hands.
- Do not wash the unit with water.
- Protect the electric parts of the unit against ingress of water.
- Do not allow children to operate the unit.
- The unit is allowed to be used by children aged from 8 years oldand above and persons with reduced physical, sensory, or mental capabilities or no experience and knowledge provided that they have been given supervision or instruction regarding safe use of the unit and understand the risks involved.
- Disconnect the unit from power mains prior to any technical maintenance.
- Do not store any explosive or highly flammable substances in close proximity to the unit.
- When the unit generates unusual sounds, odour, or emits smoke, disconnect it from power supply and contact the Seller.
- Do not open the unit during operation.
- Do not direct the air flow produced by the unit towards open flame or ignition sources.
- Do not block the air duct when the unit is switched on.
- In case of continuous operation of the unit, periodically check the security of mounting.
- Do not sit on the unit and avoid placing foreign objects on it.
- Use the unit only for its intended purpose.
THE PRODUCT MUST BE DISPOSED SEPARATELY AT THE END OF ITS SERVICE LIFE. DO NOT DISPOSE THE UNIT AS UNSORTED DOMESTIC WASTE.
PURPOSE
The CENTRO-M centrifugal fans are designed for ventilation of domestic, public and manufacturing premises heated during winter. The transported air temperature must be within the limits stated in the «Technical data» section.
THE UNIT SHOULD NOT BE OPERATED BY CHILDREN OR PERSONS WITH REDUCED PHYSICAL, MENTAL, OR SENSORY CAPACITIES, OR THOSE WITHOUT THE APPROPRIATE TRAINING. THE UNIT MUST BE INSTALLED AND CONNECTED ONLY BY PROPERLY QUALIFIED PERSONNEL AFTER THE APPROPRIATE BRIEFING. THE CHOICE OF UNIT INSTALLATION LOCATION MUST PREVENT UNAUTHORISED ACCESS BY UNATTENDED CHILDREN. THE UNIT CAN BE USED IN KITCHEN SPACES ONLY IF THERE IS A GREASE FILTER. INSTALL A KITCHEN HOOD WITH A GREASE FILTER IF AIR IS EXTRACTED FROM THE COOKING SURFACE. The fan is designed for horizontal or vertical mounting in an air duct and is used both for supply and exhaust ventilation. Transported air must not contain any flammable or explosive mixtures, evaporation of chemicals, sticky substances, fibrous materials, coarse dust, soot and oil particles or environments favourable for the formation of hazardous substances (toxic substances, dust, pathogenic germs).
DELIVERY SET

DESIGNATION KEY

TECHNICAL DATA
Permitted deviation of mains voltage: ±10 % of the rated voltage. The fan must be grounded. Ingress protection rating against access to hazardous parts and water ingress is IPX4. Motor protection rating – IP44 (for VKM 355 Q/400/450 – IP54) The unit design is constantly being improved, thus some models, their wiring diagrams and terminal symbols may be slightly different from those described in this manual.
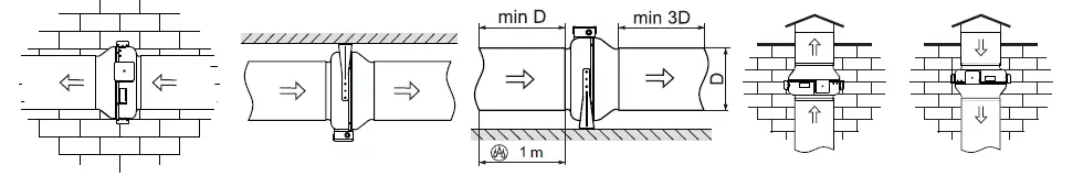
OVERALL AND CONNECTING DIMENSIONS

DESIGN AND OPERATING PRINCIPLE
The fan consists of the casing 1, the electric motor attached to the inner fixing bracket 4, the cover 2 that is fixed to the casing with screws 3 (the casing spigot diameter and the cover diameter are equal to the connected air duct diameter), the terminal box 5 that incorporates a terminal block and a capacitor and enables connection of the fan to single-phase power mains. The fan models with a temperature and speed controller are equipped with a speed control knob 9, a thermostat control knob 10, a fan on/off LED light indicator 11 and a thermostat LED light indicator 12 that are located on the terminal box cover. The fan models with the speed controller are equipped with a speed control knob 9 which is located on the terminal box 5 cover. The fan models with a speed controller or with a speed and temperature controller are connected to power mains through a power cable with a plug.

- outer fixing bracket
- screws
- bolt
- control knob of fan impeller rotation speed
- thermostat control knob
- fan on/off LED light indicator
- thermostat LED light indicator
INSTALLATION AND SET-UP
READ THE USER’S MANUAL BEFORE INSTALLING THE UNIT.
The fans are designed for vertical or horizontal mounting. Air motion in the system must be in compliance with the direction of the arrow on the fan casing. Install a hood on outlet (discharge) spigot side in case of the vertical fan installation. Provide a straight air duct section at least 1 m long on the intake spigot side in case of horizontal fan installation with maximum allowable humidity.

Mounting sequence:
- Remove the bolt from the casing 1 and install the fixing brackets in such a way so that the holes on the fixing brackets are aligned with the heads of the screws 3.
- Fix the fixing brackets on the casing with bolts.
- Drill the holes in the mounting surface to match the fitment holes of the fixing brackets.
- Fix the fan with the screws.
CONNECTION TO POWER MAINS
DISCONNECT THE POWER SUPPLY PRIOR TO ANY OPERATIONS WITH THE UNIT. CONNECTION OF THE UNIT TO POWER MAINS IS ALLOWED BY A QUALIFIED ELECTRICIAN WITH A WORK PERMIT FOR THE ELECTRIC UNITS UP TO 1000 V AFTER CAREFUL READING OF THE PRESENT USER’S MANUAL. THE RATED ELECTRICAL PARAMETERS OF THE UNIT ARE GIVEN ON THE MANUFACTURER’S LABEL. ANY TAMPERING WITH THE INTERNAL CONNECTIONS IS PROHIBITED AND WILL VOID THE WARRANTY. The fan is designed for 230 V/50 (60) Hz single-phase alternating current mains. The fan shall be connected to power supply by means of insulated, durable and thermal-resistant cords (cables, wires) through the external circuit breaker with a thermal-magnetic trip built into the stationary wiring to disconnect all the power mains phases. The rated current must be not below the rated current consumption (refer to the «Technical data» section). The QF external switch location must ensure free access for quick shutdown of the fan. The recommended rated current of the circuit breaker:
- 2 A for the CENTRO-M 355 L fans
- 3.15 A for the CENTRO-M 400, CENTRO-M 450 fans
- 1 A for all other fans
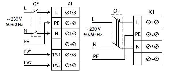
The recommended wire cross section is minimum 0.75 mm2. The actual conductor cross-section selection must be based on its type, maximum permissible heating, insulation, length and installation method (in the air, pipes or inside walls). Connect the cables to the terminal block incorporated inside the terminal box located on the fan casing in compliance with the fan wiring diagram and the terminal designation. The terminal designations are shown on the sticker inside the fan casing. The wiring diagram for the CENTRO-M 400, CENTRO-M 450 fans is shown in Fig. 2. The wiring diagram for the other fans is shown in Fig. 3. The fans with a speed controller and temperature and speed controller (CENTRO-M FR(FR1)) are designed for connection to single-phase AC power mains 230 V/50 (60) Hz and are equipped with a power cord and a plug (supplied connected to the terminal block).

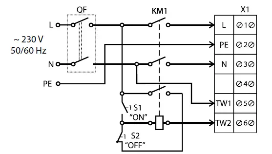
The TW1, TW2 terminals are the electrical leads of the normally closed contact of the motor overheating protection. Connect the contact in series to power circuit of the magnetic starter coil KM1 that starts the motor after pressing the S1 button. In case of pressing the S2 button or motor overheating, the contact gets broken and switches the starter coil off to cut power off and stop the motor. The QF circuit breaker, the magnetic starter KM1, the control knobs S1 and S2 are not included in the delivery and must be installed by the user. The motor connection example with thermal protecting contacts leaded outside are shown in Fig. 4.

CONTROL
The CENTRO-M FR(FR1) fans with a built-in electronic module
The electronic module is designed for smooth control of fan impeller rotation speed (air flow). The speed is controlled with the speed control knob 9 (Fig. 1).
The CENTRO-M G(G1) fans with a temperature and speed controller (see Fig. 1).
The controller is designed for air temperature control and fan speed control depending on ambient air temperature 10. The speed is controlled with the speed control knob 9 and the temperature control knob 10. The CENTRO-M G(G1) fans are equipped with an external temperature sensor fixed on a 4 m cable. The cover of the terminal box incorporates the following controls:
- fan speed control knob 9
- thermostat control knob 10 to set the thermostat temperature threshold
- on/off LED light indicator 11
- thermostat LED light indicator 12
Operation algorithm of CENTRO-M G(G1) fans
Set the thermostat temperature threshold with a thermostat control knob 10. Switch on the fan, then set the fan speed with the speed control knob 9. The fan on/off light indicator 11 lights up. The controller switches the fan to the maximum speed (maximum air flow) as the temperature rises and crosses the thermostat setpoint. The thermostat light indicator 12 glows if the temperature is above the thermostat setpoint. If the temperature falls 2 °C below the thermostat setpoint, the fan reverts to the preset lower speed. This prevents frequent speed changeovers during operation with the temperature close to the threshold value. This control logic enables tracking temperature fluctuations and respond to the temperature change with accuracy up to 2 °C. The rate of the speed switching depends exclusively on the air temperature fluctuations.
TECHNICAL MAINTENANCE
DISCONNECT THE UNIT FROM POWER SUPPLY BEFORE ANY MAINTENANCE OPERATIONS! ENSURE THAT THE UNIT IS SWITCHED OFF FROM THE SUPPLY MAINS BEFORE REMOVING THE GUARD. The technical maintenance includes periodic cleaning of the surfaces from accumulated dust and dirt. Use a soft dry brush or a vacuum cleaner to remove dust. The impeller blades require thorough cleaning once in 6 months. To do this, unscrew the self-tapping screws 3 and remove the cover 2 (Fig. 1). Clean the impeller blades with a soft cloth wetted in mild water detergent solution. Avoid liquid dripping on the motor.
POSSIBLE MALFUNCTIONS AND TROUBLESHOOTING

STORAGE AND TRANSPORTATION REGULATIONS
- Store the unit in the manufacturer’s original packaging box in a dry closed ventilated premise with temperature range from +5 ˚С up to +40 ˚С and relative humidity up to 70 %.
- Storage environment must not contain aggressive vapors and chemical mixtures provoking corrosion, insulation, and sealing deformation.
- Use suitable hoist machinery for handling and storage operations to prevent possible damage to the unit.
- Follow the handling requirements applicable for the particular type of cargo.
- The unit can be carried in the original packaging by any mode of transport provided proper protection against precipitation and mechanical damage. The unit must be transported only in the working position.
- Avoid sharp blows, scratches, or rough handling during loading and unloading.
- Prior to the initial power-up after transportation at low temperatures, allow the unit to warm up at operating temperature for at least 3-4 hours.
MANUFACTURER’S WARRANTY
The product is in compliance with EU norms and standards on low voltage guidelines and electromagnetic compatibility. We hereby declare that the product complies with the provisions of Electromagnetic Compatibility (EMC) Directive 2014/30/EU of the European Parliament and of the Council, Low Voltage Directive (LVD) 2014/35/EU of the European Parliament and of the Council and CE-marking Council Directive 93/68/EEC. This certificate is issued following test carried out on samples of the product referred to above. The manufacturer hereby warrants normal operation of the unit for 24 months after the retail sale date provided the user’s observance of the transportation, storage, installation, and operation regulations. Should any malfunctions occur in the course of the unit operation through the Manufacturer’s fault during the guaranteed period of operation, the user is entitled to get all the faults eliminated by the manufacturer by means of warranty repair at the factory free of charge. The warranty repair includes work specific to elimination of faults in the unit operation to ensure its intended use by the user within the guaranteed period of operation. The faults are eliminated by means of replacement or repair of the unit components or a specific part of such unit component.
The warranty repair does not include:
- routine technical maintenance
- unit installation/dismantling
- unit setup
To benefit from warranty repair, the user must provide the unit, the user’s manual with the purchase date stamp, and the payment paperwork certifying the purchase. The unit model must comply with the one stated in the user’s manual. Contact the Seller for warranty service.
The manufacturer’s warranty does not apply to the following cases:
- User’s failure to submit the unit with the entire delivery package as stated in the user’s manual including submission with missing component parts previously dismounted by the user.
- Mismatch of the unit model and the brand name with the information stated on the unit packaging and in the user’s manual.
- User’s failure to ensure timely technical maintenance of the unit.
- External damage to the unit casing (excluding external modifications as required for installation) and internal components caused by the user.
- Redesign or engineering changes to the unit.
- Replacement and use of any assemblies, parts and components not approved by the manufacturer.
- Unit misuse.
- Violation of the unit installation regulations by the user.
- Violation of the unit control regulations by the user.
- Unit connection to power mains with a voltage different from the one stated in the user’s manual.
- Unit breakdown due to voltage surges in power mains.
- Discretionary repair of the unit by the user.
- Unit repair by any persons without the manufacturer’s authorization.
- Expiration of the unit warranty period.
- Violation of the unit transportation regulations by the user.
- Violation of the unit storage regulations by the user.
- Wrongful actions against the unit committed by third parties.
- Unit breakdown due to circumstances of insuperable force (fire, flood, earthquake, war, hostilities of any kind, blockades).
- Missing seals if provided by the user’s manual.
- Failure to submit the user’s manual with the unit purchase date stamp.
- Missing payment paperwork certifying the unit purchase.
FOLLOWING THE REGULATIONS STIPULATED HEREIN WILL ENSURE A LONG AND TROUBLE-FREE OPERATION OF THE UNIT. USER’S WARRANTY CLAIMS SHALL BE SUBJECT TO REVIEW ONLY UPON PRESENTATION OF THE UNIT, THE PAYMENT DOCUMENT AND THE USER’S MANUAL WITH THE PURCHASE DATE STAMP.
CERTIFICATE OF ACCEPTANCE

SELLER INFORMATION

INSTALLATION CERTIFICATE

WARRANTY CARD


B05EN-10




















