BLAUBERG Primo 150 Inline Mixed-Flow Fan
This user’s manual is a main operating document intended for technical, maintenance, and operating staff. The manual contains information about purpose, technical details, operating principle, design, and installation of the Primo unit and all its modifications. Technical and maintenance staff must have theoretical and practical training in the field of ventilation systems and should be able to work in accordance with workplace safety rules as well as construction norms and standards applicable in the territory of the country.
SAFETY REQUIREMENTS
All user’s manual requirements as well as the provisions of all the applicable local and national construction, electrical, and technical norms and standards must be observed when installing and operating the unit. Disconnect the unit from the power supply prior to any connection, servicing, maintenance, and repair operations. Only qualified electricians with a work permit for electrical units up to 1000 V are allowed for installation. The present user’s manual should be carefully read before beginning works.
Check the unit for any visible damage of the impeller, the casing, and the grille before starting installation. The casing internals must be free of any foreign objects that can damage the impeller blades. While mounting the unit, avoid compression of the casing! Deformation of the casing may result in motor jam and excessive noise. Misuse of the unit and any unauthorized modifications are not allowed. Do not expose the unit to adverse atmospheric agents (rain, sun, etc.). Transported air must not contain any dust or other solid impurities, sticky substances, or fibrous materials. Do not use the unit in a hazardous or explosive environment containing spirits, gasoline, insecticides, etc. Do not close or block the intake or extract vents in order to ensure the efficient air flow. Do not sit on the unit and do not put objects on it. The information in this user’s manual was correct at the time of the document’s preparation. The Company reserves the right to modify the technical characteristics, design, or configuration of its products at any time in order to incorporate the latest technological developments. Never touch the unit with wet or damp hands. Never touch the unit when barefoot. This appliance can be used by children aged from 8 years and above and persons with reduced physical, sensory or mental capabilities or lack of experience and knowledge if they have been given supervision or instruction concerning use of the appliance in a safe way and understand the hazards involved Cleaning and user maintenance shall not be made by children without supervision Children shall not play with the appliance. Connection to the mains must be made through a disconnecting device, which is integrated into the fixed wiring system in accordance with the wiring rules for design of electrical units, and has a contact separation in all poles that allows for full disconnection under overvoltage category III conditions. If the supply cord is damaged, it must be replaced by the manufacturer, its service agent, or similarly qualified persons in order to avoid a safety hazard.
CAUTION: In order to avoid a safety hazard due to inadvertent resetting of the thermal cut-out, this unit must not be supplied through an external switching device, such as a timer, or connected to a circuit that is regularly switched on and off by the utility.
Precautions must be taken to avoid the back-flow of gases into the room from the open flue of gas or other fuel-burning appliances. Ensure that the unit is switched off from the supply mains before removing the guard.
WARNING: If there are any unusual oscillating movements, immediately stop using the unit and contact the manufacturer, its service agent or suitably qualified persons.
The replacement of parts of the safety suspension system device shall be performed by the manufacturer, its service agent or suitably qualified persons.
- THE PRODUCT MUST BE DISPOSED SEPARATELY AT THE END OF ITS SERVICE LIFE. DO NOT DISPOSE THE UNIT AS UNSORTED DOMESTIC WASTE.
PURPOSE
The product described herein is a mixed-flow inline fan for supply or exhaust ventilation of premises. The fan is designed for connection to ø 200 and 250 mm air ducts.
Transported air must not contain any flammable or explosive mixtures, evaporation of chemicals, sticky substances, fibrous materials, coarse dust, soot and oil particles or environments favourable for the formation of hazardous substances (toxic substances, dust, pathogenic germs).
DELIVERY SET
| Name | Number |
| Fan | 1 pc. |
| User’s manual | 1 pc. |
| Packing box | 1 pc. |
| Plastic screwdriver (for the models with a timer) | 1 pc. |
DESIGNATION KEY
TECHNICAL DATA
The unit is designed for indoor application with the ambient temperature ranging from +1 °C up to +40 °C and relative humidity up to 80 % at 25 °C. Transported air temperature from -25 °C to +55 °C. Ingress protection rating against access to hazardous parts and water ingress is IPХ4. The unit is rated as a class I electric appliance.
The unit design is constantly being improved, thus some models may be slightly different from those described in this manual.
Overall dimensions of the unit [mm]


| Model | Dimensions [mm] | |||
| A | B | C | D | |
| Primo 150 | 267/287* | 301 | 247 | 150 |
| Primo 160 | 267/287* | 301 | 251 | 160 |
| Primo 200 | 308/328* | 302 | 293 | 200 |
| Primo 250 | 342/362* | 293 | 326 | 250 |
MOUNTING AND SET-UP
- READ THE USER’S MANUAL BEFORE INSTALLING THE UNIT.
- BEFORE MOUNTING, MAKE SURE THERE ARE NO VISIBLE DEFECTS ON THE UNIT, SUCH AS MECHANICAL DAMAGES, MISSING PARTS, IMPELLER JAMMING ETC.
- WHEN MOUNTING THE UNIT, IT IS NECESSARY TO PROVIDE PROTECTION AGAINST CONTACT WITH HAZARDOUS ZONES OF THE FAN BY INSTALLING AIR DUCTS OF THE NECESSARY LENGTHS AND PROTECTIVE GRILLES.
- MOUNTING MUST BE PERFORMED BY QUALIFIED SPECIALISTS ONLY, PROPERLY TRAINED AND QUALIFIED TO INSTALL AND MAINTAIN VENTILATION EQUIPMENT.
The fan is suitable both for horizontal or vertical mounting on the floor, on the wall or on the ceiling. While installing the unit ensure convenient access for subsequent maintenance and repair. Secure the mounting bracket to the surface using screws with dowels of the appropriate size (not included in the delivery set). Secure the fan on the bracket with clamps and bolts removed earlier. Suspend it carefully. Make sure the unit is fastened securely prior to operation. Connect the air ducts of the appropriate diameter to the fan (connections must be airtight). Air motion in the system must be in compliance with the direction of the arrow on the fan label. To attain the best performance of the fan and to minimize turbulence-induced air pressure losses, it is recommended to connect the straight air duct section to the spigots on both sides of the unit while mounting.
Minimum recommended straight air duct section length is equal to 3 fan diameters (see the “Technical data” section). If the air ducts are shorter than 1 m or not connected, the internal parts of the unit must be protected from ingress of foreign objects. To prevent uncontrollable access to the fans, the spigots may be covered with a protecting grille or other protecting device with mesh width not more than 12.5 mm.


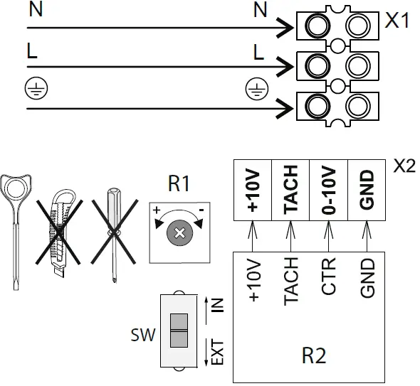
ELECTRONICS OPERATION ALGORITHM
The EC motor is controlled by sending of an external control signal from 0 to 10 V to the X2 terminal block or by the R1 internal speed controller. Control method selection is carried out by means of the SW DIP switch:
- DIP switch in IN position. The control signal is set by the R1 internal speed controller that enables switching the fan on/off and smooth speed (air flow) regulation from minimum to maximum value. Rotations are controlled from the minimum (extreme right position) to the maximum (extreme left position). When rotating counter-clockwise, the rotations increase.
- DIP switch in EXT position. The control signal is set by the R2 external control unit.
- The Primo … T fan activates upon control voltage application to input terminal LT by an external switch (e.g. indoor light switch). After the control voltage is off, the fan continues to operate within the set time period adjustable from 2 to 30 min by the timer. To adjust the fan turn-on delay time, turn the control knob T counter-clockwise to decrease and clockwise to increase the turn-on delay time respectively.
- The Primo … G1 fan is equipped with an electronic module TSC (speed controller with an electronic thermostat) for automatic speed control (air flow) depending on the air temperature. The fan switches to the maximum speed as the room air temperature exceeds the set point. As the air temperature drops 2 °C below the set point or if the initial temperature is below the set point, the fan operates with the set speed.
- The Primo … FR1 fan (Fig. 23) is equipped with a speed controller that enables switching the fan on/off and smooth speed (air flow) regulation from minimum to maximum value.
CONNECTION TO POWER MAINS
- POWER OFF THE POWER SUPPLY PRIOR TO ANY OPERATIONS WITH THE UNIT. THE UNIT MUST BE CONNECTED TO POWER SUPPLY BY A QUALIFIED ELECTRICIAN. THE RATED ELECTRICAL PARAMETERS OF THE UNIT ARE GIVEN ON THE MANUFACTURER’S LABEL.
- ANY TAMPERING WITH THE INTERNAL CONNECTIONS IS PROHIBITED AND WILL VOID THE WARRANTY.
The unit is designed for connection to power mains with the parameters specified in the “Technical data” section. The connection must be made using durable, insulated and heat-resistant conductors (cables, wires). The actual wire cross section selection must be based on the maximum load current, maximum conductor temperature depending on the wire type, insulation, length and installation method. The fan connection shall be made on the terminal block mounted inside the terminal box in strict accordance with the wiring diagram and terminal designations. The external power input must be equipped with a QF automatic circuit breaker built into the stationary wiring to open the circuit in the event of overload or short-circuit. The position of the external circuit breaker must ensure free access for quick unit power-off. The automatic circuit breaker rated current must exceed the ventilator current consumption, see the Technical data section or the unit label. It is recommended to select the rated current of the circuit breaker from the standard series, following the maximum current of the connected unit. The circuit breaker is not included in the delivery set and can be ordered separately.
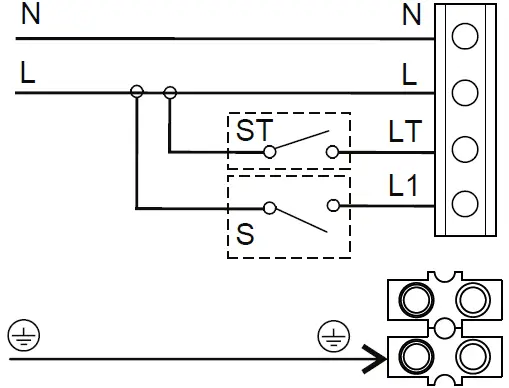
WIRING DIAGRAM
- Primo …

- Primo … US

- Primo EC …

- Primo … T

- High — high speed
- Med — medium speed
- Low — low speed
- N — neutral
- L — line
- — grounding
- S — ON\OFF switch
- S1 — switch
- R1 — internal speed controller
- R2 — external speed controller
- SW — DIP switch
- ST — timer
TECHNICAL MAINTENANCE
- DISCONNECT THE UNIT FROM POWER SUPPLY BEFORE ANY MAINTENANCE OPERATIONS! MAKE SURE THE UNIT IS DISCONNECTED FROM POWER MAINS BEFORE REMOVING THE PROTECTION
Clean the product surfaces regularly (once in 6 months) from dust and dirt. Disconnect the fan from power mains prior to any maintenance operations. Disconnect the air ducts from the fan. Clean the fans with a soft brush, cloth, vacuum cleaner or compressed air. Do not use water, aggressive solvents, or sharp objects as they may damage the impeller. It is forbidden to remove or change the location of the balancers on the impeller, as this can lead to increased level of vibration, noise and reduce the service life of the unit. During technical maintenance, make sure that there are no visible defects on the unit, the mounting brackets are securely fastened to the fan casing and the unit is securely mounted.



TROUBLESHOOTING
| Problem | Possible reasons | Troubleshooting |
| The fan(s) do(es) not start. | No power supply. | Make sure the power supply line is connected correctly, otherwise troubleshoot the connection error. |
| Jammed motor. | Disconnect the fan from power supply. Troubleshoot the motor jamming. Restart the fan. | |
| The fan has overheated. | Disconnect the fan from power supply. Eliminate the cause of overheating. Restart the fan. | |
| Automatic circuit breaker tripping following the fan turning on. | High current consumption due to short circuit in power line. | Turn the fan off. Contact the Seller. |
| Noise, vibration. | The fan impeller is soiled. | Clean the impellers. |
| The fan or casing screw connection is loose. | Tighten the screw connection of the fan or the casing against stop. | |
| The ventilation system components (air ducts, diffusers, louvre shutters, grilles) are clogged or damaged. | Clean or replace the ventilation system components (air ducts, diffusers, louvre shutters, grilles). |
STORAGE AND TRANSPORTATION REGULATIONS
- Store the unit in the manufacturer’s original packaging box in a dry closed ventilated premise with temperature range from +5 °C to + 40 °C and relative humidity up to 70 %.
- Storage environment must not contain aggressive vapors and chemical mixtures provoking corrosion, insulation, and sealing deformation.
- Use suitable hoist machinery for handling and storage operations to prevent possible damage to the unit.
- Follow the handling requirements applicable for the particular type of cargo.
- The unit can be carried in the original packaging by any mode of transport provided proper protection against precipitation and mechanical damage. The unit must be transported only in the working position.
- Avoid sharp blows, scratches, or rough handling during loading and unloading.
- Prior to the initial power-up after transportation at low temperatures, allow the unit to warm up at operating temperature for at least 3-4 hours.
MANUFACTURER’S WARRANTY
The product is in compliance with EU norms and standards on low voltage guidelines and electromagnetic compatibility. We hereby declare that the product complies with the provisions of Electromagnetic Compatibility (EMC) Directive 2014/30/EU of the European Parliament and of the Council, Low Voltage Directive (LVD) 2014/35/EU of the European Parliament and of the Council and CE-marking Council Directive 93/68/EEC. This certificate is issued following test carried out on samples of the product referred to above. The manufacturer hereby warrants normal operation of the unit for 24 months after the retail sale date provided the user’s observance of the transportation, storage, installation, and operation regulations. Should any malfunctions occur in the course of the unit operation through the Manufacturer’s fault during the guaranteed period of operation, the user is entitled to get all the faults eliminated by the manufacturer by means of warranty repair at the factory free of charge. The warranty repair includes work specific to elimination of faults in the unit operation to ensure its intended use by the user within the guaranteed period of operation. The faults are eliminated by means of replacement or repair of the unit components or a specific part of such unit component.
The warranty repair does not include:
- routine technical maintenance
- unit installation/dismantling
- unit setup
To benefit from warranty repair, the user must provide the unit, the user’s manual with the purchase date stamp, and the payment paperwork certifying the purchase. The unit model must comply with the one stated in the user’s manual. Contact the Seller for warranty service.
The manufacturer’s warranty does not apply to the following cases:
- User’s failure to submit the unit with the entire delivery package as stated in the user’s manual including submission with missing component parts previously dismounted by the user.
- Mismatch of the unit model and the brand name with the information stated on the unit packaging and in the user’s manual.
- User’s failure to ensure timely technical maintenance of the unit.
- External damage to the unit casing (excluding external modifications as required for installation) and internal components caused by the user.
- Redesign or engineering changes to the unit.
- Replacement and use of any assemblies, parts and components not approved by the manufacturer.
- Unit misuse.
- Violation of the unit installation regulations by the user.
- Violation of the unit control regulations by the user.
- Unit connection to power mains with a voltage different from the one stated in the user’s manual.
- Unit breakdown due to voltage surges in power mains.
- Discretionary repair of the unit by the user.
- Unit repair by any persons without the manufacturer’s authorization.
- Expiration of the unit warranty period.
- Violation of the unit transportation regulations by the user.
- Violation of the unit storage regulations by the user.
- Wrongful actions against the unit committed by third parties.
- Unit breakdown due to circumstances of insuperable force (fire, flood, earthquake, war, hostilities of any kind, blockades).
- Missing seals if provided by the user’s manual.
- Failure to submit the user’s manual with the unit purchase date stamp.
- Missing payment paperwork certifying the unit purchase.
- FOLLOWING THE REGULATIONS STIPULATED HEREIN WILL ENSURE A LONG AND TROUBLE-FREE OPERATION OF THE UNIT.
- USER’S WARRANTY CLAIMS SHALL BE SUBJECT TO REVIEW ONLY UPON PRESENTATION OF THE UNIT, THE PAYMENT DOCUMENT AND THE USER’S MANUAL WITH THE PURCHASE DATE STAMP.
| CERTIFICATE OF ACCEPTANCE | |
| Unit Type | Inline mixed-flow fan |
| Model | |
| Serial Number | |
| Manufacture Date | |
Quality Inspector’s Stamp | |
SELLER INFORMATION
| Seller | |
| Address | |
| Phone Number | |
| Purchase Date | |
| This is to certify acceptance of the complete unit delivery with the user’s manual. The warranty terms are acknowledged and accepted. | |
| Customer’s Signature | |

INSTALLATION CERTIFICATE
| The unit is installed pursuant to the requirements stated in the present user’s manual. | ||
| Company name | ||
| Address | ||
| Phone Number | ||
| Installation Technician’s Full Name | ||
| Installation Date: | Signature: | |
| The unit has been installed in accordance with the provisions of all the applicable local and national construction, electrical and technical codes and standards. The unit operates normally as intended by the manufacturer. | ||
| Signature: | ||

WARRANTY CARD
| Unit Type | Inline mixed-flow fan |
| Model | |
| Serial Number | |
| Manufacture Date | |
| Purchase Date | |
| Warranty Period | |
| Seller |

www.blaubergventilatoren.de B208-1EN_A4_stkr-03
























