BLAUBERG Quatro Axial Fan User Manual
This user’s manual is a main operating document intended for technical, maintenance, and operating staff. The manual contains information about purpose, technical details, operating principle, design, and installation of the Quatro unit and all its modifications. Technical and maintenance staff must have theoretical and practical training in the field of ventilation systems and should be able to work in accordance with workplace safety rules as well as construction norms and standards applicable in the territory of the country
READ THE USER’S MANUAL CAREFULLY BEFORE PROCEEDING WITH INSTALLATION WORKS. COMPLIANCE WITH THE MANUAL REQUIREMENTS ENSURES RELIABLE OPERATION AND LONG SERVICE LIFE OF THE UNIT. KEEP THE USER’S MANUAL AVAILABLE AS LONG AS YOU USE THE UNIT. YOU MAY NEED TO REREAD THE INFORMATION ON THE PRODUCT SERVICING.
All user’s manual requirements as well as the provisions of all the applicable local
and national construction, electrical, and technical norms and standards must be observed when installing and operating the unit. Disconnect the unit from the power supply prior to any connection, servicing, maintenance, and repair operations.
Only qualified electricians with a work permit for electrical units up to 1000 V are allowed for installation. The present user’s manual should be carefully read before beginning works.
Check the unit for any visible damage of the impeller, the casing, and the grille before starting installation. The casing internals must be free of any foreign objects that can damage the impeller blades. While mounting the unit, avoid compression of the casing! Deformation of the casing may result in motor jam and excessive noise. Misuse of the unit and any un authorised modifications are not allowed. Do not expose the device to adverse atmospheric agents (rain, sun, etc.).
Transported air must not contain any dust or other solid impurities, sticky substances, or fibrous materials. Do not use the unit in a hazardous or explosive environment containing spirits, gasoline, insecticides, etc. Do not close or block the intake or extract vents in order to ensure the efficient air flow. Do not sit on the unit and do not put objects on it.The information in this user’s manual was correct at the time of the document’s preparation. The Company reserves the right to modify the technical characteristics, design,or configuration of its products at any time in order to incorporate the latest technological developments. Never touch the unit with wet or damp hands. Never touch the unit when barefoot.
This appliance is not intended for use by persons (including children) with reduced physical, sensory or mental capabilities, or lack of experience and knowledge, unless they have been given supervision or instruction concerning use of the appliance by a person responsible for their safety. Children should be supervised to ensure that they do not play with the appliance.
Precautions must be taken to avoid the back-flow of gases into the room from the open flue of gas or other fuel-burning appliances.
The connection to the supply mains must be made through a means of
disconnection, which is incorporated in the fixed wiring in accordance with the wiring rules, and has a contact separation in all poles that allows for full
disconnection under overvoltage category III conditions.
Ensure that the appliance is switched off from the supply mains before removing the guard.
THE PRODUCT MUST BE DISPOSED SEPARATELY AT THE END OF ITS SERVICE LIFE. DO NOT DISPOSE THE UNIT AS UNSORTED DOMESTIC WASTE.
DELIVERY SET
Fan: 1 pc.
Screws with dowels: 4 pcs.
Plastic screwdriver (for all models with a timer) :1 pc.
User’s manual : 1 pc.
Packing box: 1 pc.
BRIEF DESCRIPTION
The unit described herein is an axial fan for exhaust ventilation of small to medium-sized premises heated during winter. It is designed for wall or ceiling mounting (Fig. 3-5). The fan is designed for connection to 100, 120, 125 and 150 mm air ducts.
OPERATION GUIDELINES
The fan is rated for connection to single-phase AC 220-240 V/50 Hz, 220 V/60 Hz, 120 V/60 Hz power mains depending on the model. Air motion direction in the system must match the pointer on the fan casing. Hazardous parts access and water ingress protection rating is IP34. The fan is rated for operation at the ambient temperature ranging from +1 °C up to +40 °C. The unit is rated as a Class II electrical appliance.
CAUTION
The fans rated for 12 V power voltage (stated on the packing box and on the fan casing) connect to 12 V power mains only!
DESIGNATION KEY

INSTALLATION AND SET-UP
The fan is designed for wall or ceiling mounting with direct air exhaust to the ventilation shaft or into the round air duct of matching diameter (Fig. 2). Fan installation sequence:
step 1. Cut off power supply and make sure electricity has been turned off (Fig. 6).
step 2. Run the power cable to the vent hole (Fig. 7).
step 3. Remove the front panel from the fan. Then remove the circuit board cover (Fig. 8).
step 4. Mark and drill holes for mounting the fan and then install the fan (Fig. 9 11). step 5. Connect the fan to power mains according to the wiring diagram (Fig. 14 16).
step 6. Cover the casing with a front panel and a decorative panel (Fig. 12).
step 7. Supply power voltage to the fan (Fig. 13).
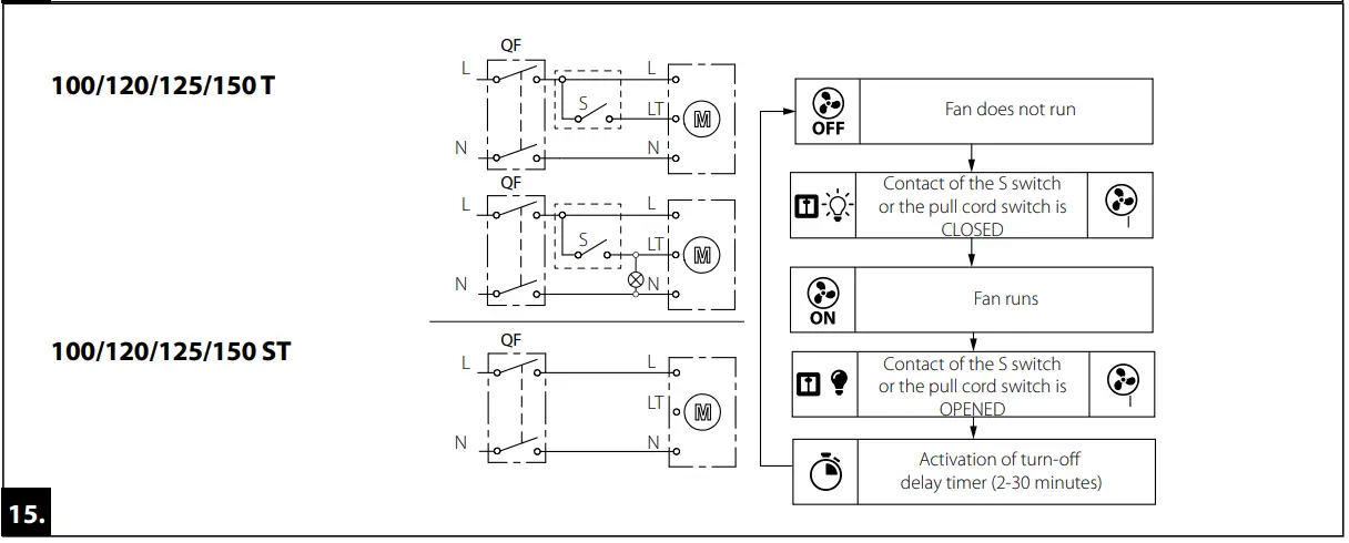
Terminal designations on wiring diagrams:
- L : phase
- S: external switch
- N: neutral
- QF: automatic circuit breaker
- LT: timer control line
ELECTRONICS OPERATION ALGORITHM
The fan with the T timer activates upon control voltage application to the LT input terminal by the S external switch (e.g. indoor light switch). After the control voltage is off, the fan continues to operate within the set time period adjustable from 2 to 30 minutes by the timer. For the ST model, the fan is turned on/off with an internal cord switch.
The fan with the timer and the humidity sensor H – the fan starts after the control voltage is supplied to the input terminal LT or if indoor humidity level H exceeds the set point adjustable from ~60 % to ~90 %. After the control voltage is off or the humidity level has decreased, the fan will keep running within the time set by the timer ranging from 2 to 30 minutes.
THE TIMER CIRCUIT IS LIVE. MAKE SURE THE FAN IS DISCONNECTED FROM POWER SUPPLY.
FAN SETUP
- to adjust the humidity set point, turn the control knob H clockwise to increase and counter-clockwise to decrease the humidity sensor set point, adjustable from 60 % up to 90 %.
- to adjust the fan turn-off delay time, turn the control knob Toff clockwise to increase and counter-clockwise to decrease the turn-off delay time respectively, adjustable from 2 up to 30 minutes.
DO NOT USE A METAL SCREWDRIVER, KNIFE, ETC. FOR ADJUSTMENT OPERATIONS NOT TO DAMAGE THE CIRCUIT BOARD.

The fan delivery set includes a specially designed plastic screwdriver for fan settings adjustments. Use it to change the turn-on and turn-off delay time and the humidity set point.
TECHNICAL MAINTENANCE
The fan maintenance periodicity is at least once per 6 months. Maintenance steps:
- Disconnect the fan from power supply and make sure electricity has been turned off (Fig. 14).
- Remove the front and the decorative panels, wipe the fan with a dry cloth or a brush (Fig. 15).
- Clean the front panel under running water (Fig. 16).
- Wipe the fan surfaces dry.
- Cover the fan with the front panel.
- Connect power supply to the fan (Fig. 17)
CAUTION! Do not allow water or liquid come into contact with electric components!
STORAGE AND TRANSPORTATION REGULATIONS
- Store the unit in the manufacturer’s original packaging box in a dry closed ventilated premise with temperature range from +5 °C to + 40 °C and relative humidity up to 70 %.
- Storage environment must not contain aggressive vapors and chemical mixtures provoking corrosion, insulation, and sealing deformation.
- Use suitable hoist machinery for handling and storage operations to prevent possible damage to the unit.
- Follow the handling requirements applicable for the particular type of cargo.
- The unit can be carried in the original packaging by any mode of transport provided proper protection against precipitation and mechanical damage. The unit must be transported only in the working position.
- Avoid sharp blows, scratches, or rough handling during loading and unloading.
- Prior to the initial power-up after transportation at low temperatures, allow the unit to warm up at operating temperature for at least 3-4 hours.
MANUFACTURER’S WARRANTY
The product is in compliance with EU norms and standards on low voltage guidelines and electromagnetic compatibility. We hereby declare that the product complies with the provisions of Electromagnetic Compatibility (EMC) Directive 2014/30/ EU of the European Parliament and of the Council, Low Voltage Directive (LVD) 2014/35/EU of the European Parliament and of the Council and CE-marking Council Directive 93/68/EEC. This certificate is issued following test carried out on samples of the product referred to above. The manufacturer hereby warrants normal operation of the unit for 60 months after the retail sale date provided the user’s observance of the transportation, storage, installation, and operation regulations. Should any malfunctions occur in the course of the unit operation through the Manufacturer’s fault during the guaranteed period of operation, the user is entitled to get all the faults eliminated by the manufacturer by means of warranty repair at the factory free of charge. The warranty repair includes work specific to elimination of faults in the unit operation to ensure its intended use by the user within the guaranteed period of operation. The faults are eliminated by means of replacement or repair of the unit components or a specific part of such unit component.
The warranty repair does not include:
- routine technical maintenance
- unit installation/dismantling
- unit setup
To benefit from warranty repair, the user must provide the unit, the user’s manual with the purchase date stamp, and the payment paperwork certifying the purchase. The unit model must comply with the one stated in the user’s manual. Contact the Seller for warranty service.
The manufacturer’s warranty does not apply to the following cases:
- User’s failure to submit the unit with the entire delivery package as stated in the user’s manual including submission with missing component parts previously dismounted by the user.
- Mismatch of the unit model and the brand name with the information stated on the unit packaging and in the user’s manual.
- User’s failure to ensure timely technical maintenance of the unit.
- External damage to the unit casing (excluding external modifications as required for installation) and internal components caused by the user.
- Redesign or engineering changes to the unit.
- Replacement and use of any assemblies, parts and components not approved by the manufacturer.
- Unit misuse.
- Violation of the unit installation regulations by the user.
- Violation of the unit control regulations by the user.
- Unit connection to power mains with a voltage different from the one stated in the user’s manual.
- Unit breakdown due to voltage surges in power mains.
- Discretionary repair of the unit by the user.
- Unit repair by any persons without the manufacturer’s authorization.
- Expiration of the unit warranty period.
- Violation of the unit transportation regulations by the user.
- Violation of the unit storage regulations by the user.
- Wrongful actions against the unit committed by third parties.
- Unit breakdown due to circumstances of insuperable force (fire, flood, earthquake, war, hostilities of any kind, blockades).
- Missing seals if provided by the user’s manual.
- Failure to submit the user’s manual with the unit purchase date stamp.
- Missing payment paperwork certifying the unit purchase.
OLLOWING THE REGULATIONS STIPULATED HEREIN WILL ENSURE A LONG AND TROUBLE-FREE OPERATION OF THE UNIT.
USER’S WARRANTY CLAIMS SHALL BE SUBJECT TO REVIEW ONLY UPON PRESENTATION OF THE UNIT, THE PAYMENT DOCUMENT AND THE USER’S MANUAL WITH THE PURCHASE DATE STAMP.
assembly instruction


| Model | Dimensions [mm] | Weight [kg] | ||||
| a | a1 | c | d | e | ||
| Quatro 100 | 171 | 151 | 128 | 100 | 32 | 0,56 |
| Quatro 120 | 201 | 177 | 129 | 120 | 35 | 0,7 |
| Quatro 125 | 201 | 177 | 136 | 125 | 35 | 0,73 |
| Quatro 150 | 235 | 206 | 157 | 150 | 38 | 0,9 |

The unit with a protection rating against access to hazardous parts and water ingress IP34 is allowed to be installed in zone 2, according to IEC 60364-7-701:2019.
















Quality Inspector’s Stamp
Manufacture Date
Sold by (name and stamp of the seller)
www.blaubergventilatoren.de
Quatro



















