AXIAL Silenta-S / VKO FAN

![]() | THE PRODUCT MUST BE DISPOSED SEPARATELY AT THE END OF ITS SERVICE LIFE. DO NOT DISPOSE THE UNIT AS UNSORTED DOMESTIC WASTE. |
This user’s manual is a main operating document intended for technical, maintenance, and operating staff.
The manual contains information about purpose, technical details, operating principle, design, and installation of the Vents VKO, VKO1, M, MA, M1, M3, MAO1, MAO2, M1OK2, R, R1, K, K1, PF, PF1, F, F1, D, D1, LD, LD1, S, S1, X, X1, Xstar, Silenta-M, Silenta-S unit and all its modifications.
Technical and maintenance staff must have theoretical and practical training in the field of ventilation systems and should be able to work in accordance with workplace safety rules as well as construction norms and standards applicable in the territory of the country.
The information in this user’s manual is correct at the time of the document’s preparation.
The Company reserves the right to modify the technical characteristics, design, or configuration of its products at any time in order to incorporate the latest technological developments.
No part of this publication may be reproduced, stored in a retrieval system, or transmitted, in any form or by any means in any information search system or translated into any language in any form without the prior written permission of the Company.
![]() | PLEASE READ THE USER’S MANUAL CAREFULLY PRIOR TO INSTALLING, CONNECTION TO POWER MAINS AND OPERATING THE UNIT. THE MANUFACTURING COMPANY SHALL NOT BE RESPONSIBLE FOR DAMAGE TO HEALTH AND PROPERTY OF THE CUSTOMER CAUSED BY THE CUSTOMER’S VIOLATING THE USER’S MANUAL. FOLLOW THE USER’S MANUAL REQUIREMENTS TO ENSURE DURABLE OPERATION OF THE UNIT, ITS MECHANICAL AND ELECTRICAL RELIABILITY. KEEP THIS USER’S MANUAL. FOLLOW THE USER’S MANUAL REQUIREMENTS TO ENSURE DURABLE AND TROUBLE-FREE OPERATION OF THE UNIT. |
Disconnect the unit from power supply prior to any connection, servicing, maintenance, and repair operations.
Only qualified electricians with a work permit for electrical units up to 1000 V are allowed for installation and maintenance. The present user’s manual should be carefully read before beginning works.
- Single-phase power mains must comply with the acting local electrical norms and standards.
- Fixed electrical wiring must be equipped with an automatic circuit breaker.
- The unit must be connected to power mains through a QF automatic circuit breaker integrated into the fixed wiring system. The gap between the circuit breaker contacts on all poles must be not less than 3 mm. Check the unit for any visible damages of the impeller and the casing before starting installation. The casing internals must be free of any foreign objects that can damage the impeller blades.
- While mounting the unit, avoid compression of the casing!
Deformation of the casing may result in the motor jam and noisy operation. Misuse of the unit and any unauthorised modifications are not allowed. - Take steps to prevent ingress of smoke, carbon monoxide, and other combustion products into the room through open chimney flues or other fire-protection devices. Sufficient air supply must be provided for proper combustion and exhaust of gases through the chimney of fuel burning equipment to prevent back drafting. Transported air must not contain any dust or other solid impurities, sticky substances, or fibrous materials.
- Do not use the unit in a hazardous or explosive environment containing spirits, gasoline, insecticides, etc.
- Do not close or block the intake or extract vents in order to ensure the efficient air flow.
- Do not sit on the unit and do not put objects on it.
- The unit is allowed to be used by children aged from 8 years old and above and persons with reduced physical, sensory, or mental capabilities or no experience and knowledge provided that they have been given supervision or instruction regarding safe use of the unit and understand the risks involved. · Do not allow children to play with the unit.
CAUTION! The unit must be installed at a distance of at least 2.3 m from the floor.
DELIVERY SET
Fan – 1 pc.
Screws and dowels – 4 pcs. (except for VKO/VKO1/MAO1/MAO2/M1OK2 models)
Screw, bolt, nut, plastic nut – 4 pcs. of each (for MAO1/MAO2/M1OK2 models)
Sealant – 2 pcs. (for MAO1/MAO2/M1OK2 models)
Connecting screws – 2 pcs. (for MAO1/MAO2/M1OK2 models)
Plastic screwdriver – 1 pc. (only for models with a timer)
User’s manual – 1 pc.
Packing box – 1 pc.
BRIEF DESCRIPTION
The product is an axial fan for exhaust ventilation of small and medium-sized premises.
The fans of the VKO/VKO1 series can be used for both supply and exhaust ventilation and are installed in the ventilation duct.
The fan (except for the VKO/VKO1/MAO/M1OK series) is designed for wall or ceiling mounting.
The fans of the VKO/VKO1 series are designed for installation in the ventilation duct.
The fans of the MAO/M1OK series are designed for window installation. The fan is rated for continuous operation.
The fan design is regularly improved, so some models may slightly differ from those ones described herein.
OPERATION GUIDELINES
The fan is connected to 220…240 V/50 Hz or 12 V/50 Hz single-phase AC mains depending on the model and is designed for continuous operation without disconnection from power mains.
Hazardous parts access and water ingress protection rating: VKO, VKO1 series IPX4; MA, Xstar, R, R1, MAO1, MAO2, M1OK2, X, X1 series IP24; K, K1, D, D1, M, PF, PF1, M1, M3, S, S1, F, LD, LD1, F1, Silenta-M, Silenta-S series IP34.
The fan is rated for operation at ambient temperatures ranging from +1 °C to +40 °C.
The unit is rated as a Class II (220-240 V/50 Hz) or Class III (12 V/50 Hz) electrical appliance.
PRODUCT SALES
The product is sold in specialized and retail trade organizations.
DESIGNATION KEY

MOUNTING AND SET-UP
The designation of the fan, schematic representation of its appearance, overall and mounting dimensions, as well as design features are given below.
VKO, VKO1
Model | А | D1 | D | C | L | E | G | H | F |
| 100 VKO/VKO1 | 91/113 | 104 | 100 | 31 | 28 | 160 | 144 | 29 | 45 |
125 VKO/VKO1 | 93/118 | 129 | 125 | 31 | 28 | 185 | 169 | 29 | 45 |
| 150 VKO/VKO1 | 108/128 | 154 | 150 | 46 | 28 | 200 | 184 | 29 | 45 |
The VKOk and VKO1k models are equipped with a mounting bracket for mounting on a flat surface.
MAO1, MAO2, M1OK2
Model | А | B | C | D | E | G | H |
125 MAO1 | 190 | 173 | 58 | 125 | 30 | – | – |
| 125 MAO2 | 190 | 173 | – | 125 | 30 | 123 | 159 |
150 MAO1 | 210 | 195 | 66 | 150 | 30 | – | – |
| 150 M1OK2 | 190 | 173 | – | 150 | 13 | 123 | 159 |
M3, F, F1
Model | А | B | C | D | E | G | H |
125 MAO1 | 190 | 173 | 58 | 125 | 30 | – | – |
| 125 MAO2 | 190 | 173 | – | 125 | 30 | 123 | 159 |
150 MAO1 | 210 | 195 | 66 | 150 | 30 | – | – |
| 150 M1OK2 | 190 | 173 | – | 150 | 13 | 123 | 159 |
K, K1, D, D1, M, MA, M1, LD, LD1, S, S1, PF, PF1, X, X1, Xstar, R, R1, Silenta-M, Silenta-S
Model | А | B | C | D | E |
| 100 K/K1 | 154 | 110 | 105/109 | 100 | 15/19 |
125 K/K1 | 187 | 142 | 112/116 | 125 | 15/19 |
| 150 K | 250 | 214 | 127 | 150 | 15 |
100 D/D1 | 150 | 120 | 108/93 | 100 | 12,5 |
| 120 D | 176 | 140 | 106 | 120 | 12 |
125 D/D1 | 176 | 140 | 114/96 | 125 | 12,5 |
| 150 D | 205 | 165 | 132 | 150 | 13 |
100 M | 159 | 135 | 88,5 | 100 | 23 |
| 125 M | 180 | 150 | 94 | 125 | 25 |
150 M | 206 | 182 | 106 | 150 | 25,5 |
| 100 MA/M1 | 165 | 150 | 92 | 100 | 30 |
125 MA/M1 | 190 | 173 | 98 | 125 | 30 |
150 MA/M1 | 212 | 195 | 114 | 150 | 30 |
100 LD/LD1 | 152 | 120 | 126/111 | 100 | 30 |
| 120 LD | 177 | 140 | 135 | 120 | 34 |
125 LD/LD1 | 177 | 140 | 135/116 | 125 | 34 |
| 150 LD | 206 | 165 | 154 | 150 | 36 |
100 S/S1 | 150 | 120 | 108/93 | 100 | 12 |
| 120 S | 176 | 140 | 107 | 120 | 12 |
125 S/S1 | 176 | 140 | 114/96 | 125 | 13 |
| 150 S | 205 | 165 | 132 | 150 | 14 |
100 PF/PF1 | 141 | – | 104/128 | 100 | 13 |
| 125 PF/PF1 | 166 | – | 110/134 | 125 | 15 |
150 PF/PF1 | 186 | – | 125/146 | 150 | 15 |
| 100 X | 152 | 120 | 125 | 100 | 30 |
125 X | 177 | 140 | 143 | 125 | 42 |
| 150 X | 205 | 165 | 160 | 150 | 42 |
100 X1 | 152 | 120 | 108 | 100 | 11,5 |
| 120 X1 | 177 | 140 | 114 | 120 | 12,5 |
125 X1 | 177 | 140 | 114 | 125 | 12,5 |
| 150 X1 | 205 | 165 | 132 | 150 | 13 |
100 Xstar | 152 | 120 | 132 | 100 | 36 |
| 125 Xstar | 177 | 140 | 143 | 125 | 42 |
150 Xstar | 205 | 165 | 160 | 150 | 42 |
| 100 R | 150 | 122 | 125 | 100 | 36 |
100 R1 | 150 | 122 | 114 | 100 | 25 |
| 100 Silenta-M | 159 | 135 | 88,5 | 100 | 23 |
125 Silenta-M | 180 | 150 | 94 | 125 | 25 |
| 150 Silenta-M | 206 | 182 | 106 | 150 | 25,5 |
100 Silenta-S | 150 | 120 | 108 | 100 | 12 |
| 120 Silenta-S | 170 | 140 | 114 | 120 | 13 |
125 Silenta-S | 170 | 140 | 114 | 125 | 13 |
| 150 Silenta-S | 205 | 165 | 132 | 150 | 14 |
For fans with a K option, the overall length of the outlet pipe increases by 14 mm.
The fan shown in the figures may slightly differ from your model, while the installation sequence is maintained.
The fan is designed for wall or ceiling mounting with direct air exhaust to the ventilation shaft or into the round air duct of matching diameter.

The fan mounting sequence is shown in figures. 13
K/K1/PF/PF1/F/F1 series


M/M1/M3//Silenta-M series


MAO/M1OK series


D/D1/LD/LD1/S/S1/X/X1/Xstar/Silenta-S series


R/R1 series


ELECTRONICS OPERATION ALGORITHM
The fan with the T timer activates upon control voltage application to input LT (ST, SL) by an external switch (e.g. indoor light switch). After the control voltage is off, the fan continues to operate within the set time period adjustable from 2 to 30 minutes by the timer.
The fan with the T1 timer - when the control voltage is applied to the LT terminal by an external switch (for example, switching on the room light), the turn-on delay timer is activated, and the fan does not start. After the turn-on delay time runs out, the fan starts to run.
Turn-on delay time value Tz is adjustable in two ranges from 10 seconds to 90 seconds and from 2 minutes to 30 minutes. Select the adjustment range using the jumper on the timer board. After the control voltage is off, the fan continues to operate within the set time period adjustable from 2 to 30 minutes by the timer.
The fan with the timer and the humidity sensor TH - the fan starts after the control voltage is supplied to the input LT (ST, SL) or if indoor humidity level H exceeds the set point adjustable from ~60 % to ~90 %. After the control voltage is off or the humidity level has decreased, the fan will keep running within the time set by the timer ranging from 2 to 30 minutes.
![]() | THE TIMER CIRCUIT IS LIVE. MAKE SURE THE FAN IS DISCONNECTED FROM POWER SUPPLY. |
The fan with the timer and the TR motion sensor - the fan starts when a person moves at a distance of 1 to 4 meters with a horizontal viewing angle of the sensor of 100°. After the movement stops, the fan continues to operate within the set time period adjustable from 2 to 30 minutes by the timer.
WARNING! The fans rated for 12 V power voltage (stated on the packing box and on the fan casing) connect to 12 V power mains only!
![]() | DO NOT USE A METAL SCREWDRIVER, KNIFE, ETC. FOR ADJUSTMENT OPERATIONS NOT TO DAMAGE THE CIRCUIT BOARD. |
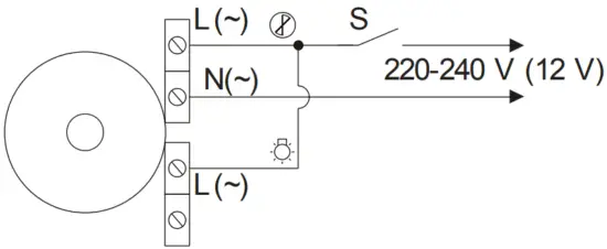
Wiring diagram for a fan with a built-in switch and a fan with a motion sensor.

Wiring diagram for a fan without a built-in switch.

Wiring diagram for a fan equipped with a timer/timer and a humidity sensor, with a built-in switch.

Wiring diagram for a fan equipped with a timer/timer and a humidity sensor, without a built-in switch.

Wiring diagram of the Xstar fan with separate switching on of the fan and the built-in lamp.

Wiring diagram of the Xstar fan with the simultaneous switching on of the fan and the integrated lamp.

Wiring diagram of the P and P1 fan equipped with a timer/timer and a humidity sensor.

Terminal designations on wiring diagrams:
L - line
N - neutral
S - external switch
S1 - external fan switch
S2 - external lamp switch
For T, TH and TR timers

For T1 timers

TROUBLESHOOTING
| Problem | Possible reasons | Troubleshooting |
| When the unit is connected to power mains, the fan does not rotate and does not respond to any controls. | No power supply. | Make sure the power supply line is connected correctly, otherwise troubleshoot the connection error. |
| Internal connection fault. | Contact the Seller. | |
| Low air flow. | The ventilation system is clogged. | Clean the ventilation system. |
| Increased noise, vibration. | The impeller is clogged. | Clean the impeller. |
| The fan is not secured well or is not mounted properly. | Troubleshoot the installation error. | |
| The ventilation system is clogged. | Clean the ventilation system. |
STORAGE AND TRANSPORTATION REGULATIONS
- Store the unit in the manufacturer’s original packaging box in a dry closed ventilated premise with temperature range from +5 ° to +40 ° and relative humidity up to 70 %.
- Storage environment must not contain aggressive vapors and chemical mixtures provoking corrosion, insulation, and sealing deformation.
- Use suitable hoist machinery for handling and storage operations to prevent possible damage to the unit.
- Follow the handling requirements applicable for the particular type of cargo.
- The unit can be carried in the original packaging by any mode of transport provided proper protection against precipitation and mechanical damage. The unit must be transported only in the working position.
- Avoid sharp blows, scratches, or rough handling during loading and unloading.
- Prior to the initial power-up after transportation at low temperatures, allow the unit to warm up at operating temperature for at least 3-4 hours.
MANUFACTURER’S WARRANTY
The product is in compliance with EU norms and standards on low voltage guidelines and electromagnetic compatibility. We hereby declare that the product complies with the provisions of Electromagnetic Compatibility (EMC) Directive 2014/30/ EU of the European Parliament and of the Council, Low Voltage Directive (LVD) 2014/35/EU of the European Parliament and of the Council and CE-marking Council Directive 93/68/EEC. This certificate is issued following test carried out on samples of the product referred to above.
The manufacturer hereby warrants normal operation of the unit for 60 months after the retail sale date provided the user’s observance of the transportation, storage, installation, and operation regulations. Should any malfunctions occur in the course of the unit operation through the Manufacturer’s fault during the guaranteed period of operation, the user is entitled to get all the faults eliminated by the manufacturer by means of warranty repair at the factory free of charge. The warranty repair includes work specific to elimination of faults in the unit operation to ensure its intended use by the user within the guaranteed period of operation. The faults are eliminated by means of replacement or repair of the unit components or a specific part of such unit component.
The warranty repair does not include:
- routine technical maintenance
- unit installation/dismantling
- unit setup
To benefit from warranty repair, the user must provide the unit, the user’s manual with the purchase date stamp, and the payment paperwork certifying the purchase. The unit model must comply with the one stated in the user’s manual. Contact the Seller for warranty service.
The manufacturer’s warranty does not apply to the following cases:
- User’s failure to submit the unit with the entire delivery package as stated in the user’s manual including submission with missing component parts previously dismounted by the user.
- Mismatch of the unit model and the brand name with the information stated on the unit packaging and in the user’s manual.
- User’s failure to ensure timely technical maintenance of the unit.
- External damage to the unit casing (excluding external modifications as required for installation) and internal components caused by the user. · Redesign or engineering changes to the unit.
- Replacement and use of any assemblies, parts and components not approved by the manufacturer.
- Unit misuse.
- Violation of the unit installation regulations by the user.
- Violation of the unit control regulations by the user.
- Unit connection to power mains with a voltage different from the one stated in the user’s manual.
- Unit breakdown due to voltage surges in power mains.
- Discretionary repair of the unit by the user.
- Unit repair by any persons without the manufacturer’s authorization.
- Expiration of the unit warranty period.
- Violation of the unit transportation regulations by the user.
- Violation of the unit storage regulations by the user.
- Wrongful actions against the unit committed by third parties.
- Unit breakdown due to circumstances of insuperable force (fire, flood, earthquake, war, hostilities of any kind, blockades).
- Missing seals if provided by the user’s manual.
- Failure to submit the user’s manual with the unit purchase date stamp. · Missing payment paperwork certifying the unit purchase.
![]() | FOLLOWING THE REGULATIONS STIPULATED HEREIN WILL ENSURE A LONG AND TROUBLE-FREE OPERATION OF THE UNIT. |
![]() | USER’S WARRANTY CLAIMS SHALL BE SUBJECT TO REVIEW ONLY UPON PRESENTATION OF THE UNIT, THE PAYMENT DOCUMENT AND THE USER’S MANUAL WITH THE PURCHASE DATE STAMP. |
MAINTENANCE
Disconnect the fan from power supply prior to maintenance and servicing operations. The fan surfaces must be regularly cleaned from dirt and dust. To clean the fan, use a soft cloth or a brush wetted in a mild detergent solution. Do not allow water or liquid come into contact with electric components. Wipe the surfaces dry after cleaning.
Certificate of acceptance
Quality Inspector’s Stamp
Sold by
(name and stamp of the seller)
Manufacture Date
Purchase Date
The fan is recognized as serviceable.




















