havit HV3223T-WHT Seefore Polycarb White LED Step Light

Polycarbonate Step Light Installation Instructions
| Product Specifications | |||||||||||
| Model No. | HV3221T-BLK | HV3221T-WHT | HV3222T-BLK | HV3222T-WHT | HV3223T-BLK | HV3223T-WHT | HV3225T-BLK | HV3225T-WHT | |||
| Name | Seefore | Service | |||||||||
| Material | Polycarbonate | ||||||||||
| Color | Black | White | Black | White | Black | White | Black | White | |||
| IP Rating | IP65 | ||||||||||
| Input Voltage | 12v DC | ||||||||||
| Protection Class | (Low Voltage) | ||||||||||
| Lamp Base | Built in LED | ||||||||||
| Lamp Wattage | 1x 3w | 1x 5w | |||||||||
| Color Temp | TRI Color – 3000k, 4000k, 5500k | TRI Color – 3000k, 4000k, 5500k | |||||||||
| Lumens | 90lm, 95lm, 100lm | 150lm, 155lm, 160lm | |||||||||
| CRI | > 80 | ||||||||||
| Wiring | Parallel | ||||||||||
| Dimmable | No | ||||||||||
| Warranty | 3 Years Replacement* | ||||||||||
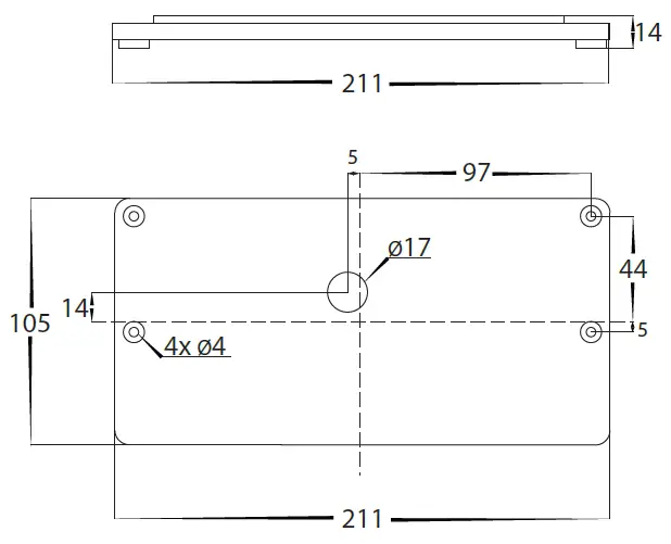
| HV3221 Dimensions | HV3222 Dimensions | HV3223 Dimensions | HV3225 Dimensions | ||||||||
![]() | ![]()
| ![]() |
| ||||||||
HV3221 Mounting Base

HV3223 Mounting Base

HV3222 Mounting Base

HV3225 Mounting Base

Important Safety Issues:
- This product must be installed by a qualified electrician according to AS/NZS 3000.
- Ensure all electrical mains are disconnected before any installation.
- Modification of this product will void any warranty.
- Havit Lighting does not take responsibility for wrong installation, incorrect use, or use of installation material that does not belong to the system.
- When installing low voltage fittings, Voltage to fitting must be within +or- 5% of voltage required and cannot be installed more than 25m from LED Driver, if not within this allowance warranty will be voided.
- All O-rings and seals must be in place correctly to maintain warranty.
- These instructions may be updated at any time due to product improvements, Please visit website for most current installation instructions.
Steps for Installation:
- Make sure that the electrical circuit is free of voltage (master switch off )
- Remove face from base plate
- Remove screws and clear cover from front of fitting as set aside.
- Install base plate in desired location, Seal all holes in the backing plate including cable entry and screw holes.
- Using an appropriate 12v LED Driver – DO NOT CONNECT LIGHT FITTING DIRECTLY TO 240V
- Connect the cable – If more than one fitting installed, wiring must be done in parallel.
- Fitting is preset to 3000k, To change move switch above PCB to desired color temperature
- Reattach clear cover making sure screws are tight to avoid water penetration.
- Reattach face onto fitting.
- Apply silicon around edge of fitting to prevent any water from getting inside to electrical connections.
- All connections must be carried out carefully, inspect all contacts before switching back on the electric circuit.
Must be installed by a licensed electrician
Contact Details:
143 Beauchamp Road Matraville NSW 2036 Australia
Tel: 02 9381 8300
Fax: 02 9666 8881
Email: [email protected]
Web: www.havit.com.au
Warranty Terms & Conditions*

Additional Information




























