hansgrohe AXOR URQUIOLA Concealed Thermostat with Shut Off Valve

Safety Notes
Gloves should be worn during installation to prevent crushing and cutting injuries.
The shower system may only be used for bathing, hygienic and body cleansing purposes.
Children as well as adults with physical, mental and/ or sensoric impairments must not use this shower system without proper supervision. Persons under the influence of alcohol or drugs are prohibited from using this shower system.
The hot and cold supplies must be of equal pressures.
Installation Instructions
The fitting must be installed, flushed and tested after the valid norms!
Technical Data
Operating pressure: max. 1 MPa
Recommended operating pressure: 0,1 – 0,5MPa
Test pressure: 1,6MPa (1 MPa = 10 bar = 147 PSI)
Hot water temperature: max. 80°C
Recommended hot water temp.: 65°C
Rate of flow by 0,3 MPa: approx. 26 l/min anti-pollution function
Symbol description
![]() | Do not use silicone containing acetic acid! |
Safety Function
| The desired maximum temperature for example max. 42º C can be pre-set thanks to the safety function. |
![]()


Adjustment
After the installation, the output temperature of the thermostat must be checked. A correction is necessary if the temperature measured at the output differs from the temperature set on the thermostat.

Maintenance
- To guarantee the smooth running of the thermostat, it is necessary from time to time to turn the thermostat from total hot to total cold.
- The mixer is equipped with non return valves. The non return valves must be checked regularly according to DIN EN 1717 in accordance with national or regional regulations (at least once a year). At this time, please also check the filter (A) situated on the MTC-thermoelement (94282000). After assembling the MTC-thermoelement, it is necessary to check the water temperature at the take off point as described under the headline “adjustment”. Before the adjustment, please check, if the warm water supply is activated and the maximum temperature of the warm water is available at the take off point.



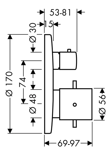
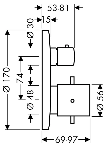
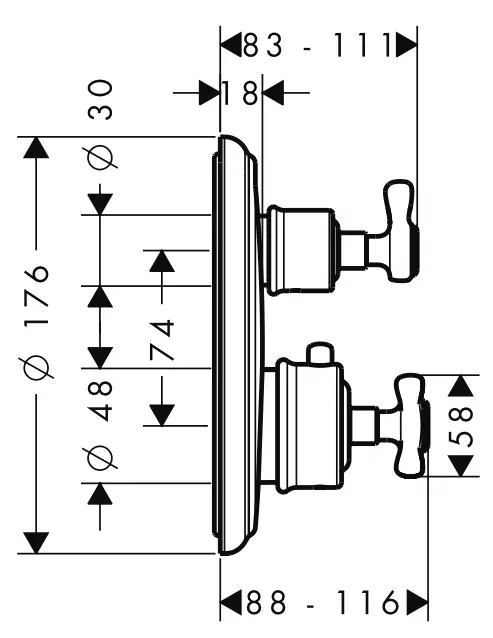
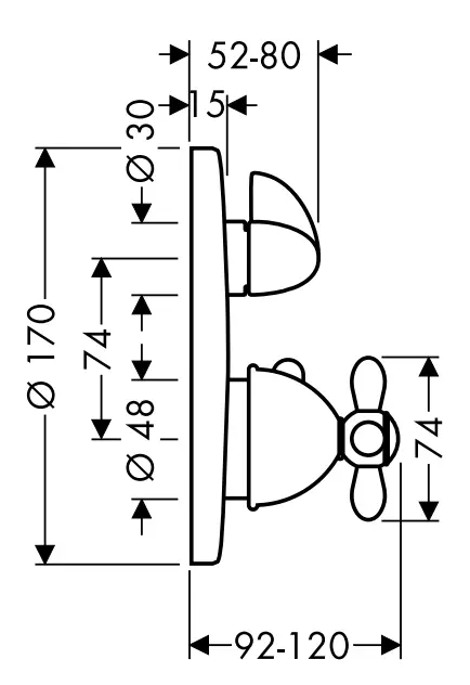
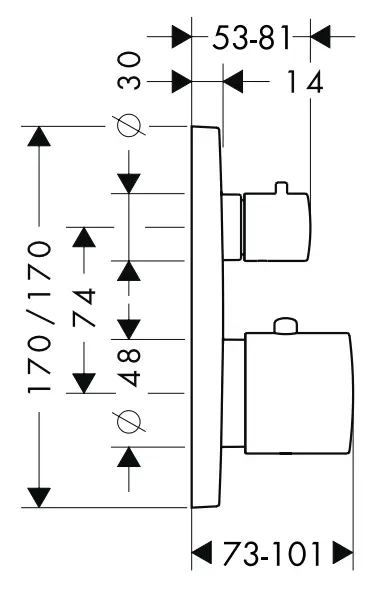
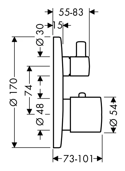
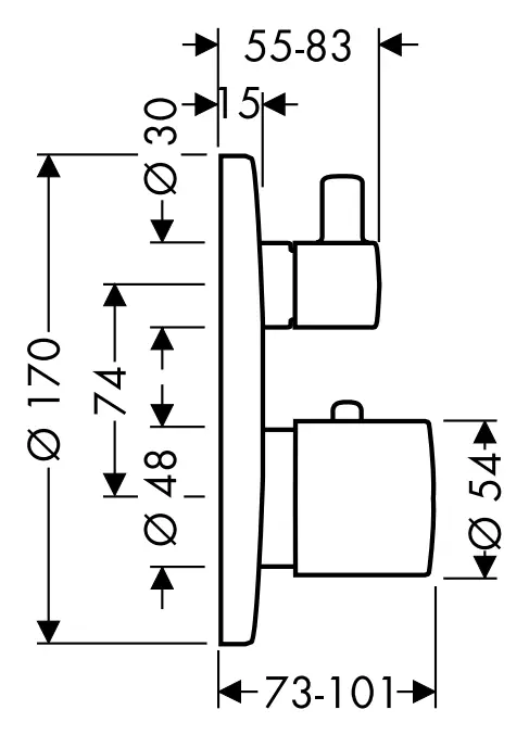
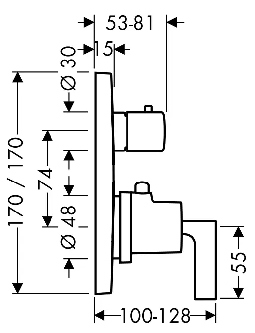
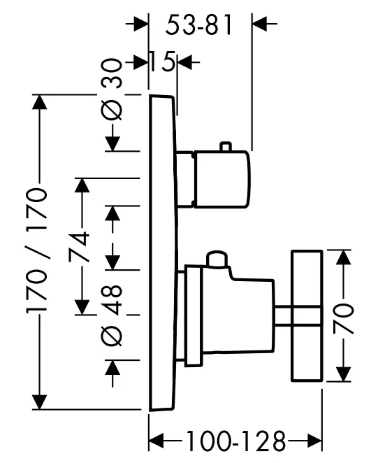
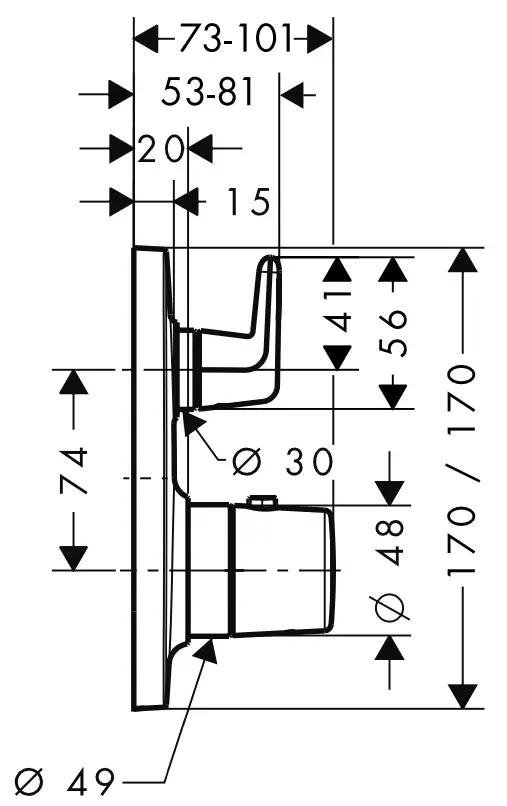
Dimensions
- Starck
10700000
- Starck X
10706000
- Montreux
16800XXX
- Carlton
17700XXX
- Carlton
17705XXX
- Massaud
18745000
- Citterio M
34705000
- Steel
35700800
- Uno
38700000
- Citterio
39700000
- Citterio
39705000
- Bouroullec
19704000
Spare parts
- XXX = Colors
- 000 chrome plated
- 090 chrome plated/gold plated
- 800 stainless steel optic
- 820 brushed nickel
- 830 polished nickel




Operation


Cleaning
see enclosed brochure.
Test certificate
| PA.fX | DVGW | SVGW | ACS | WRAS | MCA | KIWA | |
| 10700000 | 97 11/ ID | X | X | X | X | X | |
| 10706000 | 97 11/ ID | X | X | X | |||
| 16800XXX | 97 11/ ID | X | X | X | |||
| 17700XXX | 97 11/ ID | X | X | X | X | X | |
| 17705XXX | 97 11/ ID | X | X | X | X | X | |
| 18745000 | 9711/ ID | X | X | X | |||
| 34705000 | 97 11/ ID | X | |||||
| 35700800 | 97 11/ ID | X | X | X | X | X | |
| 37700000 | 97 11/ ID | X | X | X | X | X | |
| 37705000 | 97 11/ ID | X | X | X | X | X | |
| 38700000 | 97 11/ ID | X | X | X | X | X | |
| 39700000 | 97 11/ ID | X | X | X | X | X | |
| 39705000 | 97 11/ ID | X | X | X | X | X | |
| 19704000 | X |

| Fault | Cause | Remedy |
| Insufficient water |
|
|
|
| |
|
| |
| Crossflow, hot water being forced into cold water pipe, or vice versa, when mixer is closed |
|
|
| Spout temperature does not correspond with temperature set |
|
|
|
| |
| Temperature regulation not possible |
|
|
|
| |
| Safety stop button not operating |
|
|
| Valve stiff |
|
|
| Shower or spout dripping |
|
|
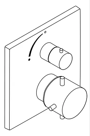
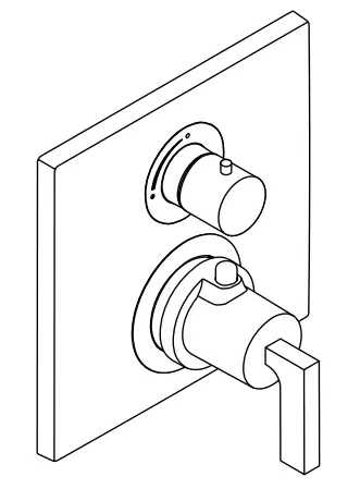
Assembly




Massaud/Bouroullec



Other Products
- Starck
10700000
- Starck X
10706000
- Montreux
16800XXX
- Carlton
17700XXX
- Carlton
17705XXX
- Massaud
18745000
- Citterio M
34705000
- Steel
35700800
- Uno
38700000
- Citterio
39700000
- Citterio
39705000
- Bouroullec
19704000

Hansgrohe · Postfach 1145 · D-77761 Schiltach · Telefon +49 (0) 78 36/51-1282 · Telefax +49 (0) 7836/511440
E-Mail: [email protected] · Internet: www.hansgrohe.com

Safety Notes
Adjustment
Maintenance
Dimensions











Spare parts
Operation
Cleaning
Test certificate
Assembly






























