hansgrohe 15775000 Metropol Concealed Thermostat with Shut-Off Valve Instruction Manual
Modes
Talis E: 15700XXX
Talis S Sportive: 15701XXX
PuraVida: 15775XXX
Safety Notes
Gloves should be worn during installation to prevent crushing and cutting injuries.
The shower system may only be used for bathing, hygienic and body cleansing purposes.
Children as well as adults with physical, mental and/ or sensoric impairments must not use this shower system without proper supervision. Persons under the influence of alcohol or drugs are prohibited from using this shower system.
The hot and cold supplies must be of equal pressures
Installation Instructions
The fitting must be installed, flushed and tested after the valid norms!
Technical Data
- Operating pressure: max. 1 MPa
- Recommended operating pressure: 0,1 – 0,5MPa
- Test pressure: 1,6MPa (1 MPa = 10 bar = 147 PSI)
- Hot water temperature: max. 80°C
- Recommended hot water temp.: 65°C
- Rate of flow by 0,3 MPa: approx. 26 l/min anti-pollution function
Symbol description
Do not use silicone containing acetic acid!
max 42 C Safety Function (see page 62)
The desired maximum temperature for example max. 42º C can be pre-set thanks to the safety function.
Adjustment (see page 63)
After the installation, the output temperature of the thermostat must be checked. A correction is necessary if the temperature measured at the output differs from the temperature set on the thermostat.
Maintenance (see page 64)
- To guarantee the smooth running of the thermostat, it is necessary from time to time to turn the thermostat from total hot to total cold.
- The mixer is equipped with non return valves. The non return valves must be checked regularly according to DIN EN 1717 in accordance with national or regional regulations (at least once a year). At this time, please also check the filter (A) situated on the MTC-thermoelement (94282000). After assembling the MTC-thermoelement, it is necessary to check the water temperature at the take off point as described under the headline „adjustment“. Before the adjustment, please check, if the warm water supply is activated and the maximum temperature of the warm water is available at the take off point.
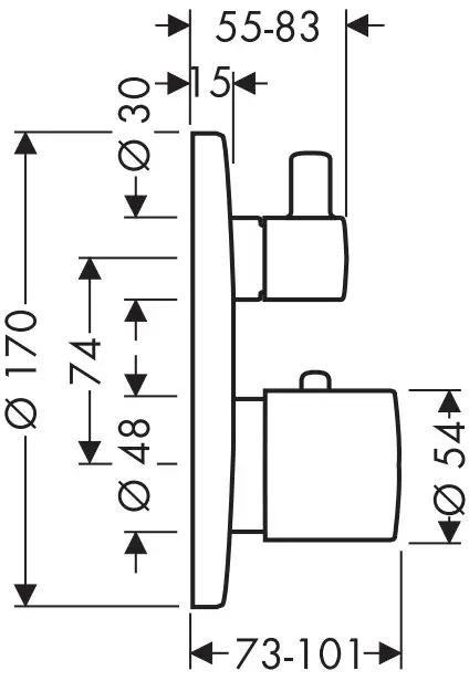
Dimensions (see page 66)
Spare parts (see page 67)
- XXX = Colors
- 000 chrome plated
- 090 chrome plated/gold plated
- 400 white/chrome plated
- 880 satin chrome
Operation (see page 68)
Cleaning
see enclosed brochure.
Test certificate (see page 66)
| Fault | Cause | Remedy |
| Insufficient water |
|
|
|
| |
|
| |
| Crossflow, hot water being forced into cold water pipe, or vice versa, when mixer is closed |
|
|
| Spout temperature does not correspond with temperature set |
|
|
|
| |
| Temperature regulation not possible |
|
|
|
| |
| Safety stop button not operating |
|
|
| Valve stiff |
|
|
| Shower or spout dripping |
|
|
Assembly Instrcutions
















Dimensions
Metris E/Talis E 15700XXX

Talis S Sportive 15701XXX

PuraVida15775XXX
| PA-IX | DVGW | SVGW | ACS | WRAS | MCA | ETA | KIWA | |
| 15700XXX | 9711/ID | X | X | X | X | X | X | |
| 15701XXX | 9711/ID | X | X | X | X | |||
| 15775XXX | 9711/ID | X | X |

Product Overawe




Hansgrohe · Postfach 1145 · D-77761 Schiltach · Telefon +49 (0) 78 36/51-1282 · Telefax +49 (0) 7836/511440
E-Mail: [email protected] · Internet: www.hansgrohe.com



















