hansgrohe AXOR STARCK X Concealed Thermostat with Shut Off Valve

OTHER MODELS
- Starck 10700000

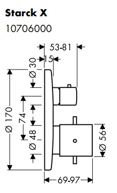
- Starck X 10706000

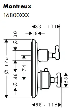
- Montreux 16800X

- Carlton 17700XXX

- Carlton 17705XXX

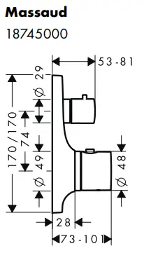
- Massaud 18745000

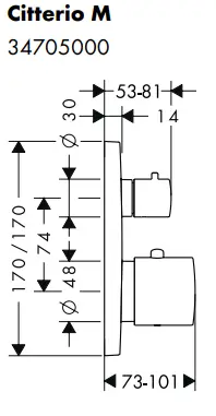
- Citterio M 34705000

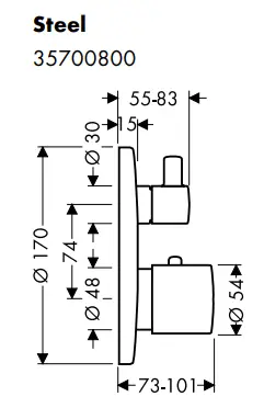
- Steel 35700800

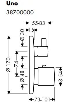
- Uno 3870000

- Citterio 39700000

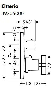
- Citterio 39705000

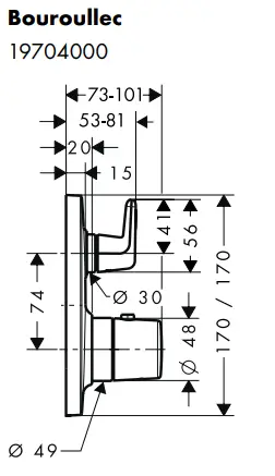
- Bouroullec 19704000

Safety Notes
Gloves should be worn during installation to prevent crushing and cutting injuries.
The shower system may only be used for bathing, hygienic and body cleansing purposes.
Children as well as adults with physical, mental and/ or sensoric impairments must not use this shower system without proper supervision. Persons under the influence of alcohol or drugs are prohibited from using this shower system.
The hot and cold supplies must be of equal pressures
Installation Instructions
The fitting must be installed, flushed and tested after the valid norms!
Technical Data
Operating pressure: max. 1 MPa
Recommended operating pressure: 0,1 – 0,5MPa
Test pressure: 1,6MPa (1 MPa = 10 bar = 147 PSI)
Hot water temperature: max. 80°C
Recommended hot water temp.: 65°C
Rate of flow by 0,3 MPa: approx. 26 l/min anti-pollution function
Symbol description
Do not use silicone containing acetic acid!
Safety Function
(see page 64)![]()


The desired maximum temperature for example max. 42º C can be pre-set thanks to the safety function.
Adjustment
(see page 65)


After the installation, the output temperature of the thermostat must be checked. A correction is necessary if the temperature measured at the output differs from the temperature set on the thermostat.
Maintenance
(see page 66)






- To guarantee the smooth running of the thermostat, it is necessary from time to time to turn the thermostat from total hot to total cold.
- The mixer is equipped with non return valves. The non return valves must be checked regularly according to DIN EN 1717 in accordance with national or regional regulations (at least once a year). At this time, please also check the filter (A) situated on the MTC-thermoelement (94282000). After assembling the MTC-thermoelement, it is necessary to check the water temperature at the take off point as described under the headline „adjustment“. Before the adjustment, please check, if the warm water supply is activated and the maximum temperature of the warm water is available at the take off point.
Dimensions
(see page 68)












Spare parts
(see page 70)


XXX = Colors
000 chrome plated
090 chrome plated/gold plated
800 stainless steel optic
820 brushed nickel
830 polished nickel
Operation
(see page 72)

Cleaning
see enclosed brochure
Test certificate
(see page 69)
| PA-IX | DVGW | SVGW | ACS | WRAS | MCA | KIWA | ||
| 10700000 | 97 11/ ID | X | X | X | X | X | ||
| 10706000 | 97 11/ ID | X | X | X | ||||
| 16800XXX | 97 11/ ID | X | X | X | ||||
| 17700XXX | 97 11/ ID | X | X | X | X | X | ||
| 17705XXX | 97 11/ ID | X | X | X | X | X | ||
| 18745000 | 97 11/ ID | X | X | X | ||||
| 34705000 | 97 11/ ID | X | ||||||
| 35700800 | 97 11/ ID | X | X | X | X | X | ||
| 37700000 | 97 11/ ID | X | X | X | X | X | ||
| 37705000 | 97 11/ ID | X | X | X | X | X | ||
| 38700000 | 97 11/ ID | X | X | X | X | X | ||
| 39700000 | 97 11/ ID | X | X | X | X | X | ||
| 39705000 | 97 11/ ID | X | X | X | X | X | ||
| 19704000 | X | |||||||
Assembly
see page 60

Starck/StarckX/Montreux/Carlton/CitterioM/Steel/Terrano/Uno/Citterio







TROUBLESHOOTING
| Fault | Cause | Remedy |
| Insufficient water |
|
|
|
| |
|
| |
| Crossflow, hot water being forced into cold water pipe, or vice versa, when mixer is closed |
|
|
| Spout temperature does not correspond with temperature set |
|
|
|
| |
| Temperature regulation not possible |
|
|
|
| |
| Safety stop button not operating |
|
|
| Valve stiff |
|
|
| Shower or spout dripping |
|
|
CUSTOMER SERVICES
Hansgrohe · Postfach 1145 · D-77761 Schiltach
Telefon +49 (0) 78 36/51-1282 · Telefax +49 (0) 7836/511440
E-Mail: [email protected]
Internet: www.hansgrohe.com


































