AXOR 45710181 One Thermostatic Module Rough

Product Information
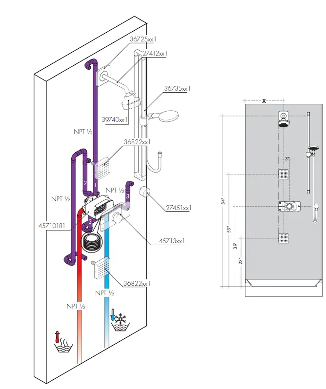
The AXOR One 45710181 is a thermostatic mixer that controls the water temperature and shut-off valves for up to three outlets. It has a recommended water pressure range of 15-75 PSI (0.1-0.5 MPa) and a maximum pressure of 145 PSI (1 MPa). The recommended maximum hot water temperature is 7.9 GPM (29.9 l/min). The unit comes with a function block that incorporates the thermostatic mixing unit and shut-off valve(s) and is included with the trim kit.
Product Usage Instructions
- For best results, it is recommended that the unit be installed by a licensed, professional plumber. Before beginning installation, read through the instructions thoroughly and ensure that you have all the necessary tools and supplies.
- Know which features (showerhead, hand shower, etc.) will be installed and which AxorOne Thermostatic Mixer trim will be used as the piping will vary. The number of outlets the rough controls depends on the function block installed.
- To ensure the correct function of the thermostatic mixing valve, connect the hot supply to the hot inlet (left) and the cold supply to the cold inlet (right).
- Port #4 must be plugged in.
- Install the noise reducers. Make sure that the valve is level and screw it to the stringer. Install the hot and cold supply pipes and outlet pipe(s).
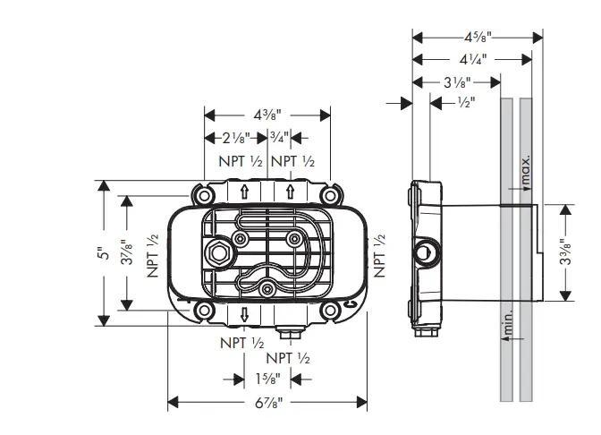
- The outside surface of the finished wall must fall between the min and max markings on the installation box. In the wall, valve(s) and pipes must be properly supported. Hansgrohe strongly recommends the use of a stringer.
- Keep the product manual and receipt (or other proof of date and place of purchase) in a safe place. The receipt is required for warranty parts requests.
- If you have questions regarding your installation, please contact Hansgrohe Technical Service at 800-334-0455.
TECHNICAL INFORMATION
Water pressure
- recommended 15 – 75 PSI (0.1-0.5 MPa)
- maximum 145 PSI (1 MPa)
Hot water temp.
- recommended 120°-140° F (49°- 60°C)*
- maximum 176°F (80° C)*
- Flow rate @ 44 PSI 7.9 GPM (29.9 l/min)
- Please know and follow all applicable local plumbing codes when setting the temperature on the water heater.
INSTALLATION CONSIDERATIONS
- For best results, Hansgrohe recommends that this unit be installed by a licensed, professional plumber.
- Please read over these instructions thoroughly before beginning installation. Make sure that you have all tools and supplies needed to complete the installation.
- Before beginning installation, know what features (showerhead, handshower, etc.) will be installed. Know which AxorOne Thermostatic Mixer trim will be installed as the piping will vary.
- The number of outlets the #45710181 rough controls depends on the function block installed. The function block incorporates the thermostatic mixing unit and the shut-off valve(s). It is included with the trim kit.
- AXOR One trim #45711xx1 controls one outlet. AXOR One #45712xx1 controls two outlets. AXOR One trim #45713xx1 controls three outlets.
- This manual includes some installation suggestions on pages 6 – 11. These are not the only possible installations. If you have questions regarding your installation, please contact Hansgrohe Technical Service at 800-334-0455.
- To insure correct function of the thermostatic mixing valve, the hot supply must be connected to the hot inlet (left) and the cold supply must be connected to the cold inlet (right).
- To prevent scald injury, the maximum output temperature of the shower valve must be no higher than 120°F (49°C). In Massachusetts, the maximum output temperature can be no higher than 112°F (44°C).
- Keep this booklet and the receipt (or other proof of date and place of purchase) for this product in a safe place. The receipt is required should it be necessary to request warranty parts.
AXOR One 45710181

PORTS

SYMBOLS

- PORT #4 MUS T BE PL UGGED.
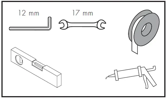
TOOLS REQUIRED


Controls temperature and shut-of f for one function – plumb from outlet #1 ONLY.
SUGGESTED INSTALLATIONS


- Controls temperature and shut-off two functions – plumb from outlet #1 and outlet #2.



- Controls temperature and shut-of f for three functions plumb from outlets #1, #2, and #3.

INSTALLATION
- The outside surface of the finished wall must fall between the “min” and “max” markings on the installation box. In the wall, valve(s) and pipes must be properly supported. Hansgrohe strongly recommends the use of a stringer.

Install the noise reducers.
Make sure that the valve is level. Screw the valve to the stringer. Install the hot and cold supply pipes and the outlet pipe(s).
- Plumb from outlet #1 ONLY.


- Plumb from outlet #1 and outle t #2 (A).
- Can also be plumbed from outlet #1 and outlet #3 (B).

- Plumb from outlets #1, #2, and #3


- After installation, flush the hot and cold supplies thoroughly.
- Make sure the water is turned off at the main.
- Remove the dust cover. Remove the flush insert plug.

Turn the water on. The flush insert directs the hot supply through the outlet at the front of the flush insert. It directs the cold supply to the valve outlet(s). Turn the water off. Reinstall the plug and the dust cover.
Install sheet rock or backer board over the valves. Seal the wall around the plaster shields using waterproof sealant.
Brush adhesive (not included) over the backer board. Do not use hot g lue.
Install the sealing gasket.
Install the tile or other finished wall material over the sealing gasket.
REPLACEMENT PARTS
AXOR One 45710181

HANSGROHE, INC. LIMITED WARRANT Y
Offering our customers the highest quality at all times is a fundamental part of the Hansgrohe, Inc. company philosophy. We offer consumers a limited warranty on our hansgrohe® and AXOR® branded products.
This warranty is limited to products manufactured by Hansgrohe, Inc. that are purchased from a Hansgrohe, Inc. authorized seller by a consumer in the United States or Canada after September 1, 2019, and installed in either the United States or in Canada.
WARRANTY
Hansgrohe, Inc. warrants to the original consumer purchaser that Hans-grohe and AXOR products will be free from defects in material and workmanship for as long as the original consumer purchaser owns both the product and the home in which the product was originally installed. For commercial purchasers, the warranty period is (a) one (1) year for Hansgrohe products and (b) five (5) years for AXOR products, in each case from the date of purchase. The warranty period for products in the Rubbed Bronze, Matte Black, and Matte White finishes is three (3) years from the date of purchase. This warranty is non-transferable.
WHAT WE WILL DO
Hansgrohe, Inc., at its option, will replace any product or part of the product that proves defective in workmanship and/ or material, under normal installation, use, service, and maintenance. If Hansgrohe, Inc. is unable to provide a replacement part or product and repair is not practical or cannot be made in a timely fashion, Hansgrohe, Inc. may elect to refund the purchase price in exchange for the return of the defective product. REPAIR OR REPLACEMENT (OR, IN LIMITED CIRCUMSTANCES, REFUND OF THE PURCHASE PRICE) AS PROVIDED UNDER THIS LIMITED WARRANTY IS THE EXCLUSIVE REMEDY OF THE PURCHASER.
WHAT IS NOT COVERED BY THE WARRANTY
Because Hansgrohe, Inc. is unable to control the quality of Hansgrohe or AXOR products sold by unauthorized sellers, unless otherwise prohibited by law, this warranty does not cover Hansgrohe or AXOR products purchased from unauthorized sellers. Authorized sellers can be found on Hansgrohe and AXOR branded websites. Labor and other expenses for disconnection, de-installation, or return of the product for warranty service (including but not limited to proper packaging and shipping costs), or for installation or reinstallation of the product are not covered by this warranty. Hansgrohe, Inc. shall not be liable for any damage to the product resulting from
- reasonable wear and tear
- outdoor use
- misuse (including use of the product for an unintended application)
- freezing water
- excessive water pressure
- pipe corrosion in the home in which the product is installed
- abuse, neglect or improper or incorrectly performed instal-lation, maintenance or repair, including the use of abrasive or caustic cleaning agents or “no-rinse” cleaning products.
This warranty does not cover: (i) accessories, connected materials and products, or related products not manufactured by Hansgrohe, Inc. (ii) any hansgrohe or AXOR product sold for display purposes or (iii) hans-grohe or AXOR products purchased from unauthorized sellers.
WHAT YOU MUST DO TO OBTAIN WARRANTY SERVICE OR INFORMATION
Contact your retailer, or contact Technical Service at:
- Hansgrohe, Inc. 1492 Bluegrass Lakes Parkway Alpharetta, GA 30004
- Toll-free 800 -334- 0455
In requesting warranty service, you will need to provide:
- The sales receipt or other evidence of the date and place of purchase.
- A description of the problem.
- Delivery of the product or the defective part, postage prepaid and carefully packed and insured, to:
- Hansgrohe, Inc. 1492 Bluegrass Lakes Parkway Alpharetta, GA 30004
- Toll-free 800 -334- 0455
When warranty service is completed, any repaired or replacement prod-uct or part will be returned to you postage prepaid. REVISED SEPTEMBER 1, 2019. LIMITATION ON DURATION OF IMPLIED WARRANTIES: Some States do not allow limitations on how long an implied warranty lasts, so the below limitations may not apply to you. TO THE MAXIMUM EXTENT PERMITTED BY APPLICABLE LAW, ANY IMPLIED WARRANTY, INCLUDING THE IMPLIED WARRANTIES OF MERCHANTABILITY AND OF FITNESS FOR A PARTICULAR PURPOSE, IS LIMITED TO THE STATUTORY PERIOD OR THE DURATION OF THIS WARRANTY, WHICHEVER IS SHORTER. LIMITATION OF SPECIAL, INCIDENTAL OR CONSEQUENTIAL DAMAGES: Some States do not allow the exclusion or limitation of incidental or consequential damages, so the below limitations and exclusions may not apply to you. TO THE MAXIMUM EXTENT PERMITTED BY APPLICABLE LAW, THIS WARRANTY DOES NOT COVER, AND HANSGROHE, INC. SHALL NOT BE LIABLE FOR, ANY SPECIAL, INCIDENTAL OR CONSEQUENTIAL DAMAGES (INCLUDING LABOR CHARGES TO REPAIR, REPLACE, INSTALL OR REMOVE THIS PRODUCT), WHETHER ARISING OUT OF BREACH OF ANY EXPRESS OR IMPLIED WARRANTY, BREACH OF CONTRACT, TORT, OR OTHERWISE. HANSGROHE, INC. SHALL NOT BE LIABLE FOR ANY DAMAGE TO THE PRODUCT RESULTING FROM REASONABLE WEAR AND TEAR, OUTDOOR USE, MISUSE (INCLUDING USE OF THE PRODUCT FOR AN UNINTENDED APPLICATION), FREEZING WATER, EXCESSIVE WATER PRESSURE, PIPE CORROSION IN THE HOME IN WHICH THE PRODUCT IS INSTALLED, ABUSE, NEGLECT OR IMPROPER OR INCORRECTLY PERFORMED INSTALLATION, MAINTENANCE OR REPAIR, INCLUDING THE USE OF ABRASIVE OR CAUSTIC CLEANING AGENTS OR “NO-RINSE” CLEANING PRODUCTS. NOTICE TO RESIDENTS OF THE STATE OF NEW JERSEY: The provisions of this warranty, including its limitations, are intended to apply to the fullest extent permitted by the laws of the State of New Jersey. This warranty gives you specific legal rights, and you may also have other rights which vary from state to state.
PRODUCT INSTRUCTIONS AND QUESTIONS
Upon purchase or prior to installation, please carefully inspect your product for any damage or visible defect. Prior to installing, always carefully study the enclosed instructions on the proper installation and the care and maintenance of this product. If you have questions at any time about the use, installation or performance of your product, or the Limited Warranty, please write us or call us toll-free at 800 -334- 0455.
- AXOR ⁄ Hansgrohe, Inc. 1490 Bluegrass Lakes Parkway Alpharetta, GA 30004
- Tel. 800-334-0455
- Fax 770-889-1783
- axor-design.com
US – Installation Instructions • Part No. 90295421• Revised 01/2022































