ADAYO JRV9100 6.75-Inch Double DIN Multimedia Receiver

FCC STATEMENT
This device complies with Part 15 of the FCC Rules. Operation is subject to the following two conditions:
- This device may not cause harmful interference, and
- This device must accept any interference received, including interference that may cause undesired operation.
Changes or modifications not expressly approved by the party responsible for compliance could void the user’s authority to operate the equipment.
NOTE:
This equipment has been tested and found to comply with the limits for a Class B digital device, pursuant to Part 15 of the FCC Rules. These limits are designed to provide reasonable protection against harmful interference in a residential installation.
This equipment generates uses and can radiate radio frequency energy and, if not installed and used in accordance with the instructions, may cause harmful interference to radio communications. However, there is no guarantee that interference will not occur in a particular installation. If this equipment does cause harmful interference to radio or television reception, which can be determined by turning the equipment off and on, the user is encouraged to try to correct the interference by one or more of the following measures:
- Reorient or relocate the receiving antenna.
- Increase the separation between the equipment and receiver.
- Connect the equipment into an outlet on a circuit different from that to which the receiver is connected.
- Consult the dealer or an experienced radio/TV technician for help.
FCC Radiation Exposure Statement
This equipment complies with FCC radiation exposure limits set forth for an uncontrolled environment. This equipment should be installed and operated with minimum distance 20cm between the radiator & your body.
This unit supports only the following iPhone models:
iPhone X
iPhone 8 Plus
iPhone 8
iPhone 7 Plus
iPhone 7
iPhone SE
iPhone 6s Plus
iPhone 6s
iPhone 6 Plus
iPhone 6
iPhone 5s
“Made for iPod” and “Made for iPhone” mean that an electronic accessory has been designed to connect specifically to the iPod or iPhone, respectively, and has been certified by the developer to meet Apple performance standards.
Apple is not responsible for the operation of this device or its compliance with safety and regulatory standards. Please note that the use of this accessory with iPod or iPhone may affect wireless performance.
iPod and iPhone are trademarks of Apple Inc., registered in the U.S. and other countries.
Thank you for choosing a ASA product. We hope you will find the instructions in this owner’s manual clear and easy to follow. If you take a few minutes to look through it, you’ll learn how to use all the features of your new unit Multimedia Receiver for maximum enjoyment. Please save this manual for future reference.
We recommend having your unit Multimedia Receiver installed by a reputable installation shop.
FEATURES
MP3 / WMA
- ID3 Tag Compatible
- Directory Search (MP3 / WMA Only)
- Random, Repeat and Intro
- Play, Pause, Stop, Next Track and Previous Track
AM-FM - USA / European Frequency Spacing
- 30 Station Presets (18 FM / 12 AM)
- Auto Stereo / Mono
- Local / Distance
- Auto Store / Preview Scan
iPod®/iPhone® - iPod® iPhone® via USB
- High Speed Direct Connect Interface to Access iPhone® and iPod® Playlists, Artists, Albums
- Power Management Charges iPhone® / iPod® while Connected
Chassis - Fixed Front Panel
- High Definition TFT LCD
General - Beep Tone Confirmation (ON-OFF Option)
- BT Hands-Free operation for safety and convenience and A2DP for streaming music from your smartphone.
- One Composite Video Output for Additional Screens
- Front Panel Audio/Video Input
- Front Panel USB – Playback Music / Video Files via Portable Hard Drives / USB flash drives
- Ten-Band Graphic Equalizer
- 6VRMS Front / Rear / Subwoofer RCA Line Output
- Touch Screen Calibration Mode
- Rotary Encoder Audio Control
- HDMI / MHL Connectivity – See and control smartphone apps on the larger TFT screen. *Some apps may not be supported.
- USB Charging Current – 2.1 Amp Support
WARNING! Never install this unit where operation and viewing could interfere with safe driving conditions.
WARNING! To reduce the risk of a traffic accident (except when using for rear view video camera) never use the video display function while driving the vehicle. This is a violation of federal law.
WARNING! Never disassemble or adjust the unit.
WARNING! To prevent injury from shock or fire, never expose this unit to moisture or water.
WARNING! Using an improper fuse may cause damage to the unit and result in fire.
CONTROLS AND INDICATORS

- Button
Activate voice control - Remote sensor
- Button
Show main menu - Button
Return to previous menu - Rotary/pushbutton Switch on device In operation:
Mute audio source (short press) Increase/Decrease the volume (rotate) Switch off device (long press) - Reset Button
Reset the unit. - USB slot
- AUX in Jack
Basic Operations
Parking Brake Inhibit
- When the “BRAKE” cable is connected to the brake switch, the display on the TFT monitor will display video only when the vehicle is applied.
- Parking brake function is overridden when the video source is set to REVERSE.
- When the parking brake inhibit is active, the front monitor displays
Warning It is illegal to view video while driving or operating a motor vehicle. Set parking brake to view video.”, preventing the driver from watching content while driving. Rear video screens are not affected.
Mute
Press button to mute the volume from the unit. Press again to restore the volume. Adjusting the volume or using any of the audio setup features cancels the
mute function.
Power On / Off
Press the knob on the unit to turn the unit on. The buttons on the front of the unit light up for a moment and the current mode status appears in the LCD.
Press and hold the knob to power off the unit.
Playing Source Selection
Press the button on the front panel to change between available playing sources. The playing mode is displayed on the screen.
- Enter radio mode.
- Enter music menu.
- Show main menu
- Enter Bluetooth mode.
- Enter setting menu.
- Function icons
- Clock
Volume Adjustment
To increase or decrease the volume level, rotate the knob on the front panel. The volume ranges from “0”to “40”.
Equalizer
- Enter the EQ setup mode
Touch the [ EQ ] icon in the user interface and the EQ setup interface will display on the screen. - Select EQ mode
Touch the desired EQ selection: [ User ] / [ Jazz ] / [ Pop ] / [ Classic ] / [ Rock ] / [ Flat ], and the EQ mode will change.
Adjust EQ Parameters
To adjust EQ parameters, touch and drag the parameters adjustment bar.
- [ User ]: Set the desired audio effect.
- [ Flat ]: Select the original audio effect.
- [ Reset ]: Cancel the equalizer function settings.
- [ Loudness: On/Off ]:When listening to music at low volumes, this feature will selectively boost certain bass and treble frequencies.
Volume distribution (fader/balance)
You can adjust the volume distribution in the vehicle for all sources.
- Press the button. The menu for fader and balance is displayed

- Adjust fader and balance with OR.
Set Date/Time
- Touch .
- Touch [ Time ].
The date / time setup menu is displayed.
Set Date
- Touch [ Date ].
- Touch the date information on the screen.
A submenu is displayed. - Touch or to set year, month and day.
Set Clock Mode
Touch [12Hr] or [24Hr] to switch clock mode.
Set Time
- Touch [ Time ].
- Touch the time on the screen, a submenu is displayed.
- Touch or to set hour and minute. Touch or to set AM/PM (only for 12Hr).
Note:
When date/time is set, touch to confirm or to exit.
Radio Mode
Radio Display


- Preset radio station list
- Current radio band indicator
- Current frequency
- Radio station information’s
- Clock
- Enter Preset Station list
- Band switch
- Tune backward
Auto tune backward. (long press) - Search stations automatically
- Tune forward
Auto tune forward. (long press) - Go to station by inputting frequency
- Hide the second line of control buttons
- Store the current station
- RDS setting options
Select One Radio Band
Touch the icon on the user interface to select one radio band among FM, AM.
Tune
Auto Tuning
Hold icon on the user interface more than 1 second to seek a higher / lower station.
To stop searching, repeat the operation above or press other buttons having radio functions.
Note:
When a station is received, searching stops and the station is played.
Manual Tuning
Method 1:
During manual tuning, the frequency will be changed in steps.
Touch the icon on the user interface to tune in a higher / lower station.
Method 2:
- Touch the numeric keypad icon . Numeric keyboard is displayed, touch number to input frequency.
- Touch to delete the input number step by step.
- Touch [ OK ] to enter.
Preset Station
Different memory band sand wavebands are available Up to 18 FM and 12 AM stations can be stored in each memory bank. hence the unit can store 30 stations in total.
Search Stations Automatically
Touch to search station and store strongest stations in current band automatically.
Manual Store
- Tune to a station.
- Touch to display the 2nd menu.
- Touch .
Recalling a Station
- Select a band .
- Touch to select the corresponding stored station.
Playback Mode
Connect a USB Device
Insert a USB device into the USB slot. When connecting a USB device, the unit will read the files automatically. Remove a USB Device
- Select other source on the main menu.
- Remove the USB device.
Music Playback
Select of the screen, the unit will playback all the music on the mobile storages.

- Return to main menu
- Display the folder/file list.
- Shuffle Play.
- Previous track
- Play/Pause
- Next track
- Repeat play
- Show EQ menu

- Show the audio folder list
- List window
Drag up/down to scroll. Touch an item to select. - Show audio folder/file list Touch a song to start play.
- Show video folder/file list
- Show photo folder/file list
Play/Pause
When playing, press button to pause, and the sound will be mute. Press button to play.
Previous/Next Track
Press or button to go to previous or next track.
Folder/File List
When playback, touch icon to show folder/file list.
Video Playback
Select on the folder/file list menu, the unit will playback all the video files on the storages. During playback, touch the screen to show control buttons.

- Show folder/file list menu
- Fast backward
- Previous movie
- Play/Pause
- Next movie
- Fast forward
- Show more control buttons

- Shuffle Play.
- Repeat play
- Show EQ menu
- Show previous page of control buttons

Gallery Operations
- Select on the folder/file list menu.
- Touch a picture name to view it.
Drag left/right to scroll.
Bluetooth Mode
The Bluetooth allows you to utilize your car’s built-in audio system for handsfree wireless mobile phone or music communication. Some Bluetooth mobile phones have the audio features, and some portable audio players support Bluetooth feature. This system can play audio data stored in a Bluetooth audio device. The car stereo with Bluetooth will be able to retrieve phonebook contacts, received calls, dialed calls, missed calls, incoming calls, outgoing call and listen to music.
Notes:
- This system will not operate or may operate improperly with some Bluetooth audio players.
- The unit cannot guarantee the compatibility of all mobile phones together with the unit.
- Audio playback will be set to the same volume level as set during telephone call. This can cause problems, if extreme volume level is set during the telephone call.
Touch on the main menu to enter Bluetooth Phone mode
Establish a connection.
Delete the Bluetooth® device from the list.
- Turn on Bluetooth function of your mobile phone.
- Search for new Bluetooth devices on your phone. Select Device name from the pairing list on the mobile phone, and enter password.
Or touch button on the screen to search mobile Bluetooth devices.
After connect successfully, the unit show following menu.

Making a Call
- Dial Number
- Input numbers by digit-keys on the screen.
Touch to clear the digits. - Touch button to dial out.
- Touch button to terminate call
- Input numbers by digit-keys on the screen.

Answering a call
You can answer an incoming call by pressing the button.
Touch button to reject an incoming call.

Call from Phonebook

- Touch button to show your phone book.
- Select a number to select and touch button to dial out.
- Touch to search a contact name.
Call History

Access Call History by touching button.
Then select a number from Dialled/Missed/ Received calls.
Audio playback via Bluetooth streaming

If an audio streaming device is connected with the car sound system via Bluetooth®, you can play back the music via the car sound system and control the playback.
Touch button to play music on your mobile phone.
- Previous track
- Play/Pause
- Next track
Adjust Bluetooth Settings
- In Bluetooth menu, touch.
The option menu is displayed.
- Touch on the selected option to change the setting.
- [BT Service]: To turn on or off “Bluetooth” function.
- [Auto connect]: To turn on or off “Auto connect” function.
- [Auto answer]: To turn on or off “Auto answer” function.
- [BT name]: Change BT device name.
- [Phone Book Sync]: To synchronize the phone book from your mobile phone to the unit.
Apple CarPlay
Available on select cars, CarPlay is a smarter, safer way to use your iPhone in the car. CarPlay takes the things you want to do with your iPhone while driving and puts them right on your car’s built-in display. You can get directions, make calls, send and receive messages, and listen to audiobooks and music, all in a way that allows you to stay focused on the road.
How to enter CarPlay mode
- Connect your iPhone to the CarPlay connector of the unit via the Apple Digital Cable. The unit will enter CarPlay mode automatically.
- To exit CarPlay mode, touch button on the front panel. If you want to return to CarPlay mode, touch [ Apple CarPlay] on the main menu.
How to use CarPlay
CarPlay features and Siri voice control is specially designed for driving scenarios. It also works with your car’s controls. And the apps you want to use in the car have been reimagined, so you can use them while your eyes and hands stay where they belong.
Touch
you can use the touch screen of the unit to control CarPlay.
Android Auto
Android Auto brings the most useful apps to your phone screen or your compatible car display, in a format that makes it easy for you to keep your main focus on driving. You can control things like navigation and maps, calls and text messages, and music.
Prepare your phone
Make sure your phone is running Android 5.0 (Lollipop) and up. For best performance, we recommend Android 6.0 (Marshmallow) and up.
Download the Android Auto app from Google Play.
Make sure your phone has a strong and fast network connection. We recommend running Android Auto for the first time within Wi-Fi range for the fastest installation.
Android Auto on your phone screen
- An Android phone running Android 5.0 (Lollipop) and up with a data plan. For best performance, we recommend Android 6.0 (Marshmallow) and up.
- A car mount for your phone (optional but recommended).
- A USB cable (optional for charging)
- The Android Auto app.
Android Auto on your car display (with a USB cable)
- An Android phone running Android 5.0 (Lollipop) and up with a data plan. For best performance, we recommend Android 6.0 (Marshmallow) and up.
- A car stereo that’s compatible with Android Auto.
- A high-quality USB cable.
- The Android Auto app.
Settings
Basic settings
In the settings menu, you can adjust the basic settings for the different functions of the device to your requirements.
In the main menu, press the button. The settings menu is displayed, the General submenu is activated.

The settings display features the following functions and displays:
- Menu items
- Currently selected menu item
- Clock
- Submenu items
General settings
The following setting are possible: Radio region – Select the reception region for the radio reception.
Language – Select on-screen display language.
Dimmer –Touch the [Dimmer],there 5 mode to select: Auto/Night/Sunset/Normal/Bright.
Beep – Switch confirmation beep on/off.
Camera Configuration – Setup the camera configuration.
LOC – If LOC is on, only local stations can be received.
Apple Device – Switch the using of Apple device to Carplay or iPod.
Illumination – Select the backlighting color.
Video settings
The following setting are possible: Parking – If “Parking” is activated, video/pictures will not be displayed during driving. Please set according to local laws.
Time settings
The following setting are possible: Date – Set the date.
Time – Set the time.
Clock mode – Selection between 12Hr and 24Hr mode.
System settings
The following setting are possible:
- To view software version information.
- To update the software.
- Restore to default settings.
Other Modes
Listen to Other Devices
You can connect an external audio/video device to the unit.
- Connect the external device with the supplied AV cable.
- Touch the upper left corner to display the main menu.
- Touch [ AV In ] to access external device.
Reset
When the unit hangs up, you can reset it.
Press [ RESET ] with a ball-point pen or similar tool.
Note:
When the unit has been reset, all the settings will return to default settings.
Replace a Fuse
If there is no power, the fuse may be damaged and need to be replaced.
- Take out the unit from dashboard.
- Check all electrical connections.
- Buy a fuse that matches the amperage of the damaged fuse.
- Replace the fuse while the units power is disconnected.
Steering Wheel Control Programming
- Touch the button, the settings menu is displayed.
- Touch [ SWC ], the SWC menu will display.
- Adjust each key with a individual function.
- Touch [ Pair ] to program.
Specifications
General
Reference Supply Voltage……………………………………….. 12V(DC)
Operating Voltage Range………………………………10.5 – 15.8V(DC)
Max Operating Current………………………………………………….15A
Maximum Output Power…………………………………………. 4 X 25W
Grounding System………………………….. Car Battery Negative Pole
Dimensions(WXHXD)………………………………178×100×161.9 mm
Weight(main unit)………………………………………………….. 1.38kg
FM
Signal Noise Ratio……………………………………………………≥50dB
Residual Noise Sensitivity (S/N=30dB)………………………… 18dBμV
Frequency Response (±3dB)……………………………. 20Hz~12.5KHz
Station Seeking Level……………………………………….. 20~28dBμV
Distortion…………………………………………………………….. ≤1.0%
Stereo Separation (1KHz)…………………………………………..≥25dB
Antenna Impedance…………………………………………………… 75Ω
AM
Residual Noise Sensitivity (S/N=20dB)………………………… 30dBμV
Selectivity (±9KHz)………………………………………………….≥50dB
LCD
Screen size………………………………………………6.75 inchs (16:9)
Display resolution…………………………………………800 X 480 dots
Contrast ratio………………………………………………………..4000:1
Brightness………………………………………………………….280cd/m2
AUX IN
Distortion…………………………………………………………….. ≤0.8%
Frequency Response (±3dB)……………………………….20Hz~20KHz
Audio Input Level…………………………………………………. 0.5Vrms
Audio
Audio Output Impedance……………………………………………. 100Ω
Audio Output Level…………………………………………… 3Vrms(Max)
Video
Normal Video Input Level (CVBS)……………………………..1.0±0.2V
Video Input Impedance……………………………………………….. 75Ω
Environment
Operating Temperature…………………………………. -30°C ~ +70°C
Storing Temperature…………………………………….. -40°C ~ +85°C
Operating Humidity…………………………………………30%~95%RH
Storing Humidity…………………………………………….30%~95%RH
Notice:
When the unit is operated to extremes, such as with maximum power output for a long time, or the temperature is over 70°C, it will enter heat protection mode, the volume will be reduced automatically. This is normal.
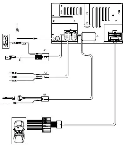
Wire Connections

2602 Marina Drive, Elkhart, IN 46514 WWW.ASAELECTRONICS.COM
© 2019
Printed in China
JRV9100 Common Replacement Parts
| Microphone (4M), mating harness | 31914310B |
| Remote Control | PXRV10REM |
| Wire Harness – Bulk Pack separately for ASA | 30314310 |
Operation manuals and other material online at:
https://www.asaelectronics.com/manuals-guides

























