BE-D Series SCAME Electric Car Charging Station
Instruction Manual
GENERAL INFORMATION
- Scame BE-D series of EV charging stations meet the following classification of IEC/EN 61851-1 standard:
- Characteristics of power supply input: EV supply equipment connected to AC supply network.
- Electric connection method: Permanently connected.
- Characteristics of power supply output: DC EV supply equipment.
- Normal environmental condition: outdoor use.
- Special environmental condition: -30 – +50 Celsius operating temperature (wider than requirement -25 – +40 Celsius), with derating above +45°C:14kW at +50°C
- Access condition: equipment for locations with non-restricted access.
- Mounting method: stationary equipment, wall mounted, surface mounted.
- Protection against electric shock: class I equipment.
- Charging Mode: Mode 4.
- Scame BE-D series of EV charging stations meet the following classification of IEC/EN 61851-23 standard:
- System structure: isolated dc EV charging station – reinforced insulation.
- System control: regulated dc EV charging station – controlled current charging, and controlled voltage charging.
- System used: System A and / or System C.
- Output Voltage: over 60V up to and including 1500V.
- Scame BE-D series of EV charging stations uses dedicated connectors as per IEC/EN 62196-1 and 3 standards
- This manual contains warnings and instructions that must be followed for the installation, use and maintenance of the charging station and which must be available for consultation by authorised personnel.
- Station installation and commissioning, together with maintenance operations, must be carried out by qualified and specifically authorised personnel in compliance with current safety standards, regulations and legislation.
- The manufacturer of the station shall not be held liable for any damage to persons, animals and/or property resulting from failure to comply with the instructions in this manual.
- Given that improvement is continuous, we reserve the right to make changes to the product and this manual at any time.
- The total or partial reproduction of this manual without the prior consent of Scame Parre S.p.A. is prohibited.
HAZARD: Risk of electrical shock, explosion or electric arcs
- Prior to performing any operations on the charging station, disconnect the power and use suitable tools to check that the power is disconnected from all parts.
- Before starting up the station, check that the metal structure is earthed by way of the yellow-green conductor and protect the power line using an automatic safety device and differential switch coordinated with the grounding system.
- Before connecting the vehicle, make sure the station has been firmly secured.
- Power cables, sockets and plugs used to connect the vehicle must comply with safety requirements laid down by current legislation.
- Failure to comply with safety precautions may cause serious injury and even death.
CAUTION: Risk of damaging the station
- Do not touch the printed circuit boards and use suitable instruments when accessing components/parts subject to electrostatic discharges.
- The unit is equipped with a high performance, type 2, In = 10 kA, Up ≤ 1.25 kV surge protective device, which guarantees protection against temporary overvoltage conditions. The unit shall be protected by an upstream residual current device and, if the environmental conditions so require, by an additional surge protective device type 1 or 2, In = 20÷30 kA, Up ≤ 1.50 kV.
- If the station is damaged it should not be installed or used.
- To clean, use a damp cloth or neutral detergent compatible with plastic.
WARRANTY
- The charging station referred to by this manual is covered by a two-year manufacturer’s warranty in accordance with the Consumer Code (articles 128 and following), which includes reimbursement, necessary repairs or replacement to rectify any manufacturing defects encountered during normal use for a period of 24 months from the date of delivery of the product.
Any modifications to the station, or installations and commissionings not compliant with the instructions reported in this manual shall result in the nullification of the warranty and the invalidation of the product certificates.
PRODUCT DESCRIPTION
There exist three configurations of Scame DC wall box:
- Part Number 206.D91-E10 supports CCS2 charging method only
- Part Number 206.D91-E11 supports CHAdeMO charging method only
- Part Number 206.D91-E12 supports both CCS2 and CHAdeMO charging methods
Each configuration envisages an electrical cabinet with either one or two cordsets tethered to it, depending on the charging method(s) supported. Connector holders are also available to guarantee IP54 ingress protection rating and neatly store either the CCS2 or the CHAdeMO cordset while they are not being used for charging.
RECEIVING, HANDLING, AND STORAGE
Each wallbox is shipped inside a dedicated cardboard box with impact indicators applied on the outside. At the time the wallbox is received the integrity of such indicators must be checked to make sure the unit was properly handled during transportation and did not suffer unnecessary impacts.
Should any impact indicator be damaged or missing, the following quality system procedure must be followed:
- Do not refuse the shipment.
- Make a note on the delivery receipt and inspect the product for damage.
- If damage is found, leave the item in its original packaging and request immediate inspection from the carrier within the applicable time period.
- In case the damage is confirmed, SCAME central customer service must be involved by writing to either [email protected] or [email protected] for shipments within or outside of Italy, respectively.
Depending on the specific model, the wallbox weighs between 75 and 100 kg. Therefore, if manually lifted, an adequate number of people must handle it in accordance to national regulations.
Before the installation the wallbox must be kept in its original box, still properly closed, and stored in an environment that guarantees the following conditions: Storage temperature: -30°C to +60°C / Humidity: 5% to 95%
To prevent the cardboard box from becoming damp and consequent potential damage to the unit, the box itself must be sheltered from the rain and be placed on a dry floor.
Should the unit be stored for a prolonged time, the state of the packaging must be checked regularly. To prevent the deterioration of non-energized electronic components, the wallbox must not be stored for more than one year without being powered up.
MECHANICAL INSTALLATION
Refer to all the applicable national regulations and guidelines concerning the mechanical installation of the unit.
INSTALLATION LAYOUT
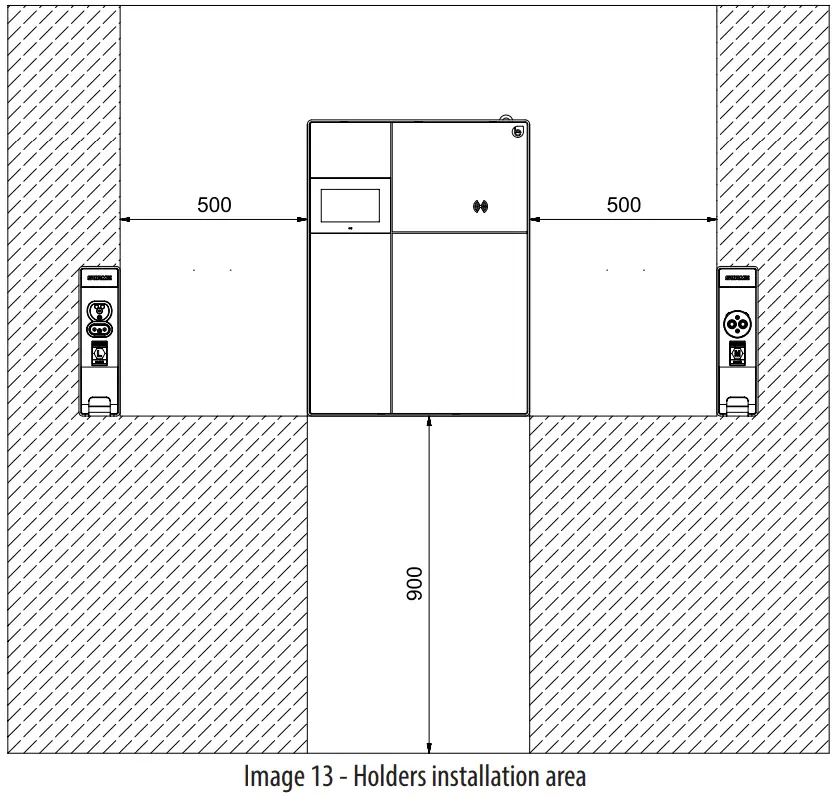
In order to allow for proper forced ventilation BE-D wall box needs to be mounted on walls which are unobstructed for at least 500 mm on both the right and the left side of the unit.
Moreover, the unit must be mounted high enough on the wall to guarantee at least 900 mm between the ground and the low end of the frame.
The unit should not be installed in direct sunlight. Failing to do so would result in premature aging and unnecessary power derating.
MECHANICAL INSTALLATION OF THE ELECTRICAL CABINET
- Remove the lid from the cardboard box.
- Open the plastic bag.
- Take the mounting bracket out of the bag. See image 1.
- Place the bracket on a vertical, clean, flat surface and align it horizontally. The positioning must be done in such a way as to point the arrow upwards and keep the “UP” marking facing away from the wall. Image 1 shows the minimal distances from both the floor and lateral objects that need to be taken into account while positioning the bracket.
- By holding the bracket in place, mark on the wall the position of the four mounting holes.
- Drill the four holes in the wall and insert an appropriate dowel into each one of them. Dowels and matching mounting screws need to be chosen by taking into account both the type of wall designated for the installation as well as the approximate weight of the wall box of 100 kg. The maximum screw size the bracket can accept is M10.
Reposition the mounting bracket on the wall, align it with the four dowels previously inserted into the holes, insert and tighten the four matching screws.

- Unscrew quantity three Allen screws from the top side of the electrical cabinet and two more from the bottom side. See images 2 and 3.

- Gently pull the metal frame and let it ride until it completely slides off, then set it to the side. See image 4. Failing to remove the metal frame at this stage could result in cosmetic damage due to rubbing between the frame itself and the chain or similar means used during lifting operations.

- The top side of the wall box features two M8 female treaded inserts. One DIN580 male eyebolt can be screwed onto each one of them to help during the wall box lifting operation. Alternatively, the wall box needs to be manually handled.

- Stand in front of the wall box and position yourself so that the touch screen display is facing you. Move to the right hand side of the cabinet and unscrew quantity eight M4x18 screws. By doing so the air cooling plastic cover and the related metal grid become detached exposing the electronic power module underneath.

- Remove quantity three M5 bolts from the power module panel; by using the two dedicated handles the power module, which weighs approximately 25 kg, can be pulled out from the electrical cabinet. See images number 7 and 8.


- Lift the electrical cabinet by using either a crane with a chain secured to the dedicated eyebolts or manually. Position the cabinet close to the mounting plate previously attached to the wall. Maneuver it in such a way as to slide the hooks present on its back side into the matching notches of the mounting plate, then gently lower it. See image number 9.

- Open the cabinet door to access the interior.
- Secure the cabinet to the mounting plate by tightening quantity two M8x25 safety screws with a torque not exceeding 5 Nm. See image 10. Installing such safety screws is mandatory in order to both prevent the wall box from accidentally sliding off the mounting bracket, should any accidental impact occur, and guaranteeing IP54 rating is met.

- Slide the power module back into its housing and tighten the three dedicated M5 bolts. Reposition the metal grid and the air cooling plastic cover, then tighten the eight M4x18 screws previously removed.
- Once the installation has been completed the metal frame can be positioned back onto the cabinet. The “Scame” logo must be positioned on the top right hand side as shown by image 11.
- Tighten the three screws on the top side of the frame and the two at the bottom.

MECHANICAL INSTALLATION OF CONNECTOR HOLDERS
The following instruction applies to holder(s) shipped together with the charging station as well as purchased at a later time (part number 208.AP62 for CCS-2 and 208.AP63 for CHAdeMO, respectively).
- Carefully take the holder out of the packaging provided; care must be paid in order to avoid cosmetic damage to the frame paint.
- Place the metal frame on a vertical, clean, flat surface and align it horizontally. By holding it in place, mark on the wall the position of mounting holes. See image 12.

- In order to ensure proper ventilation the holder(s) should be positioned within the dashed grey area as shown by image 13.

- Drill the four holes in the wall and insert an appropriate dowel into each one of them. Dowels and matching mounting screws need to be chosen by taking into account both the type of wall designated for the installation as well as the approximate load of 150 N of the cordset pulling on the holder.
- Reposition the frame on the wall, align it with the four dowels previously inserted into the holes, insert and tighten the four matching screws.
- Take the front plastic molded holder, position its pilot key into the slot visible at the bottom of the metal frame. The three metal pins provided with CCS-2 model need to be inserted into their receptacles at this time. Instead, no pins are needed for CHAdeMO holder. Gently pivot the plastic part and hold it against the frame as it shown by image 14.

- Secure the piece in place by using the two M5x12 screws provided. See image 15.

ELECTRICAL INSTALLATION
- Refer to all the applicable national regulations, standards, and guidelines concerning the electrical installation of the unit, which should be installed only by a licensed contractor, and/or a licensed electrician.
- Failure to follow these instructions may result in death, serious injury or equipment damage.
SYSTEM REQUIREMENTS
The following pre-requisites need to be checked where the installation takes place. Values outside these ranges might adversely affect the charger performance:
- Power distribution system 3P+N+PE
- TT, TN(S), TN(C) grounding system
- Phase to Phase voltage (L-L) 260 Vac ~ 530 Vac
- Phase to Neutral voltage (L-N) 150 Vac ~ 306 Vac
- Neutral to Ground voltage (N-PE) less than 5 Vac
- Frequency (f) either 50 or 60 Hz, according to the local grid code
- Ground resistance less than 50 Ώ
- Total Harmonic Distortion (THD) less than 8%
- Three phase imbalance (difference between maximum and minimum phases to neutral voltages) 10V or less
POWER DISTRIBUTION LINE
The AC supply cable entry on the electrical cabinet is equipped with dedicated M40 cable glands. These are designed to accept cables with an outer diameter between 22 and 32 mm. See image 16.

The AC supply cable’s three phases, neutral, and ground lines need to be wired to the dedicated terminal block featured inside the cabinet. See image 17 and 18.
It is recommended to install the AC cable with rated voltage 0,6/1kV.
The terminal block can accept conductors having a cross section between 2.5 and 35 mm2 . The AC power supply cable needs to be selected accordingly.
The bolts must be tightened by applying a torque of 3.0 Nm.

The designer of the electrical power distribution system is solely responsible for its correct sizing. The following is an example of a suitable cable.
Insulation: EPR
Cable section (mm2): 5G16 minimum 10 mm2
Cable outer diameter (mm): 24.4mm
PROTECTIONS
The designer of the electrical power distribution system is solely responsible for its correct sizing. The following is an example of suitable protection.
The power line must be protected by using an upstream RCBO with the following features:
MCB: 4 poles, 50A rated current, curve C, appropriate breaking capacity
RCD: type A, 30mA sensitivity, instantaneous
ETHERNET CABLE WIRING
Cat 6 S/FTP Ethernet cables need to be used.
The Ethernet cable must be routed though the dedicated gland provided underneath the frame. See image 19. At least one end of the cable shall not be connectorized in order to not interfere with its insertion through the gland.

- Loosen the gland and insert an unconnectorized Ethernet cable.
- Connectorize with an adequate crimping tool the end of the cable that remains inside the cabinet.
- Plug it into the router WAN Ethernet port. See images 20 and 21.
This connection must meet the following requirements:
– Ethernet, RJ45.
– Cable type 8P+PE, shielded.
– Shielding:
for a cable length of 30 meters or less, the built-in PE connection shown in image 23 is sufficient.
For a cable length of more than 30 meters, it is necessary to additionally connect the shield to PE at the other end of the cable.

- Route the cable on the right hand side of the cabinet in such a way as to not interfere with moving or high voltage live parts. See image 22.

- Remove the plastic sheath of the cable near the metal grounding clip for an approximate length of 20 mm.
- Press the cable firmly in such a way as to insert the inner metal braid into the metal clip.
- Secure the cable by using the zip tie. See image 23.

- Tighten the gland in order to firmly hold the Ethernet cable in place.
- Cut to length and connectorize the loose end of the cable, i.e. the one lying outside the cabinet.
- Plug the cable into the Local Area Network infrastructure.
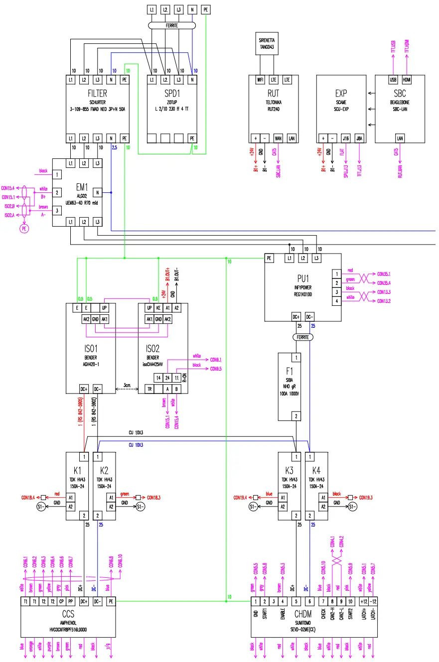
ELECTRICAL SCHEMATICS – 206.D91-E12
![]() | ![]() |
VIA SPIAZZI, 45
24028 PONTE NOSSA (BG) ITALIA
TEL. +39 035 705000
FAX +39 035 703122
emobility-scame.com
[email protected]
ZP91179-EN-1



































