OMRON NE1A-SCPU02 Safety Network Controller Instruction Manual
Thank you for purchasing this NE1A-SCPU02.
This manual primarily describes precautions required in installing and operating the NE1A-SCPU02.
WARNING: Indicates a potentially hazardous situation which, if not avoided, will result in minor or moderate injury, or may result in serious injury or death. Additionally there may be significant property damage.
- Meaning of Alert Symbols
The following alert symbols are used in this manual.
Indicates prohibited actions
Indicates mandatory actions - Alert Statements
WARNING
Serious injury may possibly occur due to loss of required safety functions. Do not use test outputs of the NE1A-SCPU02 as any safety outputs.
Serious injury may possibly occur due to loss of required safety functions. Do not use Device Net standard I/O data or Explicit message data as any safety data.
Serious injury may possibly occur due to loss of required safety functions. Do not use LEDs on the NE1A-SCPU02 for safety operations.
Serious injury may possibly occur due to breakdown of outputs. Do not connect loads beyond the rated value to the safety outputs and the test outputs.
Serious injury may possibly occur due to loss of required safety functions. Wire the NE1A-SCPU02 properly so that 24VDC line do NOT touch the outputs accidentally or unintentionally.
Serious injury may possibly occur due to loss of required safety functions. Ground the 0V line of the power supply for external output devices so that the devices do Not turn ON when the safety output line or the test output line is grounded.
Serious injury may possibly occur due to loss of required safety functions. Use appropriate components or devices according to the requirements given in the following table.Controlling Devices
Requirements
Emergency stop switch
Use approved devices with Direct Opening Mechanism complying with IEC/EN 60947-5-1. Door interlocking switch Limit switch
Use approved devices with Direct Opening Mechanism complying with IEC/EN 60947-5-1 and capable of switching micro loads of 24VDC, 4mA. Safety sensor
Use approved sensors complying with the relevant product standards, regulations, and rules in the country where it is used. Relay with forcibly guided contacts
Use approved devices with forcibly guided contacts complying with IEC61810-3. For feedback purpose, use devices with contacts capable of switching micro loads of 24VDC, 4mA.
Contactor
Use contactors with forcibly guided mechanism and monitor its auxiliary NC contact to detect failures of contactor. For feedback purpose, use devices with contacts capable of switching micro loads of 24VDC, 4mA.
Other devices
Evaluate whether devices used are appropriate to satisfy the requirements of safety category level.
Precautions for Safe Use
- Handle with care
Do not drop the NE1A-SCPU02 to the ground or excessive vibration or mechanical shocks. The NE1A-SCPU02 may be damaged and may not function properly. - Installation and storage environment
Do not use or store the NE1A-SCPU02 in any of the following locations.- Locations subject to direct sunlight.
- Locations subject to temperatures or humidity outside the range specified in the specifications.
- Locations subject to condensation as the result of severe changes in temperature.
- Locations subject to corrosive or flammable gases.
- Locations subject to dust (especially iron dust) or salts.
- Locations subject to water, oil, or chemicals.
- Locations subject to shock or vibration.
Take appropriate and sufficient countermeasures when installing systems in the following locations. Inappropriate and insufficient measures may result in malfunction. - Locations subject to static electricity or other forms of noise.
- Locations subject to strong electromagnetic fields.
- Locations subject to possible exposure to radioactivity.
- Locations close to power supplies.
- Installation/ Mounting
- • Use the NE1A-SCPU02 within an enclosure with IP54 protection or higher of IEC/EN 60529.
- Use DIN rail (TH35-7.5 according to IEC60715) for placing the NE1A-SCPU02 into the control board.
- Mount the NE1A-SCPU02 to DIN rails with attachments (TYPE PFP-M, not incorporated to this product), not to drop out of rails by vibration etc.
- Spacing should be available around the NE1A-SCPU02 at least 50mm from its top and bottom surfaces for ventilation and wiring.
- This is a class A product. In residential areas it may cause radio interference, in which case the user may be required to take adequate measures to reduce interference.
- Installation/ Wiring
- Use the following to wire external I/O devices to the NE1A-SCPU02.
Solid wire 0.2 to 2.5mm2 AWG24 to 12 Standard (Flexible) wire 0.34 to 1.5mm2 AWG22 to 16 - Disconnect the NE1A-SCPU02 from power supply when wiring. Devices connected to NE1A-SCPU02 may operate unexpectedly.
- Apply properly specified voltages to the NE1A-SCPU02 inputs. Applying inappropriate DC voltage and any AC voltages cause the NE1A-SCPU02 to fail.
- Be sure to separate the communication cable and the I/O cable from the high voltage/current lines.
- Be cautious not to have your fingers caught when attaching connectors to the plugs on the NE1A-SCPU02.
- Mount screw of DeviceNet Connector and I/O Connector correctly. (0.25-0.3N•m)
- Incorrect wiring may lead to loss of safety function. Wire conductors correctly and verify the operation of the NE1A-SCPU02 before commissioning the system in which NE1A-SCPU02 is incorporated.
- After wiring is completed, be sure to remove label for wire clipping prevention on the NE1A-SCPU02 to enable heat to escape for proper cooling.
- Use the following to wire external I/O devices to the NE1A-SCPU02.
- Power Supply Selection
Use DC power supply satisfying requirements below.- Secondary circuits of DC power supply is isolated from its primary circuit by double insulations or reinforced insulations.
- DC power supply satisfies the requirement for class 2 circuits or limited voltage/current circuit stated in UL 508.
- 20ms or over of the output hold time.
- DC power supply that satisfies the requirements for SELV given in IEC/EN60950-1 or EN 50178
- Periodical Inspection and Maintenance
- Disconnect the NE1A-SCPU02 from power supply when replacing. Devices connected to the NE1A-SCPU02 may operate unexpectedly.
- Do not dismantle, repair, or modify the NE1A-SCPU02. It may lead to loss of its safety functions.
- Disposal
- Be cautious not to have you injured when dismantling the NE1A-SCPU02.
The above-mentioned is a part of directions. Please use it after reading the operation manual.
- Be cautious not to have you injured when dismantling the NE1A-SCPU02.
Additional Precautions According to ANSI/ISA 12.12.01
- This equipment is suitable for use in Class I, Div.2, Group A, B, C, D or Non-Hazardous Locations Only.
- WARNING: Explosion Hazard-Substitution of Components may Impair Suitability for Class I, Div.2.
- WARNING: Explosion Hazard. Do not Disconnect Equipment Unless Power Has Been Switched off or the Area Is Known to Be Non-Hazardous.
- This device is open-type and is required to be installed in an enclosure suitable for the environment and can only be accessed with the use of a tool or key.
- WARNING: Explosion Hazard – Do not connect USB Connector Unless Power Has Been Switched Off Or The Area
Is Known To Be Non-Hazardous.
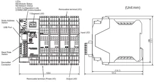
PART NAMES AND FUNCTION / DIMENSIONS

- Indicators
LED Designations
LED Color
Status
Description
MS (Module Status)
Green Lit In Executing Flashing In Idle Red Lit In Critical fault Flashing In Recoverable fault Green/Red Flashing In Self Testing, Waiting for TUNID, or Configuring – Not lit No power NS (Network Status)
Green Lit Online connection established Flashing Online but connection not established Red Lit Critical link failure Flashing Connection time-out Green/Red Flashing In Waiting for TUNID – Not lit Not online / Not powered LOCK (Configuration Lock)
Yellow
Lit Locked Valid Configuration Flashing Unlocked Valid Configuration Not lit Invalid Configuration COMM (USB)
Yellow Flashing Communicating Not lit Not communicating Yellow Lit Input / Output signal ON IN 0, 1, 2 • • • 39
OUT 0, 1,2 • • • 7
(I/O status)
– Not lit Input / Output signal OFF Red
Lit Failure detected in the Input / Output circuit Discrepancy error has occurred in I/O set for dual channel mode Flashing Failure detected in the associated I/O circuit in case of dual channel configuration - 7 segment LEDs
- At normal state, 7-Segment LED displays the node address of the NE1A-SCPU02 itself in decimal number (00-63). The node address, depending on the operational state of the NE1A SCPU02, turns “ON” or “Flashing”.
- If in fault status, error code and error occurrence node address are displayed alternately in the order of node address.
- In “standalone mode”, “nd” is displayed in the normal condition.
- Rotary Switch


- Node Address is settable by 2 digit 10-position Rotary Switch.
- Node Address range is from 0 to 63.(Default:63)
- If set from 64 to 99,Node Address is settable by Configuration tool.
- Dip Switch

Baud Rate
Switch
1 2 3 4 125Kbit/s (default) OFF OFF OFF OFF 250Kbit/s ON OFF OFF OFF 500Kbit/s OFF ON OFF OFF Software setting ON ON OFF OFF OFF OFF ON OFF ON OFF ON OFF 1 ON ON OFF ON ON ON OFF Auto Baud Rate Detection X X X ON
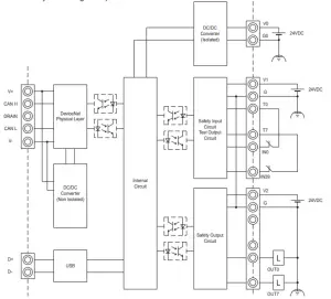
INTERNAL CIRCUITRY AND WIRING
- Terminal Designations and functions
Terminal Designations
Descriptions
V0
Power terminal for internal circuit (Logic). G0
Power terminal for internal circuit (Logic). V1
Power terminal for external input devices and test outputs. G
Power terminal for external input devices and test outputs. V2
Power terminal for external output devices e.g. safety outputs. G
Power terminal for external output devices e.g. safety outputs. IN0 through IN39
Terminal for Safety input signals. T0 through T3
Test output terminal for use in conjunction with IN0 through IN19 safety inputs. Each test output provides a unique set of test pulse patterns. T3 also supports current monitoring of the output signal for e.g. muting applications. T4 through T7
Test output terminal for use in conjunction with IN20 through IN39 safety inputs. Each test output provides a unique set of test pulse patterns. T7 also supports current monitoring of the output signal for e.g. muting applications. OUT0 through OUT7
Terminal for Safety outputs - The maximum terminal temperature is 80 °C
- Use SELV Power Source for the DC main power source.
- DeviceNet Connector

Color
Description
Red
V+ White
Signal(CAN H) –
Drain Blue
Signal(CAN L) Black
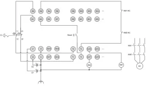
V- - Internal Circuitry and wiring example

- I/O Wiring example: Emergency Stop (dual channel) with manual reset

E1,E2 : 24VDC Power Source
S1 : Emergency Stop Switch(Positive Opening Contact)
KM1,KM2 : Contactor
SPECIFICATIONS
- Environmental Specifications
Item Specifications DeviceNet supply voltage 11 to 25VDC (Supplied from communications power supply) Device supply voltage V0, V1, V2 1) 20.4 to 26.4VDC (24VDC, -15% to +10%) DeviceNet current consumption 15mA at 24VDC Current consumption V0 (internal logic circuit) 280mA at 24VDC EMC Conform to IEC61131-2 Operating Temperature -10 to +55deg.C Storage Temperature -40 to +70deg.C Relative Humidity 10 to 95% non-condensing Vibration resistance 0.35 mm at 10 to 57Hz, 50m/s2 at 57 to 150Hz Shock resistance 150m/s2: 11ms Protection degree IP20 Over Voltage Category II (per IEC61131-2: 4.4.2) Pollution Degree 2 Altitude Max. 2000m Weight 690g V0-G0: for internal logic circuit, V1-G: for external input devices and test outputs
V2-G: for external output devices - Safety Input Specifications
Item
Specifications Inputs type Current sinking
ON voltage
11VDC min. OFF voltage 5VDC max.
OFF current
1mA max. Input current 4.5mA
- Test Output Specifications
Item
Specifications Outputs type Current sourcing
Rated output current
0.7A max. / channel 2) Residual voltage 1.2V max.
Leakage current
0.1mA max.
- Safety Output Specifications
Item
Specifications Outputs type Current sourcing
Rated output current
0.5A / channel
Residual voltage
1.2V max. Leakage current 0.1mA max.
In case that a safety output is configured as “Safety Pulse Test”, while this output is in an ON state, the pulsed off signal(pulse width:580µs) is output continuously for fault diagnosis. Confirm response time of device connected to safety outputs so the device does not malfunction due to this off pulse.
Suitability for Use
Omron Companies shall not be responsible for conformity with any standards, codes or regulations which apply to the combination of the Product in the Buyer’s application or use of the Product. At Buyer’s request, Omron will provide applicable third party certification documents identifying ratings and limitations of use which apply to the Product. This information by itself is not sufficient for a complete determination of the suitability of the Product in combination with the end product, machine, system, or other application or use. Buyer shall be solely responsible for determining appropriateness of the particular Product with respect to Buyer’s application, product or system. Buyer shall take application responsibility in all cases.
NEVER USE THE PRODUCT FOR AN APPLICATION INVOLVING SERIOUS RISK TO LIFE OR PROPERTY OR IN LARGE QUANTITIES WITHOUT ENSURING THAT THE SYSTEM AS A WHOLE HAS BEEN DESIGNED TO ADDRESS THE RISKS, AND THAT THE OMRON PRODUCT(S) IS PROPERLY RATED AND INSTALLED FOR THE INTENDED USE WITHIN THE OVERALL EQUIPMENT OR SYSTEM.
OMRON Corporation (Manufacturer)
Shiokoji Horikawa, Shimogyo-ku, Kyoto, 600-8530 JAPAN
Contact: www.ia.omron.com
Regional Headquarters
OMRON EUROPE B.V. (Importer in EU)
Wegalaan 67-69,2132 JD Hoofddorp
The Netherlands
Tel: (31)2356-81-300
Fax: (31)2356-81-388
OMRON ASIA PACIFIC PTE. LTD
No. 438A Alexandra Road #05-05/08
(Lobby 2), Alexandra Technopark,
Singapore 119967
Tel: (65) 6835-3011
Fax: (65) 6835-2711
OMRON ELECTRONICS LLC
2895 Greenspoint Parkway, Suite 200
Hoffman Estates, IL 60169 U.S.A.
Tel: (1) 847-843-7900
Fax: (1) 847-843-7787
OMRON (CHINA) CO., LTD.
Room 2211, Bank of China Tower,
200 Yin Cheng Zhong Road,
Pu Dong New Area, Shanghai,
200120, China
Tel: (86) 21-5037-2222
Fax: (86) 21-5037-2200.
Note: Specifications subject to change without notice.
EU Declaration of Conformity
OMRON declares that NE1A-SCPU02 is in conformity with the requirements of the following EU Directives:
EMC Directive:2014/30/EU: Machinary Directive:2006/42/EC
Standards
NE1A-SCPU02 is designed and manufactured in accordance with the following standards:
EN ISO13849-1:2015 Cat.4 PL e: EN62061
IEC61326-3-1: EN60204-1
EN ISO13850: NFPA 79
IEC61508 parts 1-7 SIL3: ANSI RIA 15.06
EN61131-2: ANSI B11.19
UL508: CSA C22.2 No.142, No.213
ANSI/ISA 12.12.01: ANSI/UL1998
EN ISO13849-2
























