OMRON CJ1W-IC101 I-O Interface Unit Instruction Manual
Expand CJ/NJ-series with These Units
- To expand a CJ/NJ-series Controller, connect an I/O Control Unit to the CPU Rack, and I/O Interface Unit to the Expansion Rack, and connect the two Units with I/O Expansion Cable.
Features
- Rack-mountable Units enable expanding Controller capacity even when space is limited.
- Easy-to-use connectors enable quick expansion without any settings.
System Configuration
The I/O Control Unit is connected directly to the CPU Unit. If it is not immediately to the right of the CPU Unit, correct operation may not be possible. The I/O Interface Unit is connected directly to the Power Supply Unit. If it is not immediately to the right of the Power Supply Unit, correct operation may not be possible.
Ordering Information
International Standards
- The standards are abbreviated as follows: U: UL, U1: UL (Class I Division 2 Products for Hazardous Locations), C: CSA, UC: cULus, UC1: cULus (Class I Division 2 Products for Hazardous Locations), CU: cUL, N: NK, L: Lloyd, and CE: EC Directives.
- Contact your OMRON representative for further details and applicable conditions for these standards
I/O Control Unit (Mounted on CPU Rack when Connecting Expansion Racks)
| Product name | Specifications | Current consumption (A) | Model | Standards | |
CJ-series I/O Control Uni![]() | Mount one I/O Control Unit on the CPU Rack when connecting one or more Expansion Racks. Connecting Cable: CS1W-CN@@3 Expansion Connecting Cable Connected Unit: CJ1W-II101 I/O Interface Unit Mount to the right of the CPU Unit. | 5 V | 24 V | UC1, N, L, CE | |
| 0.02 | − | ||||
| Product Name | Specifications | Current consumption (A) | Model | Standards | |
CJ-series I/O Interface Unit![]() | One I/O Interface Unit is required on each Expansion Rack. Connecting Cable: CS1W-CN@@3 Expansion Connecting Cable Mount to the right of the Power Supply Unit. | 5 V | 24 V | CJ1W-II101 | UC1, N, L, CE |
| 0.13 | − | ||||
Note: Mounting the I/O Interface Unit in any other location may cause faulty operation.
Accessories
CJ1W-IC101 I/O Control Unit
There is no accessory for the I/O Control Unit Unit.
CJ1W-II101 I/O Interface Unit
The following accessories come with I/O Interface Unit:
| Item | Specification |
| End Cover | CJ1W-TER01 (necessary to be mouned at the right end of CPU Rack) |
| End Plate | PFP-M (2 pcs) |
External Interface
I/O Control Unit CJ1W-IC101
I/O Interface Unit CJ1W-II101
Connecting Expansion Racks
CS/CJ-series I/O Connecting Cables are used to connect the CPU Rack and Expansion Racks.
CS/CJ-series I/O Connecting Cables
The CS/CJ-series I/O Connecting Cables have connectors with a simple lock mechanism are used to connect the CPU Rack to an Expansion Rack or to connect two Expansion Racks.
CS/CJ-series I/O Connecting Cables
| Model number | Cable length |
| CS1W-CN313 | 0.3 m |
| CS1W-CN713 | 0.7 m |
| CS1W-CN223 | 2 m |
| CS1W-CN323 | 3 m |
| CS1W-CN523 | 5 m |
| CS1W-CN133 | 10 m |
| CS1W-CN133-B2 | 12 m |
- Install the Racks and select I/O Connecting Cables so that the total length of all I/O Connecting Cables does not exceed 12 m.
- The following diagram shows where each I/O Connecting Cable must be connected on each Rack. The Rack will not operate if the cables aren’t connected properly. (The “up” direction is towards the CPU Unit and “down” is away from the CPU Unit.)
CPU Rack
Expansion Rack
Usage Precautions
- CJ1W-IC101 I/O Control Unit is connected directly to the CPU Unit. CJ1W-II101 I/O Interface Unit is connected directly to the Power Supply Unit.
- The number of Expansion Racks that can be connected depends on the CPU Unit. Refer to the SYSMAC NJ-series CPU Unit Hardware User’s Manual (Cat.No.W500), CJ Series Programmable Controllers Operation Manual (Cat. No. W393) or CJ-series CJ2 CPU Unit Hardware User’s Manual (Cat. No. W472) for details.
- Use a CS-Series I/O Connecting Cable (CS1W-CN@@3) to connect an Expansion Rack.
- Install the Racks and select I/O Connecting Cables so that the total length of all I/O Connecting Cables does not exceed 12m.
- When using an I/O Connecting Cable with a locking connector, be sure that the connector is firmly locked in place before using it.
- Attached the enclosed cover to the I/O Connecting Cable connector on the I/O Interface Unit when it is not being used to protect it from dust.
Dimensions
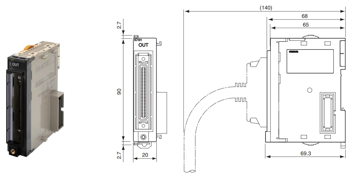
I/O Control Unit CJ1W-IC101
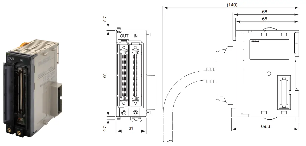
I/O Interface Unit CJ1W-II101
| Name | Cat. No. | Contents |
| SYSMAC CJ Series CJ1H-CPU@@H-R, CJ1G/H-CPU@@H, CJ1G-CPU@@P, CJ1G-CPU@@, CJ1M-CPU@@ Programmable Controllers Operation Manual | W393 | Provides an outlines of and describes the design, installation, maintenance, and other basic operations for the CJ-series PLCs. |
| CJ-series CJ2 CPU Unit Hardware User’s Manual CJ2H-CPU6@-EIP CJ2H-CPU6@ | W472 | Describes the following for CJ2 CPU Units:
|
| NJ-series CPU Unit Hardware User’s Manual NJ501–@@@@ | W500 | n introduction to the entire NJ-series system is provided along with the following information on a Controller built with an NJ501 CPU Unit.
|
Read and Understand This Catalog
Please read and understand this catalog before purchasing the products. Please consult your OMRON representative if you have any questions or comments
Warranty and Limitations of Liability
WARRANTY
OMRON’s exclusive warranty is that the products are free from defects in materials and workmanship for a period of one year (or other period if specified) from date of sale by OMRON.
OMRON MAKES NO WARRANTY OR REPRESENTATION, EXPRESS OR IMPLIED, REGARDING NON-INFRINGEMENT, MERCHANTABILITY, OR FITNESS FOR PARTICULAR PURPOSE OF THE PRODUCTS. ANY BUYER OR USER ACKNOWLEDGES THAT THE BUYER OR USER ALONE HAS DETERMINED THAT THE PRODUCTS WILL SUITABLY MEET THE REQUIREMENTS OF THEIR INTENDED USE. OMRON DISCLAIMS ALL OTHER WARRANTIES, EXPRESS OR IMPLIED.
LIMITATIONS OF LIABILITY
OMRON SHALL NOT BE RESPONSIBLE FOR SPECIAL, INDIRECT, OR CONSEQUENTIAL DAMAGES, LOSS OF PROFITS OR COMMERCIAL LOSS IN ANY WAY CONNECTED WITH THE PRODUCTS, WHETHER SUCH CLAIM IS BASED ON CONTRACT, WARRANTY, NEGLIGENCE, OR STRICT LIABILITY.
In no event shall the responsibility of OMRON for any act exceed the individual price of the product on which liability is asserted.
IN NO EVENT SHALL OMRON BE RESPONSIBLE FOR WARRANTY, REPAIR, OR OTHER CLAIMS REGARDING THE PRODUCTS UNLESS OMRON’S ANALYSIS CONFIRMS THAT THE PRODUCTS WERE PROPERLY HANDLED, STORED, INSTALLED, AND MAINTAINED AND NOTSUBJECT TO CONTAMINATION, ABUSE, MISUSE, OR INAPPROPRIATE MODIFICATION OR REPAIR.
Application Considerations
SUITABILITY FOR USE
OMRON shall not be responsible for conformity with any standards, codes, or regulations that apply to the combination of products in the customer’s application or use of the products.
At the customer’s request, OMRON will provide applicable third party certification documents identifying ratings and limitations of use that apply to the products. This information by itself is not sufficient for a complete determination of the suitability of the products in combination with the end product, machine, system, or other application or use.
The following are some examples of applications for which particular attention must be given. This isnot intended to be an exhaustive list of all possible uses of the products, nor is it intended to imply that the uses listed may be suitable for the products:
- Outdoor use, uses involving potential chemical contamination or electrical interference, or conditions or uses not described in this catalog.
- Nuclear energy control systems, combustion systems, railroad systems, aviation systems, medical equipment, amusement machines, vehicles, safety equipment, and installations subject to separate industry or government regulations.
- Systems, machines, and equipment that could present a risk to life or property.
Please know and observe all prohibitions of use applicable to the products.
NEVER USE THE PRODUCTS FOR AN APPLICATION INVOLVING SERIOUS RISK TO LIFE OR PROPERTY WITHOUT ENSURING THAT THE SYSTEM AS A WHOLE HAS BEEN DESIGNED TO ADDRESS THE RISKS, AND THAT THE OMRON PRODUCTS ARE PROPERLY RATED AND INSTALLED FOR THE INTENDED USE WITHIN THE OVERALL EQUIPMENT OR SYSTEM.
PROGRAMMABLE PRODUCTS
OMRON shall not be responsible for the user’s programming of a programmable product, or any consequence thereof
Disclaimers
CHANGE IN SPECIFICATIONS
Product specifications and accessories may be changed at any time based on improvements and other reasons.
It is our practice to change model numbers when published ratings or features are changed, or when significant construction changes are made. However, some specifications of the products may be changed without any notice. When in doubt, special model numbers may be assigned to fix or establish key specifications for your application on your request. Please consult with your OMRON representative at any time to confirm actual specifications of purchased products.
DIMENSIONS AND WEIGHTS
Dimensions and weights are nominal and are not to be used for manufacturing purposes, even when tolerances are shown.
PERFORMANCE DATA
Performance data given in this catalog is provided as a guide for the user in determining suitability and does not constitute a warranty. It may represent the result of OMRON’s test conditions, and the users must correlate it to actual application requirements. Actual performance is subject to the OMRON Warranty and Limitations of Liability.
ERRORS AND OMISSIONS
The information in this document has been carefully checked and is believed to be accurate; however, no responsibility is assumed for clerical, typographical, or proofreading errors, or omissions.
In the interest of product improvement, specifications are subject to change without notice.
Costumer Support
OMRON Corporation
Industrial Automation Company
http://www.ia.omron.com/























