NAKANISHI E4000 Safety Relay Box

Thank you for purchasing E4000 SAFETY RELAY BOX. The E4000 <CONTROLLER>, <Motor> and <Spindle> are rquired to drive this SAFETY RELAY BOX. Read this Operation Manual carefully before use. Also read E4000 <CONTROLLER>, <Motor> and <Spindle> Operation Manuals.
CAUTIONS FOR HANDLING AND OPERATION
- Read these warnings and cautions carefully and only use in the manner intended.
- These warnings and cautions are intended to avoid potential hazards that could result in personal injury or damage to the device. These are classified as follows in accordance with the seriousness of the risk.
Class Degree of Risk WARNING A safety hazard could result in bodily injury or damage to the device if the safety instructions are not properly followed. CAUTION A hazard that could result in light or moderate bodily injury or damage to the device if the safety instructions are not followed.
WARNING
- The SAFETY RELAY BOX is not a hand tool. It is designed to be used on CONTROLLER.
- Never connect, disconnect or touch the Power Cord Plug, Motor Cord Connector, Relay Cord Connector and Emergency Stop Connector with wet hands. This may cause an electric shock.
- Never operate or handle the SAFETY RELAY BOX until you have thoroughly read the owner’s manual and safe operation has been confirmed.
- To prevent injuries / damages, check the SAFETY RELAY BOX for proper installation, before operating the CONTROLLER.
- Before disconnecting the SAFETY RELAY BOX, always turn the control power off and turn the compressed air supply to the CONTROLLER off. Then it is safe to remove the SAFETY RELAY BOX.
- Make sure to turn OFF the Main Power Switch of the CONTROLLER before install the SAFETY RELAY BOX to the CONTROLLER.
- There is a grounding screw on the rear of the product. Be sure to connect the grounding conductor when installing the product.
- Do not use in dangerous environments. Protect the CONTROLLER and the SAFETY RELAY BOX from moisture and other contaminants.
Failure to CONTROLLER and SAFETY RELAY BOX can result in damage to internal components and injury to the operator.
CAUTION
- Do not drop or hit the SAFETY RELAY BOX, as shock can damage to the internal components.
- Do not disassemble, modify or attempt to repair this SAFETY RELAY BOX. Additional damage will occur to the internal components. Service must be performed by NSK NAKANISHI or an authorized service center.
- Attach the provided Connector Cap A, Connector Cap EMG to the MOTOR-IN connector, MOTOR-OUT connector and EMG connector for safety and dust proofing when not using the SAFETY RELAY BOX.
- Note that symbols are shown on the rear panel (for 2 parts). Be careful when handling these parts because a high voltage is input and output at them.
BASIC PACKAGE
When opening the package, check if it includes all items listed in ” Table 1. Packing List Contents “.
In the event of any shortage, please contact either NAKANISHI (see the ” 4. CONTACT US ” section) or your lo-cal dealer.

* The Connector Cap A, Connector Cap EMG are attached to the SAFETY RELAY BOX.
WARRANTY
We provide a limited warranty for our products. We will repair or replace the products if the cause of failure is due to the following manufacturers defects. Please contact us or your local distributor for details.
- Defect in manufacturing.
- Any shortage of components in the package.
- Where damaged components are found when initially opening the package.
(This shall not apply if the damage was caused by the negligence of a customer)
CONTACT US
For safe use / purchase of our products, we welcome your questions.
If you have any questions about operation, maintenance and repair of the product, please contact us.
- For U.S. Market
- Company Name: NSK America Corp Industrial Div.
- Business Hours: 8:00 to 17:00 (CST)
(closed Saturday, Sunday and Public Holidays) - U.S. Toll Free No: +1 800 585 4675
- Telephone No:+1 847 843 7622
- Fax No: +1 847 843 7622
- Website: www.nskamericacorp.com
- For Other Markets
- Company Name: NAKANISHI INC
- Business Hours: 8:00 to 17:00 (JST)
(closed Saturday, Sunday and Public Holidays) - Telephone No.: +81 289 64 3520
- e-mail: [email protected]
FEATURES
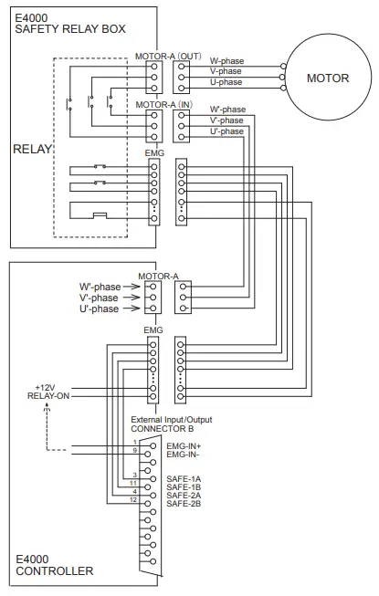
- Install the SAFETY RELAY BOX to the CONTROLLER for use the SAFETY RELAY BOX. The Safety Relay “a” contacts switch the Motor Power Line and “b” (*1) contacts switch the external outputs to the machining center’s CNC controller.
- The Safety Relay utilizes Normally Open contacts. The Emergency Stop Signal lines must be supplied with power to hold the Safety Relay contacts closed and allow the CONTROLLER to supply power to the motor. Any system errors, trouble with the machining center or the connections between the CONTROLLER and the machining center’s controller will cause the relay contacts to open and the motor to stop.
- The Emergency Stop Signal Input can be connected to any and all portions of the machine’s safety systems (E-Stop String) to stop the motor any time that stoppage of the spindle and motor is required.
- The “b” contact outputs can be used to detect an open circuit on the motor line and integrated with the machines safety systems to stop the machine in case a problem occurs.
- The Safety Relay “b” shows SAFE-1A, SAFE-1B, SAFE-2A and SAFE-2B of External Input / Output Connector B.
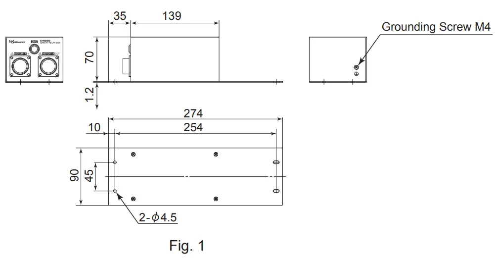
SPECIFICATIONS AND DIMENSIONS
Specifications
| Product Name | E4000 SAFETY RELAY BOX |
| Model | E4000 – SRB |
| Applicable CONTROLLER | E4000 CONTROLLER |
| Weight | 850g (Main Body Only) |
Compatibility
The E4000 SAFETY RELAY BOX is compatible with the following overseas safety standards.
- Safety standard in North America (UL,CSA)
- UL61010-1: CSA C22.2 No.61010-1
- EC Directive
- Low Voltage Directive: IEC/EN61010-1
- EMC Directive
- EMS : EN61000 – 6 – 2
- EMI : EN61000 – 6 – 4
- RoHS Directive: 2011/65EU, (EU) 2015/863
- United Kingdom Conformity Assessed (UKCA) marking
Outside View
- SAFETY RELAY BOX main body

- Placing CONTROLLER horizontally with SAFETY RELAY BOX

- Placing CONTROLLER vertically with SAFETY RELAY BOX

INSTALLATION
WARNING
- When installing to the SAFETY RELAY BOX, turn the CONTROLLER and machine power supply OFF. If the power is on when installing to the SAFETY RELAY BOX, damage to this product will occur.
- When you use the SAFETY RELAY BOX, install the SAFETY RELAY BOX to the CONTROLLER. There is a grounding screw on the rear of the product. Be sure to connect the grounding conductor when installing the product.
CAUTION
When connecting the Relay Cord Plug and Emergency Stop Cord Plug, secure the Fastening Ring fi rmly. If the connection is not made correctly, an intermittent malfunction can occur.
- Install the SAFETY RELAY BOX to one of the CONTROLLER side faces.
- Installing the SAFETY RELAY BOX, using the mounting screws (4pcs.) attached to the CONTROLLER side face (Fig. 4).
- Remove the Mounting Screws (4pcs.) from side of the CONTROLLER.

- Install the SAFETY RELAY BOX to the side of CONTROLLER by using removed Mounting Screws (4pcs.) (Fig. 5).

- Insert the provided Relay Cord Plug into the MOTOR-A Connector of the CONTROLLER and the MOTOR-A IN Connector of the SAFETY RELAY BOX. Secure the Fastening Ring turn the clockwise (Fig. 6).

- Insert the provided Emergency Stop Cord Plug into the EMG Connector (EMG) of the CONTROLLER and EMG Connector (EMG) of the SAFETY RELAY BOX. Secure the Fastening Ring turn the clockwise (Fig. 7).

- Insert the Motor Cord Plug (Motor Power Line) into the MOTOR-OUT Connector of the SAFETY RELAY BOX,
Secure the Fastening Ring turn the clockwise (Fig. 8).
Insert the Motor Cord Plug (Motor Signal Line) into the MOTOR-B Connector of the CONTROLLER, Secure
the Fastening Ring turn the clockwise (Fig. 8).
INPUT SIGNAL
CAUTION
When using the SAFETY RELAY BOX, never rotating the motor without inputting Emergency Stop Signal (terminals No. 1, No.9) of the external Input / Output connector B. This should bechecked in both AUTO mode and MANUAL modes.
Refer to “16 – 2 – (1) Details of External Input / Output Connector B Signals ” section of the CONTROLLER Operation Manual and Fig. 9.

TROUBLESHOOTING
If a problem or concern occurs, please check the following prior to consulting your dealer.
| Trouble | Cause | Inspection / Corrective Action |
|
Emergency Stop function is not function properly. | Relay Cord Plug is not connected to the MOTOR-A Connector of the CONTROLLER and MOTOR-IN Connector of the SAFETY RELAY BOX. | Connect to the Relay Cord Plug correctly to the MOTOR-A Connector of the CONTROLLER and MOTOR-IN Connector of the SAFETY RELAY BOX. |
| Emergency Stop Cord Plug is not connected to the EMG Connector of the CONTROLLER and the SAFETY RELAY BOX. | Connect to the Emergency Stop Cord Plug correctly to the EMG Connector of the CONTROLLER and the SAFETY RELAY BOX. | |
| Motor Cord plug is not connected to the MOTOR-OUT Connector of the SAFETY RELAY BOX. | Connect to the Motor Cord Plug correctly to the MOTOR-OUT Connector of the SAFETY RELAY BOX. | |
| External Input / Output Signal is not output correctly. | Emergency Stop Cord is disconnected. | Replace the Emergency Stop Cord. (Return to NAKANISHI dealer service.) |
DISPOSAL OF THIS PRODUCTS
When disposal of a E4000 SAFETY RELAY BOX is necessary, follow the instructions from your local government agency for proper disposal of electrical components .
FOR MORE INFO

ABOUT COMPANY
- NAKANISHI INC …
- 700 Shimohinata, Kanuma
- Tochigi 322-8666
- Japan
- www.nakanishi-inc.com
- NSK America Corp.
- 1800 Global Parkway
- Hoffman Estates
- IL60192, USA
- www.nskamericacorp.com
- NSK Europe GmbH !EC!REP!
- Elly-Beinhorn-Strasse 8
- 65760 Eschborn
- Germany
- NSK United Kingdom Ltd.
- UKAuthorisad Representative
- Office 4, Gateway 1000
- Arlington Business Park, Whittle Way
- Stevenage, SG1 2FP, UK



























