velleman H7105G Handheld LCD Oscilloscope

FCC information for the USA
This equipment has been tested and found to comply with the limits for a Class B digital device, pursuant to Part 15 of the FCC Rules. These limits are designed to provide reasonable protection against harmful interference in a residential installation. This equipment generates, uses and can radiate radio frequency energy and, if not installed and used in accordance with the instructions, may cause harmful interference to radio communications. However, there is no guarantee that interference will not occur in a particular installation. If this equipment does cause harmful interference to radio or television reception, which can be determined by turning the equipment off and on, the user is encouraged to try to correct the interference by one or more of the following measures:
- Reorient or relocate the receiving antenna.
- Increase the separation between the equipment and receiver.
- Connect the equipment into an outlet on a circuit different from that to which the receiver is connected.
- Consult the dealer or an experienced radio/TV technician for help.
Important
This equipment was tested for FCC compliance under conditions that include the use of shielded cables and connectors between it and the peripherals. It is important that you use shielded cables and connectors to reduce the possibility of causing Radio and Television interference. Shielded cables, suitable for the HHS5 oscilloscope can be obtained from the authorized Velleman dealer.
If the user modifies the HHS5 oscilloscope or its connection cable in any way, and these modifications are not approved by Velleman, the FCC may withdraw the user’s right to operate the equipment.
The following booklet prepared by the Federal Communications Commission may be of help: “How to identify and Resolve Radio-TV Interference problems”. This booklet is available from the US Government Printing Office, Washington, DC20402 Stock No. 044-000-00345-4.
GENERAL
This compact unit contains all the functions (and more) of an ordinary oscilloscope, and also has a high-contrast LCD display with wide-angle visibility. All operations are done from an easy-to-use keypad. The oscilloscope is fitted with a sinusoidal oscillator in order to measure and repair audio equipment more easily. To complete its versatility, the oscilloscope has a serial data output for transferring the most recently stored signal to a computer for use in documents or other applications. In addition, the oscilloscope can be used as a voltmeter with a digital readout of true RMS, , peak-to-peak value, dB and DC measurements. By using the markers it is also possible to measure frequency. Ideal for measurements on audio equipment, TV, car, digital circuits, mains circuits such as dimmers, analysis of RS232 signals, pulse generators, etc.
DATA
Characteristics
- Full auto set-up function
- Trigger mode: normal, auto or single
- Trigger edge: rising or falling
- Adjustable trigger level
- RS232 data output to computer
- dB measurement
- True RMS or peak-to-peak measurement
- Markers for voltage and time measurement
- DC measurements with zero function
- Frequency measurement using markers
- Dot join function
- Freeze-frame function
- Grid or axes function
- Automatic power shutdown after ±8 minutes (can be disabled)
Options
- Carrying bag No: BAG 13 x 24
- Probe No: PROBE60S
- Mains voltage adapter No: PS905
- Rechargeable batteries: HR6/9 (6 pcs).
- Optic isolated RS232 cable incl. Windows software: OPTRS232
Technical data
| Maximum sample rate | 5MHz for repetitive signals (0.5MHz for single shot signals) |
| Input amplifier bandwidth | 750KHz ( -3dB at 0.4V/div setting) |
| Input impedance | 1Mohm // 20pF |
| Maximum input voltage | 100Vpeak (AC + DC) (600V with safety approved x 10 probe) |
| Input coupling | DC, AC en GND |
| Vertical resolution | 8 bit (6 bit on LCD) |
| Linearity | ± 1bit |
| AD converter accuracy | ± 2bit |
| LCD Graphics | 64 x 128 pixels 64 x 96 pixels for signal |
| dB measurement (0 dB= 0.775V) | from -73dB tot +40dB ±0.5dB ( -53dB to +60dB with x 10 probe) |
| True RMS range (AC only) | 0.1mV to 80V (1mV to 600V with x10 probe) 2.5% accuracy |
| Peak to peak and DC range | 0.1mV to 180V (1mV to 600V with x10 probe) 2%. accuracy |
| Timebase range | 20s, 10s, 5s, 2s, 1s, 0.5s, 0.2s, 0.1s, 50ms, 20ms, 10ms, 5ms, 2ms, 1ms, 0.5ms, 0.2ms, 0.1ms, 50us, 20us, 10us, 4us, 2us / div. |
| Input sensitivity range | 5mV, 10mV, 20mV, 50mV, 0.1V, 0.2V, 0.4V, 1V, 2V, 4V, 8V, 20V/div. |
| Sine wave generator | ±400Hz max. 1Vrms // 10Kohm (adjustable in amplitude) |
| Square wave output | ±400Hz / ±3.5Vtt |
| Supply voltage | 9VDC/ min 300mA unregulated (12VDC/300mA if regulated) |
| Rechargeable batteries (option) | type AA / 900mAh or 750mAh ( 6 pcs required) |
| Charge time | ±14h. |
| Autonomy | 5h. (with 900mAh type battery) |
| Operating temperature | 0 to 50°C (32 to 122°F) |
| Dimensions | 130x230x43mm (5.1” x 9” x 1.7” ) |
| Weight | 600g (5 oz) exc. Batteries |
CONNECTION AND OPERATION
NOTE: Only use the recommended adapter otherwise the unit can be damaged!
- Use a normal unregulated adapter of 9VDC / 300mA. Watch the polarity!
- When using a regulated adapter, 12VDC is required.
Rechargeable batteries (option):
- The unit can be fitted with rechargeable batteries e.g. our type HR6/9 (6 off needed).
- Open the housing.
- Place the batteries in the holders, check the polarity.
- Press the RESET button underneath the housing for at least 10 seconds using a pointed object.

NOTE: When closing the unit ensure that the battery holder leads are not caught between the two halves of the housing! - Charge the batteries at least 14 hours before first time use
- When the equipment is switched off, the charging time is around 14 hours, the autonomy of the unit is around 5 hours with 900mAh batteries and 4h with 750mAh batteries.
- The LED at the back of the unit will come on when the batteries are charging
NOTE: In an emergency, alkaline batteries can also be used. These batteries must be taken out when connected to
the mains adapter.
ATTENTION: When using alkaline batteries the unit may go out of calibration after a short time. This is because the voltage in this type of battery drops very quickly when loaded.
WARNINGS
Never use the RS232 output when performing measurements, or use our special optical isolated connection type OPTRS232.
Never use the sine wave output when performing measurements above 30V
Do not connect the sine wave output to equippement where the voltage can be higher than 30V or equippement that is dirctly connected to the mains without transformer.
Never open the housing when performing measurements.
To avoid electrical shock, remove probe from equipment before opening the housing.
Use an isolated probe when measuring voltages higher than 30V (type PROBE60S).
Connections and operations on the unit

- LED charging indicator.
- 9VDC supply voltage connection. Check the polarity.
- RS232 output and sine wave output connection.

Connect the RS232 output to pin 3 of a 25 pin or pin 2 of a 9 pin female SUB-D connector, connect the ground to pin 7 of a 25 pin connector or pin 5 of a 9 pin connector.
TIP: It is best to make two leads, one for connecting to the computer and the other to use with a test signal - Sine wave output amplitude control, turn clockwise to increase amplitude.
TIP: this signal can also be used to perform continuity tests or to trace short circuits. - Square wave output. Use this signal to adjust the probe in x10 position, see also chapter Adjustments.
- Contrast control, turn clockwise for greater contrast.
- On/Off LED.
- GND push button. The input signal is interrupted and the input amplifier/attenuator is connected to ground. Use this setting to choose a reference point on the display.
- BNC connector signal input (max 100V peak AC + DC) .
- AC or DC iinput select. In selecting AC the input signal is capacitively coupled to the input amplifier/attenuator. Only AC components are measured. With DC the signal is connected directly to the input amplifier/attenuator, both AC and DC components are measured.
Measurement
- Connect the signal to be examined to the input.
- Select a suitable volt/div setting such that the signal occupies the entire display or select auto set-up.
- Choose an appropriate time/div setting such that one or more periods can be seen or choose auto set-up.
- First select automatic triggering and then if desired it can be decided to change the trigger mode (unless in auto set-up).
NOTE: Start with as high a time base as possible when measuring continuous signals, and then reduce it until the readout is correct. If the setting is not correct, the period of the displayed signal may not be correct. This occurs through interference (aliasing) of the incoming signal with the sampling frequency.
The auto set-up function will work correct for repetitive and in amplitude stable signals and this up to 400KHz.
IMPORTANT: When measuring high voltages (more than 100 Vp + DC) set the probe to the X10 state. Be sure to use an isolated measuring probe.
The LCD display

Operations from the keypad
NOTE: keys marked with a red arrow are dual function keys for moving the markers. See further.
On/Off
On/off switch with automatic power shutdown after around 8 minutes. This power shutdown time will restart after pressing any key. Use the
key to switch on the unit permanently, see further.
NOTE
- After switching the unit on, the most recently stored signal data is first sent to a computer if connected via the RS232 output. The signal can be held using the hold function (see further).
- All settings made previously (or signal in hold mode) are stored for as long as RESET has not been pressed and for as long as the batteries remain charged.
Volt / division
Makes the volt/division setting more sensitive. At the 5mV setting, the next setting will be the auto set-up setting. The automatic setting is indicated by the dark background of the volt/div and time/div readout.
Makes the volt/division setting less sensitive. At the 20V setting, the next setting will be the auto set-up setting. The automatic setting is indicated by the dark background of the volt/div and time/div readout.
NOTE
- In the automatic setting the Y position adjust will not work, the trigger setting will also be fixed in Auto mode.
- The auto set-up function will stop after operating a time/div key (see further) or when operating a volt/div key
Time base
Switches to a slower time base (time/div).
⇒ This is a key with a dual function. In the marker state it is used to move a marker to the left. By keeping it pressed in the marker will move more quickly.
Switches to a faster time base (time/div).
⇒ This is a key with a dual function. In the marker state it is used to move a marker to the right. By keeping it pressed in the marker will move more quickly.
NOTE: The 10µs, 4µs and 2µs only work correctly with repetitive signals, the trigger state will also be set to the normal mode, the display will then only be changed when the set trigger level is reached.
Trigger functions
Selects between automatic (Auto indication on the display) or normal triggering (norm indication). With automatic triggering, the signal will always appear on the display, irrespective of the position of the trigger level. With normal triggering the display is only changed if the signal is within the trigger level.
⇒ This is a key with a dual function. In the marker state it is used to move a marker to the left. By keeping it pressed in, the marker will move more quickly.
Activates the single trigger (individual signals) mode. After pressing this key, the display will be updated only one time when the signal has reached the set trigger level.
⇒ This is a key with a dual function. In the marker state it is used to move a marker to the right. By keeping it pressed in the marker will move more quickly.
This key selects whether to trigger on the rising or falling edge of the signal.
Reduces the trigger level. The gap in the line to the left of the display indicates the trigger level.
⇒ This is a key with a dual function. In the marker state it is used to move a marker downwards. By keeping it pressed in the marker will move more quickly.
Increases the trigger level. The gap in the line to the left of the display indicates the trigger level.
⇒ This is a key with a dual function. In the marker state it is used to move a marker upwards. By keeping it pressed in the marker will move more quickly.
NOTE: There is a time difference of ±8µS between the trigger point and the start of th true readout. This is generally only noticeable at higher frequencies.
Display functions
Moves the Y position of the signal downwards. By keeping it pressed in, the position will change more quickly. A small point to the left of the display indicates in what direction the signal has been moved so that if the signal disappears you will know in which direction it has gone.
⇒ This is a key with a dual function. In the marker state, it is used to move a marker downwards. By keeping it pressed in the marker will move more quickly.
Moves the Y position of the signal upwards. By keeping it pressed in the position will change more quickly. A small point to the left of the display indicates in what direction the signal has been moved, such that if the signal disappears you will know in what direction it has gone.
⇒ This is a button with a dual function. In the marker state it is used to move a marker upwards. By keeping it pressed in the marker will move more quickly.
Freezes the signal on the display such that the signal may be examined later on or sent to a computer. The Hold indicator will blink. The signal stays in memory after the unit has been switched off.
⇒ This is a key with a dual function. In the DC measurement state, the zero reference can be set by keeping this key pressed in (see further).
Selects between just showing the signal samples taken (dot function) or joining the dots (dot join function).

Measurements readouts
Using this key four different readouts can be selected:
- Peak voltage (Vp). The peak-to-peak voltage (difference between the highest and lowest value) of the signal is displayed.
- True RMS readout (Vr). The area under the AC wave is calculated and converted into a voltage. It must be ensured that one to two periods can be seen on the display for a correct readout (or use the auto setpup function). dB measurement (dB). The measured signal is converted to the dB value (0dB= 0.775V),
- take care like in True RMS measurement at least one or two periods are visible on the screen (choose for auto set-up setting). REMARK: In the x10 setting of the probe, 20dB must be added to the readout.
- DC voltage measurement (V=). DC voltage can be measured using this function. The readout can be set to zero (reference) at any position on the display by keeping the Hold
key pressed in. Always use the Auto trigger for DC voltage measurement, otherwise the display will not change.
NOTE: If the signal disappears from the display, or the signal is too small for dB measurement, the readout will show … .
Different aids can be selected with this key for making signal measurements: grid, axes or markers. The display is divided into reference points or fitted with a set of axes.

The markers are a handy way of doing measurements. The markers can be moved using the dual function keys that are marked with a red arrow.

TIP: In order to measure the frequency of a signal, the time of one period has to be measured. This is most easily done on two consecutive peaks or falling edges, or the zero volts points of a sine wave.
NOTE: This key also has a hidden function. The unit can be switched on with this key. The difference from the normal
on/off key is that the unit will not power down automatically if switched on using this key. This can be useful for certain continues measurements.
Sending data to a computer
As an option a optical isolated cable including software is available: type OPTRS232
Connect a computer to the oscilloscope via the RS232 connector (without isolation !).
Make the connections

IMPORTANT: Remove the measuring probe from the unit before making the connection with the computer !
Run a terminal emulation program on the computer (e.g. Terminal under MS Windows, Kermit, Procom, etc.) Make the following settings in the program:
- Baud rate = 9600
- Data bits = 8
- Stopbit = 1
- Parity = No
- Handshaking = off
- Select the correct RS232 port of the computer.
After switching the oscilloscope on, the most recently stored display data is sent to the computer in the form of an ASCII table. A total of 96 samples are taken per display. The measured values are shown in absolute screen values, thus zero corresponds to a minimum and 255 corresponds to the maximum. The table can be easily imported into a word processor, a spreadsheet or other program in order to convert the measured values into the real voltage or to be plotted in a graph.
Example of a table:
| 100us/Sample Range (254)= 40mV Zero Ref = 126 00 (tab) 122 | Time needed per measured sample The voltage value per sample is equal to 254/40mV = 0.157 mV The 0 volt reference has the value 126, thus all values higher than 126 are positive voltages, values below 126 are negative measurements. The 1st sample has a voltage of (254/40) x (122-126) = -25.4mV The 94th sample has a voltage of (254/40) x (153-126) = 171.45 mV General formula: Measured value = (254 /range) x (sample – zero ref) |
Troubleshooting
Problem:
The display remains blank or there is no signal
Possible cause:
- No supply voltage
- Batteries discharged
- Contrast adjustment wrong (turn clockwise)
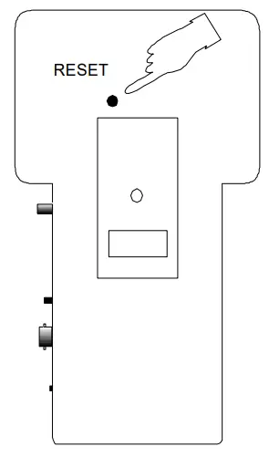
- Press on the RESET button underneath the housing for at least 10 seconds

NOTE: Should pressing RESET not work then remove both the batteries and if appropriate, the adapter, for a short period of time.
RMS readout not correct
- Ensure that there is at least 1, and preferably 2 periods on the display
- The batteries are discharged
There is noise in the signal
- The screen foil is not properly connected to the ground (Tighten the ground connecting screw)
No signal on the oscilloscope display
- Time/div setting in the wrong position, try 1ms or use auto set-up mode
- The unit is in the Hold position
- The trigger function is set to single
- The set trigger level is not reached (select auto)
- Wrong Y position
- Input overloaded, adjust the volt/div setting or use auto setup mode
Incorrect frequency readout
- An incorrect time/div setting has been chosen (begin at 2µs)
Voltage readout does not correspond to the actual value
- The probe is in x10
- The RMS readout only measures the AC voltage
- The batteries are discharged
- The oscilloscope must be calibrated, see service information.
- When performing DC measurements, the zero reference is not set correctly.
No communication with the computer
- The serial settings are wrong
- The cable is wrongly connected
When there is no input signal, the line jumps horizontally on the display after adjusting the VOLT/DIV setting
- Offset adjustment not correct, see service information.
Service information
Assembly
Installing the PCB
- Lay the screen foil in the housing with the conducting shiny side on the outside
Slide the PCB into the housing and ensure that the BNC connector, LED, switches and potentiometer shafts go through the openings, the shaft for RV6 may have to be removed first.
ATTENTION: Ensure that the TP1 contact lip does not touch the outside of the screen foil, as it could cause a signal short circuit.
- Secure the PCB using 5 plate screws
- Connect the foil to ground using an M3 bolt and washer on the GND spacer
- Mount the battery holders on the spacer and ensure that the foil is under the battery holders
- Connect the battery holders with the snap connectors
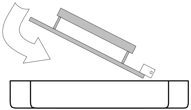
- Connect the keyboard to connector J1, secure the connector
- Mount the cover on the housing, check the position of the window
CAUTION: Fold the keyboard tail like in the drawing:

Removing the PCB
Same as assembly, but in the reverse order.
Maintenance
Clean the display window with a chammy leather. NEVER use a duster or paper towel as this will cause scratches.
Adjustments
- First go through the operating instructions in order to familiarise yourself with them
- Take the PCB out of the housing (see PCB assembly and removal)
- Remove the battery holders
- Remove the screen foil
- Ensure that the keypad is connected to connector J1. The connector can be secured.
- Place something under the PCB so that the RESET button cannot be pressed in
- Connect a mains voltage adapter or fit the batteries.
ATTENTION: Ensure that IC8 is on the PCB, otherwise when the supply voltage is switched on the circuit will be damaged!!!!!
ATTENTION: When using the mains voltage adapter, ensure that the battery holder contacts do not come into contact with the PCB.
IMPORTANT:
- Allow the unit to warm up for a few minutes before carrying out the adjustments.
- Make the adjustments in the indicated sequence
Adjusting the input amplifier offset voltage
- Switch off the unit
- Ensure that there is no input signal (short circuit probe)
- Make a connection between TP5 and ground (the metal part of the BNC connector can be used as ground)
- Switch on the unit (best to use a mains voltage adapter for this adjustment)
- Adjust the volt/div setting to 2V/div
- Measure with a digital voltmeter (DC range) between points TP4 and ground
- Adjust the OFFSET potentiometer (RV1) until the voltmeter reads 0mV (perhaps switch the voltmeter to a more sensitive range)
- Remove the connection between TP5 and ground and remove the multimeter.
- Check the adjustment by switching repetitively between 1V/div and 2V/div, the line on the screen may not jump vertically. If the line jumps, adjust RV1 until the line remains stable. (it is possible that RV7 must be adjusted to make the line appear on the screen).

Calibrating the vertical amplifier
- Adjust the time/div setting to 1ms/div
- Set the trigger mode to auto
- Using the Y position keys, set the readout to around the middle of the display
- Adjust the volt/div setting to 50mV/div
- Select the RMS voltage readout (mVr)
- Connect an x1 probe to test point TP2 (do not connect the ground connection)
- Connect a good digital multimeter (AC range) to test point TP2
- Adjust the sine wave output voltage via the AMPL potentiometer (RV6) until a signal of around 120mV is obtained (perhaps reset the range of the multimeter)
- Adjust the CALIBRATE potentiometer (RV3) until the RMS readout shows the same value as the multimeter. NOTE: It can be that the Y position has to be adjusted until the signal is completely within the display, otherwise the RMS readout will indicate …
- Adjust the volt/div setting to 0.1V/div
- Adjust the GAIN ADJUST potentiometer (RV2) until the RMS readout shows the same value as the multimeter.

Adjusting the transient response
- Set the input select switch to DC
- Set the time/div setting to 0.5ms/div
- Set the trigger mode to auto
- Set the unit to dot mode
- Set the volt/div setting to 2V/div
- Connect an x1 probe to test point TP1 (do not connect the ground)
- Using the Y position keys, set the readout to around the middle of the display and adjust the TRIGGER setting until the readout is stable
- Adjust the small trimmer capacitor CV1 using the plastic trimmer supplied until the square wave is as flat as possible. See figure
- Adjust the volt/div setting to 1V/div
- Adjust the large trimmer capacitor CV2 until the square wave is as flat as possible. (should the adjustment range of this trimmer be insufficient, then it is possible that C7 must be increased or decreased in value)


NOTE: If a x10 probe is used ten its own x10 state will have to be adjusted. This can be done with the same signal on TP1 with the difference being that the trimmer capacitor on the probe now has to be adjusted. It is best if the unit is installed with the screen foil. The test point is accessible from outside the housing.
Adjusting the center position
- Press the RESET button at the bottom side op the PCB
- Remove possible connected measuring probe
- Adjust RV7 until the line on the screen is in the center (adjust the line so that it corresponds with the small dot at the left most point of the screen).


Adjusting the trigger point
- Set the time/div setting to 0.1ms/div
- Set trigger mode to auto
- Using the Y position keys, set the readout to around the middle of the display
- Set the volt/div setting to 0.4V/div
- Connect an x1 probe to test point TP2 (do not connect the ground)
- Turn the sine wave output to a maximum with RV6
- Adjust the TRIGGER LEVEL potentiometer (RV4) until the middle of the trigger mark (gap in the vertical line to the left of the display) corresponds to the start of the signal.


IMPORTANT: Repeat all the adjustments at least once !
GUARANTEE
This product is guaranteed against defects in components and construction from the moment it is purchased and for a period of ONE YEAR starting from the date of sale. VELLEMAN-KIT Ltd limits its responsibility to the reparation of defects or, as VELLEMAN-KIT Ltd deems necessary, to the replacement or reparation of defective components. Costs and risks connected to the transport, removal or placement of the product, or any other costs directly or indirectly connected to the repair, will not be reimbursed by VELLEMAN-KIT Ltd. VELLEMAN-KIT Ltd will not be held responsible for any damages caused by the malfunctioning of a product.
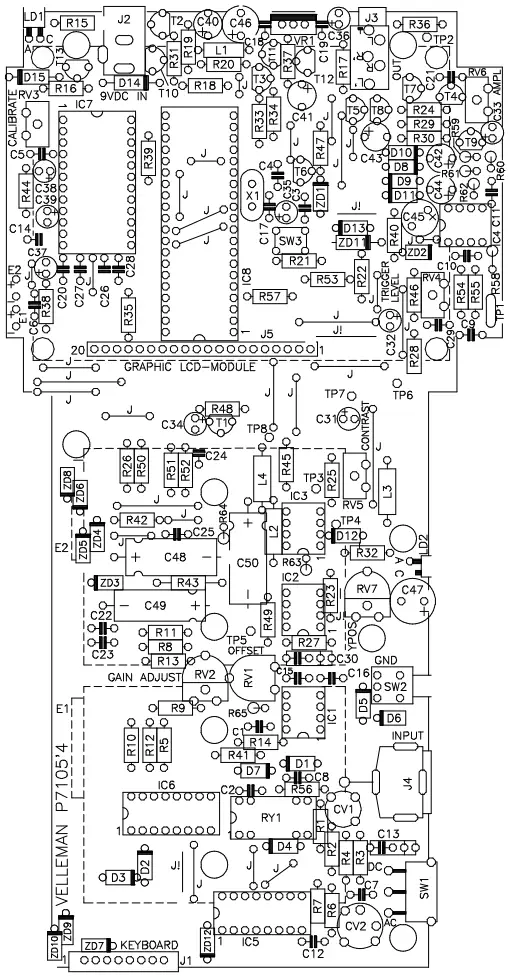
DIAGRAMS
Values are only for reference


Customer Support
If You have any comments on how this product could be improved, please contact your local Velleman distributor or directly to VELLEMAN KIT N.V.
VELLEMAN KIT NV
Legen Heirweg 33
9890 Gavere
Belgium
Internet Web-Site: http://www.Velleman.be
E-mail: [email protected]
Legen Heirweg 33, 9890 Gavere
Belgium
http://www.velleman.be






























