SMC HAW2 Water Cooled Aftercooler Instruction Manual
This manual is intended to explain the installation and operation of the product. Only people who understand the basic operation of the product, or have basic knowledge and ability to handle industrial machinery, are allowed to work on the product.
To Customers
Thank you for selecting SMC Water Cooled Aftercooler.
For safety and long life of the product, be sure to read this Operation Manual (hereinafter referred to as the “manual”) and clearly understand the contents.
- The instructions described in this manual must be followed in addition to ISO 4414*1) and JIS B 8370*2) and other safety regulations. *1) ISO4414: Pneumatic fluid power – Recommendations for the application of equipment to transmission and control systems. *2) JIS B 8370: General rules for pneumatic equipment.
- This manual is intended to explain the installation and operation of the product. Only people who understand the basic operation of the product through this manual, or who install and operate industrial machinery and have basic knowledge and ability to handle such equipment, are allowed to work on the product.
- This manual and other documents attached to the product do not constitute a contract, and will not affect any existing agreements or commitments.
- It is strictly prohibited to copy this manual entirely or partially for use by a third party without prior permission from SMC.
Note: This manual is subject to change without prior notice.
Safety Instructions
Before using the product be sure to read and understand all the important actions highlighted in this manual.
Warning: Before using this product
This chapter is intended to specifically describe the safety related issues for handling the product.
Read this before handling the product.
- The water cooled aftercooler is a product that cools the hot and humid air discharged from the compressor with cooling water, and condenses and separates the contained water.SMC does not take any responsibility for any problems that may arise from using the product for other purposes.
- Not only people handle the water cooled aftercooler but every people who perform maintenance on or do works related to it should read safety instructions on this operation manual before handling.
- This manual is not a comprehensive manual covering safety and health related issues. This should be handled by a person in charge of safety training.
- All personnel who work with or around the product should have sufficient knowledge about the dangers inherent to the product and be trained in safety measures.
- The safety manager is responsible for strictly observing safety standards, but responsibility in respect to safety standards during daily work resides with each individual operator and maintenance personnel.
- The operator and maintenance personnel should consider work places and environments for each task with due consideration of safety issues.
- It is necessary to undergo appropriate general safety training before being trained about this product. Training without having sufficient knowledge about safety is very dangerous. Training must not be conducted without
consideration to safety. - This manual must be kept available to the operator whenever necessary.
Danger, Warning and Caution
he instructions given in this manual aim to assure the safe and correct operation of the product, and to prevent injury of operators or damage to the product. These instructions are grouped into three categories, “Danger”, “Warning” and “Caution”, which indicate the level of hazard, damage and also the degree of emergency. All safety critical information should be carefully observed at all times.
DANGER, WARNING and CAUTION signs are in order according to severity (DANGER> WARNING> CAUTION).
The signs are explained on the following page.
Danger
“Danger” indicates a hazard with a high level of risk which will result in death or serious injury if an operator performs incorrect handling during the operation and maintenance of the product or does not follow the instructions necessary to avoid it.
Warning
“Warning” indicates a hazard with a medium level of risk which will result in death or serious injury if an operator does not follow the specified procedures during the operation or maintenance of the product or does not follow the instructions necessary to avoid it.
Caution
“Caution” indicates a hazard of a low level of risk which will result in minor and moderate injury or damage to product and equipment if an operator does not follow the specified procedures during the operation and maintenance of the product or does not follow the instructions to avoid it.
Warning
- Since this product has parts that become hot during operation, there is a danger of burns resulting from contact with these parts. There is also a danger of burns due to residual heat after the power supply is cut. Therefore, wait until the temperature of hot parts has fallen below 50oC.
- Excessive or insufficient cooling water will damage the heat transfer tubes, so design within the rated water volume range. (Refer to product specifications)
Warning
- Be sure to check air pressure is zero before replacing the element or performing the maintenance of the auto drain.
- When parts are loosened, there is a possibility of becoming rapid part unexpected accident such as shooting out and it is very dangerous when the compressed air pressure remains in the product.
Limited warranty and Disclaimer / Compliance Requirements
The product used subject to the following “Limited warranty and Disclaimer “and “Compliance Requirements.
Read and accept them before using the product.
Limited warranty and Disclaimer
- The warranty period of the product is 1 year in service or 1.5 years after the product is delivered.
Also, the product may have specified durability, running distance or replacement parts. Please consult your nearest sales branch. - For any failure or damage reported within the warranty period which is clearly our responsibility, a replacement product or necessary parts will be provided.
This limited warranty applies only to our product independently, and not to any other damage incurred due to the failure of the product. - Prior to using SMC products, please read and understand the warranty terms and disclaimers noted in the specified catalog for the particular products.
Compliance Requirements
- The use of SMC products with production equipment for the manufacture of weapons of mass destruction (WMD) or other weapon is strictly prohibited.
- The exports of SMC products or technology from one country to another are govemed by the relevant security laws and regulation of the countries involved in the transaction. Prior to the shipment of a SMC product of a SMC product to another country, assure that all local rules goveming that export are known and followed.
Caution
The Product is provided use in manufacturing industries.
The product herein described is basically provided for peaceful use in manufacturing industries.
If considering using the product in other industries, consult SMC beforehand and exchange specifications or a contact if necessary.
If anything is unclear, contact your nearest sales branch.
Caution
SMC products are not intended for use as instruments for legal metrology.
Measurement instruments that SMC manufactures or sells have not been qualified by type approval tests relevant to the metrology (measurement) laws of each country. Therefore, SMC products cannot be used for business or certification ordained by the metrology (measurement) laws of each country.
Specifications

Model No. Identification Mark

Construction Principle

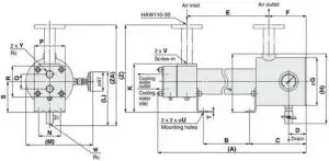
Outer dimensions and descriptions of each part
Outer dimensions
- HAW2/7

- HAW22 to 110


Descriptions of each part
- HAW2/7

Component parts (HAW2/7)
| No. | Description | Material | Note |
| 1 | Outside tube | AC2A-F | – |
| 2 | Flower fin tube assembly | C1220T | Flower fin |
| 3 | Housing | AC2A-F | – |
| 4 | Water chamber cover | FC200 | – |
Replacement parts
| No. | Description | Material | HAW2 | HAW7 |
| 2 | Flower fin tube assembly | Aluminum, Copper, Carbon steel | 42012 (1 pc.) | 42022 (1 pc.) |
| 5 | Seal | Non-asbestos | 42013 (2 pcs.) | 42013 (2 pcs.) |
| 6 | Seal | Non-asbestos | 42015 (1 pc.) | 42015 (1 pc.) |
HAW22 to 110

Component parts (HAW2/7)
| No. | Description | Material | Note |
| 1 | Housing | SGP,SS400 | – |
| 2 | Outside tube | STK | – |
| 3 | Body | FC200 | – |
| 4 | Flower fin tube assembly | C1220T | Flower fin |
| 5 | Water chamber cover | FC200 | – |
Replacement parts
| No. | Description | Material | HAW22 | HAW37 | HAW55 | HAW75 | HAW110 |
| 4 | Flower fin tube assembly | Aluminum, Copper, Carbon steel | 42036 (1 pc.) | 42046 (1 pc.) | 42054 (1 pc.) | 42062 (1 pc.) | 42073 (1 pc.) |
| 6 | Seal | Non-asbestos | 42032#1 (2 pcs.) | 42042#1 (2 pcs.) | 42042#1 (2 pcs.) | 42042#1 (2 pcs.) | – |
| 7 | Seal | Non-asbestos | 42035#1 (1 pc.) | 42045#1 (1 pc.) | 42045#1 (1 pc.) | 42045#1 (1 pc.) | 42072#1 (1 pc.) |
| 8 | Seal | Non-asbestos | 42037#1 (1 pc.) | 42047#1 (1 pc.) | 42047#1 (1 pc.) | 42047#1 (1 pc.) | 42074#1 (1 pc.) |
Installation
Installation Location
- Install the after-Cooler in level.
- Make sure to correctly connect the compressed air inlet/outlet and the cooling water inlet/outlet.
- Use union joints to connect the cooling water pipes so that they can be easily removed during maintenance.
- Connect a drain pipe because a large amount of drainage is generated when the compressed air is cooled.
The drain pipe must have a minimum pipe bore of 10 mm, and a maximum length of 5 m (when installing an optional auto drain). - Auto-drain is available on request.
- For applications where the use of extremely contaminated cooling water is unavoidable, install a filter in the inlet line. (Nominal filtration rating approx.100μm)
- After installing this water-cooled after-cooler, hot air will flow in, so first check for air leaks.
- Select the diameters of water and air piping’s large enough to eliminate pressure drops.
Diameters larger than the connection ports provided on this unit are sufficient. - Inspect the quality of the cooling water and replace the circulating water on a regular basis. If the cooling water is cooled in a cooling tower, it is susceptible to the adhesion of water scale.
- If there is a likelihood that the cooling water will be frozen, drain the cooling water to prevent damage.
Also, drain the cooling water when the equipment will not be used - If the cooling performance has been reduced, clean the inside of the cooling water pipes. (Refer to the cleaning method, refer to 7. Maintenance.)
Air Piping
- When the compressed air from a compressor is cooled down, a lot of condensed water will be generated. Do not forget to conduct drain piping at the outlet of the drain valve.
It is recommended to use an automatic drain system for savings in labor.
We recommend our auto drain in the table below.Product part number Auto drain number Normally closed Normally open HAW2-04C/D AD402-04C-6-A AD402-04D-6-A HAW7-06D ― AD402-04D-6-A HAW22/37-14D ― AD600-06 HAW55/75-20D ― AD600-06 HAW110-30D ― AD600-10 - The drain piping, if conducted, should have an inside diameter of at least 10mm and a maximum length of 5m. Improper piping will cause the back pressure to excessively increase at the time of draining, resulting in unstable function of the auto drain.
Warning
- When draining, follow the user’s own procedure to keep operators safe. (E.g. Wearprotective goggles, apron and gloves to prevent contact with the drained condensate.)
- When oils can enter the drained condensate, waste water treatment is necessary.
Follow the bylaws or rules of the local municipality.
Cautions
- Use city water or industrial water as the cooling water. Never use sea water.
- The unit cannot be used for the purpose of cooling chemicals and food.
- Mount water suspension relay to prevent overheating without cooling water in case.
Maintenance
To hold the excellent cooling capacity for a long period of time and make more effective use of the unit, the following inspection and maintenance operations must be made.
- Open the drain valve and remove the drainage once and a while.
- When an automatic drain system is used, check once and a while to see that drainage is discharged.
When the humidity is low or the compressor is run for a short time period, drain may not be produced. - Carry out inspection once or twice a year, depending on the degree of contamination of the fluid used.
- In applications where the cooling water is cooled by a cooling tower the inside of the cooling water pipes in liable to collect fur, with possible decrease in flow rater of the cooling water.
The use of the same cooling water for longer period is also liable to generate deposit of fur on the inside of the pipes. Replace the circulating water periodically.
Furthermore, carry out back washing with opposite connection of inlet and outlet for cooling water. - For the use in a cold district where freezing of the cooling water is possible during the winter, drain the water after use. The water should also be drained when the unit is kept shut down for longer period. (This will prevent fur from deposition.)
- Decrease in cooling performance usually results from extremely contaminated cooling water. When the unit exhibits the decrease in cooling performance (a reading on the provided thermometer exceeds 40℃), perform mechanical cleaning (such as cleaning by a jet cleaner or a bar with cloth, or brushing) inside of the cooling water piping first, and then chemical cleaning inside the cooling water system after re-assembling.
- Being larger in cross-sectional area, the pass for air is considered being rarely blocked unless it is badly contaminated. Should the greater pressure loss be encountered, the principal cause may be accumulation of sludge (deteriorated oil). In such a case, remove the unit from the piping, disassemble and clean the unit with alcohol.
- In cleaning the finned tubes for the air and brushing the copper tubes for the water, disassemble the unit in the following order referring to Construction Drawings.
[Disassembling Models HAW2/7]
- Remove the water chamber cover and housing.
- Push the heat transfer assembly from the housing side, and then the assembly will come out of the shell.
[Disassembling Models HAW22 to 110]
- Remove the water chamber cover.
- Remove the hex cap bolts on the plate of the heat transfer assembly and install a M8 eye bolt.
- Thread a rope through the eye bolts, and pull it.
When sticking of the plate to the body makes pulling the plate difficult, pull in by the aid of a lever-operated jack.
Note:
- Great care should be paid not to damage the cooper tubes of the pulled out heat transfer assembly.
- Disassembling job requires spare packing; contact our dealers for the spare pickings. (For the number of the packing, refer to the Spare Parts list .
- Assembling may be performed in the reverse order. In assembling, push the heat transfer assembly into the shell in such a condition that two bolts are vertically symmetric as shown in the Figure 1.

Danger
- During drainage work, follow your own procedure to ensure the safety of operators (e.g.wear protective goggles, apron and gloves).
Danger
- There is a risk of touching drained waste liquid during replacement.
When draining, follow the user’s own procedure to keep operators safe.
(E.g. Wear protective goggles, apron and gloves to prevent contact with the drained condensate.)
Danger
- If the drained fluid contains oil, waste liquid treatment is necessary according to local laws orregulations.
Danger
- Be sure to check air pressure is zero before replacing the element or performing the maintenance of the auto drain.
Water quality standard of cooling water
Various kinds of water, such as potable water, ground water, industrial water, river water etc. would be used as cooling water, and they may cause the following troubles that deteriorate the performance of After cooler when they are contaminated.
- Heat transfer piping’s burst out due to corrosion.
- The performance to transfer heat decreases due to formed coating caused by fur (the generic term including scale, rust, slime etc.)
- The amount of cooling water decreases due to the blocked flow caused by fur accumulation, and that leads the decrease of cooling performance. In the worst case, it would be blocked completely.
If water is used as the facility water, please refer to JRA-GL-02-1994 [water quality guidelines for refrigeration and air-conditioning equipment] prepared by Japan Refrigeration and Air Conditioning Industry Association as a reference for the water quality level to prevent excessive corrosion and scale-related problems. The values are shown in Table 2.
Table 2
| Item | Facility water system | |||
| Circulating type | Transient type | |||
| Circulating fluid | Filling of circulating fluid | Transient fluid | ||
| Standard items | pH [25°C] | 6.5 to 8.2 | 6.0 to 8.0 | 6.8 to8.0 |
| Electrical conductivity (mS/m) [25°C] | 80 or less | 30 or less | 40 or less | |
| Chloride ions (mg/L) | 200 or less | 50 or less | 50 or less | |
| Sulfuric acid ions (mg/L) | 200 or less | 50 or less | 50 or less | |
| Acid consumption [pH4.8](mgCaCO3/L) | 100 or less | 50 or less | 50 or less | |
| Total hardness (mgCaCO3/L) | 200 or less | 70 or less | 70 or less | |
| Calcium hardness (mgCaCO3/L) | 150 or less | 50 or less | 50 or less | |
| Ionic state silica (mgSiO2/L) | 50 or less | 30 or less | 30 or less | |
| Reference items | Iron (mg/L) | 1.0 or less | 0.3 or less | 1.0 or less |
| Copper (mg/L) | 0.3 or less | 0.1 or less | 1.0 or less | |
| Sulfide ions (mg/L) | Shall not be detected. | Shall not be detected. | Shall not be detected. | |
| Ammonium ions (mg/L) | 1.0 or less | 0.1 or less | 1.0 or less | |
| Residual chloride (mg/L) | 0.3 or less | 0.3 or less | 0.3 or less | |
| Free carbon dioxide (mg/L) | 4.0 or less | 4.0 or less | 4.0 or less | |
| Stability index | 6.0 to 7.0 or less | - | - | |
Water quality inspection (Once a month)
If tap water or ground water (well water) is used as the facility water for the water-cooled condenser, test the items shown in Table 2 using JIS K 0101 (Test methods for industrial water) or methods based on these methods, and determine the applicability of the water based on the criteria shown in Table 2.
If the values are outside of the criteria, the following measures shall be taken before using it.
- Change of the water source (e.g. Change ground water to tap water.)
- Consult a water treatment consultant about how to treat the water.
- Change the cooling method from transient type to circulating type, and use applicable facility water.
If the facility water in a cooling tower is used, the water quality standard will be satisfied at the initial stage, however, if it is used in an air contaminated environment, sulfurous acid gas in the air may dissolve into the facility water, forming sulfuric acid which may corrode the electro-thermal surface. Therefore, control the water quality regularly by inspecting and replacing the facility water regularly.
Cleaning of the facility water equipment (once every three months)
- Clean the facility water equipment and replace the facility water.
- The supplied facility water should be within the range shown in Table 2.
Customer Support
SMS Corporation
4-14-1, Sotokanda, Chiyoda-ku, Tokyo 101-0021 JAPAN
Tel: + 81 3 5207 8249
Fax: +81 3 5298 5362
URL http://www.smcworld.com
Note: Specifications are subject to change without prior notice and any obligation on the part of the manufacturer.
© 2020 SMC Corporation All Rights Reserved




















