TRANE RTWD Water Cooled Chiller

Important:
Distribution/use of this document is limited to the Trane sales and service organization in support of the R’newal service program and is not intended for independent third party use or for use apart from compressor service under Trane’s R’newal service program.
|
| Only qualified personnel should install and service the equipment. The installation, starting up, and servicing of heating, ventilating, and air-conditioning equipment can be hazardous and requires specific knowledge and training. Improperly installed, adjusted or altered equipment by an unqualified person could result in death or serious injury. When working on the equipment, observe all precautions in the literature and on the tags, stickers, and labels that are attached to the equipment. |
Introduction
Read this manual thoroughly before operating or servicing this unit.
Warnings, Cautions, and Notices
Safety advisories appear throughout this manual as required. Your personal safety and the proper operation of this machine depend upon the strict observance of these precautions.
The three types of advisories are defined as follows:
WARNING Indicates a potentially hazardous situation which, if not avoided, could result in death or serious injury.
CAUTIONs Indicates a potentially hazardous situation which, if not avoided, could result in minor or moderate injury. It could also be used to alert against unsafe practices.
NOTICE Indicates a situation that could result in equipment or property-damage only accidents.
Important Environmental Concerns
Scientific research has shown that certain man-made chemicals can affect the earth’s naturally occurring stratospheric ozone layer when released to the atmosphere. In particular, several of the identified chemicals that may affect the ozone layer are refrigerants that contain Chlorine, Fluorine and Carbon (CFCs) and those containing Hydrogen, Chlorine, Fluorine and Carbon (HCFCs). Not all refrigerants containing these compounds have the same potential impact to the environment. Trane advocates the responsible handling of all refrigerants-including industry replacements for CFCs and HCFCs such as saturated or unsaturated HFCs and HCFCs.
Important Responsible Refrigerant Practices
Trane believes that responsible refrigerant practices are important to the environment, our customers, and the air conditioning industry. All technicians who handle refrigerants must be certified according to local rules. For the USA, the Federal Clean Air Act (Section 608) sets forth the requirements for handling, reclaiming, recovering and recycling of certain refrigerants and the equipment that is used in these service procedures. In addition, some states or municipalities may have additional requirements that must also be adhered to for responsible management of refrigerants. Know the applicable laws and follow them.
|
| Proper Field Wiring and Grounding Required! Failure to follow code could result in death or serious injury. All field wiring MUST be performed by qualified personnel. Improperly installed and grounded field wiring poses FIRE and ELECTROCUTION hazards. To avoid these hazards, you MUST follow requirements for field wiring installation and grounding as described in NEC and your local/state/national electrical codes |
|
| Personal Protective Equipment (PPE) Required! Failure to wear proper PPE for the job being undertaken could result in death or serious injury. Technicians, in order to protect themselves from potential electrical, mechanical, and chemical hazards, MUST follow precautions in this manual and on the tags, stickers, and labels, as well as the instructions below:
|
|
| Follow EHS Policies! Failure to follow instructions below could result in death or serious injury.
|
Copyright
This document and the information in it are the property of Trane, and may not be used or reproduced in whole or in part without written permission. Trane reserves the right to revise this publication at any time, and to make changes to its content without obligation to notify any person of such revision or change.
Trademarks
All trademarks referenced in this document are the trademarks of their respective owners.
Revision History
Updated for Trane Technologies.
Model Number Descriptions
RTWD/RTUD R’newal Model Number Breakdown
An example of a typical model
number is:
R R T W D 0 8 0 1 A D A 0 0 0 0 0 1 2 3 4 5 6 7 8 9 10 11 12 13 14 15 16 17
Digit 1 — R’newal
R = Trane R’newal
Digit 2, 3, 4, 5 — Chiller Model
RTWD = Water-Cooled Series R Chiller
RTUD = Compressor Series R Chiller
Digit 6, 7, 8 — Unit Tonnage
080 = 80 Unit Tons
090 = 90 Unit Tons
100 = 100 Unit Tons
110 = 110 Unit Tons
120 = 120 Unit Tons
130 = 130 Unit Tons
140 = 140 Unit Tons
150 = 150 Unit Tons
160 = 160 Unit Tons
180 = 180 Unit Tons
200 = 200 Unit Tons
220 = 220 Unit Tons
250 = 250 Unit Tons
Digit 9 — Compressor Circuit
1 = R’newed Circuit 1
2 = R’newed Circuit 2
B = R’newed Both Circuits
Digit 10 — R’newal Design Sequence
A = Initial R’newal Design Sequence
B = R’newal Design Sequence
Digit 11 — Chiller Voltage
A = 200 Volt, 60 Hz, 3-Phase
B = 230 Volt, 60 Hz, 3-Phase
D = 380 Volt, 60 Hz, 3-Phase
F = 460 Volt, 60 Hz, 3-Phase
G = 575 Volt, 60 Hz, 3-Phase
Digit 12 — Original Design Sequence
A = “A” Original Design Sequence
B = “B” Original Design Sequence
Digit 13 — Not Used (Future Use)
0 = Not Used (Future Use)
Digit 14 — Not Used (Future Use)
0 = Not Used (Future Use)
Digit 15 — Not Used (Future Use)
0 = Not Used (Future Use)
Digit 16 — Not Used (Future Use)
0 = Not Used (Future Use)
Digit 17 — Design Special
0 = No Special
1 = Special
Installation
Note: Refer to current unit installation, operation and maintenance literature for maintenance procedures, rigging instructions, and additional information.
Table 1. Complete contents of RTWD/RTUD R’newal kit 022102530100
Part | Quantity | Description |
018503790100 | 1 | LABEL; PRINTED NAMEPLATE W/TRANE LOGO |
ADP00372 | 2 | ADAPTER; 0.63 OD TUBE FOR OIL LINE CONNECTION |
ADP00909 | 2 | ADAPTER; 0.38 OD TUBE X 7/16-20 SAE, O-RING SEAL HEX |
COL03780 | 4 | COIL; HOLDING, 120V, 50/60 HZ (AMG 120/50-60) |
COL04723 | 4 | COIL; SOLENOID VALVE, 120V/60 & 110V/50 HZ |
COL11934 | 2 | COIL; AMC 120V SOLENOID 36” LEAD |
CPL00934 | 2 | COUPLING; (INCLUDES ORING & TEFLON SEAL) |
FTG00130 | 1 carton | FITTING; ACCESS, HALF UNION TYPE, 1/4” MPT OR 5/16” OD SOLDER, 6 PER CARD |
GKT02824 | 4 | GASKET-ADAPTER,SUCTION SERVICE VALVE, NON-ASBESTOS R-123 COMPATIBLE, 0.06 THK X 2.84 OD X 2.28 ID. (PIPE SIDE) |
GKT03659 | 2 | GASKET; 0.031 X 3.22 X 2.53, CHLOROPRENE (NON-ASBESTOS) W/ANTI-STICK COATING ONE SIDE |
GKT03660 | 6 | GASKET; 0.031 X 4.16 X 3.38, CHLOROPRENE (NON-ASBESTOS) W/ANTI STICK COATING ONE SIDE |
HTR02047 | 2 | HEATER; ELECTRIC, 150W, 120V |
HTR04015 | 2 | HEATER; SUBM.OIL SEP 125W |
KIT07614 | 2 | KIT; LIQUID LINE FILTER, (R134A) INCLUDES TWO FILTER SHELL GASKETS (THROW AWAY THE INCORRECT GASKET) AND ONE FILTER CORE. |
PART-SVN216*-EN | 1 | LITERATURE; RTWD/RTUD R’NEWAL |
RNG01397 | 2 | O-RING; 0.364 ID X 0.070 RD |
RNG01412 | 2 | O-RING; 4.609 ID X 0.139 RD |
| RNG01414 | 2 | O-RING; 5.109 ID X 0.139 RD |
RNG01415 | 2 | O-RING; 6.234 ID X 0.139 RD |
| RNG01427 | 1 | O-RING; 17.455 ID X 0.275 RD |
RNG01428 | 2 | O-RING; 19.455 ID X 0.275 RD |
| RNG01441 | 2 | O-RING; 1.171 ID X 0.116 RD |
RNG01443 | 2 | O-RING; 15.955 ID X 0.275 RD |
| RNG01553 | 2 | O-RING; 0.755 ID X 0.097 RD |
RNG01697 | 2 | O-RING; 0.351ID X 0.072 RD |
| RNG01764 | 2 | RING-O; 0.924 ID X 0.116 RD |
RNG01838 | 2 | O-RING; UNIFORM SIZE #248, 4.734 ID x 0.139 RD |
| RNG01856 | 2 | O-RING; NEOPRENE, 15.475 ID X 0.275 RD |
RNG01921 | 2 | O-RING; 12.975 ID X 0.275 RD, NEOPRENE |
| RNG01922 | 3 | O-RING; 14.975 ID X 0.275 RD, NEOPRENE |
RNG01923 | 2 | O-RING; 1.475 ID X 0.118 RD, NEOPRENE |
| RNG01938 | 3 | RING; O-RING – NEOPRENE, 17.955 ID X 0.275 RD |
RNG01939 | 2 | RING; NEOPRENE O-RING, 5.484 ID X 0.139 RD |
| RNG01942 | 2 | RING; O-RING NITRILE, 1.359 ID X 0.139 RD, (USE W/R-134A & ‘POE’ OILS) UNIFORM SIZE #220 |
SWT02377 | 2 | CONTRL; HIGH PRESS CUTOUT |
| SWT03177 | 2 | SWITCH; HIGH PRESSURE CUTOUT |
— | 1 | LABEL; NAMEPLATE, SERIES R R’NEWAL (BRASS) |
Table 2. RTWD general component location
| Condenser (see Figure 1, p. 10) | |||
Graphic Callout | Part # | Unit | Quantity |
1 | RNG01441 | All unit sizes | 2 |
2 | RNG01856 SUPPLY | 080, 090, 100, 110, 120, 130, 140 | 1 |
| RNG01938 SUPPLY | 150, 160, 180, 200 | ||
| RNG01428 SUPPLY | 220, 250 | ||
3 | RNG01922 RETURN | 080, 090 | 1 |
| RNG01856 RETURN | 100, 110, 120, 130, 140 | ||
RNG01938 RETURN | 150, 160, 180, 200 | ||
| RNG01428 RETURN | 220, 250 | ||
4 | RNG01923 | All unit sizes | 2 |
| Evaporator (see Figure 2, p. 10) | |||
Graphic Callout | Part # | Unit | Quantity |
5 | RNG01922 SUPPLY | 080, 100, 110, 120, 130, 140, 150 | 1 |
| RNG01921 SUPPLY | 090 | ||
RNG01427 SUPPLY | 160, 220, 250 | ||
| RNG01443 SUPPLY | 180, 200 | ||
5 | RNG01922 RETURN | 080, 100, 110, 120, 130, 140, 150 | 1 |
| RNG01921 RETURN | 090 | ||
RNG01938 RETURN | 160, 220, 250 | ||
RNG01443 RETURN | 180, 200 | ||
| 6 | RNG01764 | All unit sizes | 2 |
7 | ADP00372 | All unit sizes | 2 |
Table 2. RTWD general component location (continued)
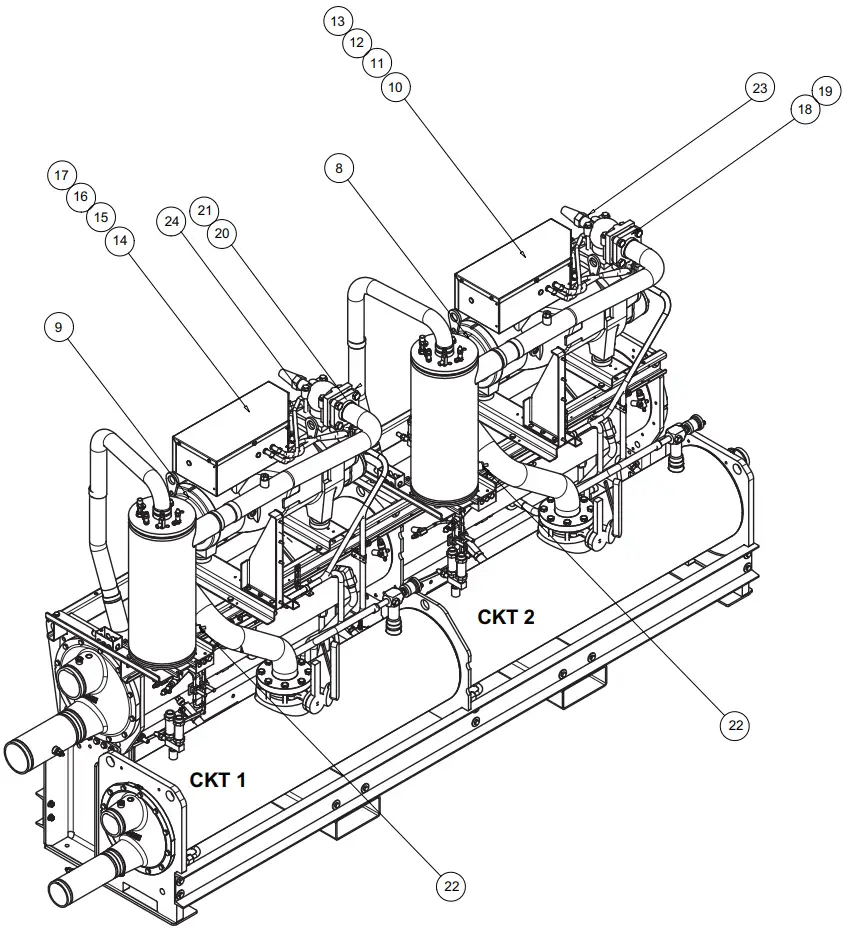
| Unit Front (see Figure 3, p. 11) | |||
Graphic Callout | Part # | Unit | Quantity |
8 | RNG01838 | 080, 090, 100 | 1 |
RNG01414 | 110, 120, 130, 140, 150, 200, 220, 250 | ||
| RNG01939 | 160, 180 | ||
9 | RNG01838 | 080, 090 | 1 |
RNG01414 | 100, 110, 120, 130, 140, 150 | ||
RNG01939 | 160, 180, 220 | ||
| RNG01415 | 200, 250 | ||
10 | COL04723 | All unit sizes | 2 |
| 11 | COL11934 | All unit sizes | 1 |
12 | SWT03177 | All unit sizes | 1 |
| 13 | HTR02047 | All unit sizes | 1 |
14 | COL04723 | All unit sizes | 2 |
| 15 | COL11934 | All unit sizes | 1 |
16 | SWT03177 | All unit sizes | 1 |
| 17 | HTR02047 | All unit sizes | 1 |
18 | GKT02824 | 080, 090 | 1 |
| GKT03660 | 100, 110, 120, 130, 140, 150, 160, 180, 200, 220, 250 | ||
19 | GKT02824 | 080, 090, 100, 160, 180, 200, 220, 250 | 1 |
| GKT03660 | 110, 120, 130, 140, 150 | ||
20 | GKT02824 | 080, 090 | 1 |
| GKT03660 | 100, 110, 120, 130, 140, 150, 160, 180, 200, 220, 250 | ||
21 | GKT02824 | 080, 090, 100, 160, 180, 200, 220, 250 | 1 |
| GKT03660 | 110, 120, 130, 140, 150 | ||
| 22 | HTR04015 | All unit sizes | 2 |
23 | GKT03659 | 080, 090 | 1 |
| GKT03660 | 100, 110, 120, 130, 140, 150, 160, 180, 200, 220, 250 | ||
24 | GKT03659 | 080, 090, 100 | 1 |
| GKT03660 | 110, 120, 130, 140, 150, 160, 180, 200, 220, 250 | ||
| Unit Back (see Figure 4, p. 12) | |||
Graphic Callout | Part # | Unit | Quantity |
25 | KIT07614 | All unit sizes | 2 |
| 26 | FTG00130 | All unit sizes | 1 |
27 | COL03780 | All unit sizes | 2 |
| 28 | COL03780 | All unit sizes | 2 |
29 | ADP00909 | All unit sizes | 2 |
| 30 | CPL00934 | All unit sizes | 2 |
Table 3. RTUD general component location
| Evaporator (see Figure 2, p. 10) | |||
Graphic Callout | Part # | Unit | Quantity |
5 | RNG01921 SUPPLY | 080, 090, 100 | 1 |
RNG01922 SUPPLY | 110, 120, 130, 140, 150 | ||
| RNG01443 SUPPLY | 160, 180, 200, 220, 250 | ||
5 | RNG01921 RETURN | 080, 090, 100 | 1 |
| RNG01922 RETURN | 110, 120, 130, 140, 150 | ||
| RNG01443 RETURN | 160, 180, 200, 220, 250 | ||
6 | RNG01764 | All unit sizes | 2 |
| 7 | ADP00372 | All unit sizes | 2 |
| Unit Front (see Figure 3, p. 11) | |||
Graphic Callout | Part # | Unit | Quantity |
8 | RNG01412 | 080, 090 | 1 |
RNG01414 | 100, 110, 120, 130, 140, 150, 160 | ||
RNG01939 | 180, 200 | ||
| RNG01415 | 220, 250 | ||
9 | RNG01412 | 080, 090 | 1 |
| RNG01414 | 100, 110, 120, 130, 140, 150, 160, 180 | ||
RNG01939 | 200, 220 | ||
| RNG01415 | 250 | ||
10 | COL04723 | All unit sizes | 2 |
| 11 | COL11934 | All unit sizes | 1 |
12 | SWT02377 | All unit sizes | 1 |
| 13 | HTR02047 | All unit sizes | 1 |
14 | COL04723 | All unit sizes | 2 |
| 15 | COL11934 | All unit sizes | 1 |
16 | SWT02377 | All unit sizes | 1 |
| 17 | HTR02047 | All unit sizes | 1 |
18 | GKT02824 | 080, 090 | 1 |
| GKT03660 | 100, 110, 120, 130, 140, 150, 160, 180, 200, 220, 250 | ||
19 | GKT02824 | 080, 090, 100 | 1 |
GKT03660 | 110, 120, 130, 140, 150, 160, 180, 200, 220, 250 | ||
20 | GKT02824 | 080, 090 | 1 |
| GKT03660 | 100, 110, 120, 130, 140, 150, 160, 180, 200, 220, 250 | ||
21 | GKT02824 | 080, 090, 100 | 1 |
| GKT03660 | 110, 120, 130, 140, 150, 160, 180, 200, 220, 250 | ||
22 | HTR04015 | All unit sizes | 2 |
23 | GKT03659 | 080, 090 | 1 |
| GKT03660 | 100, 110, 120, 130, 140, 150, 160, 180, 200, 220, 250 | ||
24 | GKT03659 | 080, 090, 100 | 1 |
| GKT03660 | 110, 120, 130, 140, 150, 160, 180, 200, 220, 250 | ||
| Unit Back (see Figure 4, p. 12) | |||
Graphic Callout | Part # | Unit | Quantity |
25 | KIT07614 | All unit sizes | 2 |
| 26 | FTG00130 | All unit sizes | 1 |
27 | COL03780 | All unit sizes | 2 |
| 28 | COL03780 | All unit sizes | 2 |
29 | ADP00909 | All unit sizes | 2 |
| 30 | CPL00934 | All unit sizes | 2 |
Figure 1. Condenser (RTWD only)

Figure 2. Evaporator (RTWD shown; RTUD is similar)

Figure 3. Unit front (RTWD shown; RTUD is similar)

Figure 4. Unit back (RTWD shown; RTUD is similar)

Trane – by Trane Technologies (NYSE: TT), a global climate innovator – creates comfortable, energy efficient indoor environments for commercial and residential applications. For more information, please visit trane.com or tranetechnologies.com
Trane has a policy of continuous product and product data improvement and reserves the right to change design and specifications without notice. We are committed to using environmentally conscious print practices
PART-SVN216B-EN 11 Feb 2022
Supersedes PART-SVN216A-EN (Feb 2014)

















