
TCAV-BHE Modular Air Cooled Chiller (Heat Pump)
User Manual
MODULAR INVERTER AIR-COOLED CHILLER (HEAT PUMP)
INSTALLATION & OPERATION MANUAL
MODULAR AIR-COOLED
CHILLER (HEAT PUMP)
TCAV-BHE
Overview
This manual is the customer’s property and should be used together with the unit. After work, put the manual back in the technical documentation bag and keep it properly.
Please read through this manual carefully before installing the air conditioning unit, and install and maintain the unit according to the manual, ensuring normal and reliable operation of the unit. Only the professional appointed by TICA can undertake the installation work of the air conditioning unit. The vendor shall not bear any responsibility if any unqualified operator installs or maintains the unit or the unit is not installed or operated according to requirements of this manual.
This manual does not cover the differences between various units or all the problems that may be met during installation, so it is impossible for it to provide instructions to all the situations that may occur during installation. If the buyer wants to get further information or meets a special problem but a detailed explanation is not provided in this manual, please contact TICA.
The prompts of “Danger”, “Warning”, and “Caution” are provided at proper parts in this manual. To ensure personal safety and normal operation of the unit, read through the content carefully and observe the related requirements.
Danger: The prompt points out the potential hazard situation. Ignoring it may lead to death or serious personal injury.
Warning: The prompt points out the potential hazard situation. Ignoring it may lead to minor or moderate personal injury. This prompt is also used for warning of unsafe activities.
Caution: The prompt points out the potential situation of equipment damage.
Ignoring it may lead to equipment damage or property loss or possible environmental pollution. It also provides useful help information, which may be good to unit operation or extension of the unit service life. However, it does not indicate that the help information is optimal or is directly related to the improvement of unit operation.
Danger
Prior to installation or maintenance, lock the unit power supply and disconnecting switch in the power-off state, avoiding personal casualties caused by electric shock or contact with a moving part. All the installation procedures of the air conditioning unit must comply with the national, provincial, and local regulations.
Warning
- Do not use unqualified refrigerant, refrigerant substitute or refrigerant additive. Incorrect using method or using unqualified refrigerant, refrigerant substitute or refrigerant additive will lead to unit damage and various safety hazards. Please select qualified refrigerant or call the 400 hotline to purchase qualified refrigerant. All the
technicians operating refrigerant must have acquired qualification certificates, and know very well and strictly observe the technical requirements, laws and regulations related to refrigerant use, handling, recovery, and recycling. - If the ambient temperature is lower than 5°C and a power failure occurs, be sure to thoroughly drain water from the unit and pipeline. If the ambient temperature is lower than 5°C, ensure that the unit is in the power-up state, the water system is fully filled with water, and the chilled water circulating pump of the air conditioner must be interlocked with the modular chiller. In this way, the modular unit can automatically control the water pump operation or heating operation, thereby implementing automatic anti-freezing protection of the air conditioning water system. The purpose is to protect facilities such as the unit and water pipeline against damage caused by
freezing of water in the pipeline of the air conditioning water system. - If the ambient temperature is higher than 5°C, especially in summer, do not drain water to prevent air flowing into the pipeline and causing internal rust and corrosion and ensure normal water pressure of the system. Check the water quality before you turn on the unit next time. If the water quality is bad, replace the water and clean the
Safety Precautions
◆ Before operating the unit, read in detail the “Safety Precautions” section.
◆ “Safety Precautions” lists all important items related to safety. To prevent electric shocks, fire and other possible injuries, be sure to bear in mind and strictly abide by the following rules:
- Install a leakage circuit breaker.
- Do not attempt to install the unit yourself. Improper installation may lead to water leakage, electric shock, or fire.
- Be sure to install the grounding wire, which cannot be connected to the gas pipe, tap water pipe, lightning arrester, etc. Improper installation of the earth line easily leads to an electric shock accident.
- Be sure to make a foundation platform before installing the unit to ensure stable operation of the unit.
- Use only the accessories specified by TICA and ask the manufacturer or authorized distributor to provide installation and technical services.
- The main controller must adopt the same power supply system together with the unit.
- The control data line must be separated from the power cord of power supply to prevent interference.
- Do not insert your fingers or other objects into the air outlet or inlet, lest you would be injured or the air conditioner would be damaged. The fan running at a high speed is very dangerous. Prevent kids from getting close to the fan.
- Do not damage the power cord or turn on/off the air conditioner by inserting/pulling out the power plug.
- Do not use water to flush the air conditioner directly; otherwise, electric shock or other accidents are easily caused.
- Ensure smooth air inlet and outlet of the air conditioner.
- Do not turn on/off the air conditioner frequently; otherwise the air conditioner may be damaged due to frequent startup.
- If the ambient temperature is lower than 5°C and a power failure occurs, be sure to thoroughly drain water from the unit and pipeline. If the ambient temperature is lower than 5°C, ensure that the unit is in the power-up state, the water system is fully filled with water, and the chilled water circulating pump of the air conditioner must be interlocked with the modular chiller. In this way, the modular unit can automatically control the water pump operation or heating operation, thereby implementing automatic anti-freezing protection of the air conditioning water system. The purpose is to protect facilities such as the unit and water pipeline against damage caused by freezing of water in the pipeline of the air conditioning water system.
- If the ambient temperature is higher than 5°C, especially in summer, do not drain water to prevent air flowing into the pipeline and causing internal rust and corrosion and ensure normal water pressure of the system. Check the water quality before you turn on the unit next time. If the water quality is bad, replace the water and clean the filter.
- If the unit will be used again after stop for a long term, first connect the power supply for the unit for preheating for 24 h.
The user cannot try to repair the unit independently. Improper repair may lead to an operation failure or burnout of the unit. To have the unit repaired, the user needs to contact the local branch or authorized maintenance service provider. - Ensure the unit is installed in an open, dry, and ventilated space without corrosion. Do not install the unit under trees or in dusty environment.
Caution
When charging or adding refrigerant to the unit, make sure that the charging amount and refrigerant type are consistent with the information on the unit nameplate. A refrigerant charging mistake may lead to a unit fault or other potential safety hazards.
Acid, alkali, salt spray and other corrosive gases will damage the unit casing, pipeline or electrical components. The unit installation position must be far away from the site with corrosive gases.
The circulating water pump of the water system must be interlocked with the main control board of the unit. Otherwise, commissioning and acceptance cannot be performed. TICA will not bear any responsibilities for the incurred damage of the water-side heat exchanger and other accidents.
Unit Description
Scope of Application, Purposes and Characteristics
The modular Inverter air-cooled chiller (heat pump) uses the innovative inverter technology and modular design. The entire unit is composed of one or more modules, each of which consists of one or two independent cooling systems. The electric controllers of modules are independent of each other and modules are connected through communication cables to form a control network.
Modular inverter air-cooled chillers (heat pumps) can be widely applied in new and restructured Industrial and civil construction projects, such as hotels, shopping malls, office buildings, entertainment centers, theaters, stadiums, plants, hospitals, high-grade apartments, and industrial cooling sites. Modular air-cooled chillers (heat pumps) do not need dedicated equipment rooms and cooling towers, and therefore, they become the optimal choice for Central Business Districts (CBDs) and water-stressed regions.
The unit has the following features:
High efficiency, energy saving, and reliable performance
The unit uses efficient DC Inverter scroll compressors and world famous excellent cooling parts, to ensure the maximum energy efficiency of the unit. The modular combination design allows the unit to automatically regulate in the case of partial loading, thereby achieving energy-efficient operation.
High-precision EXVs for throttling
The unit uses Electronic Expansion Valves (EXVs) as fine and adaptive control components for refrigerants, to implement dynamic matching between the refrigerant and compressor for the cooling system. This fully improves the optimum efficiency of every component in the system and ensures the best operation pressure and temperature for the system.
Support for connection to the building automation system
The unit is equipped with RS485 interfaces for connecting to the centralized building control system. It can be integrated into the centralized building control system via legitimate protocols, to implement building automation.
Convenient installation
The compact air-cooled heat pump modular machine can be placed on roofs, spacious balconies, and other appropriate open spaces, which saves installation space. In addition, cooling towers, cooling water pumps, boilers, and relevant pipes are not required, making the installation of the entire central air conditioner easier.
Intelligent defrosting
The unit automatically determines the optimal defrosting time based on the ambient temperature and actual operation parameters, to prevent frost residue or frequent defrosting.
In addition, intelligent defrosting can prevent air conditioning effect from being affected by large water supply temperature fluctuation during unit defrosting.
Multi-protection design
The modular design allows starting the unit in a low-frequency way, reducing the impact of the startup current on the power grid.
The unit is equipped with multiple types of protection, including compressor overload protection, water shortage protection, system overpressure protection, system under-pressure protection, compressor exhaust over-temperature protection, frequent unit startup protection, external interlock protection, water outlet under- temperature protection, and automatic winter anti-freezing protection.
Microcomputer control system
The microcomputer control system uses microcomputer centralized control to implement combined installation and control of multiple modular units. A single controller can control a maximum of 16 units, making the unit operation and management more convenient. The microcomputer control system has the following functions:
- Timed power-on/off, which allows setting the weekends and three holiday time periods for the unit operation.
- Automatic fault judgment, handling, and alarm display.
- Operation and control of auxiliary electric heaters for heat pump units in winter.
- Intelligent defrosting control and intelligent anti-freezing operation control.
- Fuzzy control and balanced operation of compressors to implement optimal load matching.
- Password protection permissions for parameter settings.
- Fan coil unit interlock control function.
Wide Operation Range
The unit can run at an ambient temperature as high as 55°C in cooling/heating, at an ambient temperature as low as -20°C in cooling mode, and at an ambient temperature as low as -26°C in heating mode. The temperature range of the unit is wider.
Standard Compliance
This unit complies with the national product standard.
GB/T 18430.1 Water Chilling (Heat Pump) Packages Using the Vapor Compression Cycle —
Part 1: Water Chilling (Heat Pump) Packages for Industrial & Commercial and Similar Application
GB/T 18430.2 Water Chilling (Heat Pump) Packages Using the Vapor Compression Cycle —
Part 2: Water Chilling (Heat Pump) Packages for Household and Similar Application GB/T 25127.1 Low Ambient Temperature Air Source Heat Pump (Water Chilling) Packages
— Part 1: Heat Pump (Water Chilling) Packages for Industrial & Commercial and Similar
Application
Note: Only TCAV130BHE refer to GB/T25127.1
Specifications
- Nomenclature

- Technical Specifications
Note: The performance parameters on the unit nameplate shall prevail if the following performance parameters differ from those on the nameplate.
(1) Performance parameter list of standard process model
| Model | TCAV035BHE | TCAV065BHE | TCAV130BHE | ||
| Nominal cooling | Cooling capacity | kW | 34. | 65.0 | 130.0 |
| Power consumption | kW | 12.0 | 21. | 42. | |
| COP | WAN | 3. | 3. | 3. | |
| IPLV | WAN | 4.60 | 5. | 5. | |
| Nominal heating 1 | Heating capacity | kW | 24.0 | 48.0 | 96.0 |
| Heating power | kW | 10. | 21. | 42. | |
| COP | WAN | 2.30 | 2. | 2. | |
| IPLV | WAN | 3.20 | 3.10 | 3.10 | |
| Nominal heating 2 | Heating capacity | kW | 34.0 | 75.0 | 150.0 |
| Heating power | kW | 11. | 23. | 45.0 | |
| COP | WAN | 3. | 3.20 | 3. | |
| Power supply | – | 380 V 3N-50 Hz | |||
| Water flow | m3/h | 6. | 11. | 22. | |
| Water resistance | kPa | 30 | 45 | 45 | |
| Water inlet and outlet pipe | – | DN40 external thread | DN65 flange | DN65 flange | |
| connection type | connection | connection | connection | ||
| Operating mode | Automatic operation controlled by microcomputers | ||||
| Compressor | Type | Scroll type DC inverter EVI | |||
| Qty | Set | 1 | 1 | 2 | |
| Fan | Type | DC low-noise axial flow fan | |||
| Air flow | m3/h | 13000 | 26000 | 47000 | |
| Qty | Set | 1 | 2 | 2 | |
| Refrigerant | Type | R410A | |||
| IP rating | IPX4, and applies to outdoor applications | ||||
| Dimensions (Length * Width * Height) | mm | 1170x846x1694 | 2000x950x2020 | 2250x1150x2260 | |
| Weight | Net Weight | kg | 285 | 600 | 960 |
| Operating weight | 300 | 660 | 1060 | ||
| Maximum total power | kW | 20 | 32. | 63 | |
| Maximum operating current | A | 31. | 50 | 100 | |
Notes:
- The nominal cooling capacity and nominal cooling input power are tested at the rated water flow, water outlet temperature of 7°C, and outdoor dry-bulb temperature of 35°C. The nominal heating 1 capacity and nominal heating 1 input power are tested at the rated water flow, water outlet temperature of 41°C, outdoor dry-bulb temperature of -12°C or outdoor web-bulb temperature of -14°C. The nominal heating 2 capacity and nominal heating 2 input power are tested at the rated water flow, water outlet temperature of 45°C, outdoor dry-bulb temperature of 7°C or outdoor web-bulb temperature of 6°C.
- About 6% loss caused by system pipelines, water pumps, valves, and dirt after unit installation shall be considered for the cooling (heating) capacity in actual applications.
- The specifications are subject to change due to product improvement without prior notice.
- The specifications above are based on a single module. Multiple modules can be used in combination. A maximum of 16 modules can be combined.
Structure Diagrams
TCAV035BHE

TCVA065BHE
TCVA130BHE 
Unit Installation
Key Points for Installation
Acceptance
After receiving units, a customer shall carefully check whether the unit casings and internal components are in good condition. If a unit is damaged, record it in the delivery note and notify the carrier and local TICA sales office of the damage in written form within three days. Check whether the power supply for the unit is consistent with the information specified in the nameplates of the unit compressor, fan motor, and 4-way valve, and other components, and check whether information on the unit nameplates is correct. Ensure that the maximum voltage deviation of the power supply cannot exceed ±10%.
Handling
Use a forklift or crane with appropriate tonnage to handle units. Use canvas ropes for the handling, wind the canvas ropes around the unit bottom, and tighten the ropes.
For the external dimensions and weight of the unit, see the technical parameter lists.
Installation position
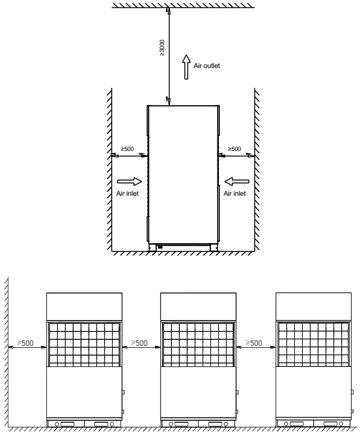
The unit can be installed on the ground or roof with prefabricated unit foundation, dedicated platform, or other places convenient for the unit installation and capable of bearing the unit operation weight. Be sure to pay attention to the following requirements:
A: Keep the unit more than 1.8 m away from surrounding objects, and ensure proper ventilation conditions for the unit.
B: When units are placed side by side for more than 2 rows, keep a distance more than 3.0 m between the two rows of units to ensure excellent heat transfer effect.
C: Install the units close to the main power supply, to prevent unit startup exception caused by excessive voltage drop when the main power cable is too long.
D: Construct drains around the unit beforehand and take account of the unit drainage in winter.
E: Install the units away from residential areas to avoid noise disturbing users and residents during unit operation.
Caution
Acid, alkali, salt spray and other corrosive gases will damage the unit casing, pipeline or electrical components. The unit installation position must be far away from the site with corrosive gases.
Installation Diagrams
(1) Installation Foundation Diagrams
The unit can be directly placed on a base with drains reserved around. The base can be pre-casted using cement. The unit can be supported by a bracket made of angle steel, with shockproof rubber pads. It can be also placed on the ground or flat roof. The base surface must be flat and horizontal.
Installation Foundation Diagrams for Modular Combinations:
Installation Spacing | |||
| Model | L | m | n |
| TCAV035BHE | 1170 | ≥ 500 | 850 |
| TCAV065BHE | 2000 | ≥ 500 | 950 |
| TCAV130BHE | 2250 | ≥ 500 | 1150 |
TCAV035BHE Installation Foundation Diagrams

TCAV065/130BHE Installation Foundation Diagrams

Notes:
a. a indicates the number of modules of different models. For the values of m and n, see the table in the installation foundation diagrams.
b. The foundation is made of reinforced concrete or channel steel frame, and is capable of bearing the weight of no less than 500 kg/m².
c. Use rubber damping pads or shock absorbers with the thickness not smaller than 20 mm between the unit base and the foundation.
d. Use M10 bolts to fasten the unit to the foundation.
e. The foundation surface must be flat and horizontal and drains need to be reserved around the foundation.
f. For I-steel foundation, use stand columns to elevate the drainage; for reinforced concrete foundation, build foundations separately for each unit. Drainage should also be separated. In snowy or frozen places, the foundation should be elevated and drainage capacity should be increased. For details, see anti-freezing measures described in the instructions.
(2) Installation Space Diagrams
Installation Space Diagrams for Modular Combinations:
| Installation Spacing | ||
| Model | m | n |
| TCAV035BHE | ≥ 500 | 850 |
| TCAV065BHE | ≥ 500 | 950 |
| TCAV130BHE | ≥ 500 | 1150 |


Notes:
a. The installation space of the unit must meet relevant dimension requirements for the ease of overhaul and maintenance.
b. The diameters of the main water inlet and outlet pipes of the unit must be verified by professionals with a reference to the recommended pipe diameters in the manual.
c. Keep a certain distance between the main water inlet and outlet main pipes of the unit and the unit for the ease of installation and maintenance.
d. Install sewage valves and drain valves at the lowest positions of the main water inlet and outlet pipes. Reserve drains around the unit.
(3) Monsoon safety awareness
For regions with strong monsoon, if the air-side heat exchanger is installed facing the direction of the monsoon, install the monsoon shield according to the following requirements to prevent the strong natural wind from affecting the air flow of the unit, and shield the heat exchanger from snow.
(4) Snow protection and anti-freezing measures in cold regions
It often snows in winter in some regions. Therefore, the air-side heat exchanger and air outlet of the unit should be protected against snow. At the same time, in the freezing and snowy regions, the installation height of the unit needs to be increased according to the snow amount or the condensate freezing thickness.
Snow Cover Installation Diagram
Installation diagram of accumulated snow-proof regions or cold regions which are prone to freeze:
Caution
Anti-freezing and ice-melting engineering installation for heating unit used in North:
A: For the unit to be used for northern heating, foundation must be prepared and cannot be made into a platform. The bottom channel steel of the unit must be supported at a height at least 1 m. The foundation of each unit must be independent to facilitate drainage. Never connect the supports of a row of units together.
B: It is not recommended to install more than two rows of units. Otherwise, the ambient temperature of the units located in the middle position will be 5°C lower than the actual temperature, which affects unit cooling and draining. Water may be frozen during flowing.
C: According to unit drainage and lower-part freezing, it is recommended to clean the lower part of the unit periodically. The cleaning methods include melting, manual defrosting, and defrosting by salt.
D: It is recommended to install snow melting line on the floor of the lower part of the unit to avoid water freezing when the temperature is too low. The special snow melting line with auto temperature regulating function is recommended. As the temperature drops, the heating volume of the line increases. When the temperature rises, the power reduces.
- Ambient temperature drop = Output power rise
When the ambient temperature drops, the auto regulating heating cable outputs more heat. The polymer core of the cable has micro contraction, generating a great number of conductive paths that are composed of carbon atoms. - Ambient temperature rise = Output power drop
When the ambient temperature rises, the auto regulating heating cable reduces the heat output.
The polymer core of the cable has micro expansion, reducing the number of conductive paths. - Ambient temperature rise = 0 output power
When the ambient temperature rises high, the auto regulating heating cable has output power approximating zero. The polymer core of the cable has the maximum micro expansion, disconnecting almost all conductive paths.
Unit Installation
Caution
After a unit is delivered from the factory to the installation site, keep the proper package before hoisting. Pay attention to the following points during hoisting:
A: Handle the unit with care and keep the unit upright.
B: Prevent sliding caused by collision with other objects. No person is allowed to stand below or near the unit for the sake of safety. Select the round steel, rope, and crane based on the weight of the unit.
C: Use protection pads in places where steel ropes contact the unit, to prevent scratches or unit deformation. In addition, use supports between ropes to prevent the tightened ropes from damaging the unit.

Installation of the Water System
Refer to the following specifications for the diameters of the main water inlet and outlet pipes of the unit:
| Cooling capacity (refrigeration ton) | 20 – 40 | 50 – 60 | 80 – 160 | 160 – 240 | 240 – 500 | 500 – 800 |
| Water pipe diameter DN (mm) | 80 | 100 | 125 | 150 | 200 | 250 |
Unit Pipe Schematic Diagram
Notes:
- a. The figure shows the installation of the water system. The installation is subject to the construction drawings of the design institute.
b. Water flow switches have been installed inside the unit and they do not need to be installed on site.
c. The water system of the unit shall ensure that water flow is evenly distributed between units.
d. The water flow of the unit shall not be smaller than the value specified on the nameplate at any time as long as the unit is running. The water flow needs to be ensured in transition seasons. The condensation temperature is low and the cooling effect is good in transition seasons, and therefore, the water flow of the unit shall be fully ensured, to prevent frequent startup and shutdown of the unit due to water outlet under-temperature.
The water flow should be within the range of 90% to 110% of the value specified on the nameplate.
e. Space must be reserved between modular units to ensure smooth ventilation. - Precautions for Construction of the Water System
a. Complete piping for the water system as per the method described in this manual, and correctly carry out the construction according to the water heating pipe construction standard.
b. Determine the diameters of trunk pipes based on pipe sizes, water flow, and cooling capacity of the unit.
c. It is recommended to connect indoor air-side devices in reversed backwater (direct turn connection if two or more units are used) manner, to ensure even distribution of water.
d. A Y-type water filter must be installed at the water inlet of the plate type unit, to prevent dirt in the water system from clogging the water-side heat exchanger. Pay attention to the flow direction during installation. Check valves must be installed at both ends of the Y-type water filter so that the filter can be dismounted for cleaning. For shell-and-tube units, a Y-type water filter needs to be installed only on the main water inlet pipeline of the unit.
e. Install a thermometer and a pressure gauge on the water inlet and outlet pipes of the unit so as to check the operation status of the unit conveniently.
f. Install a water flow regulating valve on each water outlet branch pipe of the unit, to regulate the flow of water entering each unit to be consistent.g. Install drain valves on the water inlet and outlet pipes of the unit. With the drain valves, water inside the unit can be drained away when the unit is not used for long in winter, thereby preventing water from freezing in the water-side heat exchanger and water pump and damaging the unit.
h. Install water pipes horizontally or vertically. No leakage is allowed on pipelines and connection parts, and the thermal insulation effect should be good. Install an air discharge valve and a filling expansion water tank (open-type water tank) at the highest position of pipes, and install a pressure relief valve on the water outlet side of the water pump.
i. Keep a certain slope when installing horizontal pipes so that air can be discharged smoothly.
j. Avoid air in the system pipeline in the piping design and construction. Install automatic air discharge valves at the highest positions of water supply and return pipes, so as to discharge air in the system.
k. Water pumps must be selected based on the flow and the required head. The water pump is generally installed on the main water inlet pipe of the unit. When the outlet pressure of the water pump is greater than 0.8 MP, it is recommended to install the water pump on the main water outlet pipe to prevent high pressure from damaging the unit.
l. The automatic differential pressure regulator can make the entire system work more stably.
m. Manifold is used to distribute water flow of branch pipes more properly.
n. Water supply valves and check valves must be installed indoor, lest water supply pipes and valves will crack due to water freezing in winter.
o. The indoor unit and pipeline system should be designed and installed by professionals based on the actual pipeline direction of buildings in accordance with relevant technical specifications. Avoid “U-shaped” bending and “n-shaped” bending. Otherwise, poor air discharge may be incurred and water resistance may be increased, causing air clogging.
p. If an auxiliary heat source such as an auxiliary electric heater is used, install it on the main water outlet pipe of the unit.
q. To ensure water resistance balance, install the water system of the unit in direct return manner.
r. After the water system is installed, test the water pressure for leakage and drain sewage in accordance with the HVAC installation specifications. Clean water filters to ensure cleanness inside pipes of the system and no rust dirt inside. Otherwise, the pipeline, water-side heat exchanger, and water pumps may be clogged, causing the unit damage.
s. Filters must be installed for the water system and periodically cleaned. It is recommended to set a waterway to clean the bypass pipeline at the inlet/outlet of the shell- and-tube heat exchanger. During pipeline cleaning, the pipeline must be disconnected from the heat exchanger to prevent inflow of the impurities and particles.
During engineering debugging, use filters with 100 meshes, and replace them with filters with 16 to 20 meshes after engineering debugging is completed.
t. During engineering device installation, water system protection measures vary with the water quality in different regions, including adding corrosive inhibiter and softened water facilities.
u. If installed devices are not equipped with water flow line, keep the heat exchanger shell dry. If they are equipped with water flow line but cannot be put into operation immediately, fill water into the shell and tube without air.
Warning
Water filters need to be cleaned periodically, lest water-side heat exchanger may be clogged, causing severe damage of the unit.
Caution
Install an energy storage water tank on the main return water pipe of the unit and calculate the water volume as per the method described in this manual. The energy storage water tank is used to adjust the capacity of the unit, reduce frequent compressor startup and shutdown due to load changes of the air-conditioning system, improve the operation efficiency of the system, and prolong the service life of the unit. After the water system is installed, the main water outlet temperature sensing probe of the unit must be installed on the main water outlet pipe of the unit, so as to accurately sense changes in the water temperature of the unit and control the normal operation of the unit. In order to make the water temperature sensing probe accurately detect the water outlet temperature, it is required to open a blind hole on the main water outlet pipe, and then insert the temperature sensing probe into the blind hole. Otherwise, the unit may malfunction. - Water Quality Requirements
To avoid corrosion and water system clogging, ensure that the water system meets the following requirements:Water Quality Standards Item Cold and hot water system (user side)
Trend
Circulated water Refilled water Corrosion Fouling pH (25°C) 7.5-8.5 7.5-8.5 0 0 Turbidity NTU ≤10 ≤3 0 0 Electric conductivity (25°C) μS/cm ≤400 ≤300 0 0 CL- mg/L ≤30 ≤30 0 SO42- mg/L ≤50 ≤50 0 Total Fe amount mg/L ≤1.0 ≤0.3 0 0 Calcium hardness (calculated with CaCO3) mg/L ≤50 ≤50 0 Total alkalinity (calculated with CaCO3) mg/L ≤70 ≤70 0 Dissolved oxygen mg/L ≤0.1 – 0 Organic phosphorus (calculated with P) mg/L ≤0.5 – 0 0 For the specific requirements for water quality, see the GB/T 29044 Water Quality for Heating and Air Conditioning Systems and enterprise standards in the industry. The water quality should be inspected before water is injected into the heat exchanger of the unit. If the water quality does not meet the requirements of air-conditioning water, water treatment is required. For the water treatment, see the Code for Design of Industrial Recirculating Cooling Water Treatment or other relevant standards. TICA will not bear any liabilities for the unit damage caused by water quality problems or improper processing of water quality.
- Pressure Testing and Flushinga. The strength test pressure of the whole metal pipe network water system should be 1.5 times the design work pressure, but should not be smaller than 0.6 MPa. After the pressure is maintained for 10 minutes, the pressure drop is not greater than 0.02 MP and no leakage, deformation, and other abnormal phenomenon occur. The pressure for the air tightness test should be the design work pressure, and no leakage occurs after the pressure is kept for 60 minutes. (Note that the pressure at the lowest point shall not exceed the bearing pressure of its components).
b. The water pressure test shall not be carried out when the atmospheric temperature is below 5°C. The pressure gauge for the testing should be qualified, the accuracy is not lower than Level 1.5, and the full-scale value is 1.5-2.0 times of the maximum measured pressure.
c. Water is added from the lower part of the system and air is discharged from the upper part. During the pressure test, add water slowly and evenly to reach the pressure, stop the pump, and check the system. Repair cannot be performed when there is pressure in the system.
d. After the water system passes the pressure testing, flush the water pipeline repeatedly (ensure that the water does not pass through the chiller and air-side devices of the air-conditioning system) till no silt, iron rust, and other impurities are drained from the water system and water is not turbid.
e. After the pressure testing and flushing, clean the water filter installed on the main water inlet pipe and filters at the water pump inlets, disassemble the water-side service panel of the chiller, and clean water filters provided with the water inlet branch pipes of the unit.
Install the service panel and check for leakage after cleaning. - Installation of the Energy Storage Water Tank
In order to ensure the control accuracy and stability of water outlet temperature as well as safe operation of the unit, the system must be equipped with a water tank with the minimum volume. The water tank can prevent frequent load increase/decrease of internal compressors in the unit and prolong the service life of the unit. The controller limits frequent unit startup and shutdown to prevent compressor damage. A compressor cannot be started for more than six times one hour.
The minimum water volume of the system can be approximated to 10 L/kW (that is, the minimum water volume of the system is 1 m3 when the cooling capacity of the unit is 100 kW, and the water volume of the system should be at least 3 m3 for medical purification and other technological air conditioning sites). The size of the energy storage water tank is determined based on the difference between the calculated minimum water volume and the actual water In order to meet the water volume requirements above, one energy storage tank needs to be added for general sites, and baffle plates need to be installed in the water tank, to prevent short water flow. The figure below shows the general installation of baffle plates.
Caution
For occasions with a small water capacity, an energy storage water tank must be installed to ensure stable operation of the unit. Otherwise, the unit may be damaged due to water temperature too high or too low. - Installation of Water Flow Switches
A water flow switch is 1 inch in size with external thread. Water flow switches must be upright and installed in straight pipe section. The length of the straight pipe section before and after a water flow switch must be greater than 5 times the pipe diameter. (For detailed installation method, see the manual delivered with the water flow switch.) The water flow switch of the air-cooled chiller (heat pump) must be installed on the water outlet pipeline of each unit, to ensure sufficient water circulation during the normal operation of the unit, thereby preventing the damage of the water-side heat exchanger due to insufficient water flow or no water during unit operation.
As shown in the figure on the right side, a water flow switch is composed of a water flow switch controller 1, a diaphragm 4, a water flow switch connector 2, and a short tube 3. When water passes through the water flow switch, the water flow strikes the diaphragm, which drives the water flow switch to close, thereby making the circuit close. When there is no water flow or the water flow is very low, the circuit will be disconnected to protect the unit.
The figure below shows the installation method of the water flow switch and flow direction plates.
- Installation of Air Discharge Valves
Automatic air discharge valves are used to discharge air out of the water system so that the unit works properly. An air discharge valve is installed at the highest position of the system and air discharge valves also need to be installed at high positions of some sections. Air discharge valves aims at discharging air in the system if any. - Installation of the Expansion Water Tank
The expansion water tank aims at adapting the unit to the change of the water volume caused by temperature changes, stabilizing the system pressure, and supplementing water into the system. The expansion water tank is generally installed on the low-pressure pipe (suction side of the water pump) at a height about 3 m higher than the highest position of the water pipeline, to ensure positive pressure of the pump suction inlet and make the unit work properly. The expansion water tank should be insulated against freezing caused by low ambient temperature in winter, lest it fails to function properly. Its capacity is calculated according to the following formula: Volume of the expansion water tank: V = (0.03~0.034) Vic Where, Vic indicates the water volume of the system. - Installation of Water Pipelines
Water inlet and outlet collection pipes of the unit:
For the distance between water inlet and outlet collection pipes and the unit as well as the opening size, see the unit layout. Pierce openings at the water inlet and outlet of each module, weld the DN65 or DN80 water pipes, reserve threaded or flanged interfaces between the water pipes and the unit connection end so that the unit and water pipes are connected in soft connection way. After all pipelines are installed, perform the pressure test and then conduct thermal insulation.
The dotted-line frame indicates customer selected functions. See the following table for the BOM details of a unit.
| S/N | Name | Size | Qty | Remarks | |
| 1 | Flange gasket | TCAV065/130 | DN65 δ ≥ 5 mm | 2 | Chloroprene rubber GB/T 14647 |
| 2 | Bolt | M16*70 | 8 | GB/T 5781 | |
| 3 | Nut | M16 | 8 | GB/T 6170 | |
| 4 | Cushion | 16 | 8 | GB/T97.1 | |
Caution
A manual gate valve for adjusting the water flow needs to be installed on the water inlet pipe of each module to ensure even water flow distribution during water pipe installation. A drainage hole needs to be installed at the lower part of the water outlet pipe of each module to facilitate water drainage in winter.
Other pipes:
The pipeline installation directly affects the use effect of air-conditioning units. Only qualified installation team is allowed to install pipelines and the installation must comply with industrial standards. The following are some suggestions on pipeline installation:
a. Water pipelines should be installed based on the hoisting height of air-side devices as well as the height of beam bottom. The installation height determines the pipeline elevation and arrangement. Pipelines can be arranged in parallel or in staggered manner. Staggered arrangement is allowed if the condition permits.
b. Pipes are generally fastened using supports or hangers. For the form and fastening method of supports and hangers, see the national installation standard atlas. Pipes should be isolated from supports and hangers via wood or other insulation materials based on the on-site conditions, to prevent the occurrence of cold bridge. The table below lists the reference spacing for supports and hangers.
| Diameter mm | < DN25 | DN25~DN32 | DN40~DN50 | DN70~DN80 |
| Spacing m | 2.0 | 2.5 | 3.0 | 4.0 |
c. Maintain the slope of 1/1000 to 3/1000 regardless of the pipeline arrangement. The sloped pipe installation is conducive to the air discharge via the end of pipelines. The
spacing between two pipes should be basically the same and the insulation distance should be reserved, to ensure pipes are horizontally flat and vertically upright. Prevent “U-shaped” bending and “n-shaped” bending. Otherwise, clogging may occur in some areas, resulting in poor air discharge and affecting circulating operation of the water system.
d. Maintain the slope of 0.5% to 1% in the arrangement of condensate drain pipes. Do not elevate the condensate drain pipes regardless of the hoisting elevation of air-side devices and whether pipelines are wound around the beam. Observe the nearby drainage principle, determine the water drainage point, shorten the pipeline as much as possible, reduce the pipeline decline caused by slope, and raise the ceiling height. Strict thermal insulation is required for condensate pipes.
e. Air discharge valves on pipelines need to be set based on on-site environment. They are generally set at the end of horizontal pipeline (long pipeline), upper position of stand pipes, and elevated position of some areas, to ensure smooth air discharge of the pipeline system.
f. It is recommended to set a bypass valve for each layer of the multi-layer air-conditioning pipeline, to regulate the water flow. A drainage valve needs to be set at the lowest point of the pipeline to facilitate system overhaul and water drainage when the unit is not used in winter, thereby preventing water pipe damage caused by frosting.
g. An open expansion water tank is recommended. The water tank should be installed about 3 m higher than the highest point of the system, and the interface of the water tank needs to be connected to the return water pipe close to the water pump (an air discharge valve is also required for the expansion water tank).
(10) Pipe Diameter
Caution
The pipe diameter affects the system operation resistance at the same flow rate. Choose pipes with a larger diameter when the condition permits, to reduce the system operation resistance and pump head.
The following table lists the recommended ideal diameter design values for reference.
Ideal flow rate of water in pipes (m/s)
| Position | Water Pump Outlet | Water Pump Inlet | Main Pipe | Stand Pipe | Branch Pipe |
| Flow rate | 2.4 – 3.6 | 1.2 – 2.1 | 1.2 – 4.5 | 0.9 – 3.0 | 1.5 – 2.1 |
Maximum flow rate of water in pipes (m/s)
| Annual Running Hours | 1500 | 2000 | 3000 | 4000 | 5000 |
| Flow rate | 4.6 | 4.3 | 4.0 | 3.7 | 3.0 |
Water flow and resistance loss per unit length
| Pipe diameter DNA | 15 | 20 | 25 | 32 | 40 | 50 | 70 | 80 | 100 | 125 |
| Flow L/s | 0 – 0.14 | 0.12 – 0.32 | 0.22 – 0.60 | 0.46 – 1.2 | 0.7 – 1.8 | 1.4 – 3.6 | 2.2 – 6 | 4 – 11 | 8 – 22 | 15 – 18 |
| Loss kPa/100m | 0 – 60 | 10 – 60 | 10 – 60 | 10 – 60 | 10 – 60 | 10 – 60 | 10 – 60 | 10 – 60 | 10 – 60 | 10 – 60 |
The table below lists the pipe diameter and required number of air-side devices (Fan Coil Units (FCUs)). The data is based on the FCU of TCR300-TCR600. Use the lower limit when the size of the FCU is large, and use the upper limit when the size of the FCU is small. For other air-side devices, determine the water pipe diameter based on the actual water flow. A bypass valve must be installed when a 2-way valve is installed for FCUs, and the bypass valve needs to be interlocked with the 2-way valve. The purpose is to ensure that the bypass valve is open when the 2-way valve is closed, so as to prevent uneven water resistance and water flow.
| Pipe diameter DNA | 15 | 20 | 25 | 32 | 40 | 50 | 70 | 80 |
| Number of FCUs | 1 | 1 – 2 | 3 – 5 | 6 – 8 | 9 – 13 | 14 – 20 | 21 – 28 | 29 – 38 |
Caution
When 2-way valves are installed for air-side devices but no interlock bypass valve is installed, the number of installed 2-way valves cannot exceed 50% of the total number of air-side devices. The purpose is to prevent an excessive number of closed 2-way valves under partial load operating conditions. Otherwise, the water resistance is too large, the pump is overloaded and damaged, and the unit cannot work properly.
(11) Selection of Other Components of the Water System
A. Check valve: Determine the valve based on the water pipe diameter. The diameter of the valve connection pipe is generally the same as that of the water pipe.
B. Water filter:
A water filter is used to filter out impurities in the water system and prevent damage of the water-side heat exchanger. A water filter with denser meshes delivers a better filtering effect.
16-20 meshes are recommended.
C. Check valve:
A check valve is used to prevent water backflow from damaging water pumps. The valve caliber is the same as the diameter of the inlet and outlet of water pumps.
D. Bypass valve for air-side devices:
A bypass valve for air-side devices is used to interlock with indoor FCU 2-way valves. 2-way valves are used to adjust the water flow of the indoor FCU, and excessive chilled water flows out through the bypass valve, to prevent the evaporator damage when the total water flow is reduced because the 2-way valve is turned down.
E. Differential pressure bypass valve:
If the number of 2-way valves used for air-side devices exceeds 50% of the number of air-side devices and interlock bypass valves are not used, automatic differential pressure bypass control valves need to be installed on the main water supply and return pipes, and bypass water should first flow through the energy storage water tank and then to the unit. In this way, low-temperature water will not enter the unit and damage the evaporator.
5. Electrical Installation
(1) Power Supply and Electric Parameters of the Unit
The minimum starting voltage of the unit must be kept above 90% of the rated voltage, the voltage must be within ±10% of the rated voltage range during operation, and the voltage difference between the phases should be within the range of ±2%.
An adverse impact will be caused to the unit when the voltage is too high or too low. If the voltage is unstable, excessive current will be generated at the moment when the unit starts for operation. Consequently, the unit cannot start.
The distance (i.e., the voltage drop) between the chiller installation position and the power distribution cabinet and the current size should be considered for the conducting wire diameter. Then, decide the power distribution line path and the main switch capacity to ensure normal operation of the unit.
Caution
The main controller must adopt the same power supply system together with the unit.
It is recommended to determine the diameter of the power input wire of the unit as per the table below:
| Model | Maximum operating current (A) | Minimum cross-sectional area of power wire (mm2) | Circuit breaker capacity (A) | Communication connecting wire (RVVP) | Copper bar size (A x B) | ||
| Phase line | Neutral line | GND | |||||
| TCAV035 | 30.5 | 10 | 10 | 10 | 40 | The standard wire for connecting the chiller and the remote controller is 30 m long. | The cross-sectional area of the copper bar (A x B) shall not be smaller than the square of the main power wire. |
| TCAV065 | 50 | 16 | 16 | 16 | 63 | ||
| TCAV130 | 100 | 50 | 25 | 25 | 125 | ||
Notes:
a. The above circuit breaker and power cord is based on the unit (air conditioner)’s maximum power (maximum current).
b. The power cord specifications listed in the table are based on the ambient temperature of 30°C in the air, 20°C on the ground and multi-core PVC cable with working temperature 70°C when it is arranged in the cable tray in an exposed manner (GB/T 16895.15-2002, Table 52-C3). The power cord specifications may be subject to adjustment in light of the national standards depending on the conditions of use.
c. The circuit breaker specifications listed in the table are based on the ambient temperature of 30°C when the circuit breaker is working. The circuit breaker specifications may be subject to adjustment in light of the circuit breaker specifications document depending on the conditions of use.
d. Current carrying capacity in the table is calculated based on the case that the wire length is less than 20 meters, and it should be adjusted according to the corresponding national standards based on the actual wire length.
(2) Electrical Wiring for the Unit
The figure below uses three units an example to illustrate the on-site installation and power distribution. Other units can use the similar method.
Notes:
a. The standard unit power is 380 V 3N~ 50 Hz.
b. Q0 and Q1/Q2/Q3 are air switches and type D air switches are recommended.
c. Q0 and (Q1/Q2/Q3) must be selected together.
d. Consider water pumps and other loads during installation, and select air switches, power wires, and copper bars based on actual situation.
e. Copper bars are installed vertically. See the copper bar installation diagram.
f. Copper bars are not required for less than two modules.
g. The electric wiring diagram is recommended by the manufacturer. Components shown in the figure are provided on site and are not provided at delivery.
Warning
To ensure personal safety, connect ground wires for the unit in accordance with the electrical regulations.
The unit uses scroll cooling compressors. It is forbidden to run the compressors in reverse direction. Check whether the power supply and electrical components of the unit work properly.
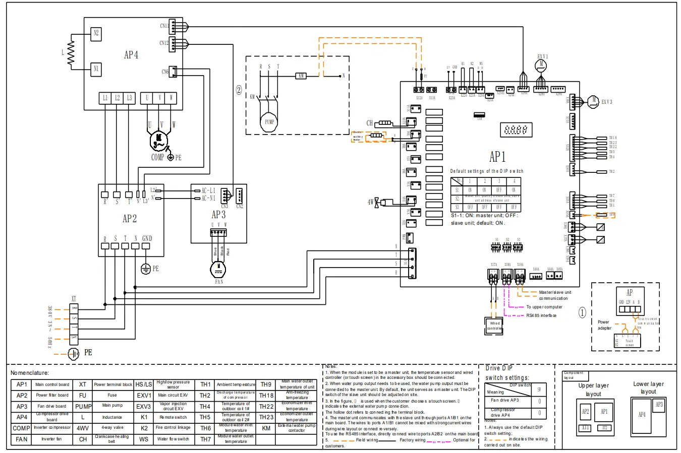
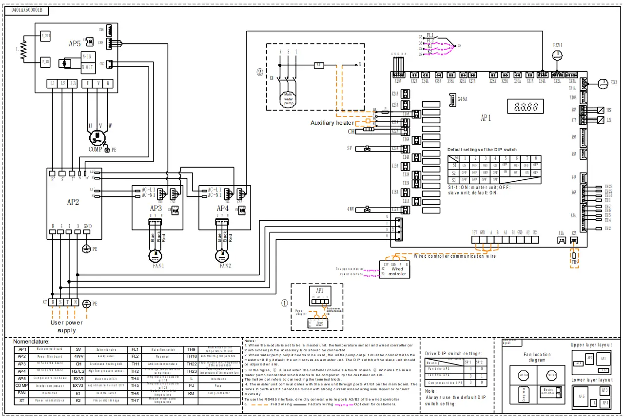
(3) Electrical Wiring Diagram of the Unit
Notes:
- The preceding figure shows on-site wiring.
- When the unit is set to be a master unit, connect wires according to the figure.
- Both the mode switching and remote power-on/-off functions of a standard unit are not enabled. To enable them, set the DIP switch to remote control mode. K1 is used for power-on/-off. (When K1 is opened, it indicates power-off.
When K1 is closed, it indicates power-on.) K2 is used for mode switching. (When K2 is opened, it indicates cooling mode. When K2 is closed, it indicates heating mode.) The wired controller cannot be used for power-on/-off. - In local control mode, group control of buildings can be performed via the RS485 interface on the wired controller.
In remote control mode, the wired controller can be unconnected. - When the unit is equipped with a touch screen, a power adapter is required.
- This figure is just for reference. For details, see the circuit diagram pasted on the unit.
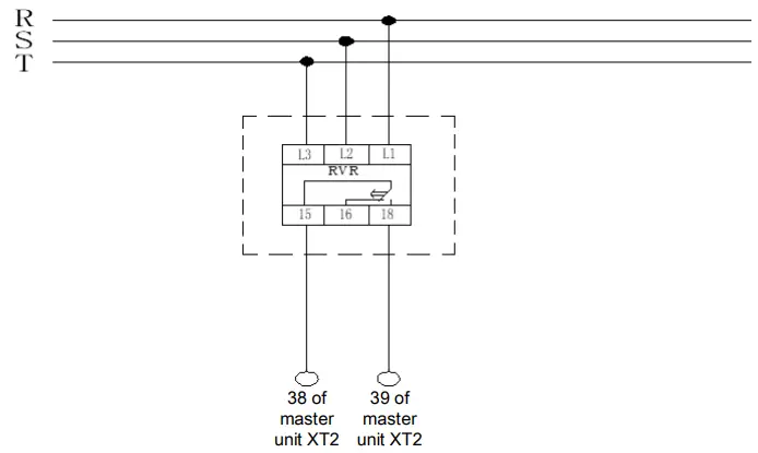
(4) Phase sequence protector Installation
If the power supply of the unit may have voltage fluctuation or phase-to-phase unbalance problem, you must add phase sequence protector. The selected phase sequence protector must be able to reset automatically. Recommended model: DPB52CM44; brand: CARLO GAVAZZI (which can be procured from TICA)
For a set of parallel master/slave units, it is sufficient to add a phase sequence protector. The phase sequence protector is installed in the distribution cabinet of the main power input.
The following figure shows the wiring method. 38/39 indicates the terminal block of the electric control box circuit and that of the external lock, respectively. The terminal 15 and terminal 18 are closed immediately upon the phase sequence protector is powered on. In the event of phase loss, reversion, overvoltage, undervoltage or phase-to- phase imbalance, the terminal 15 and terminal 18 are disconnected.
(5) Unit Interconnection Schematic Diagram
Notes:
- Use four-core communication wire and two-core communication wire for connection with the method shown in the figure.
- Connect the power cable to the main power terminal block of each unit with the method shown in the figure.
- The dotted-line frame indicates customer selected functions. To use the remote monitoring function, users need to connect their units to the building monitoring system according to the dotted-line frame. The two-core communication wire, adapter and computer required for connection are prepared by customers. Modbus protocol is supported. Users may carry out secondary development accordingly.
Caution
The following circuit diagrams are applicable to standard units. The circuit diagram in the manual may differ from the actual circuit diagram pasted to the unit due to product innovation and improvement. The circuit diagram pasted to the unit shall prevail.
For the wiring diagrams of other non-standard units, see the circuit diagram pasted to the unit body.
(6) Electrical Schematic Diagram of the Unit
Note: The electrical schematic diagrams of units of the following models are subject to the actual components of the units.
TCAV035BHE
TCAV065BHE
TCAV130BHE
Unit Commissioning and Operation Description
Caution
Be sure to check the entire air conditioning unit system before powering on for trial operation. Pay attention to the following aspects:
- Checking the air-side devices of the air conditioner
• Check whether the power supply connections of all indoor air-side devices are correct and whether the fan runs properly.
• Check whether check valves on the inlet and outlet of indoor air-side devices are all open.
• Check whether air in the water system in indoor air-side devices is thoroughly discharged. If there is air in the FCU, open the air discharge valve to discharge the air. - Checking the system pipeline
• Check whether the system pipeline, water refill pipeline, pressure gauge, and thermometer are installed correctly.
• Check whether the static pressure on the water return of the unit is greater than 5.0 mH2O.
• Check whether the system pipeline is clean, whether the refrigerant in the pipeline is full, and whether air is thoroughly discharged.
• Check whether valves that should be open are all open in the system and valves that should be closed are all closed.
• Check whether proper thermal insulation and condensate drainage measures are taken for the pipeline system.
• Check whether the expansion water tank and water refill device are sensitive and whether air in the water pipes is discharged thoroughly. Before starting water pumps,
open the air discharge valves to check whether water flows out. If no, air is not thoroughly discharged. In this case, do not start water pumps. Check the expansion water tank and water refill system to ensure that air is discharged thoroughly. Start water pumps after confirming that the pipeline is full of water. Do not run water pumps in the case of water shortage.
• Check whether the water system filter is clogged to ensure that the water line is smooth without blockage.
• Check whether the water flow switch is correctly installed and whether the wiring is correct. - Checking the power distribution system
• Check whether the power supply is consistent with that required in the manual and on the unit nameplate. The voltage fluctuation should be within ±10%.
• Check whether all the power supply lines and control lines are connected in place, whether the wires are connected correctly in accordance with the wiring diagram, whether the grounding is reliable, and whether all the wiring terminals are fastened.
• Check whether the main water outlet temperature sensing probe of the unit is installed using a blind hole, and whether the main water outlet temperature can be sensed accurately. - Checking the unit
• Check whether the appearance of the unit and the piping system inside the unit are in good condition after transportation and handling.
• Check whether the electrical lines of the unit are correct, whether the water flow switch is installed and connected to the control loop, whether the pump contactor is interlocked with the control loop, and whether the main water outlet temperature probe of the unit is connected to a correct position.
• Check whether the fan blades interfere with the fixed plate and guard net of the unit.
Caution
Only professionals can perform trial operation of the unit. Users are not allowed to commission and run the unit. Otherwise, the air conditioning system may be damaged or personal injury accidents may be incurred in severe circumstances.
Pay attention to the issues in the following aspects during trial operation:
a. After checking the entire system comprehensively and confirming that it meets the requirements, start overall trial operation. Preheat the compressor for 24 hours before trial operation.
b. Connect to a power supply, check whether the phase sequence protection is normal, and then start the main controller (the chiller starts automatically 3 minutes later). Start the water pump. After confirming that the water pump runs properly, check whether the compressor operating current is within the normal range, whether the fan rotation direction is correct, and whether abnormal sound is generated.
c. If the main controller displays a power failure, the phase sequence of the incoming power supply for the unit is incorrect. Interchange the power sequence only. Do not change the internal lines of the unit. Otherwise, important parts inside the unit will be damaged.
d. Check whether the cold and hot conversion of each unit element is normal, and whether the pressure value displayed on the pressure gauge is within the normal range. Keep the trial operation of the unit for a period of time. Put the unit into normal use only after confirming that no fault occurs.
e. Clean the water filter after trial operation, and fasten all the electrical wiring terminals again. Then, the unit can be put into normal use.
f. Do not frequently start or stop the unit to prolong the service life of the unit.
g. When the unit is faulty, find out the cause of the fault as per the fault causes displayed on the controller, and rectify the fault. After the fault is rectified, the controller will perform automatic detection and start relevant systems.
h. All the protection switches have been set properly before delivery. Do not adjust them by yourself; otherwise, you should bear the responsibility for any damage caused by
improper adjustment.
Operation Description of the Unit Controller
Safety Precautions
Caution
The controller of the air-cooled chiller (heat pump) is a precise assembly.
Be sure to read through this controller manual carefully before performing any operation. Any disoperation may damage the unit or cause personal injury.
Pay attention to the following points during installation and use:
- Installation precautions
● Read through this manual carefully before installation and connect wires by referring to the wiring diagram.
● The controller must be installed on a solid plane, and keep it away from rain, static electricity, shock, or dust accumulation, which has an adverse effect on the control board and even cause the controller damage.
● Only accessories provided or specified by TICA can be used. Using any unauthorized accessories may result in a failure of the controller or an electric shock.
● Wiring should be conducted in accordance with the principle of separating strong electric wires from weak electric wires. The control cables should be routed separately from strong electric wires and they should be shielded. If they cannot be routed separately, keep a distance of at least 50 mm between them and take shielding measures. It is absolutely forbidden to bind strong and weak electric wires together for cabling.
Otherwise, the controller may fail to work properly or may be damaged.
● Power cords must be connected reliably, they are in good contact, and the insulating layer is in good condition. Loose or broken power wires may lead to electric shocks, short circuits and even fire. Air-conditioning units must be properly grounded. - Use precautions
● Do not use sharp objects when operating the unit. Do not impose strong force, lest the controller panel may be damaged. Do not twist or pull the controller’s wires. Otherwise, control components may fail.
● It is necessary to use the power supply that meets requirements. The use of a substandard power supply may damage the controller.
● The controller board is supplied with a 220V AC strong power. Therefore, exercise caution when operating the controller.
● Be sure to control the running status of the air-conditioning unit through the controller. It is forbidden to insert and remove the power plug to switch on/off the unit. - Maintenance precautions
● When the controller is faulty, users are not allowed to repair it at discretion but contact the manufacturer in a timely manner.
● The unit can be maintained and repaired only when the unit is powered off and the power supply is cut off.
The controller and product mentioned in this document are those used in universal environments. If a product is to be used in a harsh environment (including harsh environments with electromagnetic interference), enhanced anti-interference products need to be specified in advance. Universal products are delivered if no requirement is specified.
Application Scope
Air-cooled chiller (heat pump) series are modular combined air-conditioning products of TICA.
Their control system consists of the chiller control chip (input/output), sub-board control chip, and centralized operation control panel.
This user operation manual is applicable to air conditioner modular air-cooled chiller (heat pump) series.
System Characteristics
- Applicable air conditioning system
One output water pump, one fan, one shell-and-tube heat exchanger and one compressor compose one independent energy conversion system. One module has one completely independent system, and one or more (16 at most) modules compose a modular air-cooled chiller (heat pump). - Networking control
RS485 serial buses are used. Communication cables can be connected simply to implement on-site networking. - Basic functions
Water pump mode or user-defined heating/cooling operation;
Timed power-on/off function, which allows setting the weekends and three holiday time periods for the unit operation;
Automatic fault diagnosis and handling, intelligent defrosting control, and intelligent anti-freezing operation control; Unique fuzzy energy control method and optimal load matching. - Digital filtering processing is performed on all collected input signals to ensure the reliability of input signals. Output signals are buffered in multiple levels and no disoperation or jitter occurs, thereby ensuring the reliable and stable operation of the unit.
- Password protection permissions are used for parameter setting. All parameters that need to be set have appropriate default values, which are used at the first startup or when default values need to be restored.
4. Unit Operation Description
(1) Wired controller instructions
(A) Output of 120 touch-type wired controller:
(120 touch-type wired controller dimensions: 120mm*120mm, Bottom mounting hole spacing: 60mm)

Icon | Name | Function |
| Query | 1) Query errors on the main interface. | |
| Menu | 1) Tap Menu to enter the function menu on the default interface. 2) Tap Menu to return to the preceding level of menu on the setting interface or query interface. | |
| Directions | 1) Tap the direction button on the menu interface to enter the next level of menu. 2) Tap the direction button on the setting interface to modify the parameter values or set functions. | |
| OK | 1) Tap OK to enter the next level of menu on the menu interface. 2) Tap OK on the setting interface to confirm the parameter setting. | |
| ON/OFF | 1) In power-on state, tap ON/OFF to shut down the unit. 2) In power-off state, tap ON/OFF to start up the unit. |
Main interface
Jan. 1, 2019, 12:00:00
Unit status: Cooling
Air conditioner water outlet: 30.5°C/45![]()
Air conditioner water inlet: 30.1°C/40
Ambient temperature: 15.6°C![]()
The display screen displays current time information in the first line, the current water inlet and outlet temperatures and set values of the unit in the second and third lines respectively, and the ambient temperature of the main module in the fourth line. The operating mode area displays the setting mode of the unit (cooling
, heating
, water pump
, or anti-freezing
). When the heating symbol blinks, the system is defrosting. In the remote control status area, ♀ is displayed if the unit is remotely controlled and the symbol is not displayed if the unit is controlled by a wired controller. In the operation status area, “Stop” is displayed if the unit is shut down. If the water pump is started, the water pump symbol (
) is displayed; if the water pump is not started, the symbol is not displayed. If the word “Ambient” blinks, the ambient temperature for unit (including submodules) operation does not meet operating conditions. Menu interface
Jan. 1, 2019, 12:00:00
Unit Operating Status
Unit Port Status
Modify User
Parameters
Modify Maintenance
Parameters
Menu interface: Tap the up or down button to switch between menus, tap OK to enter a selected menu interface, and tap Menu to go back to the home page.
Unit Operating Status page: tap Menu to go back to the menu page.
Unit Port Status page: tap Menu to go back to the menu page, tap left or right button to switch between unit models, and tap up or down to display unit port information.
Modify User Parameters page: tap Menu to go back to the menu page, tap up or down button to switch between menus, tap OK to enter the setting menu, tap left or right button to modify parameter value, tap OK to confirm the setting, and tap Menu to go back to the original page.
Modify Maintenance Parameters page: tap Menu to go back to the menu page, tap up or down button to switch between parameters, tap left or right button to change parameter value, and tap OK to confirm the setting.
Check Unit Error page: tap Menu to go back to the menu page, tap left or right button to switch between unit models, and tap up or down to display unit error information.
Program Version page: tap Menu to go back to the menu page, and tap left or right button to switch between unit models.
Interface Function Description
| Interface | Display |
| Main Interface | 1) Operating mode 2) Real-time temperature and humidity, water temperature, etc. 3) Error icon, water pump icon, anti-freezing icon, etc. 4) Error message |
| Unit Operating Status | 1) Water pump status 2) Electric heater status 3) Number of systems loaded by the compressor |
| Unit Port Status | 1)Temperature sensor values, including ambient temperature, discharge temperature, suction temperature, coil temperature and water inlet/outlet temperature |
| Modify User Parameters | 1) Operating mode settings, including mode, temperature and humidity 2) Configuration parameter settings, including centralized control parameter 3) Date and time settings 4) Unit timing settings |
| Check Unit Error | 1) Current errors 2) Historical errors |
| Program Version | 1) Main controller program version 2) Wired controller program version |
(B) Output of 7″ touch screen:
A 7″ touch screen is configured to implement communication between the chiller with the ODU through RS485 (COM2 port (A+, B-) of the touch screen is connected to A and B on the main board of the ODU). The touch screen needs to be powered using 24 V DC and supports programming with a USB drive.(7 touch screen dimensions:131mm*185mm, mounting opening dimensions:178mm*125mm))
Main interface

Interface Function Description
| Page | Note |
| Homepage | 1. Homepage is the initial page after the touch screen is powered on and reset. 2. Water temperature set values and actual values are displayed. 3. Temperatures can be set. 4. The unit operating status, touch screen communication and fault can be observed; 5. Power-on/off operations can be performed. |
| Dropdown window | 1. You can scroll down the touch screen to display this window, or scroll up the touch screen to hide this window. 2. The button operation sound can be turned on/off. 3. The time of reducing brightness of the touch screen can be selected. 4. The time of turning off backlight of the touch screen can be selected. 5.The brightness of the touch screen can be adjusted. 6. The real-time fault alarm information can be observed. |
| User login | 1. Enter the user login page through the login icon on the homepage (or the run screen); 2. The user can log in to get the corresponding operation permissions; 3. The current logged-in user can exit. |
| Operating status | 1. The unit running diagram is displayed. 2. The temperature and mode can be set. 3. Some operating parameters of the unit can be observed; 4. Power-on/off operations can be performed. |
| User setting | 1. Common functions can be set: automatic startup after power restoration, timed power-on/off. 2. Some running parameters of the unit can be viewed. |
| Trend curve | 1. The dynamic changes of set temperature and humidity and actual temperature and humidity can be observed visually. 2. The run data of the unit can be exported. |
| Fault check | 1. Current errors 2. Historical errors |
(2) List of Adjustable Parameters
| S/N | Parameter | Default | Remarks |
| 1 | Operating mode | Cooling | It needs to be manually set. |
| 2 | Cooling water outlet temperature | 7°C | |
| 3 | Cooling water inlet temperature | 12°C | |
| 4 | Heating water outlet temperature | 45°C | |
| 5 | Heating water inlet temperature | 40°C | |
| 6 | MODBUS address | 1 | Used for remote monitoring |
| 7 | Baud rate | 19200 | Used for remote monitoring |
(3) Description of the DIP Switch on the Main Board
a. Functions of the S1 DIP Switches
DIP Switches of TCAV035BHE Functions:
| 1 | 2 | 3 | 4 | |
| S1 | ON | ON | OFF | ON |
| S2 | Master unit: quantity of slave units; slave unit: address of slave unit | |||
| S3 | OFF | OFF | OFF | OFF |
| S1-1: ON – master unit; OFF – slave unit | ||||
| S2 (Master unit: number of slave units; slave unit: address of slave unit) | |||||
| S2-1 | S2-2 | S2-3 | S2-4 | Address | |
| OFF | OFF | OFF | OFF | 0 | Indicates a single unit. |
| OFF | OFF | OFF | ON | 1 |
The addresses of slave units are 1-15. |
| OFF | OFF | ON | OFF | 2 | |
| OFF | OFF | ON | ON | 3 | |
| OFF | ON | OFF | OFF | 4 | |
| OFF | ON | OFF | ON | 5 | |
| OFF | ON | ON | OFF | 6 | |
| OFF | ON | ON | ON | 7 | |
| ON | OFF | OFF | OFF | 8 | |
| ON | OFF | OFF | ON | 9 | |
| ON | OFF | ON | OFF | 10 | |
| ON | OFF | ON | ON | 11 | |
| ON | ON | OFF | OFF | 12 | |
| ON | ON | OFF | ON | 13 | |
| ON | ON | ON | OFF | 14 | |
| ON | ON | ON | ON | 15 | |
DIP Switches of TCAV065BHE Functions:
Functions of the S1 DIP Switches
| S1-1 | S1-2 | S1-3 | S1-4 | ||
| ON | Master | OFF | OFF | OFF | Configuration 1: Welling motor |
| OFF | Slave unit | OFF | OFF | ON | Configuration 2: Lifang motor |
| S1(5678) (Master unit: number of slave units; slave unit: address of slave unit) | |||||
| S1-5 | S1-6 | S1-7 | S1-8 | Address | |
| OFF | OFF | OFF | OFF | 0 | Indicates a single unit. |
| OFF | OFF | OFF | ON | 1 | The addresses of slave units are 1-15. |
| OFF | OFF | ON | OFF | 2 | |
| OFF | OFF | ON | ON | 3 | |
| OFF | ON | OFF | OFF | 4 | |
| OFF | ON | OFF | ON | 5 | |
| OFF | ON | ON | OFF | 6 | |
| OFF | ON | ON | ON | 7 | |
| ON | OFF | OFF | OFF | 8 | |
| ON | OFF | OFF | ON | 9 | |
| ON | OFF | ON | OFF | 10 | |
| ON | OFF | ON | ON | 11 | |
| ON | ON | OFF | OFF | 12 | |
| ON | ON | OFF | ON | 13 | |
| ON | ON | ON | OFF | 14 | |
| ON | ON | ON | ON | 15 |
b. Functions of the S2 DIP Switched
| S2 (Functional DIP Switch) | ||||||||||||
| S2-1 | S2-2 | S2-3 | S2-4 | S2-5 | S2-6 | S2-7 | S2-8 | |||||
| OFF | OFF | OFF | V series | OFF | OFF | Cooling only | ON | Shared air | ON | R410A | ON | Remote control |
| OFF | ON | OFF | X series | OFF | ON | Heat pump | OFF | Independent air | OFF | R22 | OFF | Local control |
| ON | OFF | OFF | XHE | ON | ON | Perennial cooling of the heat pump | ||||||
c. Functions of the S3 DIP Switches (Updated)
| S3-1 | S3-2 | S3-3 | S3-4 | ||
| OFF | OFF | OFF | TCAV065 | ON | Compressors in parallel connection |
| OFF | OFF | ON | OFF | Single compressor | |
| OFF | ON | OFF | |||
| OFF | ON | ON | |||
| ON | ON | OFF |
DIP Switches of TCAV130BHE Functions:
Functions of the S1 DIP Switches
| S1-1 | S1-2 | S1-3 | S1-4 | ||
| ON | Master | OFF | OFF | OFF | Configuration 1: common type |
| OFF | Slave unit | / | / | / |
| S1(5678) (Master unit: number of slave units; slave unit: address of slave unit ) | |||||
| S1-5 | S1-6 | S1-7 | S1-8 | Address | |
| OFF | OFF | OFF | OFF | 0 | Indicates a single unit. |
| OFF | OFF | OFF | ON | 1 | The addresses of slave units are 1-15. |
| OFF | OFF | ON | OFF | 2 | |
| OFF | OFF | ON | ON | 3 | |
| OFF | ON | OFF | OFF | 4 | |
| OFF | ON | OFF | ON | 5 | |
| OFF | ON | ON | OFF | 6 | |
| OFF | ON | ON | ON | 7 | |
| ON | OFF | OFF | OFF | 8 | |
| ON | OFF | OFF | ON | 9 | |
| ON | OFF | ON | OFF | 10 | |
| ON | OFF | ON | ON | 11 | |
| ON | ON | OFF | OFF | 12 | |
| ON | ON | OFF | ON | 13 | |
| ON | ON | ON | OFF | 14 | |
| ON | ON | ON | ON | 15 | |
b. Functions of the S2 DIP Switches
| S2 (Functional DIP Switch) | ||||||||||||
| S2-1 | S2-2 | S2-3 | S2-4 | S2-5 | S2-6 | S2-7 | S2-8 | |||||
| OFF | OFF | OFF | V series | OFF | OFF | Cooling only | ON | Shared air | ON | R410A | ON | Remote control |
| OFF | ON | OFF | X series | OFF | ON | Heat pump | OFF | Independent air | OFF | R22 | OFF | Local control |
| ON | OFF | OFF | XHE | ON | ON | Perennial cooling of the heat pump | ||||||
c. Functions of the S3 DIP Switches (Updated)
| S3-1 | S3-2 | S3-3 | S3-4 | ||
| OFF | OFF | OFF | TCAV065 | ON | Compressors |
| in parallel connection | |||||
| OFF | OFF | ON | OFF | Single compressor | |
| OFF | ON | OFF | TCAV130 | ||
| OFF | ON | ON | |||
| ON | ON | OFF |
Unit Configuration
| Model | Refrigerant | Expansion Valve Type | Air System | Water System |
| TCAV035BHE | R410A | EXV | Independent air | Shared water |
| TCAV065BHE | R410A | EXV | Shared air | Shared water |
| TCAV130BHE | R410A | EXV | Shared air | Shared water |
Failure Code List
| Failure Code List | |||
| Failure 01 | Air conditioner insufficient water flow | Failure 09 | Air discharge temperature high 01 |
| Failure 02 | External interlocking | Failure 10 | Air discharge temperature high 02 |
| Failure 03 | Wired controller switch | Failure 11 | Air discharge temperature 1#1 fault |
| Failure 04 | Error in communication with the master unit (slave unit) | Failure 12 | Air discharge temperature 2#1 fault |
| Failure 05 | Ambient temperature fault | Failure 13 | Outer coil temperature 1# fault |
| Failure 06 | Anti-freezing temperature fault | Failure 14 | Outer coil temperature 2# fault |
| Failure 07 | Main water outlet fault (for master unit only) | Failure 15 | System 1# overload |
| Failure 08 | Insufficient domestic water flow (for master unit only) | Failure 16 | System 2# overload |
| Failure 17 Failure 18 Failure 19 Failure 20 Failure 21 Failure 22 Failure 23 Failure 24 | Domestic water inlet fault Domestic water outlet fault Water tank temperature fault (for master unit only) Heat recovery outlet temperature fault Indoor coil 1# temperature fault Indoor coil 2# temperature fault High pressure of 1# system High pressure of 2# system | Failure 25 Failure 26 Failure 27 Failure 28 Failure 29 Failure 30 Failure 31 Failure 32 | Module water inlet temperature fault Module water outlet temperature fault Too low outlet water temperature Air conditioner inlet/outlet water temperature high Unrecoverable fault Domestic water outlet temperature high Low voltage fault |
| Failure 33 | Air discharge temperature 1#2 fault | Failure 41 | 1# cooling pressure low |
| Failure 34 | Air discharge temperature 2#2 fault | Failure 42 | 2# cooling pressure low |
| Failure 35 | Misplace protection | Failure 43 | 1# heating pressure low |
| Failure 36 | Open-phase protection | Failure 44 | 2# heating pressure low |
| Failure 37 | System current low | Failure 45 | High voltage 1# sensor fault |
| Failure 38 | 1# system current low | Failure 46 | High voltage 2# sensor fault |
| Failure 39 | 1# system current high | Failure 47 | Low voltage 1# sensor fault |
| Failure 40 | 2# system current high | Failure 48 | Low voltage 2# sensor fault |
| Failure 49 | Slave module 1 communication fault | Failure 57 | Slave module 9 communication fault |
| Failure 50 | Slave module 2 communication fault | Failure 58 | Slave module 10 communication fault |
| Failure 51 | Slave module 3 communication fault | Failure 59 | Slave module 11 communication fault |
| Failure 52 | Slave module 4 communication fault | Failure 60 | Slave module 12 communication fault |
| Failure 53 | Slave module 5 communication fault | Failure 61 | Slave module 13 communication fault |
| Failure 54 | Slave module 6 communication fault | Failure 62 | Slave module 14 communication fault |
| Failure 55 | Slave module 7 communication fault | Failure 63 | Slave module 15 communication fault |
| Failure 56 | Slave module 8 communication fault | Failure 64 | Program and unit mismatch |
| Failure 65 Failure 66 Failure 67 | 1# compressor drive communication fault 2# compressor drive communication fault Fan 1 drive communication fault | Failure 73 Failure 74 Failure 75 | 1# compressor drive hardware fault 1# compressor bus voltage exception 1# compressor out of step |
| Failure 68 Failure 69 Failure 70 Failure 71 Failure 72 | Fan 2 drive communication fault Vapor injection 1# temperature fault Vapor injection 1# saturation temperature fault Vapor injection 2# temperature fault Vapor injection 2# saturation temperature fault | Failure 76 Failure 77 Failure 78 Failure 79 Failure 80 | 1# compressor zero speed protection 1# compressor phase loss 1# compressor overcurrent Reserved #1 compressor drive fault |
| Failure 81 Failure 82 Failure 83 Failure 84 Failure 85 Failure 86 Failure 87 Failure 88 | 2# compressor drive hardware failure 2# compressor bus voltage exception 2# compressor out of step 2# compressor zero speed protection 2# compressor phase loss 2# compressor overcurrent Reserved #2 compressor drive fault | Failure 89 Failure 90 Failure 92 Failure 93 Failure 94 Failure 95 Failure 96 Failure 97 | Fan drive hardware fault Fan bus voltage exception Fan out of step Fan startup failure Fan phase loss Fan overcurrent Reserved Fan drive fault |
Unit Maintenance
TICA air-cooled chillers (heat pumps) are highly automated devices. Therefore, check the operation status periodically. Long-term and effective maintenance can greatly enhance the operation reliability of the unit and prolong the unit’s service life. Pay attention to the following points during maintenance and servicing:
- Clean the water filter installed outside the unit periodically to ensure the cleanliness of water in the system and prevent unit damage caused by clogging of the filter.
- Keep the surroundings around the unit clean and dry and ensure smooth ventilation for the unit. Clean the air-side heat exchanger periodically (once 1-2 months) to maintain excellent heat transfer effect and save energy.
- Regularly check whether the water refill and air discharge devices of the water system work properly. Air may enter the system and cause low water circulation or water circulation difficulties, affecting the cooling and heating effect of the unit as well as the reliability of the unit.
- Check whether wiring of the unit power supply and electrical system is secure, and whether electrical components work abnormally. If an exception occurs, repair or replace electrical components. Regularly check whether the unit is grounded reliably.
- If the unit is not used for long after one running period ends, drain water out of the unit pipeline and cut off power. Fill water into the system and conduct an overall check on the unit before starting the unit again. Then, electrify the unit to preheat it for more than 24 hours, and then start the unit and put it into normal operation after confirming that everything is OK.
- Check the working conditions of each component of the unit regularly and check whether the work pressure of the cooling system of the unit is within the normal range. Check whether there are oil dirt on the pipeline connectors and inflation valves of the unit to ensure that no refrigerant leaks out. Only professionals are allowed to add refrigerant. R22 can be filled in liquid or gas form. R410A and R407C are hybrid refrigerant and can be filled only in liquid form. Fill a refrigerant as per the figure below.
- Do not close the water inlet/outlet valves of indoor air-side devices at will during unit operation. Otherwise, the normal operation of the unit may be affected, and the internal heat exchanger of the chiller may be damaged.
- If the ambient temperature is lower than 5°C and a power failure occurs, be sure to thoroughly drain water from the unit and pipeline. If the ambient temperature is lower than 5°C, ensure that the unit is in the power-up state, the water system is fully filled with water, and the chilled water circulating pump of the air conditioner must be interlocked with the modular chiller. In this way, the modular unit can automatically control the water pump operation or heating operation, thereby implementing automatic anti-freezing protection of the air conditioning water system. The purpose is to protect facilities such as the unit and water pipeline against damage caused by freezing of water in the pipeline of the air conditioning water system.
- If the ambient temperature is higher than 5°C, especially in summer, do not drain water to prevent air flowing into the pipeline and causing internal rust and corrosion and ensure normal water pressure of the system. Check the water quality before you turn on the unit next time. If the water quality is bad, replace the water and clean the filter.
- Check the system pipeline. Check whether proper measures are taken to prevent leakage, rust, and corrosion, ensure the pipeline is airtight, and check whether there is any risk of soaking or rust if the unit is stopped for a long period of time.
- Clean and protect the unit. To prevent inflow of leaves, dusts, and impurities and avoid the evaporator absorbing them, thus causing the unit to get rusty or affecting use effect of the unit, shelter the ODU and ensure it can be normally started and used next time.
Caution
The R410A or R407C hybrid refrigerant must be emptied completely when the system leaks. After vacuolizing the system again, add refrigerant as instructed by the figure on the right side. This prevents change of the system refrigerant components; otherwise, System the unit operation performance will deviate, affecting the service life of the unit. The lubricating oil used for the R410A or R407C unit is different from that used for the R22 unit. To add lubricating oil, contact the manufacturer. Do not add lubricating oil at will; otherwise, the unit may be damaged. 
Common Fault Analysis of the Unit and Handling Methods
The unit may get faulty to different degrees during use. The table below provides some common faults and their handling methods. If the unit gets faulty, the user needs to contact an authorized distributor or branch company of TICA and cannot try to repair it independently.
| Symptom | Possible Cause | Solution |
| The compressor does not start properly and has no buzzing sounds | ☆ The main controller has a power failure or communication cable fault ☆ The alarm indicator of the main controller lights up ☆ The unit controller is in preheating status ☆ The main controller has wrong data settings | ☆ Check whether the communication indicators are on ☆ Check the unit and contact the maintenance personnel ☆ It is normal and for protection purpose ☆ Reset the parameters based on the User Operation Manual |
| The compressor starts but frequently stops | ☆ The refrigerant is excessive or inadequate, causing too high discharge pressure or too low air suction pressure | ☆ Make sure the amount of refrigerant is proper; otherwise, discharge excessive refrigerant or add refrigerant ☆ If the water flow is inadequate, check whether the water line is smooth and whether the loop is too short. If the load of the air-side devices is too low, add an energy storage water tank ☆ Change the parameters based on the advice of the maintenance personnel |
| The compressor makes a lot of noise | ☆ The power phase sequence of the compressor is wrong ☆ The liquid refrigerant returns to compressor ☆ The components of the compressor are faulty | ☆ Check the power cord of the main power and incoming wire of the compressor ☆ Check whether the expansion valve works normally ☆ Repair or replace the compressor |
| The cooling capacity is relatively low | ☆ Insufficient refrigerant, insufficient cooling capacity and low evaporation temperature ☆ The thermal insulation of the water system is poor ☆ The condenser does not dissipates heat properly ☆ The expansion valve is not properly adjusted ☆ The filter is clogged | ☆ Repair leaking points and add refrigerant ☆ Strengthen thermal insulation of the pipeline and expansion water tank ☆ Clean the condenser and improve condensing conditions ☆ Adjust the expansion valve ☆ Replace the filter |
| Symptom | Possible Cause | Solution |
| The intake duct of compressor is frosted | ☆ The chilled water flow is too small ☆ The water line is blocked or air is not discharged thoroughly | ☆ Check whether the water pump motor matches the unit ☆ Unclog the water line or empty air |
| Too high condensation pressure | ☆ Too much refrigerant ☆ The ambient temperature is too high and the unit is not well ventilated ☆ There is air or non-condensable gas inside the refrigerant or the system | ☆ Discharge excessive refrigerant ☆ Rule out other contributory factors and improve condensing conditions ☆ Discharge air or non-condensable gas through air outlet |
| Too low condensation pressure | ☆ Insufficient refrigerant ☆ There is something wrong with the valve plate of the compressor, thus reducing efficiency | ☆ Check and repair the leaks, and add refrigerant ☆ Replace the compressor |
| Too high air suction pressure | ☆ Too much refrigerant ☆ The return water temperature is high and the heating load is high ☆ The opening of the expansion valve is too large ☆ The 4-way valve leaks | ☆ Discharge excessive refrigerant ☆ Reduce the chilled water flow and reduce the heating load ☆ Adjust the expansion valve ☆ Replace the 4-way valve |
| Due to too low air suction pressure, low pressure protection frequently occurs | ☆ Insufficient refrigerant ☆ The return water temperature is low and the indoor air-side device is faulty ☆ The expansion valve has too small opening or is clogged | ☆ Check and repair the leaks, and add refrigerant ☆ Rectify the fault occurring on the air-side device and unclog the water line ☆ Adjust the expansion valve |
| The unit cools properly but does not heat | ☆ The operating conditions of air-conditioning are improperly selected ☆ The 4-way valve has loosened wires or burned or stuck coils ☆ Due to low temperature, the fin-type heat exchanger is frosted | ☆ Check whether the operating conditions of air-conditioning are improperly selected ☆ Repair the four-way reversing valve ☆ Remove frost and add auxiliary heat source |
| The compressor rotates continuously while heating | ☆ The temperature sensing probe of the water temperature controller is damaged ☆ The temperature set value is too high and the water temperature cannot reaches the set value ☆ The system has low heating efficiency | ☆ Replace the temperature controller ☆Set the hot water temperature again (45°C recommended) ☆ Add auxiliary heat source if the ambient temperature is too low |
| The water pump does not work when the main controller is started | ☆ The power supplied to the water pump power wire in the customer control cabinet is unavailable ☆ The water pump motor burns out and the bearing is damaged | ☆ Locate the line fault ☆ Replace the water pump motor, bearing, and shaft seal |
Caution
The following circumstances are normal phenomena:
When the temperature reaches the set value during unit operation, the unit stops running automatically. After the temperature rises, the unit re-starts automatically according to the preset operating mode.
When the outdoor temperature is low and the humidity is relatively large, the outdoor heat exchanger may frost during operation of the unit. To ensure normal operation of the unit, the microcomputer controller of the unit will make judgment according to the time and temperature and enter the defrosting process automatically. After defrosting ends, the unit will restart operation automatically according to the operating mode set by the user.
After-sales Service
Caution
Improper maintenance or repair may cause water leakage, electric shocks or fire. If the unit must be moved or reinstalled, ask authorized dealers or TICA service personnel for help.
- Warranty
Warranty details are subject to the order contract.
Other Information
A separate “control accessory box” contains a remote controller, a remote controller communication cable, temperature sensor blind pipe, main water temperature sensor, and other components. Trial operation can be carried out only after correct installation on site.
Installation of the Remote Controller
- Installation of 120 touch-type wired controller display
a). Open the wired controller junction box. Take out the wired controller and the screws that come with it.
b). Push the backplane on the rear side of the wired controller in the direction of the arrow to remove it.
To open the shell Push in the direction of the arrow
c). As shown in the following figures, pull out the connecting wire of wired controller from the embedded junction box (prepared by the user; 86mm×86mm junction box is recommended) and through the backplane of the wired controller. Then, connect the connecting wire to the plug-in terminal.
d). Install the backplane onto the 86mm×86mm junction box (prepared by the user), as shown below.
Install the wired controller body back to the backplane (in the opposite direction of removing).
Note: User needs to purchase a 86mm×86mm exposed junction box for installation.
Installation of 7″ touch screen:
When the remote controller is installed inside the control cabinet in the equipment room, install the remote controller as follows:

When the remote controller needs to be installed on the wall, install it as follows:

Auxiliary Electric Heater
a. The operation of the auxiliary heater is controlled intelligently. When the ambient temperature is low, the microcomputer automatically starts the auxiliary heating program to compensate for the heating lack caused by heat attenuation due to low ambient temperature. It increases the heat output and makes the unit work in an operating condition closer to the standard operating condition, thereby improving the operation efficiency of the unit and prolonging its service life. When the indoor temperature reaches the set value, the auxiliary heater automatically stops based on the set temperature, to save energy.
b. The small-sized auxiliary electrical heater occupies less space and is easy to install.
c. The auxiliary heater is equipped with an overheating control component, which can effectively prevent damage to the heating tube in case of dry burning.
d. The operating conditions are harsh because of low water temperature in winter. After the unit is restarted, compressor slugging and oil sling may be caused easily, leading to unit faults and affecting the service life of the unit. The use of the auxiliary electric heater can raise the water temperature and ensure the normal and efficient operation of the unit.
e. The auxiliary electric heater can supplement some heat loss caused by defrosting during unit operation in winter.
The following table lists the power of the auxiliary electric heater at different atmospheric temperatures for reference (unit: kW).
| Outdoor Temp. °C/ IDU Temp. °C | 8 | 6 | 4 | 2 | 0 | -2 | -4 | -6 | -8 |
| 20 | 0.15 | 0.25 | 0.35 | 0.45 | 0.5 | ||||
| 18 | 0.15 | 0.25 | 0.35 | 0.45 | |||||
| 16 | 0.15 | 0.25 | 0.35 | ||||||
| 14 | 0.15 | 0.25 |
Notes:
a. Auxiliary electric heaters are not required for cells left blank in the table in terms of energy balance. However, in order to ensure smooth operation of the chiller and prolong the service life of the chiller, it is recommended that auxiliary electric heaters be configured when the outdoor atmospheric temperature is lower than or equal to 2°C.
b. If an auxiliary electric heater is required, the power of the auxiliary electric heater cannot be smaller than 0.2 kW/kW. Otherwise, when the ambient temperature is low, the heat loss of the water system may be greater than the heat output of the electric heater. As a result, the heater fails to deliver the desired effect.
c. The data listed in the table above is the power of auxiliary electric heaters per kW heating capacity at relevant indoor and outdoor temperatures.
Installation and Use Description
When the air-cooled chiller (heat pump) runs in heating mode in winter, its heating capacity declines with the drop of the outdoor ambient temperature. Auxiliary electric heaters are installed to facilitate the operation of the air-cooled chiller (heat pump). An auxiliary electric heater is connected to the water outlet pipeline in parallel during engineering project. See the figure below.
The electric control cabinet for an auxiliary electric heater is not configured at unit delivery.
Only the electric heating output signal is configured and the startup cabinet needs to be provided by customers. For the wiring of the electric heater, see the circuit diagram delivered with the electric heater. One end of AC contactor coil of the electric heater needs to be connected to the electric heater terminal in the electric control cabinet of the chiller module (for details, see the wiring diagram of the unit).
Note: TICA does not provide auxiliary electric heaters for standard units. Please specify the auxiliary electric heater in the order if required. The startup electric control cabinets for auxiliary electric heaters need to be provided by customers.
When the unit runs in cooling mode in summer, open Valve 1 and close Valve 2 and Valve 3 to reduce the loss of the water pressure drop on the pipeline. In this way, chilled water of the unit will not flow through the auxiliary electric heater. When the unit runs in heating mode in winter, open Valve 2 and Valve 3 and close Valve 1. In this way, hot water flowing out of the unit flows through the auxiliary electric heater, and supplements heat into the hot water of the unit to raise the water temperature after the unit is electrified. The hot water is supplied to the air-side devices.
Caution
Open water valves of the unit during commissioning. Open the circulating water pump to discharge air out of the system. Then, electrify the unit for commissioning so as not to burn electric components. If the electric heater is not used, drain water out of the electric heater cartridge to prevent cartridge freezing or rust.
Interlock Controller
A standard unit is equipped with an interlock control interface at delivery. Customers can select an interlock controller and connect wires correctly to implement interlock control between indoor air-side devices and the chiller. A single interlock controller can control 8 air-side devices in an interlocked manner, two interlock controllers can accommodate 15 air-side devices, and so on.
Note: The relevant bit on the DIP switch of the unit needs to be turned to remote control position.
If an interlock controller needs to be used, a temperature controller must be used for the air side products.
The figure below shows the wiring between the chiller and air-side devices when an interlock controller is used to implement interlocked control between the chiller and air- side devices. 
The figure above is the wiring diagram of two interlock controllers and the wiring of multiple interlock controllers is similar to the wiring in the figure above.
Caution
Interlock controllers are not equipped for standard models at delivery. The wired control switch is short-connected to the common line. If an interlock controller needs to be connected, remove the short connection wire and connect wires as per the circuit diagram above.
Installation Description of the Main Water Outlet Temperature Sensing Probe
Currently, the main water pipe of a modular unit is installed by engineers on site. Therefore, the main water outlet temperature sensing probe must also be installed on the main water pipe on site, so as to truly reflect the water outlet temperature of the unit and make the unit work properly. The following provides details of installing a water outlet temperature sensing probe.
The main water outlet temperature sensing probe of the unit is in the control accessory box.
Take the probe out of the box and install it correctly.
To reflect the water outlet temperature more accurately, it is necessary to open a hole on the main water outlet pipe and weld and seal the blind pipe (accessory) for heat conduction.
Apply thermosensitive adhesive to the internal side of the blind pipe and insert the water outlet temperature sensing probe into the blind pipe.
After the water system is installed completely, open a hole close to the main module on the main water outlet pipe, insert the water outlet blind tube, and weld and seal the water outlet blind tube. Ensure that the temperature sensing probe can accurately sense the water temperature in a timely manner.
Schematic diagram of on-site blind tube installation
Caution
Make sure that the temperature sensing part of the water outlet temperature sensing probe is deeply inserted into the bottom.
Description of the Connection Between the Temperature Sensing Probe/Water Pump and the Chiller
The water temperature sensor, 30 m controller connection cable, and water pump control output cable in the accessory box need to be connected to the control board of the chiller prior to commissioning. The wiring method is as follows:
a. The figure below shows the 30m wiring between the wired controller and the control board in the chiller control box. For the touch screen wired controller, see the electric diagram.
b. The water pump control point needs to be connected to Terminal 47 and Terminal 48 inside the chiller control box during on-site installation.
Environmental Protection Description
- This product complies with the environmental protection requirements of the Measures for the Administration of the Restricted Use of the Hazardous Substances Contained in Electrical and Electronic Products.
- Environmental protection service life: In the environmental protection service life, the user’s normal use of this product will not cause serious pollution to the environment or cause serious damages to persons and properties. The service life is specified by TICA.
The environmental protection service life is not equivalent to the service life of safe use. - Recycling: When this product is not needed or its service life ends, recycle it according to the related national regulations on recycling of waste electrical and electronic products.
Do not discard it at will. - Names and content of hazardous substances in products
| Part name | Hazardous substance | |||||
| Plumbum (Pb) | Mercury (Hg) | Cadmium (Cd) | Hexavalent chromium (Cr(VI)) | Polybrominated Biphenyls (PBB) | Polybrominated Diphenyl Ethers (PBDE) | |
| Compressor and its accessories | x | o | X | o | 0 | 0 |
| Refrigerant | o | o | o | o | o | o |
| Fan motor | x | o | o | o | o | o |
| Heat Exchanger | x | o | x | o | o | o |
| Pipeline fittings and valves | x | 0 | x | 0 | 0 | 0 |
| Screws, bolts, and other fasteners | 0 | 0 | 0 | X | 0 | 0 |
| Other metal parts | x | 0 | 0 | x | 0 | 0 |
| Controller and electrical components | x | o | X | o | 0 | 0 |
| Sponge | 0 | 0 | 0 | 0 | 0 | 0 |
| Foam | 0 | 0 | 0 | 0 | 0 | 0 |
| Other plastic parts | 0 | o | 0 | 0 | 0 | x |
| Rubber parts | o | 0 | 0 | 0 | 0 | 0 |
| Electric heating components | x | 0 | 0 | 0 | 0 | 0 |
| Other printed matters | 0 | 0 | 0 | 0 | 0 | 0 |
| Accessories (remote controller, battery, etc.)* | o | o | 0 | 0 | 0 | 0 |
| This table is prepared according to the provisions of SST 11364. 0: It indicates that the content of this hazardous substance in all homogeneous materials in this part is below the limit requirement defined in GB/T 26572. x: It indicates that the content of this hazardous substance in at least one homogeneous material in this part exceeds the limit requirement defined in GB/T 26572. Moreover, substitution cannot be implemented at present due to technical reasons, and it will be improved gradually along with technical progress in the future. *: It indicates that the environmental protection service life of the battery matched with the product is 2 years. | ||||||
Warning
The copyright of this manual belongs to Nanjing TICA Climate Solutions.
Anyone without consent or authorization shall not copy, reproduce or extract this manual without permission. TICA reserves the right to sue.
TICA PRO LLC
Tel.: +7 495 127 79 00,
+7 915 650 85 85,
+7 969 190 85 85
E-mail: [email protected]
www.tica.pro
Note: Due to constant improvement and innovation of TICA’s products, the product models, specifications and parameters contained in this document are subject to change without prior notice.

Caution
As shown in the figure on the right side, a water flow switch is composed of a water flow switch controller 1, a diaphragm 4, a water flow switch connector 2, and a short tube 3. When water passes through the water flow switch, the water flow strikes the diaphragm, which drives the water flow switch to close, thereby making the circuit close. When there is no water flow or the water flow is very low, the circuit will be disconnected to protect the unit.

Unit Commissioning and Operation Description
d). Install the backplane onto the 86mm×86mm junction box (prepared by the user), as shown below.


















