S A CWFL-500 Industrial Chiller

FOREWORD
Thanks for your purchase of our product. Please read this manual carefully before using and keep it properly so that you can refer to it whenever you need information.
This manual is not a quality guarantee. Our company reserves the right to the interpretation of the correction of misprint and improperly described information and product improvement. The revised content will be edited into the reprinted user manual without prior notice.
Notice
In order to ensure your personal safety and avoid property loss, you must pay attention to this manual, but not limited to the following warning notices. General electric knowledge and safety standards should also be followed.
DANGER: Failure to take safety measures will result in death or serious personal injury. 
DANGER Failure to take safety measures will result in death or serious personal injury. 
DANGER
Failure to take safety measures will result in minor personal injury or property damage. 

Overview
This product is an industrial cooling device designed and manufactured for laser cutting, laser welding, laser marking, laser engraving and other equipment that uses laser processing. It can provide a temperature-stable cooling medium for the above application scenarios.
The chiller is composed of a compressor, a condenser, a throttling device (expansion valve or capillary), an evaporator, and a water pump. Its working principle is that the chiller’s refrigeration system cools the water, and the water pump delivers the low-temperature cooling water to the equipment that needs to be cooled. Then the cooling water will take away the heat, heat up and return to the chiller, and then be cooled again and transported back to the equipment. In the refrigeration system of a chiller, the refrigerant in the evaporator coil absorbs the heat of the return water and vaporizes into steam. The compressor continuously extracts the generated steam from the evaporator and compresses it. The compressed high-temperature, high-pressure steam is sent to the condenser and later will release heat (heat extracted by the fan) and condense into a high-pressure liquid. After being reduced by the throttling device, it enters the evaporator to be vaporized, absorbs the heat of the water, and the whole process circulates constantly. Users can set or observe the working status of the water temperature through the temperature controller.
Model Illustration
Note: This model description only contains the description of the company’s main product codes, not all of them are listed. Please confirm with our company before ordering the specific model, our company has the final interpretation right about it.
Product Outlines & Parts
Note: The above-mentioned product outlines and part names are only for one of the models. The outlines and parts installation may be slightly different in different models.
Installation
- Open the package and check whether the machine is in good condition and whether the accessories are complete.
- Please ensure that the working voltage of the chiller is stable and normal.
Because the refrigeration compressor is sensitive to the power supply voltage, the normal working voltage of our company’s standard products is 210~240V (110V model is 100~120V). If wider operating voltage range is necessary, customization is available. - Equipment installation conditions and requirements.
- It must be installed on a horizontal surface and not tilted.
- The air outlet of the chiller should be at least 1.5m away from the obstacle, and the air inlet must be at least 1m away from the obstacle (See below diagram).
- Do not install in harsh environments such as corrosive, flammable gas, dust, oil mist, conductive dust, high temperature and humidity, strong magnetic field, direct sunlight, etc.
- Operating Environment
| Ambient Temperature | Ambient Humidity | Altitude |
| 0~45℃ | ≤90%RH | ≤3,000m |
Medium Requirements
- Cooling medium allowed by the chiller includes purified water, distilled water, high-purity water and other softened water. It is forbidden to use oily liquids, liquids containing solid particles, corrosive liquids, etc. Clean the filter element and replace the cooling water regularly (about three months is recommended) to ensure the normal operation of the chiller.
- When the chiller is stored with water at room temperature lower than 2℃, it is necessary to add anti-freezer in the chiller water tank. It is recommended to use antifreeze with a concentration of not more than 30% containing ethylene glycol or propylene glycol. After the temperature warms up, change to purified water, distilled water or other suggested cooling media, let the chiller run for 30 minutes to remove the residual anti-freezer and drain it, and then refill with unused circulating water.

- Determine the direction of the pipeline layout according to the water inlet and outlet of the chiller, and ensure that the waterway is clean and free of impurities, so as to prevent impurities from entering the waterway and causing blockage or pump failure.
- Plug in the power cord and turn on the power switch(It is forbidden to start without water).
- After turning on the power switch, the circulating pump of the chiller starts to work. When the new machine is turned on for the first time, there will be more air bubbles in the pipeline, which will cause the machine to alarm occasionally, and it will return to normal after a few minutes of operation.
- After starting the machine for the first time, check if the water pipes leaks immediately.
- After turning on the power, if the water temperature is lower than the set temperature, it is normal that the cooling fan and other devices of the machine do not work. The temperature controller will automatically control the working status of compressors, solenoid valves, cooling fans and other components according to the set parameters.
- As it takes a longer time to start over the compressor and other components, according to different conditions, the time is range from seconds to minutes, so do not turn off the power and again on frequently.
Electrical connection.
- Please select the cable based on the max. rated current indicated on the label of the chiller.
- Recommended reference standard for power cord diameter selection.
| Rated current/ A | ≤5 | ≤10 | ≤15 | ≤25 | ≤35 | ≤50 |
| Wire diameter (copper wire)/ mm² | 1.0 | 1.5 | 2.5 | 4.0 | 6.0 | 10.0 |
Note: This data is provided according to IEC 60204-1 standard and only for reference. Standard cables must be used in the power cord.
- The main circuit of the power supply must be equipped with appropriate electric leakage and overload protection devices, and the chiller must be well grounded.
- Less than ±10% of power supply voltage fluctuation and less than ±1Hz of frequency fluctuation are allowed, and keep away from electromagnetic interference sources.
Fill Water & Exhaust Air
Fill Water
After the new machine is turned on, the air in the water pipe is emptied, and the water level of the water tank will drop slightly. In order to keep the water level in the green area, you can add water again. Observe and write down the current water level. After the chiller has been running for a period of time, observe the water level gauge again. If the water level drops significantly, check again if there is leakage in the water pipes.
Exhaust Air
After adding water for the first time or replacing water, exhaust the air in the water pump to start use, otherwise the equipment will be damaged. The exhaust method is as follows:
Method 1: Under the state of shutting down, after adding water, remove the water outlet from the laser circuit (OUTLET L) and connect the water pipe, drain for 2 minutes, and then install it firmly.
Method 2:Open the water supply inlet, after starting the machine (water flows), repeatedly press and fold the water pipe several times to drain the air from the pipe.
Method 3: Loosen the air exhaust plug of the water pump (do not unscrew), and air is discharged until water flows out, and then tighten the air exhaust plug (See below diagram, only the exhaust position of the horizontal pump is shown. According to customer requirements and specific models, the pump will be different, and the exhaust position will also be different. For the specific situation, see the external mark of the pump).
Test-run Check.
- Check whether the pipeline connection is correct, and there must be no bubbling or water leakage;
- Check whether the inlet and outlet water ball valves are open and the drain valve is closed;
- Check the liquid level of the water tank;
- Confirm that the electrical wiring of the equipment is connected correctly;
- Confirm whether the equipment is grounded.
Operating States &Parameters Adjustment
- The new T-506A intelligent temperature controller does not need to adjust the controlling parameters under normal circumstances. It will self-adjust controlling parameters according to room temperature for meeting equipment cooling requirements.
- The new T-506B intelligent temperature controller is selected constant temperature control mode as the factory setting with water temperature at 25℃. User can adjust it as needed.
- T-506A and T-506B controllers are of the same functions and structure except factory setting.
Temperature control panel introduction
Indicators of temperature controller working status:
- COMP ON, compressor working
- SV ON, solenoid valve working
- Heating ON, heating rod working
- INT Ctrl ON, controller working in intelligent control mode
- CT Ctrl ON, controller working in constant temperature control mode
- PARAM Set ON, controller working in parameters setting mode
- ALM OUT ON, alarm output status
- Room Temp ON, displaying room temperature
- ST DLA ON, starting up delay status
- Press
the key to show the room temperature(the Room Temp light is on), press
a key to show the real-time frequency value of the flow sensor, and 6 seconds later default display restores.- keys
are for modifying parameter values and
keys are for switching parameter items.
- keys
- RST key: confirm
- SET key: setting function
Restore to factory settings
- Before the machine startup, press and hold
keys until the controller displays rE.6 seconds after the keys are released, the controller works in normal status. All parameter values settings of the controller have been restored to factory settings.
Alarm function
- Alarm display:
When alarm occurs, the error code and the temperature will be alternately displayed. - To suspend the alarm:
| C | E2 | E3 | E4 | E5 | E6 | E7 |
| Ultrahigh room temperature | Ultrahigh water temperature | Ultralow water temperature | Room temperature sensor failure | Water temperature sensor failure | External alarm input | Water flow alarm input |
- In alarming state, the alarm sound could be suspended by pressing any button, but the alarm display remains until the alarm condition is eliminated.
General settings adjustment
- Press SET key to enter into the user defined state. Meanwhile, PARAM SET is on, controller in parameters setup status .
- Under intelligent mode, the control panel displays the difference value between water temperature and room temperature(default value is 2).
- Under constant temperature mode the control panel displa ys the set water temperature value (default value is 25).
- At this moment, press
the keys to change settings. After modifying the value, press the RST key to save and exit, then new parameters take ef fect. If there is no more action within 20 seconds, it will automatically exit modifying the status without saving parameters.
Advanced settings adjustment
- Press and hold the key while press SET key for 5 seconds u ntil 00 displayed in upper window and PAS in lower window. Then press
keys to select the password (default setting is 8), and then press the SET key, if the password is correct, F0 is displayed, entering into setup status and indicating that the controll er is under parameters setup status. If the password is incorrect, it returns to temperature display. - Enter setup state, press
keys to switch parameter items circularly, then press keys to modify the parameter values. Press enter key RST at any time to exit parameters setup with saving modified parameters and return to temperature display, then the chiller runs under the new parameters. If no key is pressed within 20 seconds, the controller will automatically exit the parameters setup without saving the mo dified parameters (under parameters setup status, system running in original parameters). Under parameters setup status, SET key does not work.
Note: - During parameters setting condition, system runs under original parameters.
- Under constant temperature control mode, the water temperature is controlled by parameter F0.
- Under intelligent control mode, the water temperature will be automatically adjusted as the room temperature changes. The temperature difference is commanded by F1.
Advanced parameters adjustment case
| Order | Code | Items | Value in Case 1 | Value in Case 2 |
| 1 | F0 | Temperature setting | 25 | |
| 2 | F1 | Temperature Difference Values | -3 | |
| 3 | F2 | Refrigeration return difference | 0.5 | 2.0 |
| 4 | F3 | Way of control | 1 | 0 |
| 5 | F4 | Alarm for over high water temperature | 15 | 5 |
| 6 | F5 | Alarm for over low water temperature | 15 | 10 |
| 7 | F6 | Alarm for over high room temperature | 45 | 45 |
| 8 | F7 | Password | 8 | 8 |
| 9 | F8 | The allowed highest water temperature | 31 | 30 |
| 10 | F9 | The allowed lowest water temperature | 25 | 5 |
| 11 | F10 | Alarm of sensor pulse frequency | 8 | 8 |
- Case 1: Cooling water temperature is controlled by intelligent control mode. Requiring water temperature to be between 25℃ to 31℃. The target water temperature is 3℃ lower than room temperature. When room temperature remains, the water temperature fluctuation shall not exceed ±0.5℃.There will be an alarm when water temperature is 15℃ lower or higher than target water temperature (e.g. when room temperature is 30.0℃, cooling water temperature is between 27.5℃ to 26.5℃. If room temperature is up to 30.5℃, water temperature will be between 28.0℃ to 27.0℃).
- Case 2: Cooling water temperature is controlled by constant temperature control mode. Requiring water temperature to remain at 25℃, and the water temperature fluctuation does not exceed ±2℃. The alarm of over high water temperature will be on when water temperature is 5℃ higher than the set water temperature, and the alarm of over low water temperature will be on when water temperature is 10℃ lower than the set water temperature. Users can easily adjust water temperature between 5℃ and 30℃ through user setup.
Alarm & Output Terminal
In order to guarantee the equipment will not be affected while abnormal situation happens to the chillers, the chillers are designed with alarm protection function.
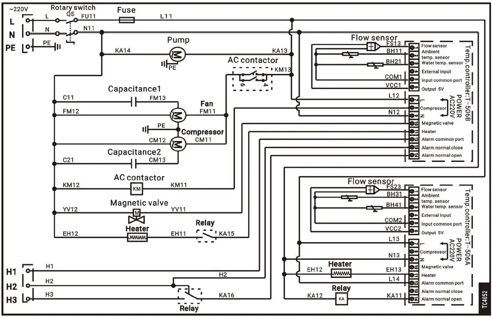
Alarm output terminals and wiring diagram.
Alarm causes and working status table.
| Display Condition | Alarm code | Buzzer | OUT H1、H2 | OUT H1、H3 |
| Circulating pump works properly | DISCONNECTION | BREAKOVER | ||
| Ultrahigh room temp | E1 | Sounds | BREAKOVER | DISCONNECTION |
| Ultrahigh water temp | E2 | Sounds | BREAKOVER | DISCONNECTION |
| Ultralow water temp | E3 | Sounds | BREAKOVER | DISCONNECTION |
| Faulted room temp sensor (constant temp invalid) | E4 | Sounds | BREAKOVER | DISCONNECTION |
| Faulted water temp sensor | E5 | Sounds | BREAKOVER | DISCONNECTION |
| Alarm of water shortage | E6 | Sounds | BREAKOVER | DISCONNECTION |
| Low flow rate / water flow alarm | E6/E7 | Sounds | BREAKOVER | DISCONNECTION |
| Faulted circulating pump | E7 | Sounds | BREAKOVER | DISCONNECTION |
| Chiller power failure | BREAKOVER | DISCONNECTION |
Note: The alarm output port is connected with a set of normally open and normally closed contacts of the relay inside the machine. The working current should be smaller than 3A while the working voltage should be smaller than 300V.
Maintenance
The equipment must be shut down for maintenance, and the power supply must be cut off. The operation can only be carried out after 3 minutes, otherwise there will be a risk of electric shock. When the room temperature is lower than 2°C, the internal water must be drained when the machine is shut down for a long time.
Remove Dust Regularly
Regularly disassemble the filter gauze for cleaning and use a compressed air gun to blow away the dust on the condenser (about 1 week is suggested and the air filter must not be missing for a long time).
Guarantee Water Quality
A certain amount of impurities will accumulate in the filter element over a period of time, which will cause a decrease in water flow, or even a secondary pollution. Therefore, it is necessary to clean or replace the filter element regularly.
Simple Troubleshooting
| Failure | Failure Cause | Approach |
| Machine turned on but unelectrified | Power cord is not plugged in place | Check and ensure the power interface and the power plug is plugged in place and in good contact. |
| Fuse burnt-out | Open the electric box cover, check the fuse and replace with a spare one if necessary. Check whether the power supply voltage is stable; Check and ensure the power interface and the power plug are in good contact. | |
| Flow Alarm, Use a water pipe to directly connect to the water outlet and inlet but still without water flowing | Water level in the water tank is too low | Check the water level gauge display, add water until the level shows in the green area; And check whether water circulation pipe leaks. |
| Flow alarm occurs while chiller is connecting toother equipment, but there is water flowing and no alarm when a water pipe is directly connected to the chiller water outlet and inlet. | Water circulation pipes are blocked or a pipe bending deformation. | Check water circulation pipe |
| Ultrahigh water temperature alarm(temperature controller displays E2) | Blocked dust gauze, bad thermolysis | Disassemble and clean the dust gauze regularly |
| Poor ventilation for air outlet and inlet | To ensure a good ventilation for air outlet and inlet | |
| Voltage is extremely low or unstable | To improve the power supply circuit or use a voltage regulator | |
| Improper parameter settings on thermostat | To reset controlling parameters or restore factory settings | |
| Switch the power on and off frequently | To ensure there is sufficient time for refrigeration (more than 5 minutes) | |
| Excessive heat load | Reduce the heat load or use other model with larger cooling capacity | |
| Ultrahigh room temperature alarm(temperature controller displays E1) | The room temperature is too high for the chiller | To improve the ventilation to guarantee that the machine is running below 40℃ room temperature. |
| Serious problem of condensate water | Water temperature is much lower than ambient temperature, high humidity | Increase water temperature or to preserve heat for pipeline |
| Water drains slowly from drain port during water changing | Water supply inlet is not open | Open the water supply inlet |
| Startup flow alarm | Bubble in the water pipe | Exhaust the air |
Attachment – Schematic
CWFL-500/1000
CWFL-1500/2000
CWFL-3000




















