VEVOR CW-3000 Series Industrial Refrigeration Chiller User Manual
SAFETY INFORMATION
Warning
- DO NOT run this chiller without first providing adequate water. eionized or distilled water is preferrable.
- ONLY use with stable, compatible, and well-grounded power supplies. See page 5 for thecorrect voltage for your model.
- Place this chiller in a well-ventilated, dry environment away from heat sources but warm enough to avoid freezing temperatures.
- Leave at least 1 foot (30 cm) of space behind the rear air outlet.
- Leave at least 4 inches (10 cm) of space around the two side air inlets.
- Do not allow children or untrained persons to use this chiller.
- Pay attention to possible condensation on the chiller and its water lines. If condensation is observed, raise the water temperature, keep the water lines and cooled components warmer, or reduce ambient humidity until no condensation occurs.
- When cooling a laser engraver, take care that this device does not cause the room’s humidity to exceed safe levels.
- Do not all the air filter to become blocked by dust. Clean it regularly.
- Disconnect the power and drain all water from the chiller before storage or transport.
Caution
- Remember that the OUTLET of the water chiller should connect to the INLET of the product to be cooled. Similarly, the water chiller’s inlet should be connected to the other machine’s water outlet.
PACKAGE LIST
1 × Industrial Chiller
1 × Power Cord
1 × Alarm Signal Output Plug
1 × Spare Fuse (held near the rear power socket)
1 × Instruction Manual
PARTS DIAGRAM
FRONT
BACK
INSTALLATION
It is very simple to install this industrial chiller.
- Open the package to check that the machine is intact and all the necessary accessories are included.

- Open the injection port and add water. For best results, use deionized water. Pour slowly and do not fill the chiller completely. There should be about 3–6 inches (8–15 cm) between the opening and the top of the water in the machine. Do not allow the water to overflow. For cooling carbon steel equipment, the water should have the appropriate amount of anticorrosive additive.

- Connect the water inlet and outlet pipes to the system you wish to cool. Be sure to connect the chiller’s OUTLET pipe to your system’s INLET port and the chiller’s inlet pipe to the system’s outlet port.

- Plug in the power and flip the power switch. The pump will begin working. There may be some bubbles at first. These should disappear after a minute or two. Don’t worry if the fans and other components of the chiller do not activate. They are usually automatically controlled and will not begin working until they are needed by the machine. In different conditions, the time for startup may vary from seconds to a few minutes. Do not become frustrated and switch the machine on and off, except when necessary to add water.

- Check the water level of the water tank again, as in Step 2 above. The water level of the chiller will lower somewhat as it fills the cooling path of your machine. If necessary, carefully add more water to the chiller to maintain a level about 3–6 inches (8–15 cm) below the top of the chiller. If the water level drops sharply or continues to go down during normal use, turn off your devices and examine the water pipes and cooling path for leakage. Repair any such leaks before restarting the devices and continuing work.

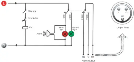
ALARMS
Alarm Lights and Sounds
| DISPLAY CONDITION | Indicator Lights | Alarm | H1/H2 Output | H1/H3 Output |
| Normal | None | Off | ||
| Blocked pathway | ||||
| Water above 140°F (60°C) | ||||
| Faulty pump | ||||
| Water shortage | ||||
| Electrical circuit failure | ||||
| Power interruption |
Note that the flow alarm is connected to relay contacts requiring that the operating current be less than 5A and working voltage less than 300V.
Alarm Circuit

MAINTENANCE
- Clean with a soft damp cloth and mild soap. Never allow water to enter the chiller’s electrical components. Do not use caustic chemicals or harsh abrasives.
- Always keep the vents clean and unobstructed and the filters clear.
Periodically confirm that no dust or debris has entered the water tank of your chiller. If any is found, empty and clean the tank completely before continuing use.
SPECIFICATIONS
| Model | CW-3000AG | CW-3000DG | CW-3000AF | CW-3000DF | CW-3000AK | CW-3000DK |
| Voltage | 220V | 110V | 220V | 110V | 220V | 110V |
| Frequency | 50Hz | 60Hz | 50Hz | 60Hz | 50Hz | 60Hz |
| Current | 0.45A | 0.9A | 0.45A | 0.9A | 0.5A | 1.0A |
| Cooling | 27.8W/°F (50W/°C) | 33.3W/°F (60W/°C) | ||||
| Capacity | 2.4 US gal. (9L) | |||||
| Port Dia. | 10 mm | 8 mm | 6 mm | |||
| Max. Lift | 32.8 ft. (10 m) | 229.7 ft. (70 m) | ||||
| Max. Flow | 2.6 gpm (10 L/min.) | 5.3 gpm (20 L/min.) | ||||
| Net Weight | 20.9 lb. (9.5 kg) | 26.5 lb. (12 kg) | ||||
| Dimensions | 19×11×15 in. (48.3×27×38 cm) | |||||
TROUBLESHOOTING
Never use a dangerous system like a laser engraver if the water cooling system is malfunctioning. If the laser or other dangerous device is already on, shut it down immediately and correct the problem with the chiller before using it again.
| Failure | Approach |
| The machine has no power. | Check that the power cord is firmly connected. |
| Cut the device’s power and pull out the fuse box from the back of the machine. If the fuse has blown, ensure that the power supply is stable or install a voltage regulator. Replace the fuse with the spare stored in the fuse box. | |
| The machine is on, but the water does not flow. | Check that there are no leaks in the water pipes or cooling pathway. Then add more water until it reaches the correct height. |
| The water is flowing but there is an alarm. | Check that there are no leaks in the pipes and add more water. |
| The water temperature is too high. | Check that the chiller has proper room for ventilation and the air filter is clean. |
| Ensure that the power supply is stable or install a voltage regulator. | |
| Ensure that there is sufficient time for refrigerator to occur before activating the device you want to cool. At most, with a functioning machine, this should take less than 5 minutes. | |
| Reduce the heat load or upgrade to a stronger chiller. | |
| The fan does not turn on. | This is normal when the water is below 70°F. If the water is heated and the fan still does not operate, contact customer service. |
| The room temperature is too high. | Ensure the chiller has proper room for ventilation (See p. 1). If it already does, take action to cool the surrounding work space. |
| There is constant condensation around the machine and the water lines. | Increase the water temperature or heat the area around the cooling path. Failing this, take action to reduce the ambient humidity of the surrounding work space. |
| Water drains slowly. | Open the injection port. |
CONTACT US
Thank you for choosing our products! If you have any questions or comments, contact us at [email protected] and we’ll resolve your issue ASAP!
For a .pdf copy of the latest version of these instructions, use the appropriate app on your smartphone to scan the QR code to the right.






















