
M1 Series Portable Water Chillers
Instruction Manual
I.O.M. #073 update 12/01/2022
INSTRUCTION MANUAL • INSTALLATION
OPERATION • MAINTENANCE
Covering models
From 1/4 to 1.5 tons
With ‘M1’ Instruments
ADVANTAGE ENGINEERING, INC.
525 East Stop 18 Road Greenwood, IN 46142
317-887-0729 fax: 317-881-1277
Service Department fax: 317-885-8683
www.AdvantageEngineering.com
E-mail [email protected]
Model:…………………….
Serial Number :…………………………
M1 Series Portable Water Chillers
INSTRUCTION MANUAL With M1 INSTRUMENT AIR-COOLED MODELS COVERING
INSTALLATION OPERATION MAINTENANCE
ADVANTAGE ENGINEERING, INC.
525 East Stop 18 Road Greenwood, IN 46142
317-887-0729 fax: 317-881-1277
Service Department fax: 317-885-8683
Website: www.AdvantageEngineering.com
E-mail: [email protected]
GENERAL
1.1 INTRODUCTION
A. This manual covers portable chillers from 1/4 to 1.5 tons (1 to 5.26 kW) of cooling capacity using the Advantage M1 microprocessor control instrument and hermetic compressors. The standard fluid operating temperature range for this chiller is 20°F to 65°F for units using R-134A refrigerant. Units equipped with a CCPR valve operate up to 90°F. Units using other refrigerants have different standard operating ranges. Units operating below 48°F fluid require the use of a water/propylene glycol to prevent freezing. Customized units may have different operating ranges. Consult the factory if you have questions about the operating range of your chiller.
B. The intent of this manual is to serve as a guide in the installation, operation and maintenance of your chiller. Improper installation can lead to equipment damage and poor performance. Failure to follow the installation, operation and maintenance instructions may result in damage to the unit that is not covered under the limited warranty. This manual is for standard products. The information contained in this manual is intended to be general in nature. The information is typical only and may not represent the actual unit purchased.
C. Chemical refrigerants are used in this unit. The refrigerant is sealed and tested in a pressurized system however a system failure will release it. Refrigerant gas can cause toxic fumes if exposed to fire. Install this unit in a well-ventilated area away from open flames. Failure to follow these instructions may result in a hazardous condition. Recover refrigerant to relieve pressure before opening the system. See nameplate for refrigerant type. Do not use non-approved refrigerants or refrigerant substitutes.
D. Customers should implement a refrigerant management program to document the type and quantity of refrigerant in each chiller. All refrigeration service technicians performing work on this chiller must be licensed and certified.
E. When calling for assistance from the Manufacturer’s Service Department, it is important to know the model and serial number of the particular unit. The model number includes critical unit information which is helpful when troubleshooting operating difficulties. The serial number allows the service team to locate manufacturing and testing ecords which can have additional information relating to a particular unit.
1.2 SAFETY
A. It is important to become thoroughly familiar with this manual and the operating characteristics of the unit.
B. It is the owner’s responsibility to assure proper operator training, installation, operation, and maintenance of the unit.
C. Observe all warning and safety placards applied to the chiller. Failure to observe all warnings can result in serious injury or death to the operator and severe mechanical damage to the unit.
D.
Observe all safety precautions during installation, startup and service of this equipment due to the presence of high voltage and refrigerant charge. Only qualified personnel
should install, startup and service this equipment.
E. When working on this equipment, observe precautions in literature and on tags, stickers and labels located on the equipment. Wear work gloves and safety glasses.
WARNING: This equipment contains hazardous voltages that can cause severe injury or death. Disconnect and lock out incoming power before installing or servicing the equipment.
WARNING: This equipment contains refrigerant under pressure. Accidental release of refrigerant under pressure can cause personal injury and or property damage. Exercise care while working on or around this equipment.
WARNING: Vent all refrigerant relief valves in accordance to ANSI/ASHRAE Standard 15, Safety Code for Mechanical Refrigeration. This equipment should be located within a wellventilated area. Inhalation of refrigerant can be hazardous to your health and the accumulation of refrigerant within an enclosed space can displace oxygen and cause suffocation
Samples of Warning Labels applied to typical chillers.
| Alerts users to the danger of high voltage. | ||
| Alerts user to the danger of the rotating condenser fans on air condensed units. | ||
| Alerts user to the danger of the rotating condenser fans on air condensed units. | ||
| This symbol is seen on all chillers to alert user to the danger of the refrigeration system under pressure. System should only be serviced by a licensed technician. | ||
1.3 RECEIVING INSTRUCTIONS
A. Chillers are shipped skid mounted and wrapped in plastic prior to shipment. Check the overall condition of the equipment prior to accepting delivery.
B. Check for visible damage and document any evident damage on the delivery receipt. Check the refrigerant gauges to be sure the system charge is intact. See the chart in section 8.4 for proper pressure readings based on the ambient temperature and refrigerant type used in the chiller. Shipping damage is the responsibility of the carrier.
C. In order to expedite payment for damages, should they occur, follow proper procedures and keep detailed records. Take photographs of any suspected damage.
1.4 EFFICIENCY
A. Long term efficiency of operation is largely determined by proper maintenance of the mechanical parts of the unit and the water quality. The Manufacturer recommends filtering the process water to prevent solids from plugging critical parts. The Manufacturer highly recommends that the services of a qualified water treatment specialist be obtained and their recommendations be followed. The Manufacturer accepts no responsibility for inefficient operation, or damage caused by foreign materials or failure to use adequate water treatment.
WARNING: Vent all refrigerant relief valves in accordance to ANSI/ASHRAE Standard 15, Safety Code for Mechanical Refrigeration. This equipment should be located within a wellventilated area. Inhalation of refrigerant can be hazardous to your health and the accumulation of refrigerant within an enclosed space can displace oxygen and cause suffocation.
1.5 CLEAN AIR ACT
A. Units manufactured after January 1, 2010 may contain refrigerant HFC-410A, HFC-407C, HFC-404A or HFC-134A. Most units manufactured prior to January 1, 2010 contain refrigerant HCFC-22.
B. It is unlawful for any person in the course of maintaining, servicing, repairing, or disposing of refrigeration equipment to knowingly vent or otherwise dispose of any substance used as a refrigerant in the manner which permits such substance to enter the atmosphere.
C. Very small releases associated with good faith attempts to recapture, reclaim or recycle such substance shall not be subject to the prohibition set forth in the preceding paragraph.
D. Customers should implement a refrigerant management program to document the type and quantity of refrigerant in each chiller. All refrigeration service technicians performing work on this chiller must be licensed and certified.
E. Vent all refrigerant relief valves in accordance to ANSI/ASHRAE Standard 15.
WARNING: Improper water treatment will void unit warranty.
1.6 WATER TREATMENT
A. The use of untreated or improperly treated water in a portable chiller may result in scaling, erosion, corrosion, algae or slime.
B. It is recommended that the services of a qualified water treatment specialist be engaged to determine what water treatment is required.
C. Advantage assumes no responsibility for equipment failures which result from untreated or improperly treated water.
D. Do not use straight deionized or RO (reverse osmosis) water in this unit. Some customized units may be compatible with deionized or RO water. Consult the factory before using deionized or RO water.
1.7 COMPONENTS
INSTALLATION
2.1 GENERAL
A. Chillers are shipped skid mounted and wrapped in plastic prior to shipment. Check the overall condition of the equipment prior to accepting delivery. Check for visible damage and document any evident damage on the delivery receipt. Shipping damage is the responsibility of the carrier.
B. All process piping materials (such as hose, rigid piping, valves or filters) used in process water piping circuitry must be rated for 100°F minimum temperature and 100 PSI
minimum pressure.
C. All such materials must have the equivalent or larger diameter of the particular process connection that length of process water piping is connected to.
2.2 UNIT LOCATION
A. Foundation. The chiller must be installed on a rigid and level mounting surface with adequate strength to support the operating weight of the chiller including the weight of water and attached piping.
This unit will contain water or water/glycol when operating. Locate the chiller where an unforeseen fluid leak will not cause damage to the surroundings or install the unit in such a way that an unforeseen fluid leak will not damage its surroundings.
B. For air-cooled and water-cooled models:
- These units are designed for indoor use only.
- For most efficient operation, locate the chiller in a level, clean, dry and well ventilated environment.
C. For air-cooled models:
- The unit has an air-cooled refrigerant condenser. For air- cooled condensers, a motor driven fan generates air flow through the condenser to remove heat from the refrigerant system. The air cooled condenser on the unit will discharge approximately 15,000 BTU’s per hour per ton of cooling and the air flow rate is approximately 1,000 cfm/ton.
- The unit must have a minimum entering air temperature of 60°F and a maximum entering air temperature of 90°F for efficient operation.
- For non-custom units, air flow is drawn through the face of the condenser and discharged out the other 3 sides of the unit. The unit must have a minimum of four feet clearance at the air intake and three feet at the air discharge and must have adequate ventilation to dissipate the rejected heat. The unit must not be placed in a non-ventilated area such as a closet or small non-ventilated room.
- Units with a motor-driven fan may not use duct work unless a booster fan of equal volume rating has been installed in the duct.
2.3 TO AND FROM PROCESS CONNECTIONS
A. Use appropriately rated hose or fluid piping to connect the process piping going to your process to the “to process” connection on the chiller.
B. Use appropriately rated hose or fluid piping to connect the process piping coming back from your process to the “from process” connection on the chiller.
C. Install a high volume basket strainer in the From Process line with isolation valves. A basket strainer or bag filter with a mesh screen of 20-40 microns will protect the unit. A “wye” type strainer is not recommended because it does not have adequate debris holding capacity.
D. Process water piping should be designed to avoid excessive elbows and/or lengths of pipe or hose. If using flexible hose avoid tight twists or curls and excessive lengths.
E. Valves and filters may be installed in the process water piping to facilitate service and maintenance provided that such devices maintain the full inside diameter of the process connection. If installed, all such devices must be open and clean during unit operation.
F. It is important to check all external process connections for leaks prior to starting the unit. It is also important to check external connections for leaks and internal hose clamps and connections for leaks after servicing the unit.
2.4 AIR COOLED CONDENSER
A. Air-cooled condensers require ambient air temperatures between 60°F and 90°F for efficient operation. Operating above 90°F may result in elevated condensing pressures and eventual shut-down on the high pressure limit switch. Air temperatures below 60°F may result in over condensing pressures and cause a low pressure refrigerant fault. Consult with the Manufacturer’s service department for more information on operating with ambients air temperatures above 90°F or below 60°F.
B. Air flow is generated by the motor mounted fan. Air flow is from the outside of the chiller, through the condenser and exhausted through the unit. Exhaust air can not be
ducted on motor mounted fan models.
C. For non-custom units, air flow is drawn through the face of the condenser and discharged out the other 3 sides of the unit. The unit must have a minimum of four feet clearance at the air intake and three feet at the air discharge and must have adequate ventilation to dissipate the rejected heat. The unit must not be placed in a non-ventilated area such as a closet or small non-ventilated room.
D. At full load, the chiller will discharge approximately 15,000 BTU’s per hour per ton of cooling.
F. Condenser Air Filtering. Use a filter that produces very low air flow restrictions. Generally a disposable fiberglass filter with a MERV rating of 2 – 3 provides adequate airfiltration. The purpose of the filter is to prevent large particles such as dust, lint and debris from fouling the condenser. You should be able to see through the filter media. Using restrictive filter media can cause loss of chiller capacity, difficulty running in warm weather and fan motor overheating.
WARNING: Do not connect the unit to a voltage supply not equal to the unit’s voltage requirements as specified on the unit’s data plate. Use of incorrect voltage will void the unit’s warranty and cause a significant hazard that may result in serious personal injury and unit damage.
WARNING: Electric Shock Hazard. High Voltage is present in the electrical cabinet. Disconnect power before servicing. Follow all facility lock-out tag-out procedures.
2.5 ELECTRICAL CONNECTION
A. STANDARD MODELS
- All electrical wiring must comply with local codes and the National Electric Code.
- Electrical power supply requirements for standard units are identified on the equipment data tag. Determine that the plant’s voltage supply is the same as the unit’s voltage requirements, taking into account the SSCR Rating.

- A factory installed power cable is supplied on most models. If a power cable is not supplied from the factory the customer must supply the proper power cable. The power cable (factory or customer supplied) will be connected to a customer supplied fused disconnecting means. The fused disconnecting means shall be sized and installed according to the unit’s power supply requirements and local electrical codes. (Some custom units may include a fused or non-fused disconnect switch.)
- A unit specific electrical drawing is shipped with the unit.
- Voltage supplies must be within +/- 10% of the name plate voltage and must be within 2% from leg to leg. Extreme voltage imbalance or using the wrong voltage can damage your chiller and cause premature unit failure as well as a safety risk.
- A proper ground is required for the unit.
B. CONTROL CIRCUIT WIRING
- The unit’s supplied control circuit is 110 volt, 1 phase, 60 cycle.
- The control circuit is supplied by the factory installed transformer. A control circuit fuse is provided.
WARNING: Check that all electrical connections are tight before starting. Disconnect power before servicing. Follow all facility lock-out tag-out procedures.
C. GENERAL
- Make certain all ground connections to the unit are properly affixed.
- Make certain power conductor, disconnecting means, and fusing are properly sized according to the unit’s power supply requirements.
- Follow all local and national codes.
- Make certain that all owner and factory wire connections are tight before applying power to the unit.

OPERATIONS
3.1 GENERAL
A. Failure to follow the factory required operations procedure may adversely affect the unit’s ability to adequately control process temperature and may create a hazardous operating condition which may result in serious operator injury and/or unit damage.
WARNING: Follow all Factory operations procedures. Failure to do so may create a hazardous operating condition which may result in serious operator injury and/or unit damage.
B. The OPERATIONS segment of this manual is divided into the following sections:
3.2 Start up/operations – follow this segment to start the unit after the initial installation to the process system or to restart the unit after reinstallation to the same or different process system. This section includes information on system fill, electric motor phasing (motor rotation) and process flow adjustments.
3.3 Chiller Control – follow this segment to start up and operate the chiller control. This section includes information on setpoint selection and adjustment, and feature explanations.
3.4 Shut down procedure – follow this segment to shut down the unit. This segment includes information on system shut down, electrical power supply precautions, and disconnection from system.
3.2 START UP / OPERATION PROCEDURE
A. System Fill
- For operating temperatures from 48°F to 80°F use water to fill the unit. For operating temperatures below 48°F a water and propylene glycol mixtures must be used. An inhibited propylene glycol can be used for operating temperatures above 48°F if desired to prevent corrosion and scaling. Use the minimum ratio that is recommended by the glycol manufacturer. See section 8 of this manual for more information.
- The unit has an internal reservoir which must be filled and maintained for proper operation. Some units are customized to draw water from an owner supplied external reservoir and will not have an internal reservoir. These units will normally have an “R” in the model number. Example: M1-1.5AR and are referred to as “reverse flow”. See Section 6.3.J for more information.
Please note, Sections 3.2.A & 5.4 are not applicable for reverse flow units. - WATER QUALITY CONTROL. Lack of, as well as, improper water treatment can damage the chilling unit. The services of competent water treatment specialist should be obtained and their recommendations followed. It is the equipment owner’s responsibility to prevent damage from foreign material or inadequate water treatment. See water treatment section in section 1.6 of this manual for more information.
- FOR OPTIONAL AUTOMATIC FILL: Always install a manual shut off valve on the make-up water supply on the outside of the unit. When electrical power is applied to the unit but the On/Off Selector is in the ‘off’ position open the owner supplied shut off valve. The level switch will activate the make-up solenoid (figure 3.2A), which will open and the water supply will fill the reservoir tank. Do not use automatic fill when operating at temperature below 48°F.

- MANUAL FILL: Disconnect and lock out the electrical power supply and remove all necessary cover panels to access the reservoir. Add fluid directly to the reservoir. When the pump is first started, as process lines are filled and air is purged, additional fluid may be required to restore the reservoir to the correct level. Verify reservoir level via the coolant sight glass (figure 3.2B).

- Do not use deionized water in this unit unless your unit was specifically designed for use with deionized water. Consult factory if not certain.
B. PROCESS FLOW ADJUSTMENTS
- The operator must determine and set proper water flow rate for the most efficient and trouble free operation.
a. Water flow rate through the process is determined by the pressure losses in the process loop. Generally, higher flow rates result in turbulent flow achieving maximum temperature control and lower maintenance. Since the evaporator in most liquid chillers is flow sensitive, the efficiency of operation is directly related to the flow of liquid.
b. Maximum chiller efficiency is obtained at approximately 2.4 gpm per ton of rated capacity. Low liquid flow can reduce efficiency and in some cases allow ice to develop in the evaporator which can damage the evaporator. Excessive liquid flow will trip the motor overload protection circuit. - Switch on the illuminated ON/OFF SWITCH to activate the process pump. Wait a few moments to allow air to be purge from system. Observe the COOLANT pressure gauge for steady readout. Check unit for low and high flow..
- LOW FLOW: If a low flow condition is present, be sure all process valves are open. If all process valves are open and a low flow conditions exists, consider the following:
a. Low flow can cause the low refrigerant pressure limit switch to trip.
b. To operate under a low flow condition, it is necessary to install a flow bypass system in the process circuitry. This will allow a portion of the flow to bypass the process and return directly to the chiller. This keeps the total flow above the cutoff point. The illustration below a typical bypass loop.
- HIGH FLOW: If a high flow condition is present:
a. High flow can cause premature component wear and poor operating conditions.
b. Adjust the flow so that an 8°F – 10°F rise in water temperature is indicated while the system is fully loaded.
3.3 INSTRUMENT/OPERATION

A. INSTRUMENT START-UP
- When the correct electrical power and adequate water supply pressure are supplied to the unit, it is possible to start the unit.
- Upon power up, the instrument displays “ChF” indicating that the unit is in Fahrenheit temperature mode or “ChC” indicating that it is in Celsius mode. The control then shows the current setpoint for approximately 2 seconds before reverting to the To Process temperature. When power is supplied to the unit, the ON/OFF switch will illuminate.3. PRECAUTIONS:
The chiller control is programmed from the factory with a setpoint range of 48° to 70°F. To operate below 48°F, the addition of inhibited propylene glycol and modification of the limit control settings are required. Diligent monitoring of the water/glycol solution is mandatory to prevent freezing of the evaporator. Freezing may cause the evaporator to rupture allowing water and freon to mix which will cause major damage to the refrigeration system.
R134A and R407C models operating above 70°F and R404A models operating above 60°F require the addition of a refrigerant crankcase pressure regulating (CPR) valve. The CPR valve is necessary to prevent overloading of the compressor which can cause premature failure. R410A models may be operated up to 80°F without a CPR valve.
Contact your local refrigeration contractor or the factory for further information. The operating range of the chiller control may be changed to 10°F – 90°F by adjusting the Setpoint Lockout (SPL) jumper. Refer to Section 3.3.c.3 of this manual for more information.
B. INSTRUMENT OPERATION
- To start the unit, toggle on the illuminated ON/OFF SWITCH. The pump will start and the chiller control will begin temperature control operations.
- To select setpoint temperature, press and hold the UP ARROW or DOWN ARROW keys until the desired set point temperature is displayed in the TEMPERATURE WINDOW. The default range for the setpoint temperature is 48° – 70°F or 9° – 21°C.
- The setpoint temperature can be displayed by pressing the UP ARROW or DOWN ARROW keys. The setpoint temperature will be displayed for 5 seconds.
- When the compressor is turned off, the instrument will wait 3 minutes before turning it back on regardless of the To Process temperature or setpoint. If a fault has occurred, the control will attempt to turn the compressor back on after 3 minutes. If the fault condition remains, the compressor will not restart and the control will retry after 1 minute. This sequence will repeat 3 times then the system will lock-out and the unit must be powered off/on to restart the unit.
- Under normal conditions (no fault conditions, compressor has been off for three minutes) the instrument will turn on the compressor when the To Process temperature is above the setpoint. The instrument will engage the optional capacity control system (hot gas bypass) when the To Process temperature is below the setpoint by no more than 3 degrees.
The instrument will turn off the compressor and capacity control system when the To Process temperature is 4 degrees or more below the setpoint.
C. CONTROL INSTRUMENT COMPONENTS
- ILLUMINATED ON/OFF SWITCH: This rocker switch starts or stops the unit. Electrical power is supplied to the unit when the switch is illuminated.
- UP ARROW and DOWN ARROW KEYS: Depress and hold this push button to increase (UP ARROW) or decrease (DOWN ARROW) the setpoint temperature.
If the push button is pressed momentarily the setpoint value is incremented or decremented by one degree. If the push button is held down the setpoint will increase or decrease continuously. - SETPOINT LOCK OUT JUMPER: This jumper controls whether the user is allowed to reduce the setpoint below 48°F or 9°C. If the jumper is in position 1 (farthest from the SPL label) the user IS NOT ALLOWED to reduce the setpoint below 48°F or 9°C. If the jumper is in position 2 (closest to the SPL label) the user is allowed to reduce the setpoint to 10°F or -11°C.
- TEMPERATURE DISPLAY JUMPER: If this jumper is in the “F” position, the To Process and Setpoint temperatures are displayed in Fahrenheit. If the jumper is in the “C” position, the To Process and Setpoint temperatures are displayed in Celsius.
5. Probe Calibration: This pot (CALPOT 1) is used to calibrate the probe circuit.

D. STATUS LIGHTS
- COMPRESSOR: Illuminates when compressor is turned on.
- CAPACITY CONTROL: Illuminates when capacity control system is turned on.
- REFRIGERANT FAULT: Illuminates when there is a high pressure or low pressure fault. Check troubleshooting section of this manual for more details.
High Pressure Fault. If the chiller control detects a high pressure condition it will immediately turn off the compressor and hot gas bypass.

Low Pressure Fault. After the compressor is turned on, the control has a 15 second buffer for the low pressure fault. If a low pressure condition occurs within the first 15 seconds, the control waits the amount of time specified by the “LP TIME” potentiometer before indicating an fault and turning off the compressor. If the condition is corrected before the time expires, no fault occurs. If a low pressure condition occurs 15 seconds after the compressor turns on, the instrument waits 20 seconds before indicating a fault and turning off the compressor.
E. TEMPERATURE DISPLAY
- A three digit display window indicates the appropriate temperature. The window also displays the numeric value for the setpoint temperature.
- The To Process temperature is always displayed unless a button has been pressed. If there is a probe error, the display will show three dashes “—”.
- When the water temperature in the chiller is above approximately 100°F the display will show three dashes “—”.
F. PRESSURE GAUGES (optional)
- PROCESS PRESSURE GAUGE: Indicates process pump pressure.
- REFRIGERANT HEAD PRESSURE GAUGE: Indicates refrigerant pressure on the discharge side of the compressor. The refrigerant head pressure is also the condensing pressure which is critical to equipment efficiency.
- LOW PRESSURE GAUGE: Indicates refrigerant pressure on the suction side of the compressor. This pressure will fluctuate with the process temperature.

3.4 SHUT DOWN/DISCONNECT SEQUENCE
A. PRECAUTIONS/WARNINGS
WARNING: Follow all shut down procedures outlined in this manual.
- The operator must follow all shut down procedures outlined in this manual. If the operator fails to follow all procedures outlined in this manual, an unsafe condition can develop resulting in damage to the unit or personal injury.
B. UNIT SHUT DOWN
- To shut down the unit without disconnecting from the process:
a. Move the ON / OFF switch to the off position. - To shut down the unit and disconnect from the process:
a. Move the ON / OFF switch to the off position.
b. Disconnect all process lines.
TROUBLESHOOTING
WARNING: Before troubleshooting or servicing this unit, follow all company lock-out tag-out procedures.
4.1 UNIT WILL NOT START
A. Power off. Check main disconnect.
B. Main line open. Check fuses.
C. Loose terminals. Tighten terminals with POWER OFF.
D. Control circuit open. Check control voltage fuses and transformer.
4.2 COMPRESSOR HUMS BUT WILL NOT START
A. Contactor problem. Check contacts and contactor operation.
B. Low voltage. Check voltage at main and at the unit. If voltage is OK at the main but low at the unit, increase wire size. If low at main, consult your local power company. Voltage must be +/- 10% nameplate rating.
C. No power on one phase of a three phase unit. Check fuses in control panel and main disconnect. Also check unit wiring, main plant fuse and wiring. If the problem is with the main power supply coming into the plant, call the local power company.
D. Loose terminals. Power off and follow all company lock-out tag-out procedure before tightening terminals.
4.3 SHUTS OFF ON HIGH PRESSURE LIMIT
Note: Units may be equipped with either an adjustable or non-adjustable “fixed” high pressure switch. If the refrigerant pressure exceeds the setting of the adjustable switch it must be manually reset when the discharge pressure falls to a safe level. The non-adjustable “fixed” high pressure switch will automatically reset when the discharge pressure falls to a safe level.
A. Insufficient condenser air flow. Check condenser filter for dirt, fins may be plugged with dirt or foreign material. Also, check for proper fan rotation. Note: All enclosure panels must be attached.
B. Fan motor not operating. Have electrician check fuses and wiring, motor starter and overloads, and motor. Repair or replace motor if defective.
4.4 SHUTS OFF ON LOW PRESSURE CONTROL
Note: Units may be equipped with either an adjustable or non-adjustable “fixed” low pressure switch. The adjustable or fixed low pressure switchwill automatically resets when the pressure rises above the cut-in pressure. If this does not occur contact the Manufacturer’s service department for instructions.
If the unit low pressure limit is activated three (3) consecutive times during start-up the unit will lock out and will not be allowed to start. When the chiller control locks out due to low pressure after three (3) attempts, there is a problem that must be resolved before the unit should be restarted. To re-start, the unit must be powered down and back on. This should only be attempted after the cause of the low pressure condition has been found and the issue has been resolved. Repeatedly re-starting the unit will cause damage to the unit often including freezing and rupture of the chiller evaporator.

* See Temperature-Pressure chart in Section 8.2 for refrigerant pressure.
The low pressure switch is set to cut-out at 32°F and cut-in at 36°F – 39°F*. If a low pressure condition exists for more than five seconds the compressor will stop and a “L-P” fault will appear in the display window.
After the refrigerant pressure rises above the cut-in pressure, a three minute time delay will occur before the compressor restarts. This will protect the evaporator and compressor from damage should a problem occur in the refrigeration system or if the chiller is operated under circumstances which could cause damage to the refrigeration system.
A. Low or no water flow through the evaporator. Adjust the flow per section 3.2.C
B. Head pressure too low. Check that entering air temperature is above 60°F. If below 60°F, find out reason why.
C. Low refrigerant charge. Check for adequate refrigerant charge (bubbles or misty sight glass indicates low charge). If charge is low, have system checked for leaks and recharged by a refrigeration serviceman.
E. Improperly set low pressure switch. Have a refrigeration serviceman reset control or replace if defective.
F. Restriction in the liquid line.
- Clogged filter drier. Check for pressure or temperature drop and have drier core replaced by a refrigeration serviceman.
- Liquid line valve or suction valve on compressor is partially closed. Open fully.
- Liquid line solenoid not opening fully or leaking during off cycle. Have the solenoid repaired or replaced if defective by a refrigeration serviceman.
- Expansion valve plugged or inoperative. Check thermal bulb and capillary tube for damage. Have repaired or replaced if defective by a refrigeration service man.
4.5 COMPRESSOR SHUTS OFF ON INTERNAL OVERLOAD
A. Control does not reset. Have compressor windings and internal solid state safety control checked by a refrigeration serviceman. Have it repaired or replace if defective.
4.6 LOW OR NO PROCESS PRESSURE OR WATER FLOW
A. Valves. Check if water valves are open.
B. Pump. Check pump for correct rotation. Check pump suction for restriction. Replace motor if defective.
C. Filters. Check filter in the chilled water circuit and clean if necessary.
D. Fuses and wiring. Have electrician check the fuses and wiring.
4.7 COOLING CAPACITY INADEQUATE
A. Low refrigerant charge. Check for adequate refrigerant charge (bubbles or misty sight glass indicates low charge). If charge is low, have system checked for leaks and recharged by a refrigeration serviceman.
B. Optional Hot-gas bypass valve stuck open. Have repaired or replace if defective by a refrigeration serviceman.
C. Expansion valve plugged or inoperative. Check thermal bulb and capillary tube for damage. Have repaired or replaced if defective by a refrigeration serviceman.
D. Plugged filter. Check filter in chilled water circuit and clean.
E. Air in system. Purge air.
4.8 SENSOR
A. The sensor is a solid state temperature transducer which converts temperature input to proportional current output.
B. To quickly test for a defective probe, switch connections between the defective probe and a probe known to be working properly. A defective sensor will display a “—” in the display window on the instrument control. Please note that “—” will also display when process temperatures are above 100°F.

4.9 COOLANT PUMP
A. The vane pump is designed to operate at a specific flow and pressure at the maximum run load amp draw of the motor. Too little flow can overload the motor and cause the overload circuit to open and stop the pump.
B. If the overload trips, check for electrical shorts, loose wires, or blown fuses. If these check OK, reset the overload circuit and restart the chiller.
C. Check the amp draw and if overloaded, open the bypass valve until the amp draw drops to the proper level.
4.10 CHILLER CONTROLLER
A. The control instrument is used for all normal set ups, diagnostics, temperature readout and operational information. It contains the software and electronic components which operate the control instrument.
B. The control instrument is not field repairable. It can be easily removed and replaced or repaired if a problem occurs.
C. All control instruments used in Advantage water chillers are covered by the machine’s warranty. Proprietary “tailor made” instrument are manufactured specifically for
Advantage.
If you experience problems with your Advantage control instrument, it’s as easy as 1-2-3 to execute our repair or replacement system in order to get your Advantage equipment running.
D. IN WARRANTY SERVICE INCIDENT
- Call Advantage Service at 317-887-0729 for diagnostic assistance.
- If a control instrument is determined to be at fault, a new or reconditioned instrument will be sent as a replacement.
- Return the defective instrument freight pre-paid for a full credit. If the faulty instrument is not returned you will need to pay for it.
E. OUT-OF-WARRANTY SERVICE INCIDENT
- Call Advantage Service at 317-887-0729 for diagnostic assistance.
- If a control instrument is determined to be at fault, you will be referred to the instrument manufacturer, you have 3 options:
a. Purchase a new instrument as a replacement.
b. Send your instrument back for repair, freight prepaid. For a nominal fee (contact factory for current fees) your instrument will be repaired and returned.
c. Purchase a new instrument and repair the old one as a back up. - If you are sending your instrument back for repair include this form in the box. Do not disassemble the instrument.
F. OTHER INFORMATION
- Repair Warranty: 1 year.
- Ship to: Advantage Engineering 525 East Stop 18 Road Greenwood, IN 46143 Attention: Repairs. (317-887-0729)
- Include in box: part, purchase order, contact name, phone number, symptom (if available).
- For Priority Service, send the instrument to us via overnight shipment. We usually repair these instruments the same day we receive them!
MAINTENANCE
5.1 WARRANTY SERVICE PROCEDURE
A. In the event of a problem with a chiller that can not be resolved by normal troubleshooting procedures, the customer is invited to consult the Service Department for assistance. The correct model number and serial number of the chiller must be available. The service department will attempt to isolate the problem and advise repair procedures. Often times, with the customer’s input and with the machine diagnostics, problems can be determined with “over-the-phone” consultation.
B. If the problem is beyond the scope of “over-the-phone” consultation, and if the warranty status of the machine is valid, the Manufacturer will contact the nearest authorized service contractor and provide authorization to conduct an “on-site” inspection of the unit in order to determine the course of repair. If the chiller is not covered by the warranty, the Manufacturer will advise on the repair and recommend available service contractors.
C. It is of the utmost importance that you provide the correct model number and serial number of the machine in question. This will allow the Service Department to obtain the correct manufacturing records which will help to properly troubleshoot the problem and obtain the proper replacement parts when they are required. This information is stamped on the data tag that is attached to the electrical enclosure of each machine.
D. The Service Department must be notified prior to any repair or service of a warranty nature. Warranty claims will not be honored without prior authorization.
5.2 PERIODIC PREVENTATIVE MAINTENANCE
A. Lubricate all motors. Note that some motors are supplied with sealed bearings.
B. Tighten all wire terminals.
C. Clean and check motor starter and contactor contacts.
D. Check safety switch settings.
E. Clean condenser fins of dust and dirt (air cooled models only).
F. Back flush evaporator.
G. Check glycol/water solution ratio for operating temperature.
H. Check system for leaks.
I. Refrigerant sight glass: Check for bubbles when compressor is operating at 100%. Check the moisture indicator for a color other than green.
J. Clean unit.
5.3 SPECIAL MAINTENANCE
A. Any service of the refrigeration system must be accomplished by a certified refrigeration technician.
- Addition of compressor oil.
- Addition of refrigerant.
- Repair of a refrigerant leak.
- Adjustment of super heat.
- Changing of filter-drier or drier core.
- Repair of a refrigeration solenoid.
5.4 CHECKING THE REFRIGERANT CHARGE
A. All standard chillers are manufactured with thermostatic expansion valves as the metering device to the evaporator.
B. All standard chillers have a refrigerant sight glass (figure 5.4A) with a moisture indicator.
To check the refrigerant charge under normal operating conditions:
- Remove the plastic cap covering the sight glass.
- Start the chiller and allow system pressures and temperatures to stabilize.
- With the unit operating at 100% capacity (not in the “capacity control” mode) the sight glass should appear clear with no foam or bubbles evident.
If foam or bubbles are evident, the chiller has suffered from a loss of refrigerant and should be checked by a qualified refrigeration technician.
- The “dot” in the middle of the sight glass is the moisture indicator. It should appear green at all times. A white or yellow color indicates moisture has invaded the refrigeration system, which is detrimental to the life of the compressor. The filter-drier should be replaced by a qualified refrigeration technician.
COMPONENTS
6.1 WATER SYSTEM
A. MOTOR/PUMP ASSEMBLY: The motor/pump assembly circulates chilled fluid to the process loop. The pump assembly is built of total stainless steel to maintain water quality.
B. RESERVOIR. The vented reservoir is sized for the chiller application to support the flow rate. The reservoir provides a stable water temperature under varying load conditions.

6.2 REFRIGERATION SYSTEM
A. COMPRESSOR: Compressors take low pressure/low temperature refrigerant gas and compress the gas into high pressure/high temperature gas.
B. AIR COOLED CONDENSER: The air cooled condenser removes heat from the compressed refrigerant gas. The action causes the gas to “condense” into a liquid state still under high pressure. Air flow across the condenser is achieved via a motor driven fan assembly or centrifugal blower.
C. FILTER-DRIER: The filter-drier removes contaminants and moisture from the liquid refrigerant.
D. REFRIGERANT SIGHT GLASS: The refrigerant sight glass indicates refrigerant charge and moisture content.

- Full refrigerant charge is determined by a clear liquid flow.
- Bubbles indicate low refrigerant.
- Moisture content is indicated by the color of the element.
- Element color is normally green.
- If the color of the element is chartreuse or yellow, the system has been contaminated with moisture.
In such case, the filter-drier must be replaced. The replacement of the filter-drier must be completed by a qualified refrigerant service technician.

G. EXPANSION VALVE: The expansion valve throttles flow of refrigerant liquid into the evaporator and creates a pressure drop in the refrigerant system that allows the liquid refrigerant to “boil off” inside the evaporator (figure 6.2G).
H. EVAPORATOR: The evaporator is a brazed plate heat exchanger where the refrigerant liquid is allowed to evaporate (boil off) to absorb heat (BTU) from the process fluid. As the heat is absorbed, the process fluid is chilled (figure 6.2H).
I. CAPACITY CONTROL SOLENOID: The chiller is equipped with a capacity control feature. The capacity control feature matches the chiller capacity to the cooling load to provide temperature control and to prevent short cycling of the compressor. Units with digital scroll compressors (M1D) use a solenoid valve to unload the compressor to a low as about 20% capacity. Units without a digital scroll compressor use a hot gas bypass solenoid valve to reduce the chiller capacity to about 50%.

J. HIGH/LOW PRESSURE SWITCH: The high and low pressure switches protect the refrigeration system from usage operating conditions. Units may be equipped with either an adjustable or non-adjustable ‘fixed’ high and low pressure switches.
The high pressure switch is factory set and protects the refrigeration components and personnel from potential damage and injury from excessive pressure. The high pressure safety must not be altered in the field for any reason (see section 8.1 for factory settings.

The low pressure switch is factory set to open at 32°F and to close at 36°F – 38°F*. The low pressure switch protects the chiller from damage caused by low refrigerant pressure operating below the cooling fluid’s freeze point.
NEVER LOWER THE CUT OUT SETTING WITHOUT ADDING GLYCOL TO THE CIRCULATING SYSTEM. EVAPORATOR DAMAGE WILL RESULT AND WILL NOT BE COVERED BY THE WARRANTY.

6.3 UNIT OPTIONS
A. LOW FLOW BYPASS: If your process will experience lower than design flow rates or intermittent flow, a low flow bypass valve will be required.
B. OVERHEAD PIPING KIT: To avoid reservoir overflow during shut down periods from overhead piping, Advantage recommends the installation of an overhead piping kit. The overhead piping kit consists of a full line size solenoid valve in the “from process” line that is interlocked with the pump and a check valve (single direction valve) in the “to process” line.

C. PROCESS LINE SHUT OFF VALVES: These valves are full size ball valves installed on the “to” and “from” process lines at the exit of the chiller. These valves can be used to adjust the process flow rate and to shut off the flow rate to isolate the chiller.
D. E-STOP BUTTON: The Emergency stop button is a mushroom type button which will shut down all chiller operations when engaged.
E. NON-FUSED OR FUSED DISCONNECT SWITCH: On board disconnect switch provides a convenient location for isolating all electric power to the chiller.
F. AUDIBLE AND OR VISUAL ALARM: Alarms indicate outof-spec operating conditions. There are two types of alarms:
Audible Alarm: A simple buzzer alarm emits a loud alarm. Visual Alarm: Emits an audible sound and flashes a beacon.

G. CONDENSER SCREEN: Optional for air-cooled models only. The condenser screen is a filter for the air-cooled condenser to prevent air borne solids and debris from
clogging the condenser. Use a non restrictive filter material with a MERV rating of 2 – 3.
H. OPTIONAL LOWER PANELS. Lower panels cover the exposed areas of the unit to hide and protect the refrigerant and coolant components.
I. REVERSE FLOW PIPING: Reverse flow chillers are designed specifically for open circuit processes. Notice that the flow circuit remains basically the same, but the process acts as the chiller reservoir, and gravity returns water to the pump suction. System water make-up and level control is accomplished externally at the process since the chiller contains no reservoir.
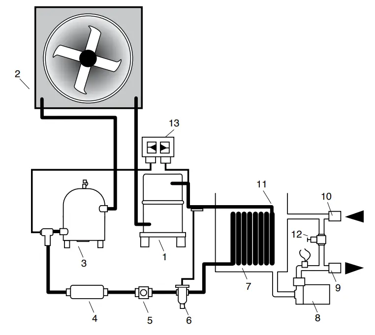
![]()
7.1 Electrical (typical)

7.2 mechanical schematic

ITEM DESCRIPTION
- Compressor
- Air cooled condenser
- Liquid receiver
- Filter-drier
- Refrigerant sight glass
- Expansion valve
- Evaporator
- Pump
- To process connection
- From process connection
- Reservoir tank
- Low flow bypass
- Refrigerant safety switch
Appendix
8.1 OPERATIONS BELOW 48°F FLUID OR 38°F AMBIENT
A. The chiller is never to be operated below 48°F leaving water temperature without several precautionary measures. All controls are factory adjusted for 48°F and above operations.
B. Before readjusting the protective devices, a satisfactory antifreeze solution must be substituted for the recirculating chilled water. This mixture will consist of inhibited propylene glycol and water. Do not substitute an inhibited propylene glycol and water solution with common automotive type antifreeze. The chart on the next page outlines the glycol percentages at various water temperatures.
C. Fluid must be tested with a refractometer to verify proper glycol percentages for freeze protection. The ratio shall be according to the chart below. Too much glycol can cause capacity and control problems.
D. DO NOT USE AUTOMOTIVE TYPE ANTI-FREEZE.
E. Once a satisfactory antifreeze solution is in place the protective devices may be adjusted and the control instrument can be unlocked to allow operation below 48°F.
E. If your unit is equipped with an adjustable low pressure switch, adjust the low pressure switch according to the specifications in the chart on the next page.

Never lower the cut out setting on the adjustable low pressure switch without adding glycol to the circulating system. Evaporator damage will result and this damage is not covered by the factory warranty.
F. If your unit is equipped with a non-adjustable “fixed” pressure switch with a factory low limit of 48°F this switch must be replaced with a switch with a lower limit. The lower range low pressure switch can be obtained from the factory by calling 317-887-0729 and asking for the service department. The model and serial number of your unit is
required. A qualified refrigeration technician is required to change the switch though no gas recovery is required. The switch attaches to a threaded fitting on the refrigeration line.

G. ADJUSTING THE SETPOINT LOCK OUT JUMPER: The control instrument has a setpoint lock out jumper. This jumper controls whether the user is allowed to reduce the setpoint below 48°F or 9°C. If the jumper is in position 1 (farthest from the SPL label) the user IS NOT ALLOWED to reduce the setpoint below 48°F or 9°C. If the jumper is in position 2 (closest to the SPL label) the user is allowed to reduce the setpoint to 10°F or -11°C. To operate below 48°F leaving fluid temperature the jumper
will need to be in position 2. See Figure 8.1A.
G. Once all safety provisions are made, the temperature control set point may now be lowered to the desired operating temperature.
H. WARNING: do not use any type or brand of automotive antifreeze. Automotive antifreeze contains corrosion inhibitors – silicates – designed for compatibility with the materials in automotive engines. Unfortunately, silicates can gel and cause deposits to foul and insulate heat exchanger surfaces. In your chilling system that can mean higher energy costs, high pumping costs, and possibly even shut downs for system cleaning. We recommend the use of DowFrost or Monsanto DFS-1.
Refrigerant Low Pressure Switch Cut-Out & Cut-In Settings
| Operating or Ambient Temperature | Glycol | Freeze Point | Cut Out Temp | Cut In Temp | R22 Cut-Out Cut-In | Cut-Out R134A Cut-In | Cut-Out R410A Cut-In | |||
| 48° – 70°F | 0% | 32°F | 32°F | 36°F – 39°F | 58# | 63# | 28# | 33# | 102# | 111# |
| 25° – 47°F | 30% | 10°F | 10°F | 15°F – 18°F | 33# | 38# | 12# | 17# | 63# | 72# |
| 10° – 24°F | 40% | -5°F | -5°F | 0°F – 7°F | 20# | 25# | 4# | 9# | 43# | 52# |
| Operating or Ambient Temperature | Glycol | Freeze Point | Cut Out Temp | Cut In Temp | R404A Cut-Out Cut-In | R407C Cut-Out Cut-In | ||
| 48° – 70°F | 0% | 32°F | 32°F | 36°F – 39°F | 72# | 79# | 52# | 58# |
| 25° – 47°F | 30% | 10°F | 10°F | 15°F – 18°F | 44# | 49# | 28# | 34# |
| 10° – 24°F | 40% | -5°F | -5°F | 0°F – 7°F | 29# | 34# | 16# | 22# |
High Pressure Cut Out (maximum)
| Refrigerant | Air-Cooled | Water-Cooled |
| R22 | 380# | 360# |
| R134A | 260# | 260# |
| R407C | 405# | 360# |
| R410A | 610# | 550# |
| R404A | 405# | 360# |

8.2 REFRIGERANT PRESSURE-TEMPERATURE CHART

8.3 INHIBITED PROPYLENE GLYCOL
A. To operate liquid chillers below 48°F, it is necessary to add inhibited propylene glycol to the circulating system to lower the freeze point and prevent damage to the cooling
system. Inhibited propylene glycol contains corrosion inhibitors which are compatible with most industrial heat transfer surfaces. Inhibited propylene glycol is manufactured by:
- Dow Chemical – “DowFrost” (1-800-258-2436)
- Monsanto “Therminol FS” (1-800-459-2665)
- Advantage Engineering “Thermofluid” (1-317-887-0729)
B. Automotive anti-freeze must never be used in industrial heat transfer applications.
Automotive anti-freeze contains silicate type corrosion inhibitors designed to be compatible with automotive components. In an industrial application, the silicates will form a gel on the heat transfer surface which will result in substantial reduction in cooling capacity and is virtually impossible to remove.
8.4 CHILLER CAPACITY AND DERATE CHART
Standard chiller rating is at 50°F. For all other temperature settings, output tonnage is altered as follows:
NOTES:
If operation of the chiller at less than 48°F is required, an inhibited propylene glycol solution is required. Consult factory for chiller operation below 20°F.
Ambient conditions affect air cooled chiller operation and capacity. Standard rating is at 90°F entering air temperature.
For ambient air conditions greater than 90°F, chiller derating will occur. For ambients over 90 f°F consult factory.
| OUTPUT TEMPERATURE °F | FULL AVAILABLE % CAPACITY |
| 60 | 105% |
| 50 | 100% |
| 45 | 90% |
| 40 | 80% |
| 35 | 70% |
| 30 | 60% |
| 25 | 50% |
| 20 | 40% |

ADVANTAGE ENGINEERING, INC.
525 East Stop 18 Road Greenwood, Indiana 46142
317-887-0729 Fax: 317-881-1277
Service Department Fax: 317-885-8683
Email: [email protected]
THIS PAGE INTENTIONALLY BLANK
END
© 2022 ADVANTAGE ENGINEERING, INC.
RE 20221201
![]()



a. Water flow rate through the process is determined by the pressure losses in the process loop. Generally, higher flow rates result in turbulent flow achieving maximum temperature control and lower maintenance. Since the evaporator in most liquid chillers is flow sensitive, the efficiency of operation is directly related to the flow of liquid.

















