KENT Chiller-cum-inbuilt RO Water Purifier Instruction Manual

Oear Customer,

Welcome to the world of KENT. the leading brand in water purification industry of India. Wi!h a KENT product you have all the easons to smile, as at KENT we take pride in the quality and
laboratory–tested performance of our products. Backed by cutting edge technology, each KENT product provides solution for auaining purity in the most convenient manner.
We are confident that your decision to own KENT Water Fountain Cum In-built RO Water Purifier will go a long way in serving you with purer and mineral enriched dfinking water, thus keeping you
and your family in good health. We assure that you will be satisfied with its trouble-free performance and quality without any compromise.
This manual is an effort towards acquainting you with operation and maintenance of KENT Water Fountain Chiller-cum•inbuilt RO
Water Purifier. Read this manual carefully prior to using the product U for easy operation of the system and retain it for future rete<ence. To enjoy the benefits of warranty.fill up the enclosed warranty card
and send the installation report within 15 days of purchase. For further assistance. feel free to contact your nearest KENT dealer orbranch. Best Wishes.
KENT RO SYSTEMS LTD.
KENT Technology- A Breakthrough in Water Purification.

Presenting I.he KENT Water Fountaln chiller-cum-inbuilt RO Water Purifier. II uses state•of.the~art technology to provide purer & healthier drinking water. The heart of KENT Water Fountain is a RO
membrane having capillaries as small as 0.0001 microns which reduces dissolved impurities (salts and heavy melals) as well as harmful micro-bfological impurities (bacteria, viruses etc.) and also conver ts hard water to sweet and purer drinking water.It also incorporates a UF membrane which further ensures reduction of harmful micro-organisms. KENT Water Fountain also allows the user to conttol Total
Dissolved Solids (TOS) level of purified water.Along with hundred percenl purified water. KENT Water Fountain provlde.s you access tono,malas well as cold filtered wate.
is easy to maintain and service. 11 has been rigorously tested under stringent conditioM to ensure trouble-free service for years
- lnline Cooling System: KENT Water Fountain uses the Next-Gen technology ot lnline Water
Cooling system with Ice 8a1h1hat gives you chilk!d water instanUy on demand, free from oontamination as the purified water is oontained in seated hydro static tank and does not come in
oontac:C of airdurin9ooofing. - Stainless Steel Bocty: KENT Water Fountain is made of a solid stainless steel body that along with the black granite top gives thedesign a chic edge.
Items in the Box
1. 3•Way Connector 1 No.
2. S.S. Ball Valve 1 No.
3. Food Grade Pipe 318″ (White) 1 No.
4. FOOd Grade Pip• 3/8″ (Blue) 2 No.
5. Faucet 2 Set
5. Warranty Card 1 No.
6. Power Cord 1 No.
Reverse Osmosis Process
Reverse Osmos~s. also known as hyper filtration, ls one of the finest purification process koown so far. It is a technique for purifying the water where pressure is applied to force liquid through a semipermeable membrane as in the opposite direction of normal osmosis. This process reduces salts from potable or brackish water. When pressure is applied. purer water gets squeezed through the membrane from the concentrate<! side to the diluted side. Salts dissolved in water ~have as charged ions and ate repelJed by the RO membrane. The rejected impurities on the concentrated side of the membrane are washed away by a stream o f water, thus not accumulating, as they do in a traditional filte,.
Ultrafilteration Process
Ultrafiltralion is a te-chnique for separating dissolved molecules in water on the basis or size which means that molecules larger than the membrane pore size rating will be retained at the surface of the membrane. It is a separation process that uses membrane with pore size of 0.01 microns. UF membranes reduce high molecular weight substances, colloidal materials, organic and inorganic polymeric molecules along-with bacteria. Low applied pressures are therefore sufficient to achieve high flux rates f ram an ultrafiltration membrane.
Auto-flushing System
The purpose of the Auto f lushing system is to help prevent scaling or fouling of the RO membrane by providing a rapid rinse which washes a-way impurities from the membrane’s surface and keeps
the membrane clean. It also offers the following benefils:
- Lowers reject water outflow
- Improves ‘TDS” rejection rate Le.increases RO membrane efficiency
- Extends life of RO membrane
Refrigeration Process
- 3-Stege Water Purification: KENT Water Fountain Cum in-built RO Water Purifier incorporates three stage water purification to ensure purer water. Moreover. it is ideal for municipal. corpo,attOn water supply,
- lntlne Cooling System: KENT Water Fountain uses the Next-Gen technology of lnline Water Cootlng system with Ice Bath that gives you chilled water ins1anuy on demand, free from oontaminaltOn as the purified water is contained In sealed hydro static tank and does not come in contact of air during cooling,
Water Flow Diagram

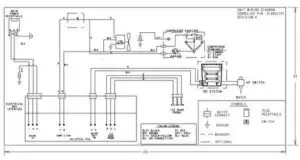
Electrical Circuit Diagram

Automatic Operation
- Automatically shuts off water purification process when the hydrostatic tank is full
- Does not start water purification process when the inlet water supply pressure Is below 0.3kg/cm’
- Restarts water purification process when the water level drops in the hydrostatic tank
- Stops water purification process in lhe absence of electricity, thus ensuring that a user gets onlypurifiedwater
- Resumes water purification process once the electrical supply is available.
TDS Adjustment*
The unique TOS control system enables customers to retain natural minerals in the purified water as per the requirement.
- To increase theTOS level (mineral contents),turn the setewor the valve anticlockwise
- To decrease the TOS level {mineral contents), turn the screw of the valve clockwise
- l H’tc.! & Co,rlil’IC<I by TIJV•SVO $QI.Ith Asia (P) Ud
Installation Instructions
- Unpack machine and place the unit on a level ground with close access to water.drain and electrical connection

- Fix the S.S. ball valve to the ¼ inch port of the 3-way oonnector as shown in lhe figure.

- Connect the 3-way connector 10 the raw water supply as shown in the figure.Th& threaded end of the 3-wayconnector is fitted in line with the raw water supply.The other end can be connected 10a tap or can be plugged off 1r not required.

- Now connect one end of the white pipe to the S.S. ball valve and other end to the Water Fountain at the connector labelled as water in.(Note:White pipe is for rawwatersup-ply)

- Remove the rear panel by removing 6screw.

- Remo\/$lhe roam provided on top or the hydrostalietank.

- Remove plugs provide<! on top of Faucet opening.
- lnsertfaucetpipe,

- At the bottom of the unit on the refrigeration deck. remove the red colour cap with water filling indication, Fill water to the water bath until water starts ooming out of the overflow port.

- Reinstall the capon the water bath and close the rear panel.

- Provide raw water supply to the unit through 3/8″ White pipe to opening labeled as Water Inlet

- Connect the 3/8~ White pipe to both the outlets labeled as ‘Orain’forwater drainage Water Inlet.
Note: The drain end of the pipe needs to be at a level below the unit. - Block the water bath drain located at the lower most position with tho dead plug provided with the unil.(Pre•lnstalled)
- Plug in the Power cord sent along with the unit. Make sure 220 V 50 Hz supply is provided.
- Switch on the unit and let it run fora minimum of 4 hours or until the compressor switches off.
- Unliterary to dispense water
Note: The maximum disIance between the water source and the purifier should not be more than 3 meters.
Malntenance
Ensure to keep at least 15 cm of distance between the device & wall
Keep the unit away from direct sunlight and rain
Unplug the machine and drain out the water by opening the faucet if unused fora loogperiodof time
This appliance is not Intended for use for persons with reduced physical, sensory or mental capabilities. or tack of ex.perience and k.nowfedge, unless they have been given supervision or instruction concerning use of the appliance by a person responsible for their safety. Children should be supervised to ensure Ihat they do not play with the appliance.
Replacement of spare parts are as under:-
20010 SP lnlineSedimenl Filter 8″
-20009 SP lnline Carboo BIOCk Flftttr 8″
-20531 SP Fl:OMemb-faneS,..F
·20004 SP Welded UF Membtaoes•
-20018 SP FRT 550/600
Noto: Fillers. and membrane are consumables. Their ,ep1aeomont limo is dependent on the (luahty of raw wa1er and water oonsumptlon.They are not covered under 1he warran1y.However. if a filter chokes wl1hln six monlhs and a membrane within a year.it wlll be cleaned/repaire,d/reptaced free of co$1.Changing 1he fillers. and system fnspectionisavailable on call.The treatment capacity of RO membrane will reduce with time due lo clogglngof pores of membranes..
·This reverse osmosis sys1em contains a re-ptaceabfe eomponent critical to the efficiency of lhe purifiers,
Replacement of the reverse osmo$iS component should bewllh one of identical specifications 8$ defined by the manufacturer, to ensure lhe same efficiency and contaminant reduction performance.*
Caution
- Make sure that the Water Fot.1ntain is connected to normal water supply only
- Make sure that the reject water pipe is not placed at a level higher from the Water Fountain otherwise reject water may flow backwards into the purifier
- The maximum distance between the water source and the Water Fo1.1ntain sho1.1ld not be more than 3 meters
- In case of not using the Water Fountain for many days, kindly switch off the power supply and drain the storage tank
- Do not try to service the Water Fountain on your own.Instead call service technician for help
- If the supply COfd is damaged. it must be replaced by the manufacture, it’s service agent or similarly qualified person in order to avoid hazard.
Troubleshooting

Technical Specifications

- Treatment capacity tested for tap water having TOS level of 750 ppm at room temperature. ·0o not use with water that Is mic:robiologleally unsafe°’ of unknown qu&llty w/oade<:;vate dlsinfeccloo before 0t after the system. “Efricio()C:y rating me.ans 100 pol’Centage of lhe lnAuont water Iha! iS availabfe to the us.er M reverse 0$M0$is treqted water under operating condi1ion lhat approximate typical daily usage.” ·C06d water tempera lure: 14-19’C ·un®r slandard testing condition (ll’ll&I watec tOt’r\Petature 2s•c ambJenl temperature 25″C@ 30 l/hr,
Read More About This Manual & Download PDF:





























