
Welcome to KENT
Dear Customer.
At the outset, allow us to thank you for your trust in KENT water purifier. We take pride in our reputation for product quality and industry-proven performance. We are certain that your decision to own KENT Pride Plus Mineral ROR’Water Purifier will go a long way towards keeping you and your family in good health. We are confident that you will be satisfied with its performance and that it will serve your need for safer and cleaner drinking water without any compromise.
This guide will help you in getting the best out of your water purifier. Please go through this booklet to familiarise yourself with its operation and maintenance. In case you need any further information, contact your nearest KENT dealer/branch.
Best Wishes,
KENT RO SYSTEMS LTD.
KENT TECHNOLOGY – A Breakthrough in Water Purification*
Presenting KENT Pride Plus Mineral ROT'” Water Purifier; it uses futuristic and state-of-the-art technology to provide purer and healthier drinking water. At the heart of KENT Pride Plus, Mineral ROTM Water Purifier is a Reverse Osmosis membrane with capillaries as small as 0.0001 microns that reduce even dissolved impurities (salts and heavy metals) and even converts hard water to sweet and purer drinking water. The KENT Pride Plus Mineral ROTM Water Purifier also allows the user to control the Total Dissolved Solids (TDS) level of purified water.

Salient Features of KENT Pride Plus Mineral ROTM Water Purifier
- Water purifier with UV disinfection in the tank for absolute purification
- Wall-mountable KENT Technology water purifier
- Purification by RO + OF + TDS Control + UV in-tank makes water 100% pure
- Inbuilt TDS Controller that allows adjustment of TDS level of purified water
- Suitable for purification of brackish/ tap water/ municipal corporation water supply
- 8L storage tank with water level indicator
- Fully automatic operation, with auto-on/ off function
- RO Membrane fused inside membrane housing to prevent tampering
- Vertically mounted SMPS for protection from water
- Use of push-fit fittings for leakage and maintenance-free performance
- Compact design takes less space for installation
- ABS construction for corrosion-free use
Items in the box
| 1. | KENT Pride Plus Mineral ROTM Water Purifier | 01 No. |
| 2. | 3-Way Connector | 01 No. |
| 3. | S.S. Ball Valve | 01 No. |
| 4. | Food Grade Pipe’A inch (Blue) | 2.5 m |
| 5. | Food Grade Pipe% inch (White) | 2.5 m |
| 6 | Screws & Plastic Insert | 02 No. each |
| 7. | Warranty Card | 01 No. |
| 8. | Sticker Center Drill | 01 No. |
Important Instructions

Reverse Osmosis process
The Reverse Osmosis process, also known as hyperfiltration, is the finest filtration process known till date. The process ensures the reduction of particles as small as ions from a solution. Reverse Osmosis uses a semi-permeable membrane to reduce salts from potable/ brackish water. In Reverse Osmosis, water pressure applied to the concentrated side forces the process of osmosis into reverse. Under enough pressure, treated water is “squeezed” through the membrane from the concentrated side to the diluted side. Salts dissolved in water as charged ions are repelled by the RO membrane. The rejected impurities on the concentrated side of the membrane are washed away in a stream of wastewater and thus do not get accumulated, as in a traditional filter.

UV Process
UV light has a shorter wavelength (higher energy) than visible light. It is called ultra-violet because it is just beyond the violet light in the light spectrum. Technically, ultra-violet light is defined to be any wavelength of light, which is shorter than 400 nanometers.
UV rays, which penetrate into the micro-organisms, are absorbed by the DNA of the pathogen in the water. The DNA is altered in such a way that the pathogen cannot reproduce itself. Thus, it is essentially killed and cannot cause infection. This process of DNA modification is called inactivation.

Note: The purified water stored in the tank is disinfected using LED UV, which automatically switches on for 30 minutes in a two-hour cycle.
Water Flow Diagram

| S.NO. | SPARE PART CODE | ITEM DESCRIPTION |
| 1 | 20035 | LOW-PRESSURE SWITCH |
| 2 | 20010 | SEDIMENT FILTER |
| 3 | 20028 | SOLENOID VALVE |
| 4 | 20005 | BOOSTER PUMP |
| 5 | 20009 | ACTIVATED CARBON FILTER |
| 6 | 20003 | OF FILTER |
| 7 | 20034 | TDS CONTROL VALVE |
| 8 | 20002 | RO MEMBRANE |
| 9 | 20018 | FLOW RESTRICTOR TUBE |
| 10 | 20621 | UV LED |
| 11 | 20015 | POST CARBON FILTER |
| 12 | 20058 | NON RETURN VALVE |
| 13 | 20148 | WATER STORAGE TANK |
| 14 | 20029 | FLOAT MICROSWITCH |
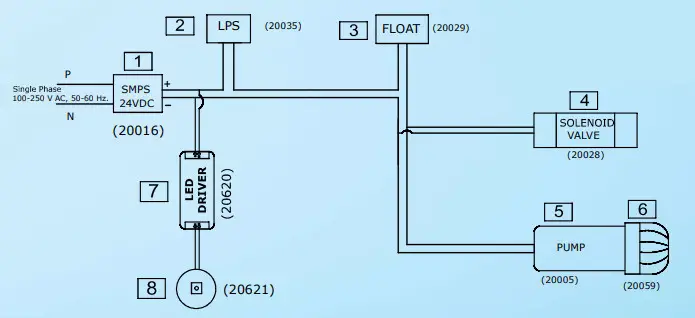
Electrical Circuit Diagram

| S.NO. | SPARE PART CODE | ITEM DESCRIPTION |
| 1 | 20016 | SMPS |
| 2 | 20035 | LOW-PRESSURE SWITCH |
| 3 | 20029 | FLOAT MICROSWITCH |
| 4 | 20028 | SOLENOID VALVE |
| 5 | 20005 | BOOSTER PUMP |
| 6 | 20059 | PUMP HEAD |
| 7 | 20620 | UV LED DRIVER |
| 8 | 20621 | UV LED |
UV LED Failure Alarm*
KENT Pride Plus Mineral ROI” Water Purifier has an in-built feature that sounds an audible alarm if the UV LED fails.
This alarm will sound as follows: 2 short beeps after every 3 seconds for 3 minutes. The alarm will repeat after every 2.5 hours.
In case such an alarm is audible, call KENT service for LED replacement.
Installation Instructions
The KENT Pride Plus Mineral ROTM Water Purifier is a product of advanced technology which ensures safe and clean drinking water. The purifier is easy and convenient to install.
Recommended Site Preparations:
- Single Phase 100-250V AC, 50-60 Hz. connection, not more than 3m away from the point of installation of the purifier.
- Raw water supply with 1/2 inch nipple not more than 3m away
- Drain for rejected water not more than 3m away
- Space as per dimensions of the purifier
- Wall/plane surface for mounting two screws and holding the machine
- The system and installation must comply with state and local laws and regulations
Specific Instructions:
- KENT Pride Plus Mineral ROT” WaterPurifier is a wall-mountable purifier. Make sure that it is only mounted on a wall. Avoid installation on wooden and metallic stands
- For optimum performance and minimum inlet pressure required, ensure that the raw water supply tank is at least 10 ft above the level at which the purifier is installed
- It is preferable to install the purifier near a sink so that inlet and reject water lines are easily available
Installation Procedure:

- Paste the central drill sticker on the wall at (3.6 Feet to 4.0 Feet from the ground) as per your convenience.
- Ensure that the sticker is pasted straight on the wall, then drill holes as per the space provided on the sticker.
- Now, insert the puff up with the help of a hammer.
- Screw-in two 10X50 self-tapping screws, 5.4 inches (138 mm) apart horizontally.
- Carefully hang the purifier on the wall with the help of the wall-mounting slot holes provided on the backside of the purifier.
Note:
- If the wall is not straight or the screws are not properly drilled in an even position, it will damage your purifier.
- Keep the device away from heat or direct sunlight.

- First fix the SS ball valve (marked as no. 4) to the 114 inch port of the 3-way connecter (marked as no. 2) as shown in figure 2.
- Connect the 3-way connector to the raw water supply (marked as no. 1)as shown in figure 3. The 3- way connector is fitted in line with the raw water supply.
- The other end of the 3-way connector can be connected to a tap (marked as no.3) as shown in figure 4. or can be plugged off if not required.
Step-3
- Now connect one end of the white pipe to the SS ball valve and another end to the upper push-fit elbow fitting to the left-hand side of the purifier labeled as WATER IN, as shown in fig 1.
- Similarly, connect one end of the white pipe to the lower elbow fitting connector in-tank labeled as REJECT WATER and leave the other end in the drain, as shown in fig 2.

Step-4
Before connecting the power supply, it is important that you perform the following functions:
- Open the SS ball valve (handle parallel to the ball valve) to start the flow of water into the purifier, as shown in the figure.
- Wait for 2-3 minutes to ensure that the filters are soaked in water.
Step-5
- Connect the power supply.
- Installation is complete.

TDS Adjustment*
A unique feature in KENT Pride Plus Mineral ROTM Water Purifier is the TDS control valve, which is not available in any other domestic water purifier to date. This feature allows the user to control the content of natural minerals (TDS) in purified water. To increase the TDS level, the user can turn the screw of the valve anticlockwise; it will result in more mineral content in treated water. To reduce the TDS level, the user can turn the screw valve clockwise, it will result in less mineral content in treated water. We recommend the TDS of the purifier to be kept at the lowest but not below 50 mg/I.
Starting-up the Purifier
- Switch on the power supply
- Wait till the storage tank fully fills up**
- Switch off the power supply
- Drain the storage tank by opening the drain plug present at the bottom of the storage tank so as to remove any dust particles present in the pipes and storage tank
- Close the drain plug & switch on the power supply
- The purifier is ready to use
Recommended Uses of Rejected Water
This rejected water usually goes down the drain but if required, can be used for gardening purposes. It has a high concentration of salts and minerals that accelerate plant growth. Rejected water can also be used for cleaning purposes, i.e. utensils cleaning, mopping, etc.
* Tested & Certified by TUV-SUD South Asia (P) Ltd. ” Tested or certified flushing time – 24hrs.
Maintenance
To ensure that the purifier operates at its optimum level, routine maintenance must be performed. The frequency of the maintenance will greatly depend upon the raw water quality and consumption of treated water.
- The storage tank must be drained once in 2 weeks. To do so, switch off the power supply, open the drain plug at the bottom of the tank & allow the water to drain. Then screw back the plug and switch on the power supply
- Replace sediment, activated carbon & post carbon when the filter change alarm is audible OR after every 12 months. It is recommended to change the FRT when the filters are replaced
- Replace the RO membrane once in a year
- Replace the UV Lamp once in a year
- If you are not going to use the purifier for a long time ( in case you are on a holiday, tour, or out of home), make sure that you disconnect the power supply, turn off the raw water supply, and drain the storage tank
The reverse osmosis system contains a replaceable treatment component critical for the effective reduction of total dissolved solids and that product water shall be tested periodically to verify that the system is performing properly.
Replacement of spare parts are as under:-
| -20010 | SP InlineSediment Filter 8″ |
| -20009 | SP Inline Carbon Filter 8″ |
| -20002 | SP RO Membrane Welded 8″ Housing |
| -20015 | SP Post Carbon Filter (Blue) |
| -20003 | SP Hollow Fibre Membrane (RO) |
| -20018 | SP FRT 550/600 |
Note: Filters and membranes are consumables. Their replacement time is dependent on the quality of raw water and water consumption. They are not covered under the warranty. However, if a filter chokes within six months and a membrane within a year, it will be cleaned/repaired/replaced free of cost. Changing the filters and system inspection is available on call. The treatment capacity of the RO membrane will reduce with time due to the clogging of pores of membranes. “This reverse osmosis system contains a replaceable component critical to the efficiency of the system. Replacement of the reverse osmosis component should be with one of the identical specifications as defined by the manufacturer, to ensure the same efficiency and contaminant reduction performance. Note: In case of UV LED failure the machine sounds an alarm with two beeps. Contact Kent Service to replace the UV LED.”
Important Safety Instructions
- If the supply cord is damaged, it must be replaced by the manufacturer, its service agent or similarly qualified persons in order to avoid a hazard
- Children should be supervised to ensure that they do not play with the appliance
- This appliance is not intended for use by persons (including children) with reduced physical, sensory or mental capabilities, or lack of experience and knowledge unless they have been given supervision or instruction concerning use of the appliance by a person responsible for their safety.
| Product | KENT PRIDE PLUS |
| Product Code | 11067 |
| Product Generic Name | Water Purifier |
| Colour | White |
| Applications | Suitable for Purification of Brackish/Tap Water/ Municipal Corporation Water. |
| Purification Production Rate | 15 Uhl.? |
| Body Material | ABS Food Grade Plastic |
| Mounting | Wall-mounting |
| Dimensions (mm) | 380 (L) x 270 (N) x 505 (H) |
| Inlet Water Pressure/Temp (Min.) | 0.3 kg/cm/10°C |
| Inlet Water Pressure/Temp (Max.) | 4 kg/cm’/40°C |
| Min./Max. Operating pH | 6.5-8.0 |
| Filter Cartridge | Sediment, Activated Carbon, UF and Post Carbon. |
| UV LED Wattage | 0.7 W |
| Net Weight | 7.45 kg |
| Storage Capacity | 8 L |
| Maximum Duty Cycle | 75 Uday |
| Membrane Type | Thin Film Composite RO |
| UF Membrane | 0.1-0.01 Microns |
| Booster Pump Voltage | 24 V DC |
| Total Power Consumption | 60 W |
| Input Power Supply | Single Phase 100-250V AC, 50-60 Hz. ❑ |
| IP Rating | IPX1 |
* Purification capacity tested on Municipal Water/Tap Water having TDS level of 750 ppm at room temperature.

Marketed by:
KENT RO SYSTEMS LTD.
E-6, 7 & 8, Sector-59, Noida, U.P.-201 309, India.
E-mail: [email protected] I Website: www.kent.co.in
Manufactured by:
KENT RO SYSTEMS LTD.
- Khasra No. 93, Village-Bantakhedi, Tehsil-Roorkee, District-Haridwar, Uttarakhand-247 668, India.
- A-6, Sector-87, Noida-201305, U.P, India.
For customer complaints, contact our Customer Care Officer at:
E-6, 7 & 8, Sector-59, Noida, U.P.-201 309, India. Call : 92-789-12345
E-mail: [email protected] or visit us at www.kent.co.in





















