

Instruction Handbook for Installation, Operation and Maintenance.

PATENT NO. 199716
KENT® TECHNOLOGY
Removes Dissolved impurities
Retains Essential Minerals
Multiple Purification
RO + UV + UF + TDS Control
![]()
Kent Deta Hai
Sabse
Shudh Paani
Reverse Osmosis Water Purifier with UV Sterilization & TDS Controller
Welcome to KENT
Dear Customer,
At the outset, allow us to thank you for your trust in KENT water purifier. We take pride in our reputation for product quality and industry proven performance. We are certain that your decision to own KENT Pearl Mineral RO™ Water Purifier will go a long way towards keeping you and your family in good health. We are confident that you will be satisfied with its performance and that it will serve your need for safer and cleaner drinking water without any compromise.
This guide will help you in getting the best out of your water purifier. Please go through this booklet to familiarise yourself with its operation and maintenance.
You can look forward to years of trouble-free service. To ensure that the warranty of your water purifier is effective, it is important that you fill up the enclosed warranty card and mail us the installation report within 15 days of purchase. In case you need any further information, contact your nearest KENT dealer or branch.
Best Wishes.
KENT RO SYSTEMS LTD.
KENT TECHNOLOGY – A Breakthrough in Water Purification*
KENT proudly presents KENT Pearl Mineral RO™ Water Purifier its new and advanced domestic water purifier based on the patented KENT Technology. The ground-breaking KENT Technology, developed at KENT laboratory, broadly comprises of state-of-the-art RO+UF+UV with TDS Control & Auto-Flushing System. The initial purification by RO membrane having porosity as fine as 0.0001 microns, reduces even dissolved impurities (hard salts, heavy metals etc.). Double purification by UV process ensures complete protection against bacteria and viruses. Moreover, the patented TDS Control System intelligently retains essential natural minerals in the purified water, thus taking total care of your health and well being.

KENT is pleased to introduce Zero Water Wastage Technology™ that recirculates rejected water to overhead tank with its own pump to make it Zero Water Wastage RO. This unique technology helps you make water 100% pure, without wasting any water while retailing essential minerals.
Salient Features of KENT Pearl Mineral RO™ Water Purifier
- Suitable for wall-mounting or counter-top installation
- Zero Water Wastage**
- An eye appealing design
- High purification efficiency of 20 L /hr.
- Purification by RO+UV+UF with TDS Control
- Detachable tank for easy on-site cleaning on regular basis
- LED indicator for power and purification display
- Computer-controlled operation with Filter Change Alarm* and UV Fail Alarm*
- Adjustable TDS Control System to allow TDS adjustment of purified water
- 8 Litres storage capacity
- RO Membrane fused inside membrane housing to prevent tampering
- Vertically mounted SMPS for protection
- Push-fit components for leak-proof & maintenance-free performance
- Fully automatic operation with auto-on and auto-off function
- ABS construction for corrosion-free lifespan
- Suitable for Purification of Brackish/Tap Water/Municipal Corporation Water
- Inbuilt auto flushing system
- Membrane with high flow
Items in the Box
- KENT Pearl Mineral RO™ Water Purifier
- 3-Way Connector : 1 No.
- S.S. Ball Valve : 1 No.
- Food Grade Pipe 1/4 inch (White) : 20 Meters
- Food Grade Pipe 3/8 inch (White) : 2.5 Meters
- Bulk Head Union : 1 No
- Fixing Clips : 25 Nos.
- Tie Wire 4 inch : 4 Nos.
- Union Connector : 1 No.
- Screws & Plastic Inserts : 2 Nos. each
- Sticker Center Drill : 1 No.
- Warranty Card : 1 No.
*Tested & certified by TUV-SUD South Asia (P) Ltd.
**Zero Water Wastage is based on the standard testing conditions.
Important Instructions
Avoid exposure to direct sunlight and installation in damp areas. | ![]() Make sure that the purifier is connected to normal temperature water supply only. |
![]() The rejected water can be re-circulated to overhead tank for Zero Water Wastage. | ![]() Maximum distance between the water source and purifier should not be more than 3 meters. |
![]() Avoid sharp bends in pipe. Do not block the reject water pipe. | ![]() Do not confine the purifier in a cabinet. |
In case the purifier is not to be used for more than two days, kindly switch off the power supply and drain the storage tank. | ![]() To keep the storage tank clean, it should be removed, cleaned and wiped dry, once in 15 days. |
![]() Use Genuine KENT Spares for optimum performance. | ![]() Do not try to service the purifier on your own. Instead, call the service technician for help. |
Reverse Osmosis Process

The Reverse Osmosis process, also known as hyper filtration, is the finest filtration process known till date. The process ensures reduction in particles as small as ions from a solution. Reverse Osmosis uses a semi-permeable membrane to reduce salts from potable/brackish water. In Reverse Osmosis, the water pressure applied to the concentrated side forces the process of osmosis into reverse. Under enough pressure, purer water is “squeezed” through the membrane from the concentrated side to the diluted side. Salts dissolved in water as charged ions are repelled by the RO membrane. The rejected impurities on the concentrated side of the membrane are washed away in a stream of waste water and thus does not get accumulated as in a traditional filter.
UV Process
The UV light has shorter wavelength (higher energy) than visible light. It is called ultra-violet because it is just beyond violet light in the light spectrum. Technically, ultra-violet light is defined to be of any wavelength of light, which is shorter than 400 nanometer.
UV rays, which penetrate into the micro-organisms, are absorbed by the DNA of the pathogen in the water. The DNA is altered in such a way that the pathogen cannot reproduce itself. Thus, it is essentially killed and cannot cause infection. This process of DNA modification is called inactivation.

Auto-flushing System
The purpose of the Auto-flushing system is to help prevent scaling or fouling of the RO membrane by providing a rapid rinse which washes away impurities from the membrane’s surface and keeps the membrane clean. It offers the following benefits.
- Lowers rejected water outflow
- Improves “TDS” rejection rate i.e increases the RO membrane’s efficiency
- Extends the life of the RO membrane
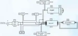
Water Flow Diagram


Electrical Circuit Diagram

UV Fail Alarm*
KENT Pearl Mineral RO™ Water Purifier has an in-built feature that sounds an audible alarm if the UV lamp malfunctions. This feature is provided to ensure purer water. This UV Fail Alarm will sound as following:
Two short beep after every two seconds.
![]()
In case such an alarm is audible, kindly switch off the purifier and call the service technician for help. The purifier will stop its purification process in such a circumstance.
Filter Change Alarm*
KENT Pearl Mineral RO™ Water Purifier has an in-built feature that sounds an audible alarm to indicate replacement time for filters. This alarm will be audible after 700 hrs of use since the last filter change (or since the time of installation). The Filter Change Alarm will sound as following:
4 short beeps after every two seconds; for 30 seconds. The alarm will repeat after every 2 hours of use.
![]()
In case such an alarm is audible, please call the service technician and request him to change the filters of the purifier. However, if the filters are not changed within the next 60 hours of operation, the purifier will stop functioning to ensure purity and hygiene. The following alarm will be audible after 60 Hrs.
A continuous beep for an infinite time.
![]()
In case, such an alarm is audible, kindly switch off the purifier and call the service technician to replace the filters. In such a circumstance, the purifier will not function unless the filters are changed.
Computer Controlled Operation*
To ensure delivery of purer and healthier water, a micro-processor is installed in the purifier that performs the following functions:
UV Stabilisation Delay: To ensure that the UV lamp is pre-heated and is working at its optimum level before it starts disinfecting water, the controller provides a two seconds delay to UV lamp when the purifier is switched on. During this period, only the UV lamp is switched on and other electrical devices of the purifier are switched off.
Purification Delay: To ensure that the idle water lying in the internal pipes and in the UV chamber is disinfected before being passed into the storage tank, the system provides a 5 second delay when the purifier is switched on. During this time, the UV lamp kills all micro-organisms that may be in the water inside UV chamber. After this delay, all other electrical devices such as booster pump and solenoid valve are switched on to start normal purification process.
Audible Alarm: The controller also controls the timing of UV Fail Alarm and the Filter Change Alarm.
Automatic Operation
- The purifier automatically shuts off when the storage tank is full
- The purifier automatically flushes & cleans the RO membrane on periodic intervals
- The purifier does not start when inlet water supply pressure falls below 0.3 kg/cm²
- The purifier automatically restarts when water level drops below the maximum
- The purifier does not allow any water rejection in absence of electricity/when tank is full
*Tested & certified by TUV-SUD South Asia (P) Ltd.
Installation Instructions
KENT Pearl Mineral RO™ Water Purifier is designed to facilitate both wall mounting as well as the counter-top usage. The purifier is easy and convenient to install.
Recommended Site Preparations:
- Single Phase 100-250 V AC, 50-60 Hz. supply not more than 3m away from the point of installation
- Raw water supply with 1/2 inch nipple not more than 3m away
- Installation space as per dimensions of the purifier
- For wall mounting installation, make sure that the purifier is mounted on a wall. Avoid installation on wooden and metallic stands
- For optimum inlet pressure, the source water tank should be at least 10 ft above the purifier installed
- Install the purifier near a sink for easy availability of inlet and reject water lines
- The system and installation must comply with state and local laws and regulations
Installation Procedure:
Wall Hanging Diagram
Step-1





(1) (2) (3) (4) (5)
- Paste the central drill sticker on wall at (3.6 feet to 4.0 feet from the ground) as per your convenience.
- Ensure that sticker is pasted straight on the wall, then drill holes as per the space provided on sticker.
- Now, insert the puff up with the help of a hammer.
- Screw in two 10X50 self-taping screws, 5.57 inches (141.5 mm) apart horizontally.
- Carefully hang the purifier on the wall with the help of the wall-mounting slot holes provided on back side of the purifier.
Note: If the wall is not straight or the screws are not properly drilled in an even position, it will damage your purifier.
Note: Keep the device away from heat or direct sunlight.
Step-2




Figure 1. Figure 2. Figure 3. Figure 4.
- First fix the SS ball valve (marked as no. 4 ) to the 1/4 inch port of the 3-way connecter (marked as no. 2) as shown in figure 2.
- Connect the 3-way connector to the raw water supply (marked as no. 1) as shown in the Figure 3. The 3-way connector is fitted in line with the raw water supply.
- The other end of the 3-way connector can be connected to a tap (marked as no. 3) as shown in Figure 4. or can be plugged off if not required.
Step-3


- Now connect one end of the white pipe to the SS ball valve and another end to the upper push-fit elbow fitting to the left hand side of the purifier labelled WATER IN, as shown in fig 1.
- Similarly, connect one end of the white pipe to the lower elbow fitting connector in tank labelled REJECT WATER and leave the other end in the overhead tank, as shown in fig 2.
Step-4
Before connecting the power supply, it is important that you perform the following functions:
- Open the SS ball valve (Handle parallel to the ball valve) to start the flow of water into the purifier, as shown in the figure.
- Wait for 2-3 minutes to ensure that the filters are soaked in water.
Step-5
- Connect the power supply.
- Installation is complete.
TDS Adjustment*
The unique TDS Control System enables customers to retain the contents of natural minerals (TDS) in purified water, as per their requirement.
- Turning the screw of the valve anti-clockwise, results in an increased mineral content
- Turning the screw of the valve clockwise, results in a decreased mineral content
We recommend keeping the TDS at lowest but not below 50mg/l.
Starting-up the purifier
- Switch on the power supply
- Allow the storage tank to fill to the maximum level**
- Switch off the power supply
- Open the upper cover. Lift and drain the storage tank so as to remove residual dust particles present in the pipes and storage tank
- Place back the storage tank and close the upper cover
- Switch on the power supply
- Purifier is ready to use
The glowing Red LED indicates power is on. The glowing Green LED indicates the purification is on.
Maintenance
To ensure that the purifier operates at its BEST, routine maintenance must be performed. The frequency of the maintenance will greatly depend upon the raw water quality and consumption of purified water.
- Storage tank must be cleaned once in 2 weeks. (Refer cleaning the water tank)
- Replace the sediment filter, activated carbon filter & post carbon filter once in 12 months or whenever the filter change alarm activates. It is recommended to change FRT along with the filters
- Replace the RO membrane once in a year
- Replace the UV Lamp once in a year
- In the event of not using purifier for a long time (while going for a holiday, tour etc.), make sure that you disconnect the power supply, turn off the raw water supply and drain the storage tank
The replacement time of consumables such as filters and membrane is dependent on the quality of raw water and water consumed.
Cleaning the Water Tank
![]() Switch off the power supply. | ![]() Open the upper cover. | Remove the water tank. | ![]() Remove the tank cover/lid. | ![]() Clean it under a running tap water and wipe dry. |
The Reverse Osmosis system contains a replaceable treatment component critical for the effective reduction of total dissolved solids and that product water shall be tested periodically to verify that the system is performing properly.
*Tested & Certified by TUV-SUD South Asia (P) Ltd.
**Tested or certified flushing time – 24hrs.
Replacement of spare parts are as under:-
-20010 SP Inline Sediment Filter 8″
-20009 SP Inline Carbon Filter 8″
-20529 SP RO Membrane
-20015 SP Post Carbon Filter (Blue)
-20003 SP Hollow Fibre Membrane (RO)
-20020 SP FRT 300/450
Note: Filters and membrane are consumables. Their replacement time is dependent on the quality of raw water and water consumption. They are not covered under the warranty. However, if a filter chokes within six months and a membrane within a year, it will be cleaned/repaired/replaced free of cost. Changing the filters and system inspection is available on call. The treatment capacity of RO membrane will reduce with time due to clogging of pores of membranes.
“This Reverse Osmosis system contains a replaceable component critical to the efficiency of the system. Replacement of the reverse osmosis component should be with one of identical specifications as defined by the manufacturer, to ensure the same efficiency and contaminant reduction performance.”
Important Safety Instructions
- If the supply cord is damaged, it must be replaced by the original part in order to avoid hazard
- Children should be supervised to ensure that they do not play with the appliance
- This appliance is not intended for use by persons (including children) with reduced physical, sensory or mental capabilities, or lack of experience and knowledge, unless they have been given supervision or instruction concerning use of the appliance by a person responsible for their safety
Warning
- Do not operate the UV-C emitter when it is removed from the appliance enclosure
- Read the maintenance instructions before opening the appliance
- The appliance must be disconnected from the supply before replacing the UV-C emitter
Technical Specifications
| Product | KENT PEARL |
| Product Code | 11098 |
| Product Generic Name | Water Purifier |
| Colour | White |
| Applications | Suitable for Purification of Brackish/Tap Water Municipal Corporation Water |
| Purification Production Rate | Upto 20 L/hr.* |
| Body Material | ABS Food Grade Plastic |
| Installation | Wall-mounting/Counter-top |
| Dimensions(mm) | 380 (L) x 330 (W) x 465 (H) |
| Inlet Water Pressure/Temp (Min.) | 0.3 kg/cm2 /10°C |
| Inlet Water Pressure/Temp (Max.) | 4 kg/cm2 /40°C |
| Min./Max. Operating pH | 6.5-8.0 |
| Filter Cartridge | Sediment, Activated Carbon, UF, Post Carbon |
| Auto Flushing System | Yes |
| UV Lamp Wattage | 11 W |
| Life of UV Lamp | 5000 hrs. of Operation |
| Weight | 10.80 kg |
| Storage Capacity | 8 L |
| Maximum Duty Cycle | 100 L/day |
| Membrane Type | Thin Film Composite RO |
| Booster Pump Voltage | 24 V DC |
| Total Power Consumption | 60 W |
| Input Power Supply | Single Phase 100-250 V AC, 50-60 Hz. |
| IP Rating | IPX1 |
*Purification capacity tested on tap having TDS level of 750 ppm at room temperature.
Testing Information
The System has been tested according to IS 10500:2012 (Standards for drinking water as per Bureau of Indian Standards) for reduction of the hazardous substances.






To request for service 24×7, download KENT Service App
by scanning the QR code or by giving a missed call: 9212252852
To speak to Customer care executive call: 92-789-12345

Marketed by:
KENT RO SYSTEMS LTD.
E-6, 7 & 8, Sector-59, Noida, U.P-201 309, India.
E-mail: [email protected] | Website: www.kent.co.in
Manufactured by:
KENT RO SYSTEMS LTD.
1. Khasra No. 93, Village-Bantakhedi, Tehsil-Roorkee,
District-Haridwar, Uttarakhand-247 668, India.
2. A-6, Sector-87, Noida-201 305, U.P. India.
For customer complaints, contact our Customer Care Officer at:
E-6, 7 & 8, Sector-59, Noida, U P-201 309, India, Call 92-789-12345
E-mail: [email protected]n or Visit us at www.kent.co in














Remove the water tank.




















