
KENT Elegant Copper RO Water Purifier Instruction Manual



Welcome to KENT
Dear Customer,
At the outset, allow us to thank you for your trust in KENT water purifiers. We take pride in our reputation for product quality and industry proven performance. We are certain that your decision to own a KENT Elegant Copper Mineral ROT”‘ Water Purifier will go a long way towards keeping you and your family in good health. We are confident that you will be satisfied with its performance and that it will serve your need for safer and cleaner drinking water without any compromise. This guide will help you in getting the best out of your water purifier. Please go through this booklet to familiarize yourself with its operation and maintenance.
You can look forward to years of trouble-free service. To ensure that the warranty of your water purifier is effective,
In case you need any further information, contact your nearest KENT dealer or branch.
Best Wishes,
KENT RO SYSTEMS LTD.
KENT TECHNOLOGY
– A Breakthrough in Water Purification*
Presenting the KENT Elegant Copper Mineral ROTM Water Purifier. It uses futuristic, state-of-the-art technology to provide purer & healthier drinking water.
At the heart of KENT Elegant Copper Mineral ROT M Water Purifier is a Reverse Osmosis membrane having capillaries as small as 0.0001 microns that reduces dissolved impurities (salts and heavy metals) and converts hard water to sweet and purer drinking water.

Salient Features of KENT Elegant Copper Mineral RO Water Purifier
- Multiple purification by RO+UF+UV in Tank+ Copper
- An eye appealing design
- High purification capacity of 1 5 L/hr
- Inbuilt T DS Controller that allows adjustment of TDS level of purified water
- Suitable for purification of Brackish / Tap
- Water / Municipal Corporation Water Supply
- Wall-mounted KENT Technology water purifier
- 8 Litres storage tank
- Fully automatic operation with auto-on and auto-off function
- UV disinfection in storage tank to keep purified water pure
- RO membrane fused inside membrane housing to prevent tampering
- Vertically mounted SMPS for protection from water
- Use of push-fit fittings for leakage and maintenance-free performance
- ABS construction for corrosion free use
- Membrane with high flow
- Comes with the goodness of copper
- Compact design takes less space for installation
Important Instructions


Items in the Box
- KENT Elegant Copper : 1 N
Mineral ROTM Water Purifier - 3-Way Connector: 1N
- S.S. Ball Valve: 1N
- Food Grade Pipe (White) 3/8 Inch : 2.5 M
- Food Grade Pipe (White) 1/4 Inch: 2.5 M
- Screws & Plastic Inserts : 2N
- Sticker Center Drill : 1N
- Warranty Card : 1N
Reverse Osmosis Process
The Reverse Osmosis process, also known as hyperfiltration, is the finest filtration process known till date. The process ensures reduction of particles as small as ions from a solution. Reverse Osmosis uses a semi-permeable membrane to reduce salts from potable / brackish water. In Reverse Osmosis, water pressure applied to the concentrated side forces the process of osmosis into reverse. Under enough pressure, treated water is “squeezed’ through the membrane from the concentrated side to the diluted side. Salts dissolved in water as charged ions are repelled by the RO membrane. The rejected impurities on the concentrated side of the membrane are washed away in a streamof waste water and thus, do not get accumulated as in a traditional filter.

UV Process
The UV light has shorter wavelength (higher energy) than the visible light. It is called ultra-violet because it is just beyond violet light in the light spectrum. Technically, the ultra-violet light is defined to be any wavelength of light, which is shorter than 400 nanometer.
UV rays which penetrate into the micro-organisms are absorbed by the DNA of the pathogen in the water. The DNA is altered in such a way that the pathogen cannot reproduce itself. Thus, it is essentially killed and cannot cause infection. This process of DNA modification is called inactivation.
Note: The purified water stored in the tank is disinfected using UV LED, which automatically switches on for 30 minutes in a two hour cycle

Water Flow Diagram

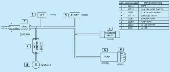
Electrical Circuit Diagram

UV LED Failure Alarm*
KENT Elegant Copper Mineral RON Water Purifier has an in-built feature of alarm, if the UV lamp malfunctions.
This feature is provided to ensure purity. This UV Fail Alarm will sound as following:
Two short beeps after every two seconds.

In case of this alarm, kindly switch off the purifier and call the service technician for help. The purifier will stop its purification process in such a circumstance.
Automatic Operation
- The purifier automatically shuts off when the storage tank is full
- The purifier does not start when inlet water supply pressure is below 0.3 kg/cm2
- The purifier automatically restarts when water level drops below the maximum
- The purifier does not allow any water rejection in absence of electricity or when tank is full
* Tested & Certified by TUV-SUD South Asia (P) Ltd.
Installation Instructions
KENT Elegant Copper
The KENT Elegant Copper Mineral ROT M Water Purifier is a product of advanced technology, which ensures safe and clean drinking water. The purifier is easy and convenient to install.
Recommended Site Preparations:
- Single Phase 100-250V AC, 50-60 Hz. connection not more than 3m away from the point of installation of purifier
- Raw water supply with % inch nipple, not more than 3m away
- Drain for rejected water not more than 3m away
- Space as per dimensions of the purifier
- Wall/plane surface for mounting two screws and holding the machine
- The system and installation must comply with state and local laws and regulations Specific Instructions:
- KENT Elegant Copper Mineral ROTM Water Purifier is a wall mountable purifier. Make sure that it is only mounted on a wall. Avoid installation on wooden and metallic stands
- For optimum performance and minimum inlet pressure required, ensure that the raw water supply tank is at least 10ft above the level at which the purifier is installed
- It is preferable to install the purifier near a sink so that inlet and rejected water lines are easily available

- Paste the central drill sticker on wall at (3.6 Feet to 4.0 Feet from the ground) as per your convenience.
- Ensure that sticker is pasted straight on the wall, then drill holes as per the space provided on sticker.
- Now, insert the puff up with the help of a hammer.
- Screw in two self-taping screws, 5.11 inches (130 mm) apart horizontally.
- Carefully hang the purifier on the wall with the help of wall-mounting slot holes provided on back side of the purifier.
Note: If the wall is not straight or the screws are not properly drilled in an even position, it will damage your purifier.
Note: Keep the device away from heat or direct sunlight.

- First fix the SS ball valve (marked as no. 4) to the 1/4 inch port of the 3-way connecter (marked as no. 2) as shown in figure 2.
- Connect the 3-way connector to the raw water supply (marked as no. 1) as shown in the figure 3.
The 3-way connector is fitted in line with the raw water supply. - The other end of the 3-way connector can be connected to a tap (marked as no.3) as shown in figure 4. or can be plugged off, if not required.
Step-3
- Now connect one end of the white pipe to SS ball valve and another end to the upper push-fit elbow fitting to the left hand side of the purifier labelled as WATER IN, as shown in fig 1 .
- Similarly, connect one end of the white pipe to the lower elbow fitting connector in tank labelled as REJECT WATER and leave the other end in the drain, as shown in fig 2.

Step-4
Before connecting the power supply, it is important that you perform the following functions:
- Open the SS ball valve (Handle parallel to the ball valve) to start the flow of water into the purifier, as shown in the figure.
- Wait for 2-3 minutes to ensure that the filters are soaked in water.

Step-5
- Connect the power supply.
- Installation is complete.
TDS Adjustment*
The unique TDS Controller enables customers to retain the content of natural minerals in purified water, as per their requirement.
- Turning the screw of the valve anti-clockwise, results in an increased mineral content.
- Turning the screw of the valve clockwise, results in a decreased mineral content.
Starting-up the Purifier
- Switch on the power supply
- Wait till the storage tank fully fills up* *
- Switch off the power supply
- Drain the storage tank by opening the drain plug present at the bottom of the storage tank so as to remove any dust particles present in the pipes and storage tank
- Close the drain plug & switch on the power supply
- The purifier is ready to use
Recommended Uses of Rejected Water
Rejected water has high concentration salts and usually goes down the drain, but if required, can be used for gardening purposes. It has high concentration of salts and minerals which accelerate plant growth. Rejected water can also be used for cleaning purposes, i.e. utensils, cleaning, mopping the floor, etc.
Maintenance
To ensure that the purifier operates at its optimum level, a routine maintenance must be performed. The frequency of the maintenance will greatly depend upon the raw water quality and consumption of treated water.
- Storage tank must be drained once in 2 weeks. To do so, switch off the power supply, open the drain plug at the bottom of the tank & allow the water to drain. Then screw back the plug and switch on the power supply
- Replace sediment, activated carbon & post carbon when the filter change alarm is audible OR after every 12 months. It is recommended to change the FRT when the filters are replaced
- Replace the RO membrane once in a year
- If you are not going to use the purifier for a long time ( in case you are on a holiday, tour or out of home), make sure that you disconnect the power supply, turn off the raw water supply and drain the storage tank
Note: The purified water stored in the tank is disinfected using UV LED, which automatically switches on for 30 minutes in a two hour cycle.
The Reverse Osmosis system contains a replaceable treatment component, which is critical for the effective reduction of total dissolved solids and product water shall be tested periodically to verify that the system is performing properly.
Replacement of spare parts are as under:-

* Tested & certified by TUV-SUD South Asia (P) Ltd.
** Tested or certified flushing time – 24hrs.
Note: Filters and membrane are consumables. Their replacement time is dependent on the quality of raw water and water consumption. They are not covered under the warranty. However, if a filter chokes within six months and a membrane within a year, it will be cleaned/repaired/replaced free of cost. Changing the filters and system inspection is available on call. The treatment capacity of RO membrane will reduce with time due to clogging of pores of membranes.
“This Reverse Osmosis system contains a replaceable component that is critical to the efficiency of the system. Replacement of the reverse osmosis component should be with one of identical specifications as defined by the manufacturer, to ensure the same efficiency and contaminant reduction performance.”
Important Safety Instructions
If the supply cord is damaged , it must be replaced by the original part in order to avoid hazard
Children should be supervised to ensure that they do not play with the appliance
This appliance is not intended for the use by persons (including children) with reduced physical, sensory or mental capabilities, or lack of experience and knowledge, unless they have been given supervision or instruction concerning to the use of the appliance by a person responsible for their safety
Technical Specifications


* Treatment capacity tested for tap water having TDS level of 750 ppm at room temperature.
Testing Information
The System has been tested according to IS 10500:2012 (Standards for drinking water as per Bureau of Indian Standards) for reduction of the hazardous substances.
Read More About This Manual & Download PDF:



















