
19XR
Centrifugal Liquid Chiller
Cooling Capacity: 300~1650 RT (single-stage)
600~3000 RT (two-stage)
1000~6000 RT (series counter flow system)
In 1998, Time magazine named Dr. Carrier one of its 20 most influential builders and titans of the 20thcentury.
Carrier is a leading global provider of innovative HVAC, refrigeration, fire, security, and building automation technologies. Supported by the iconic Carrier name, the company’s portfolio includes industry-leading brands such as Carrier, Kidde, Edwards, LenelS2, and Automated Logic.
Carrier’s businesses enable modern life, delivering efficiency, safety, security, comfort, productivity, and sustainability across a wide range of residential, commercial, and industrial applications.

Model Number Nomenclature
19XR/XR-C/E/F

19XR-6/7

Energy-saving and High Efficiency
A taper pipe diffuser is applied in the single-stage compressor to improve compressor efficiency. The inner ring of the Split Rational Diffuser (SRD) can rotate with load change, and adjust the area and direction of the flow channel, thus greatly improving the part-load performance and reliability of the chiller.
Vaneless diffuser designed for two-stage compressor, combined with inner-stage economizer improves chiller performance and makes it a better choice of high lift application.
High-performance tubing – Tubing with internally and externally enhanced fins improve chiller performance by reducing overall resistance to heat transfer. The new heat exchanger reduces refrigerant charges and manufacturing costs.
Carrier AccuMeter system regulates refrigerant flow according to load conditions, provides a liquid seal at all operating conditions, and eliminates unintentional hot gas bypass. Thus ensuring the part-load performance of the chiller. (Only for single-stage compressor)

Stable Operation
Variable inlet guide vanes – The guide vanes are controlled by a precise electronic actuator. The vanes regulate the inlet flow to provide high efficiency through a wide operating
range.
Diffuser design – Pipe diffuser design uses jet engine technology, increasing centrifugal compressor peak efficiency (single-stage only). Two-stage compressor utilizes a vaneless diffuser to meet high lift application requirements with stable operation.
Semi-hermetic Motors – Cooling is accomplished by spraying liquid refrigerant on the motor windings. This highly efficient motor cooling method also eliminates the potential for shaft seal leaks and refrigerant/oil loss.

Environmental Sustainability
Designed specifically for chlorine-free HFC-134a refrigerant (the environmentally balanced refrigerant with zero ozone depletion potential)

Flexible Combination
19XR/XR(V) AquaEdge chiller provides a complete line of compressors, motors, and heat exchangers, ensuring a good combination of chiller components regardless of tonnage, lift, and efficiency specifications.
Carrier offers multiple starters choices for different power supply applications.
19XR(V) AquaEdge chiller can be equipped with high tier LF2 VFD which with Active Rectifier, the harmonic distortion (THD) ≤ 5%, fully comply IEEE519-1992 requirement, also the fundamental power factor can be up to 0.99. With the help of VFD, the IPLV.IP of 19XR(V) can achieve 11.0.
Colorful Touch Screen – friendly human-machine interface, graphical display screens for the main components, and support multi-languages.


Convenient Installation
Water boxes are equipped with standard flanges, which provides the ease of field piping.
A positive pressure design can save valuable mechanical room space by reducing 35% of the chiller size compared with the low-pressure design. In addition, it eliminates the need for a purge system to save costs for customers.
Refrigerant-cooled oil cooler, no need for field water piping, reduce installation cost.
The cooler and condenser are designed and manufactured in accordance with the relevant GB code.
The unit isolation valves facilitate the condenser as a liquid container during the transition season, which provides ease of maintenance.
Carrier® SmartVu™ Intelligent Control System
User-friendly Interface
Carrier centrifugal chiller equips the latest Carrier® SmartVu™ control system with strong control and monitoring function during chiller operation. The control system applies a 10-inch colorful touch screen, which can support up to ten language choices for customers, real-time display of operation parameters with pictures makes it a more human-friendly and comfortable interface for operation. Carrier® SmartVu™ intelligent control system simulates and monitors chiller operation, adjusts cooling or heating capacity according to load change, and provides various protection during operation.
Smart Operation
Carrier® SmartVu™ control system provides a smart password function to avoid any setting change without authorization.
When the chiller receives a start-up order, the controller will conduct the following pre-start safety checking, to ensure parameters like oil sump temperature, condensing pressure, bearing temperature, motor winding temperature, discharge temperature, evaporator saturated temperature, average line voltage, etc. are normal.
During chiller operation, except for the function of monitoring main operation parameters control system also has the capability to record and display a trend curve, which is the real-time trend of key components during operation. It ensures effective and reliable operation of the chiller by the optimized intelligent and dynamic control algorithm.
Carrier® SmartVu™ control system has comprehensive protection during operation, such as oil sump temperature control, surge protection, overvoltage, and overcurrent protection, discharge temperature overheat protection, bearing temperature overheat protection, evaporator, and condenser anti-freeze protection, low discharge superheat protection, etc. in order to ensure chiller long time reliable operation.
The optional Envelope Stability Control is an advanced solution to balance the chiller efficiency and reliability at a very low load.
The controller optimizes compressor speed, inlet guide vane position, and stabilizer valve position to find the most efficient operating point throughout the operating range without compromising the chiller stability in real-time.
Intelligent Diagnosis
Carrier® SmartVu™ control system has a failure diagnostic function and can be easily accessed via touch screen for detailed chiller operation parameters. If the control system detects failure the alarm will be initiated and related code will be recorded in the alarm menu. The alarm records can be automatically saved by the control system. A carrier service technician can read and delete alarm records by Carrier service tools.
The control system has additional pre-diagnostic functions. Different from the diagnostic function, information displayed from this function is mainly for maintenance purposes. For example, to inform customers periodically to replace lubricant and filter from this function.
Carrier® SmartVu™ control system has an email alarm function. If the controller has been connected to the internet, the control system can automatically send out an email with one or more alarm information to customers or service people through an effective email address when an alarm occurs.
Flexible Interface and Easy Connection with Building Automation System
Carrier® SmartVu™ the control panel supports BACnet or Modbus protocol, with which chiller can seamlessly connect with the Building Automation System or the i-Vu™ /WebCTRL™ control network.
With the powerful i-Vu™ Link (optional), users can integrate all plant equipment into the i-Vu™ Building Automation System. The i-Vu™ Building Automation System provides everything the user needs to access, manage, and control your building, including the powerful i-Vu™ user interface, plug-and-play BACnet or Modbus controllers, and state-of-the-art Carrier equipment.
Carrier provides WebCTRL™ as an additional option to provide a similar function to i-Vu™ Link. If you have any questions, please contact Carrier’s local agents.

Smart Chiller
Using wireless cellular communications technologies, Carrier SMART Service continuously streams operating data to the cloud in real-time directly from your chiller’s controller. The data is then captured within our IoT platform for ongoing insight into your chiller’s health.
Features:
Integrated equipment sensors that capture key operating data
Secure wireless connectivity to Carrier’s cloud-based IoT platform
Persistent and reliable data transmission

Smart Cloud
Carrier SMART Service continuously stores and assesses equipment operating data and service history, comparing it to established values for analytics and data validation. It compares this data to design specifications and matches it against allowable ranges, allowing Carrier to deliver pre-emptive service solutions as needed.

Features:
Complete visibility into your system’s performance, energy usage, and service history
Advanced diagnostics and analytics provide actionable insights
Smart Technician

Carrier SMART Service changes how equipment is serviced and maintained. Carrier service technicians now utilize mobile devices with remote access to put real-time chiller data and service history in the palm of their hands. With advance notification of problems, technicians arrive at the Jobsite more informed, which leads to faster problem resolution and reduced mean time to repair.
Features:
Advance notification
Remote detection and diagnosis
19XR Two-stage Centrifugal Chiller
In 2013, Carrier introduced a high-efficiency two-stage centrifugal chiller to deliver energy-saving and environmental sustainability, as well as a comprehensive range of air-conditioning, heat pump, energy recovery, ice thermal storage, VFD, and high-voltage applications.
Environmental Sustainability
The system has been designed specifically for chlorine-free HFC-134a refrigerant, the environmentally balanced HFC-134a refrigerant with zero ozone depletion potential.

Industry-leading Efficiency
19XR chillers can achieve up to 6.6 full load COPR and 7.5 IPLV.IP (without VFD) or 11.0 IPLV.IP (with VFD) at AHRI conditions.
Advanced high-efficiency two-stage compressor, designed specifically for HFC-134a.
New blunt leading-edge IGV for part load efficiency improvement.
An interstage economizer improves system efficiency and increases capacity.
Wide Application
The innovative two-stage compressor provides a wide range of capabilities. With a maximum LWT of 65 ℃ and a minimum LCWT of -6 ℃, the 19XR two-stage centrifugal chiller is ideal wherever energy conservation and environmental stewardship are required.
Stable Operation
The two-stage compressor has very good load-adjustment capabilities to achieve high efficiency and stability at a variety of load and temperature conditions, including its minimum load of 10%.
The 19XR two-stage centrifugal chiller also features a refrigerant cooled semi-hermetic low current inrush motor, eliminating the need for shaft seal and oil refrigerant containment components.
Double-grooved tube sheets make a superior leak-tight joint when combined with roller expansion.
Low Sound Level
For ultra-quiet operation, the advanced two-stage compressor has an optimized aero-structural design and allows lower impeller speed.
Modular Construction
The cooler, condenser, and compressor assemblies are compact and entirely bolted together. This design makes the chiller ideally suited for replacement projects where ease of disassembly and reassembly at the Jobsite is essential.
Series Counter Flow Application
Carrier 19XR centrifugal chillers fully support system application of Series Counter Flow with cooling capacity of each system up to 6000 Tons.
Better System Efficiency
Improved full load efficiency by reducing the lift of each circuit cycle.
Optimized part load operation to achieve better system efficiency at duties less than 50%.
Better Reliability and Redundancy
Two independent refrigeration circuits and either compressor can be configured as a lead.
Two compressors start up orderly to reduce system inrush current.
Two compressors operate in turn to balance operation time and enlarge service interval.
Advanced System Control (Standard in Carrier® SmartVu™ )
Optimized load balance by recalculating upstream chiller control point.
Optimized surge control by synchronizing surge conditions of both lead and lag chiller.
Optimized lead/lag communications.
Two chiller modules of the SCF system may be arranged side-by-side or in series depending on the chiller plant layout. Details please contact Carrier’s local agencies.

Heat Pump Application
The heat pump system utilizes natural energy storage in soil, bedrock, groundwater, surface water, wastewater, and air to satisfy the demand for building cooling, heating, and hot water.
Heat Pump System Benefits
Cooling/heating
Improved system efficiency
Use of low-grade energy
19XR-E/6/7 Benefits
Hot water temperature (LWT) up to 65 ℃
Wide range of applications with high efficiency

Energy Recovery Application
Discharging condenser heat via a cooling tower not only causes thermal pollution but also brings tremendous energy waste to the applications such as hotels, factories, and hospitals.
Energy Recovery System Benefits
Reduced boiler size and operating time
Reduced cooling tower size and waste heat discharge
Improved system efficiency by 15-25%
19XR Benefits
High-efficiency operation
Energy-saving up to 70% versus boiler

Ice Thermal Storage Application
The chiller stores energy as ice during the night, when electricity costs and utilization are low. The energy is discharged to meet cooling loads during the daytime when the electricity price is high, greatly reducing building operating costs.
Ice Thermal Storage System Benefits
Reduced chiller and cooling tower size
Reduced chiller operating time
Operational cost savings by using off-peak electricity
Backup cooling in emergency situations
19XR-E/6/7 Benefits
Stable 24-hour operation
Suitable for variable voltage and VFD applications
Minimum leaving water temp (LCWT): -6 ℃
Suitable for low-temperature air distribution and district cooling systems

Performance Data
Air-conditioning (380V-3Ph-50Hz)

Brine application (10kV-3Ph-50Hz)
Note:
- The above selections are based on entering/leaving chilled water temperature:12/7°C; entering/leaving cooled water temperature:32/37°C. The cooler fouling factor is 0.0176 m²°C/kW and the condenser fouling factor is 0.044 m2°C/kW.
- The above brine application selections are based on entering/leaving chilled water temperature:-2/-6°C; entering/leaving cooled water temperature:30/33.5°C. The cooler fouling factor is 0.0176 m²°C/kW and the condenser fouling factor is 0.044 m2°C/kW, 25% ethylene glycol.
- Carrier will select specific models using a computer on different requests for tonnage, lift, and efficiency. For details, please contact local agencies.
- Standard water box pressure is 1.0MPa and can provide 1.6MPa, and 2.0MPa as options; For more requirements, please contact local agencies.
- The above selections are made based on the voltage being 380V/10kV. For details or customized selections, please contact local agencies.
- 60Hz selections are also available. Please contact local agencies to get more support.
Performance Data
Air-conditioning (10kV-3Ph-50Hz)

Heating application (10kV-3Ph-50Hz)

Note:
- The above selections are based on entering/leaving chilled water temperature:12/7°C; entering/leaving cooling water temperature:32/37°C. The cooler fouling factor is 0.0176 m²°C/kW and the condenser fouling factor is 0.044 m2°C/kW.
- The above heating application selections are based on entering/leaving chilled water temperature 10/5°C; entering/leaving cooling water temperature 40/45°C. The cooler fouling factor is 0.0176 m²°C/kW and the condenser fouling factor is 0.044 m²°C/kW.
- Carrier will select specific models using computers on different requests for tonnage, lift, and efficiency. For details, please contact local agencies.
- Standard water box pressure is 1.0MPa and can provide 1.6MPa, and 2.0MPa as options; For more requirements, please contact local agencies.
- The above selections are made based on the voltage being 10kV. For details or customized selections, please contact local agencies.
- 60Hz selections are also available. Please contact local agencies to get more support.
19XR Chiller Dimensions


Notes:
- A-length includes flanges with both cooler and condenser having two passes and nozzles being at the same end (drive end for standard units)
- The above dimensions are based on the waterside pressure being 1.0Mpa. A length will vary while the waterside pressure increases.
19XR/XR-C/E/F/6/7 Starter Dimensions (Free standing)

Notes: The wiring of the 380V starter enters from the top and exits from the bottom.
The wiring of the 10/11kV starter enters from the top and exits from the top.
19XR-C/E/F/6/7 Chiller Dimensions
19XR-C Unit Dimensions

19XR-E/F/6/7 Unit Dimensions

Notes:
- A length includes flanges with both cooler and condenser having two passes and nozzles being at the same end (drive end for standard units).
- The above dimensions are based on the waterside pressure being 1.0Mpa. A length will vary while the waterside pressure increases.
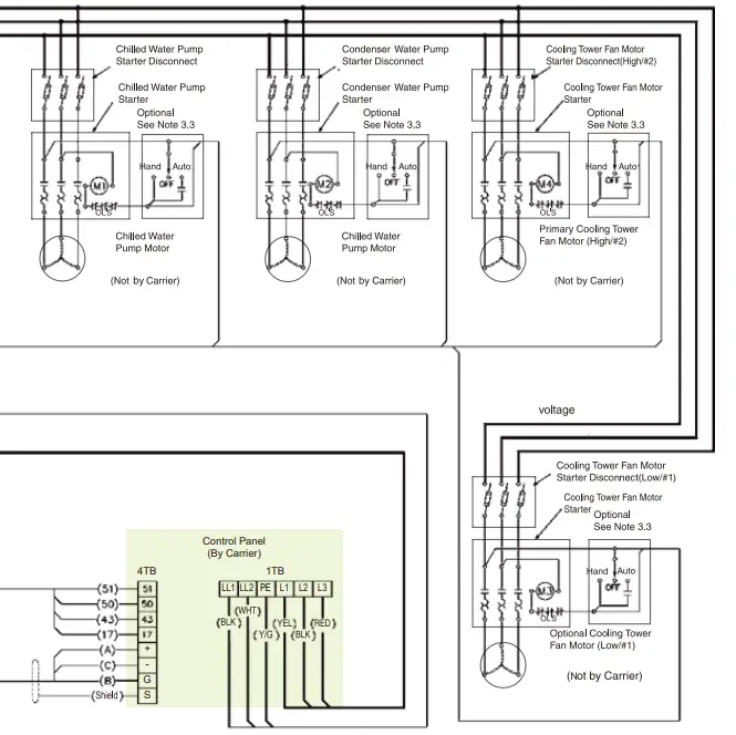
Typical Piping and Wiring (with Free-standing Starter)


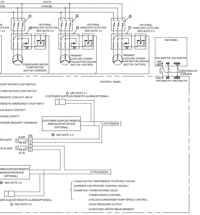
| 1. Air Switch 2. Freestanding Compressor Motor Starter 3. Compressor Motor Terminal Box 4. Oil Pump Controller 5. Control Panel 6. Vents 7. Pressure Gauges | 8. Chilled Water Pump 9. Cooling Water Pump 10. Chilled Water Pump Starter 11. Cooling Water Pump Starter 12. Cooling Tower Fan Starter 13. Air Switch 14. Oil Pump Switch |
| Line | Purpose | Specification |
| 1# | Main power to Starter: | 380V AC: 3 phases, and 1 grounding |
| 6.3kV/10kV/11kV AC: 3 phases, 1 grounding (medium/high voltage); 380V AC, 3 phases, 10A (19XR-6/7: 380V AC, 3 phases with grounding, 16A) | ||
| 4# | To Cooling Tower Fan Starter: | 4 control lines (optional) |
| 5# | To Cooling Tower Water Pump Starter: | 2 control lines (optional) |
| 6# | To Chilled Water Pump Starter: | 2 control lines (optional) |
| 7# | To Oil Heater Contactor: | 115V AC: 2 power lines(20A), 1 grounding (Not apply to 19XR-6/7; 19XRF: connect between starter and control panel) |
| 8# | To Oil Pump Contactor: | 19XR-6/7: connect between starter and control panel, 380V AC, 3 phases with grounding, 16A; 19XR-F: connect between starter and control panel, 380V AC, 3 phases, 5A; Other products: 380V AC, 3 phases, 5A |
| 9# | To Lubrication System Power Panel: | 8 control shielding lines, 600V, 80°C, grounding in starter (19XR-F/6/7: connect between starter and control panel) |
| 10# | To Motor: | 380V AC: 6 leads (Minimum ampacity per conductor = 0.721 x RLA), 1 grounding |
| Or 6.3kV/10kV/11kV AC: 3 leads, 1 grounding (medium/high voltage) |
Piping and Wiring Requirements:
- The installer must get all pipes and wires in place and mark the ends.
- Filters must be installed in cooling water and chilled water pipes.
- A thermometer (0-50 C) and pressure gauge (0-1MPa or 2MPa) must be installed at the inlet and outlet of the pipes.
- The installer must install the relief valve vent to outdoors with a steel pipe(outer diameter 42mm, thickness 4mm).
- It is suggested that an oxygen content monitor be installed in the machine room for safety, which will give an alarm when the oxygen content is less than 19.5%.
- The selected cable size range is from 50-to 120 square millimeters. If the customer selects a cable size that is less than 50 square millimeters or more than 120 square millimeters, please contact the YLC factory.
- Communication cable between starter (ISM module) and control box (I0B module) shall apply Carrier specified one pair and half shielded twisted cable. The cable shall be installed as far away from high voltage cables and other strong jamming equipment as possible and keep the communication cable as shorter as possible to avoid noise. The communication cable must go through a metal conduit independently.
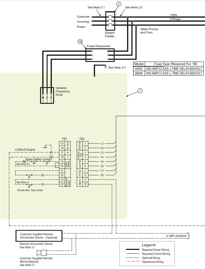
Typical Piping and Wiring (with VFD)

| 1. Air Switch 2. Unit-mounted Starter 3. Control Panel 4. Oil Pump Controller 5. Vents | 6. Pressure Gauges 7. Chilled Water Pump 8. Cooling Water Pump 9. Chilled Water Pump Starter 10. Cooling Water Pump Starter |
| Line | Purpose | Specification |
| 1# | Main power to Starter: | 380V AC: 3 phases and 1 grounding |
| 2# | To Cooling Tower Fan Starter: | 4 control lines (Please contact local agencies if need this option) |
| 3# | To Cooling Tower Water Pump Starter: | 2 control lines (Please contact local agencies if need this option) |
| 4# | To Chilled Water Pump Starter: | 2 control lines (Please contact local agencies if need this option) |
Piping and Wiring Requirements:
- The installer must get all pipes and wires in place and mark the ends.
- Filters must be installed in cooling water and chilled water pipes.
- A thermometer (0-50t) and pressure gauge (0-1 MPa or 2MPa) must be installed at the inlet and outlet of the pipes.
- The installer must install the relief valve vent to outdoors with a steel pipe(outer diameter 42mm, thickness 4mm).
- It is suggested that an oxygen content monitor be installed in the machine room for safety, which will give an alarm when the oxygen content is less than 19.5%.
Types of Base Isolation
Location Of Isolator

Simplified Isolation


Notes:
- Accessory soleplate package includes 4 soleplates, 16 jacking screws, and 16 leveling pads.
- Jacking Screws should be removed after the grout has been set.
- The thickness of grout varies, depending on the amount necessary to level the chiller.
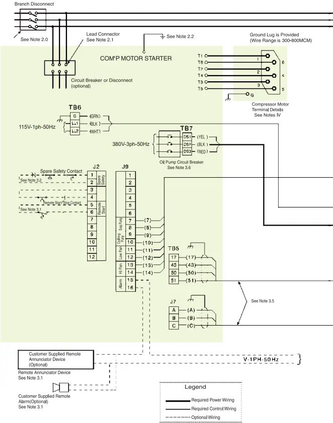
Field Wiring Specification (with Free-standing Starter)
- General
1.0 Starters shall be designed and manufactured in accordance with Carrier Engineering Requirement Z-415.
1.1 All field-supplied conductors, devices, and the field-installation wiring, termination of conductors and devices, must be in compliance with all applicable codes and job specifications.
1.2 The routing of field-installed conduit and conductors and the location of field-installed devices must not interfere with equipment access or the reading, adjusting, or servicing of any component.
1.3 Equipment installation and all starting and control devices, must comply with details in equipment submittal drawings and literature.
1.4 Contacts and switches are shown in the position they would with the circuit de-energized and the chiller shut down.
1.5 WARNING – Do not use aluminum conductors.
1.6 Installer is responsible for any damage caused by improper wiring between the starter and machine. - Power Wiring to Starter
2.0 Circuit breaker is to be used to disconnect power to starter.
2.1 Lug adapters may be required if installation conditions dictate that conductors be sized beyond the minimum ampacity required.
2.2 Compressor motor and controls must be grounded by using the equipment grounding lug provided inside the starter enclosure. - Control Wiring
3.0 Field-supplied control conductors should be at least 0.75mm² or larger.
3.1 Optional ice build start/remote lockout contacts, optional remote start/stop device contacts, optional fire alarm interlock, and optional spare safety device contacts, must have a 24 VAC rating. MAX current is 60 MA, and nominal current its 10 MA. Switches with gold-plated bifurcated contacts are recommended. (Not apply to Carrier® SmartVu™ control products. For Carrier® SmartVu™ control products, shall wire from the control panel.)
3.2 Remove jumper wire between J2-1 and J2-2 before connecting auxiliary safeties between these terminals. (Not apply to Carrier® SmartVu™ control products. For Carrier ® SmartVu™ control products, shall wire from the control panel.)
3.3 Each integrated contact(ISM) output can control loads(VA) for evaporator pump, condenser pump, tower fan low, tow fan high, and alarm annunciator devices rated 5 amps at 115VAC and up to 3 amps at 277VAC. Do not use the starter control transformer as the power source for contactor coil loads. ( For Carrier® SmartVu™ control products, these relay outputs can also wire from the control panel but are rated 1 amp at 24VAC.)
3.4 Do not route control wiring carrying 30V or less within a conduit which has wires carrying 50V or higher or alongside wires carrying 50V or higher.
3.5 Control wiring between free-standing starter and control panel must be separate shielded cables with a minimum rating of 600V, 80°C For communication must use shield twist pair wire.
3.6 If the optional oil pump circuit breaker is not supplied within the starter enclosure as shown, it must be located within sight of the chiller with wiring routed to suit. (Not applicable for 19XR6/7) - Power Wiring Between Free-standing Starter and Compressor Motor
4.0 Low voltage (600 v or less) compressor motors have (6) 5/8″ terminal studs (lead connectors not supplied by Carrier). Either 3 or 6 conductors must be run between compressor motor and starter, depending on the type of motor starter employed. If only 3 leads are utilized, jumper motor terminals are as follows: 1 to 6, 2 to 4, and 3 to 5. The Center to center distance between terminals is 8mm. Compressor motor starter must have nameplate stamped to conform with Carrier Engineering Requirement Z-415.
4.1 Medium voltage [over 600 volts] compressor motors have (3) terminals. Connections are 9/ 16-threaded stud.Compressor motor starter must have nameplate stamped to conform with Carrier Engineering requirement “Z-415.”
4.2 Power conductor rating must meet minimum unit nameplate voltage and compressor motor RLA. When (3) conductors are used: Minimum ampacity per conductor = 1.25 x compressor RLA When (6) conductors are used: Minimum ampacity per conductor = 0.721 compressor RLA.
4.3 When more than one conduit is used to run conductors from starter to compressor motor terminal box, three leads from each phase (conductor) must be in each conduit to prevent excessive heating (e.g., conductors to motor terminals 1, 2, & 3 in one conduit, and those to 4, 5, & 6 in another).
4.4 Compressor motor power conductors may enter the terminal box through the top, bottom, or right side using holes cut by the contractor to suit the conduit. A flexible conduit should be used for the last few feet to the terminal box for unit vibration isolation.
4.5 Compressor motor frame should be grounded in accordance with the National Electrical Code-us (NFPA-70) and applicable codes. The means for grounding the compressor motor is a #4 AWG-500 MCM pressure connector, supplied and located in the lower-left side corner of the compressor motor terminal box.
4.6 Do not allow motor terminals to support the weight of wire cables. Use cable supports and strain relieves as required.
4.7 Use a backup wrench when tightening lead connectors to motor terminal studs.
4.8 Motor terminals and wire connectors must be insulated with insulation putties and tapes attached to chillers to prevent moisture condensing and electrical arc.
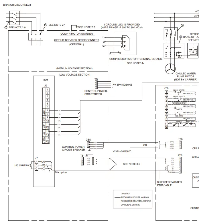
Field Wiring Specification (with Unit-mounted VFD)
- General
1.0 VFD starters shall be designed and manufactured in accordance with Carder Engineering Requirement Z-420.
1.1 All field-supplied conductors, devices, and the field-installation wiring, termination of conductors and devices, must be in compliance with all applicable codes and job specifications.
1.2 The routing of field-installed conduit and conductors and the location of field-installed devices must not interfere with equipment access or the reading, adjusting, or servicing of any component.
1.3 Equipment installation and all starting and control devices, must comply with details in equipment submittal drawings and literature.
1.4 Contacts and switches are shown in the position they would with the circuit de-energized and the chiller shut down.
1.5 WARNING – Do not use aluminum conductors. - Power Wiring to VFD Starter
2.0 Provide a means of disconnecting power to the starter. A fused disconnect is required on VFD.
2.1 Incoming power wire must be protected with a metal jacket.
2.2 Line side power conductor rating must meet VFD nameplate voltage and chiller full load amps (minimum circuit ampacity).
2.3 Compressor motor and controls must be grounded by using equipment grounding lugs provided inside the unit-mounted starter enclosure. - Control Wiring
3.0 Field-supplied control conductors should be at least 0.75 mm2 or larger.
3.1 Optional ice build start/terminate device contacts, optional remote start/stop device contacts and optional spare safety device contacts must have a 24 VAC rating. MAX current is 60 MA, and nominal current is 10 MA. Switches with gold-plated bifurcated contacts are recommended. (Not apply to Carrier® SmartVu™ control products. For Carrier SmartVu™ control products, shall wire from the control panel.)
3.2 Remove jumper wire between TB1-19 and TB1- 20 before connecting auxiliary safeties between these terminals. (Not apply to Carrier® SmartVu™ control products. For Carrier° SmartVu™ control products, shall wire from the control panel.)
3.3 VFD contact outputs can control cooler and condenser pump and tower fan motor contactor coil loads (VA) rated 5 Amps at 115 VAC up to 3 Amps at 250 VAC. Do not use the VFD starter control transformer as the power source for contactor coil loads. ( For Carrier® SmartVuTu™ control products, these relay outputs can also wire from the control panel but are rated 1 amp at 24VAC.)
3.4 Do not route control wiring carrying 30V or less within a conduit which has wires carrying 50V or higher or alongside wires carrying 50V or higher.
3.5 VFD provides a spare output terminal for the customer, Input sign must be 4-20mA, not grounded. The input resistance of the terminal is soon. (Not apply to Carrier® SmartVu™ control products. For Carrier° SmarWuTM control products, shall wire from the control panel.)
19XR/XR-C/E Typical Field Wiring with Free-Standing Starter (Low Voltage)
![]() | ![]() |
19XR/XR-C/E/F Typical Field Wiring with Free-Standing Starter (Medium/High Voltage)
![]() | ![]() |
19XRV/XRV-C/E Typical Field Wiring with UM-VFD
![]() | ![]() |
19XR-6/7 Typical Field Wiring with Free-Standing Starter (Medium/High Voltage)
![]() | ![]() |
Carrier improves the world around us: Carrier improves people’s lives; our products and services improve building performance: our culture of improvement will not allow us to rest when it comes to the environment.
| Version: | CAT-AQUAEDGE-19XR_E_202103_14 |
| Supersede: | CAT-AQUAEDGE-19XR_E_202007_12 |
| Effective Date: | Mar-21 |
The Manufacturer reserves the right to change any product specifications without prior notice
© ALL Rights Reserved, Carrier® is a registered trademark of Carriercorporation.

























