Haws 1201SF Wall Mount ADA Filtered Water Cooler

THIS DOCUMENT IS TRUE AND CORRECT AT TIME OF PUBLICATION. CONTINUED PRODUCT IMPROVEMENTS MAKE SPECIFICATIONS AND MEASUREMENTS SUBJECT TO CHANGE WITHOUT NOTICE.
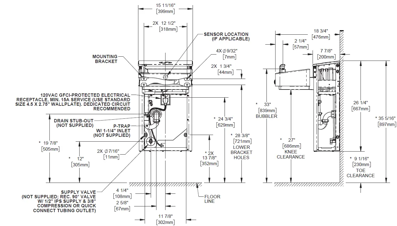
NOTES:
- HOLD PLUMBING & ELECTRICAL DIMENSIONS ±1/4″ (6.4mm). HOLD MOUNTING DIMENSIONS ±1/8″ [±3.2MM].
- ADHERING TO PROVIDED INSTALLATION HEIGHT DIMENSIONS WILL ALLOW A SINGLE WATER COOLER (OR THE LOW WATER COOLER IN A HI-LO INSTALLATION), AND THE BOTTLE FILLER (IF APPLICABLE) TO BE INSTALLED AT ADULT ADA HEIGHT. FOR INSTALLATION HEIGHTS OTHER THAN SHOWN, DIMENSIONS MARKED (*) MUST BE ADJUSTED ACCORDINGLY. WHEN INSTALLING THIS UNIT, LOCAL, STATE, OR FEDERAL CODES SHOULD BE ADHERED TO.
DRAIN STUB-OUT & P-TRAP DETAIL (VIEWED FROM TOP)


TYPICAL SINGLE (OR LOW) UNIT INSTALLATION
(REFRIGERATION COMPONENTS HIDDEN FOR CLARITY)

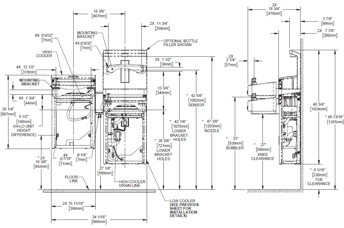
TYPICAL HI-LO UNIT INSTALLATION
(REFRIGERATION COMPONENTS HIDDEN FOR CLARITY)

BOTTLE FILLER INSTALLATION DETAILS
WIRING HARNESS CONNECTION (REAR OF BOTTLE FILLER)

BOTTLE FILLER MOUNTING & TUBING CONNECTION

HIGH EWC INSTALLATION DETAILS

HIGH EWC TUBING CONNECTION (ON LOW COOLER)


LOW COOLER BRACKET HEIGHT
| ADULT STANDING | ADULT ADA | CHILD ADA |
| 33 7/8″ | 28 3/8″ | 25 3/8″ |
RETROFIT TABLE
| MANUFACTURER | MODEL | |
| HAWS | ALL MODELS STARTING WITH HWUACP | |
|
ELKAY/HALSEY TAYLOR | – ALL MODELS STARTING WITH EB, EI, EMA, EN, EZ, HAC HVR, LI, LMA, LZ, TB, & TI – SINGLE COOLER MODELS STARTING WITH VRC & LVR | |
| OASIS | ALL VERSACOOLER II MODELS | |
| SUNROC | ALL MODELS STARTING WITH ADA | |
| MURDOCK | A171, A171.8, & A172.8UBL MODELS NOTE: THE WATER STOP VALVE MUST BE RELOCATED TO RETROFIT A FILTERED 12XX COOLER |
DRAIN STUB-OUT/P-TRAP DETAIL (VIEWED FROM TOP)

RETROFIT INSTALLATION DETAILS

PERMISSIBLE LOCATIONS FOR DRAIN STUB-OUT
NOTES:
- THE 12XX COOLER SERIES IS ABLE TO RETROFIT IN PLACE OF A NUMBER OF COMPETITOR MODELS. SEE RETROFIT TABLE ABOVE FOR PARTIAL LIST OF COOLERS ABLE TO BE REPLACED BY THIS ONE. THE FOLLOWING DISCLAIMERS APPLY: THE 12XX
- COOLER CENTERLINE MAY NOT MATCH THE OLD COOLER’S CENTERLINE, SINCE THE 12XX COOLER DRAIN MUST BE 2 5/8″ OFF OF CENTER. THIS MAY AFFECT ADA COMPLIANCE.
- FOR HI-LO COOLER RETROFITS, EXISTING RIGHT-SIDE COOLER MUST BE THE LOW COOLER. DRAIN, WATER, AND ELECTRIC SERVICES MUST BE POSITIONED BEHIND RIGHT-SIDE UNIT.
- THERE MUST BE WALL BLOCKING OR OTHER STRUCTURAL MATERIAL BEHIND HAWS MOUNTING HOLES.
- VERIFY THAT DRAIN, ELECTRIC, & WATER SERVICES ARE LOCATED WITHIN BOUNDARIES SPECIFIED ON THIS SHEET AND THE NEXT. SOME RETROFITS MAY REQUIRE THE ELECTRIC OUTLET TO BE MOVED.
- THE P-TRAP IS NOT SUPPLIED. THE VERTICAL DIMENSIONS GIVEN ARE BASED UPON INSTALLATION USING
OF A KEENEY 200W P-TRAP, AND SHOULD THEREFORE BE REGARDED AS REFERENCE-ONLY. - THE CENTERLINE OF THE DRAIN STUB-OUT MUST BE BETWEEN 3″ [76mm] & 4-5/8″ [118mm] OR BETWEEN 6″ [152mm] & 8-3/4″ [229mm] BELOW THE LOWERMOST EWC MOUNTING BRACKET HOLES IN ORDER FOR THE P-TRAP TO AFFIX PROPERLY TO THE DRAIN TAILPIECE.
- DEPENDING ON STUB-OUT HEIGHT, SOME TRIMMING OF THE TAILPIECE WILL BE REQUIRED.
- MOUNTING THE STUB-OUT IN THE HIGHER RANGE WILL REQUIRE TRIMMING THE TAILPIECE ABOVE THE LOWER DRAIN HOSE BRANCH. IN THIS INSTANCE, THEREFORE, A HI-LO COOLER CANNOT BE INSTALLED.
- WHATEVER P-TRAP AND STUB-OUT PLUMBING ARE USED, CARE SHOULD BE TAKEN TO ENSURE THAT THE P-TRAP CAN SEAL TO THE STUB-OUT PROPERLY AND STILL ALIGN TO THE DRAIN TAILPIECE (LOCATED AT THE GIVEN DIMENSIONS).
HIGHEST & LOWEST P-TRAP HEIGHTS

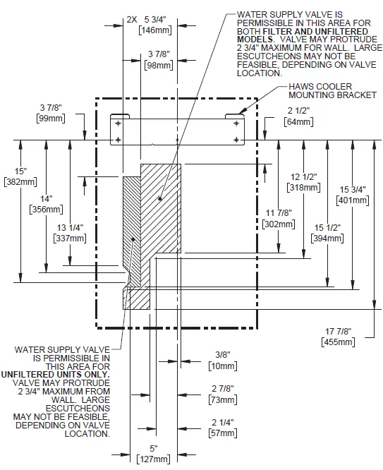
PERMISSIBLE WATER SUPPLY LOCATIONS

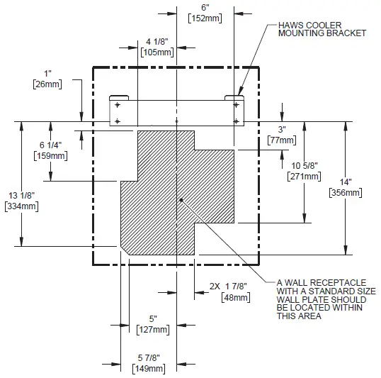
PERMISSIBLE ELECTRICAL RECEPTACLE LOCATIONS

MAINTENANCE
FILTER REPLACEMENT

Y-STRAINER CLEANING
© 2020 Haws Corporation – All Rights Reserved. HAWS® and other trademarks used in these materials are the exclusive property of Haws Corporation.
1455 KLEPPE LANE SPARKS, NEVADA 89431 (775) 359-4712 FAX (775) 359-7424
- E-MAIL: [email protected]
- WEBSITE: WWW.HAWSCO.COM


















